CT9EC1 1Ph Day Spa Steam Generator
Instruction Manual
READ ME FIRST!
IMPORTANT NOTE: As you follow these instructions, you will notice warning and caution symbols. This blocked information is important for this generator’s safe and efficient installation and operation. These are the types of potential hazards that may occur during this installation and operation:
WARNING states a hazard may cause serious injury or death if precautions are not followed.
CAUTION signals a situation where minor injury or product damage may occur if you do not follow instructions.
NOTICE is used to address practices not related to physical injury.
IMPORTANT NOTE: This highlights information that is especially relevant to a problem-free installation.
All information in these instructions is based on the latest product information available at the time of publication. Sussman-Automatic Corporation reserves the right to make changes at any time without notice. More current instructions may be available at www.mrsteam.com.
When installing and using this electrical equipment, basic safety precautions should always be followed, including the following:
IMPORTANT SAFETY INSTRUCTIONS
- READ AND FOLLOW ALL INSTRUCTIONS
WARNING Do not permit children under the age of 16 to use this steambath.
CAUTION To reduce the risk of injury:
A. The wet surfaces of steam enclosures may be slippery. Use care when entering or leaving.
B. The steam head is hot. Do not touch the steam head and avoid the steam near the steam head.
C. Prolonged use of the steam system can raise excessively the internal human body temperature and impair the body’s ability to regulate its internal temperature (hyperthermia). Limit your use of steam to 10-15 minutes until you are certain of your body’s reaction.
D. Excessive temperatures have a high potential for causing fetal damage during the early months of pregnancy. Pregnancy or possibly pregnant women should consult a physician regarding correct exposure.
E. Obese persons and persons with a history of heart disease, low or high blood pressure, circulatory system problems, or diabetes should consult a physician before using a steam bath.
F. Persons using medication should consult a physician before using a steam bath since some medications may induce drowsiness while other medications may affect heart rate, blood pressure, and circulation.
SAVE THESE INSTRUCTIONS
STEAM ROOM BENEFITS
Steam bathing is a communal activity. Enjoy steam together with friends. Relax, knowing that steam may be a natural detox. Here are some possible benefits of steam bathing:
- Cleanses nourishes and hydrates skin
- Boosts metabolism
- Provides relief for respiratory ailments such as colds, flu, allergies, and asthma
- Reduces stress and promotes restful sleep
STEAM ROOM BENEFITS
Steam bathing is a communal activity. Enjoy steam together with friends. Relax, knowing that steam may be a natural detox. Here are some possible benefits of steam bathing:
- Cleanses nourishes and hydrates skin
- Boosts metabolism
- Provides relief for respiratory ailments such as colds, flu, allergies, and asthma
- Reduces stress and promotes restful sleep
Follow your steambath with a refreshing shower.
If you would like your own personal steam bath at home contact us at mrsteam.com
WARNING
REDUCE THE RISK OF OVERHEATING AND SCALDING
- Exit immediately if uncomfortable, dizzy, or sleepy. Staying too long in a heated area is capable of causing overheating.
- Children under the age of 16 should not use the steam bath.
- Check with a doctor before use if pregnant, diabetic, in poor health, or under medical care.
- Breathing heated air in conjunction with the consumption of alcohol, drugs or medication is capable of causing unconsciousness.
- Do not contact the steam head or steam at the steam head.
REDUCE THE RISK OF SLIPPING AND FALL INJURY
Use care when entering or exiting the steam room, the floor may be slippery.
Note: For additional safety considerations see the owner’s manual.
MrSteam 43-20 34th Street, Long Island City NY 11101 1-800-76-STEAM www.mrsteam.com
HYPERTHERMIA occurs when the internal temperature of the body reaches a level several degrees above the normal body temperature of 98.6° F. The symptoms of hyperthermia include an increase in the internal temperature of the body, dizziness, lethargy, drowsiness, and fainting. The effects of hyperthermia include:
a) Failure to perceive heat;
b) Failure to recognize the need to exit the steambath;
c) Unawareness of impending risk;
d) Fetal damage in pregnant women;
e) Physical inability to exit the steambath and
f) Unconsciousness.
WARNING The use of alcohol, drugs, or medication can greatly increase the risk of hyperthermia.
A warning placard has been provided in the Information envelope. This placard is an essential part of providing a safe environment for steam room users. This placard must be mounted to the wall of the shower or steam enclosure, at a point visible to all users. Failure to mount this placard may result in serious injury or death.
Select Your Club Therapy Model
Materials of construction, room size, and special design features such as large glass areas, all affect the steam generator model selection.
| 1. Measure the length, width & height in feet of the steam/shower or tub/shower | |
| Multiply the Length ____ x Width_____ x Height _____ = | ROOM VOLUME |
| 2. Construction Materials: | |
| For ceramic or porcelain tile on cement board or mortar bed | Add 0% |
| For natural stones: natural marble, stone, shale, glass block, or concrete | Add 50% |
| For Acrylic or Fiberglass | Subtract 40 |
| 3. Ceiling Height: For each foot above 8 feet (max. of 10 feet) | Add 15% To the Adjusted Room volume |
| 4. To t an l Adjusted Room volume |
Compare your Room Volume to the Chart below and select the appropriate model.
Compare your TOTAL ADJUSTED ROOM OLUME to the Specification Chart below and select the appropriate model.
Visit www.mrsteam.com to size your generator automatically.
Steam Generators Specification Chart
![]() | Model No. | KW | Amps (for 240v/1PH)† | Total Adj Room Vol. | Wire Size‡ | Water Usage gallons†† | Dimensions* | Shipping Wt. (lbs)** |
| CT6E | 6 | 25 | 107 | 8 | 0.80 | 17″L x 181/2″H x 77i6″D | 40 | |
| CT9E | 9 | 38 | 257 | 8 | 1.2 | 17″L x 181/2″H x 77A”D | 40 | |
| CT12E | 12 | 50 | 411 | 6 | 2.6 | 17″L x 181/2″H x 77/6″D | 40 | |
| CT15E | 15 | 63 | 482 | 4 | 2.0 | 17″L x 181/2″H x 77/6″D | 40 |
IMPORTANT NOTES:
- Add C1 suffix to Model No. for 240V/1Ph; Add B1 suffix to Model No. for 208V/1Ph.
- All CT MS Models are cUL us Listed and CE; approved.
NOTICE All CT Generators are available in 240v1PH, 208v1PH, and other voltage phases.
† Amps are for 2401PH-rated units.
‡ Wire size (AWG) based on minimum 90°C rated THHN copper conductors. Refer to the National Electrical Code for other types of conductors.
* Dimensions are for generators only, without AutoFlush ® or plumbing features.
** Shipping weight and pricing are for generators only, without control or steamed.
†† Water usage is based on 20 minutes of operation.
WARNING In considering a purchase of this steambath system, please note that if users are pregnant, have a coronary condition, are in poor health, are being treated for any other medical condition, or are using medication or drugs, MrSteam recommends that you obtain the approval of their physician before use.
For information about this product and safety issues, please call us at 1-800-76-STEAM or log onto www.mrsteam.com
IMPORTANT NOTES:
- The guidelines for selecting the steambath generator are recommendations only. Because of variables in construction, these sizing instructions and specifications should be considered as guidelines only. MrSteam will review the model selected provided we receive complete information, including working drawings, specifications, and pertinent electrical and construction details. Otherwise, the manufacturer disclaims responsibility for the sizing of a model selected.
- For steam rooms constructed of acrylic or synthetic materials, select the next lower-rated CT model.
- The total adjusted room volume allows for up to 60 feet of insulated steam piping from the CT generator to the steam room. If the 60 feet piping is exceeded consult with the factory. When locating the steam generator consideration of the control and external temperature probe must be taken into account. The maximum length for a control cable is 60 feet. The maximum length of the MSTS is 60 feet. MSTS connects to the steam generator and is required to be installed inside the steam room when the control is mounted outside the steam room.
Before Installing
Carefully inspect the CT steam generator and packaging for shipping damage. In the event of shipping damage, please contact the carrier for claim information. Our customer service department can assist you with any missing or damaged parts.
Read these instructions before installation or service. Although this CT steam generator has been fully qualified for shipment by MrSteam, the following must be reviewed for proper, safe, and enjoyable steam bathing:
- Verify that the model and accessories specifications are correct for the incoming line voltage.
- Insure the steambath generator has been correctly sized for the steambath room. Pay particular attention to the room volume and construction. If any questions, please refer to the MrSteam sizing and selection guide on page 2.
- Marble or glass walls or ceilings “enlarge” the room’s size requiring a generator larger than one based only on the room’s cubic foot (L x H x W) volume.
- The physical size of the unit, clearance for plumbing servicing, and its distance from the steam room must all be considered before final installation.
- Consider any controls and accessories before initiating the installation.
Read the Installation & Operation Manual of all controls and accessories available at www.mrsteam.com/products/technical-downloads.html
Steam Room Guidelines
IMPORTANT NOTE: Owners/Operators should obtain a copy and familiarize themselves with the latest edition of the American College Sports Medicine Health/Fitness Facility Standards and Guidelines, or a similar resource and reference publication, and refer to those guidelines for the proper and
safe operation of a spa facility including steam rooms.
- The steam room must be completely enclosed, with full walls, door, floor, and ceiling.
- It is recommended that a gasket door is used for steam containment.
- If tile-type or other smooth surfaced flooring is used provide suitable anti-skid strips or equivalent, to prevent a slipping hazard.
- Check the suitability of any materials with the manufacturer. Walls and ceilings must be constructed of water-resistant, non-corrosive surfaces, such as tile, marble, molded acrylic, or other non-porous material.
- The ceiling should be sloped to prevent dripping of condensate.
- Provide a floor drain.
- No heating, venting or air conditioning devices should be installed inside the steam room.
- Steam room tile construction information is available from the Tile Council of America, Inc. by purchasing the TCA Handbook for Ceramic Tile Installation. at (864) 646-8453 or www.tileusa.com.
- Windows that are part of the steam room should be double-paned and tempered safety glass.
- Limit steam room ceiling height to 8 feet. Exceeding 8 feet may require a higher-rated steam generator.
warning The warning placard is located in the documentation envelope. This placard is an essential part of providing a safe environment for steam
room users. This placard must be mounted to the wall of the shower or steam enclosure, at a point visible to all users. Failure to mount this placard may result in serious injury or death. For a replacement placard contact MrSteam customer service at 1800-76-STEAM or [email protected]
STEAM ROOM BENEFITS
Steam bathing is a communal activity. Enjoy steam together with friends. Relax, knowing that steam may be a natural detox. Here are some possible benefits of steam bathing:
- Cleanses nourishes and hydrates skin
- Boosts metabolism
- Provides relief for respiratory ailments such as colds, flu, allergies, and asthma
- Reduces stress and promotes restful sleep
Follow your steambath with a refreshing shower.
If you would like your own personal steam bath at home contact us at mrsteam.com
WARNING
REDUCE THE RISK OF OVERHEATING AND SCALDING
- Exit immediately if uncomfortable, dizzy, or sleepy. Staying too long in a heated area is capable of causing overheating.
- Children under the age of 16 should not use the steam bath.
- Check with a doctor before use if pregnant, diabetic, in poor health, or under medical care.
- Breathing heated air in conjunction with the consumption of alcohol, drugs, or medication is capable of causing unconsciousness.
- Do not contact the steam head or steam at the steam head.
REDUCE THE RISK OF SLIPPING AND FALL INJURY
Use care when entering or exiting the steam room, the floor may be slippery.
Note: For additional safety considerations see the owner’s manual.
MrSteam 43-20 34th Street, Long Island City NY 11101 1-800-76-STEAM www.mrsteam.com
WARNING Never use damaged equipment, doing so may result in an inoperative or hazardous installation.
Discontinue the use of the steam generator and control if the steam generator or control is damaged or otherwise not functioning properly. Doing so may result in an inoperative or hazardous installation
ELECTRICAL SHOCK HAZARD. MrSteam steam generators are connected to 208V or 240V line voltage and contain live electrical components. All installation and services are to be performed by qualified and licensed electricians and plumbers only. installation or service by unqualified persons or failure to use MrSteam parts may result in property damage or in a hazardous condition.
WARNING Do Not alter or modify any MrSteam product.
Doing so may result in an inoperable or hazardous installation and will void the warranty
CAUTION If acrylic, fiberglass, or other non-heat-resistant materials are used as part of the steam room enclosure. Consult with the material manufacturer and see pg. 7, “Installing the AromaSteam Steamhead” for additional details.
IMPORTANT NOTES:
This document contains important safety, operation, and maintenance information.
Leave this document with the club/spa management.
Do not discard this document.
The following general information should be used in conjunction with consultations with an architect, designer, and contractor in determining factors
necessary in providing a suitable and safe steam room.
MrSteam CT steam generators are intended to be operated with MrSteam’s Tiempo/Plus ™, iSteam ® and CT SteamStop ® only, and are to be installed strictly in accordance with the specific instructions contained in this manual and as supplied in the manuals provided with the controls or accessories.
Locating the Steam Generator Unit
IMPORTANT NOTE: The control cables should be run in a dedicated 1″ conduit to facilitate installation and service Select a location as near as practical to the steam room.
Typical locations include a closet, vanity cabinet, heated attic, or basement.
NOTICE The maximum length of the MSTS is 60 feet. MSTS connects to the steam generator and is required to be installed inside the steam room when the control is mounted outside the steam room.
WARNING (Items 1-7)
- DO NOT install a steambath generator or plumbing lines in the unheated attic or any locations where water could freeze.
- DO NOT install a steambath generator inside the steam room.
- DO NOT install a steambath generator outdoors or wherever environmental conditions may affect the safety and/or performance of the generator.
- DO NOT install a steambath generator near flammable or corrosive materials or chemicals such as gasoline, paint thinners, or the like. Installation in areas having high concentrations of chlorine (such as pool equipment rooms) must be avoided.
- Install the steambath generator on a solid and level surface. Provide supports under the steam generator when wall mounting. Keyhole slots are provided for wall mounting.
Insure the steam generator is properly secured and level when mounting with keyhole slots. - Install the steambath generator in an upright position only.
- Burn Hazard. Steam piping, safety valve, drain valve, plumbing, and steam heads become hot during operation and remain hot after shutdown for a period of time. Provide appropriate protection, including insulating plumbing lines. Avoid plumbing runs and steamed locations that can come in contact with bathers.
IMPORTANT NOTE: (Items 8-11) - Install an anti-water hammer device as necessary.
- Provide a minimum of 12 inches at both ends and top of the steam generator or as required for servicing. See page 8.
- Provide unions as required to facilitate installation and disconnection of piping.
- The controls should be placed in a location only accessible by the facility’s staff.
The CT SteamStop ® and remote sensor are required to be installed inside the steam room.
WARNING MrSteam Generators and controls are CE and UL listed.
NOTICE The CT series of steam generators are for commercial use only.
Typical MrSteam ® Installation
NOTICE FOR ILLUSTRATIVE PURPOSES ONLY
Some components may be omitted or altered for clarity. Do not use for wiring, repair, or other purposes not related to component identification.

Installation
Plumbing
All plumbing shall be performed by a qualified licensed plumber and in accordance with applicable National and local codes.
- Use unions on all pipe connections.
- Use only brass piping or rigid copper tubing as permitted by codes.
- Do not use black, galvanized, PVC, or PE pipe.
WARNING water supply and steam piping must be flushed to remove flux and other debris prior to connecting the steam generator.
Failure to flush the steam piping may result in flux poisoning or a hazardous condition. Failure to rinse the steam piping may result in blockage or an inoperable system.
Water supply(3/8”NPT)
- Connect to the cold water line.
- Provide a shut-off valve in the water supply line upstream of the steambath generator.
- Do not overheat the inlet solenoid valve with solder connections.
Overheating will damage parts. - Flush the inlet water line thoroughly before making a connection to the unit.
- Strainer recommended upstream of feed water connection.
- For best performance, the water pressure should be 15 to 20 psig.
Reduce pressure as required. - Provide anti-water hammer device as required.
- Install an approved backflow preventer as required by local codes.
Drain (1″ N P T )
The drain from the generator should not share an undersink trap unless the generator is mounted higher than the sink.
NOTICE A drain valve is provided to facilitate servicing. Provide a drain line connection from the steambath generator drain valve according to National and local Codes. Check local plumbing code for receptor, trap, and vent requirements. Do not connect the Drain line and Safety Valve line together. Unit drains by gravity. Do NOT connect the drain valve to the steam piping.
Safety Valve ( 3 4″N P T )
Where permitted by local codes, provide an outlet plumbing connection for the safety valve.
WARNING: Do NOT connect a shut-off valve or plug at the safety valve outlet to ensure proper and automatic safety valve operation. DO NOT connect a shut-off valve or any construction in the steam supply piping.
Condensation Pan
MrSteam strongly recommends using a condensation pan in the unlikely event of a plumbing leak. Check local plumbing codes for receptor, trap, and vent requirements. Condensation pans drain by gravity. The condensation pan is equipped with an integral 4″ fitting. See page 14 for additional condensation pan installation information.
AromaSteam
If the optional AromaSteam Electronic Oil Delivery System (PN: MS AROMA) is to be installed, a 90-degree T plumbing fitting must be installed at a designated location on the steam outlet line.
See the MrSteam Aroma-Steam Operation and Instruction Manual for installation information before the steam piping is installed at www.mrsteam.com technical downloads.
Steam Piping ( 1 2″ NPT)
- Do not install any valve in the steam piping. The flow of steam must be unobstructed.
- Use 12-inch brass pipe or copper tubing from unit to steam head as permitted by codes.
- Insulate steam piping with fiberglass or similar insulation rated 212° F or higher.
- Pitch steam piping 1 4″ per foot towards the steam head or steam generator to avoid valleys and condensate trapping.

WARNING Failure to pitch the steam piping as required for condensate to drain may cause condensate to block the flow of steam. Blocking the steam flow may cause steam pressure to discharge boiling water through the steam head, resulting in a scalding hazard. Blocking the flow of steam may cause steam to discharge ough the safety valve, resulting in a scalding hazard.
NOTICE A 1.5″ hole in the stea m roo m is required to mount the steam head.
Water Quality Information
For optimum results, the water supply should be tested prior to installation. If the mineral content exceeds the following recommended limits, various external treatment processes are recommended to correct the problem.
NOTICE An analysis of the on-site water must be made by a recognized and reliable water treatment company to ascertain the existing condition and treatment required. Poor water quality can affect efficiency or result in steam generator damage. Water contains impurities in the solution and suspension. These impurities concentrate in the generator. The concentration of these impurities increases as more feedwater is introduced into the generator and steam is produced. If the suspended solids are allowed to concentrate beyond certain limits, a deposit or “scale” will form on the generator’s internal surfaces. This deposit can interfere with the proper generator operation and cause generator failure. The concentration of these impurities is generally controlled by the water quality and by periodic draining of the generator.
RECOMMENDED FEEDWATER QUALITY
Hardness, ppm 8 85 (0.5 5 gpg)
P-Alkalinity, ppm 85 410 (5 24 gpg)
T. Alkalinity, ppm 200 500 (7 0 gpg)
pH (strength of alkalinity) 8.0 11.4
The CT AutoFlush System feature automatically drains the CT generator following each use. A time delay allows the water to cool down (about two hours) before it drains by gravity for a safe and gentle operation.
Installing the AromaSteam Steamhead ( 1 ⁄2″ NPT)
A11 ⁄2″ clearance hole around the steam pipe is needed to mount the steam head.
STEP 1
Locate steam head 6-12 inches above the floor, except for:
- Tub/shower enclosures, install 6 inches above tub top edge.
- Consult with the supplier of acrylic, fiberglass, and other non-heat resistant enclosures for recommended steam head location.
- Use Acrylic Shield MS 103412. See instructions provided with a steam shield.
- To reduce noise do not locate the steam head within 12″ of a wall.

STEP 2
Install the steam head with the oil well facing up as shown.
Hand tightening is sufficient when Teflon or equal pipe thread sealing compound is used.
STEP 3
Secure a bronze drop ear fitting to a header and run a 1 ⁄2″ copper steam pipe from the steam generator to the drop-ear fitting. Install a temporary nipple 6″ or longer) in the drop-ear fitting to locate the steam head after the wall is finished.
STEP 4
After the wall has been finished, mark on the nipple where the surface of the wall is. Remove the nipple and measure the portion that was in the wall (the end to your mark). Subtract 1 ⁄8″from that dimension and select a brass nipple of that length to finish the installation.
STEP 5
Wrap Teflon tape around the threads of the new nipple and screw the nipple into the steam head. Do not use wrenches or tools which would damage the steamhead’s finish.
Wrap Teflon tape around the threads of the nipple and screw the nipple and steamed assembly you just made into the drop-ear fitting in the wall. The steam should be flush with the wall and thewellmustbefacingup.
IMPORTANT NOTE:
- Do not disassemble the steam head. MrSteam’s steam head is shipped fully assembled and requires no additional assembly.
- To preserve the steam head finish, do not use wrenches or other tools to tighten. DO NOT use abrasive cleaners or chemicals.
Use only water with mild soap and a non-abrasive sponge.
CAUTION
Because the steam head and direct steam emissions are very hot, locate the steam head where incidental contact by the bather with the steam head or direct steam emission cannot occur.
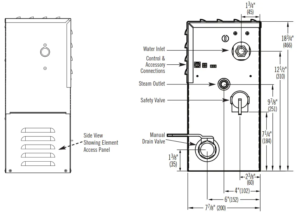
Generator Dimensions

IMPORTANT NOTES:
- Provide a minimum of 12 inches at both ends and top of the steam generator or as required for servicing. Alternately, provide unions as required to facilitate installation and disconnection of the steam generator.
- The minimum clearance from combustible surfaces is zero all around.
TO AVOID EQUIPMENT DAMAGE DO NOT CONNECT THE POWER SUPPLY DIRECTLY TO THE ELEMENTS !!!
NOTICE
- M=Optional AutoFlush
- All units in inches (MM)
| WATER INLET | 3/8” NPT |
| STEAM OUTLET | 1 /2” NPT |
| SAFETY VALVE | 3/4” NPT |
| MANUAL DRAIN VALVE | 1” NPT |
| AUTOFLUSH VALVE | 1” NPT |
Electrical
All electrical wiring is to be installed by a qualified licensed electrician in accordance with National Electrical Code and local electrical code.
Power Wiring- See “Field Power Wiring” Diagrams (below)
- Check power voltage. Use 240V rated unit when supply is greater than 208V. Use 208V rated unit for 208V power.
- Use a minimum of 90° C/300V rated insulated copper conductors only, sized in accordance with National Electrical Code and local electrical code for the current in Ampere Chart. If allowed by codes, NM cable may require a larger wire size than as listed on the chart.
- Connect suitably sized equipment grounding wire to the ground terminal provided.
- Install a separate circuit breaker between the supply and unit. Provide a power supply disconnect within sight of the steam generator or one that is capable of being locked in the open position.
- For single-phase units, use a two-wire supply source and equipment grounding wire. The neutral (white) wire is not required.
CHART
| Model No. | Max Room Vol (Cu. Ft.*) | KW | Volts 1 PH† | Phase | Amps | Wire Size (AWG) for 40˚C Ambient | Wire Size (AWG) for 45˚C Ambient |
| CT6E
| 107
| 6.0
| 208 240
| 1 3 1 3 | 29 17 25 14 | 8 10 8 12 | 8 10 8 12 |
| CT9E
| 257
| 9.0
| 208 240 | 1 3 1 3 | 44 25 38 22 | 8 8 8 10 | 6 8 8 10 |
| CT12E
| 411
| 12.0
| 208 240 | 1 3 1 3 | 58 34 50 29 | 6 8 6 8 | 4 8 6 8 |
| CT15E
| 482
| 15.0 | 208 240 | 1 3 1 3 | 73 426336 | 4 8 4 8 | 3 6 4 8 |
*See page 2 for room sizing.
† All specifications shown are for 208V and 240V. Consult the factory for other voltage specifications.
WARNING Provide a power supply disconnect within sight of the steam generator or one that is capable of being locked in the open position as permitted by code.
Field Power Wiring
Models CT6E – CT9E
(single phase wiring shown)
- TO AVOID EQUIPMENT DAMAGE DO NOT CONNECT THE POWER SUPPLY DIRECTLY TO THE ELEMENTS!!!
- L1, L2, Ground to be field wired

Models CT12E & 15E
(single phase wiring shown)
NOTICE
FOR ILLUSTRATIVE PURPOSES ONLY
Some components may be omitted or altered for clarity. Do not use for wiring, repair, or other purposes not related to component identification.
Single-Phase Wiring Diagrams
LEGEND (All Diagrams)
FIELD WIRING
FACTORY WIRING
MODEL CT6E & CT9E
MODEL CT12E & 15E
Three Phase
Wiring Diagrams
MODEL CT6E, CT9E CT12E & CT15E

Initial Start-Up and Checkout
- Turn on the control. Follow specific instructions provided with controls.
- Steam will begin to appear in approximately 5 minutes at the steam head. Steam will shut off when the desired temperature is reached and will automatically resume when room temperature drops a below-set point.
- Steam will shut off automatically when the control counts down to zero. To shut the steam off manually, turn control OFF. To clear steam from the enclosure area, turn the shower on before opening the door.
- If the unit does not start and the control does not turn ON (the controlled display does not light up) then turn the breaker off for 20 seconds and try again.
- Refer to specific instruction sheets for installation, operation, and maintenance of optional equipment and Control.
Maintenance
MrSteam steambath generators require little maintenance.
Other than draining, maintenance procedures are minimal. When AutoFlush is not installed the manual drain valve should be opened fully flushing out accumulated materials, salts, and other particles which are natural by-products of boiling water, after each use.
CAUTION Flush a minimum of two-three hours after the control has been turned off to insure that the water has cooled.
WARNING Draining immediately after a steam cycle may expose PVC and other piping to high-temperature water. Check local codes. The unit will refill automatically after 10 minutes. In areas of hard water, a MrSteam AutoFlush ® system is recommended for generator longevity.
Steam Generator Operation
MrSteam recommends beginning steam bathing at a low temperature setting to gauge comfort and safety levels. Set the duration at 10 minutes max. to gauge comfort and safety levels. This will allow the steam generator to heat up and begin producing.
Troubleshooting
WARNING All electrical troubleshooting is to be performed by a qualified licensed electrician.
Step 1 Check your main incoming power to the unit.
Step 2 Verify the transformer is receiving 208/240 VAC.
Step 3 Verify that you have 24VAC coming out of the transformer, WHT & WHT/BLU wires, into the board.
Step 4 Verify that you have the green light on the PC board.
Step 5 Push the white test button to run the generator on a 10-minute test cycle.
Step 6 Verify that you have 24 VAC to the water feed solenoid, GRY & WHT/GRY wires (will fill when needed).
Step 7 Temporarily short out the WLS (Purple wire) and GND (Green wire) terminals and verify the contactor engages.
Step 8 When the red light is on, verify that you have 24 VAC, RED & WHT/RED wires, to the contactor.
Step 9 Check to see that you have your main voltage on the load side of the contactor when it is engaged.
Step 10 If all steps on the power path were verified, turn off power to the unit and pull the heating element via the left-hand access panel for inspection.

NOTICE FOR ILLUSTRATIVE PURPOSES ONLY.
Some components may be omitted or altered for clarity. Do not use it for wiring, repair, or other purposes not related to component identification.
Do not disassemble internal components, internal components contain no serviceable parts.
System Status Codes
The Tiempo/Plus control may display a status code if the steam generator is not functioning properly.
| Code | Code Meaning | Probable Cause | Suggested Remedy |
| H2O | The water level is not satisfied within 5 min. | Water Supply is off Defective water feed solenoid Water feed probe not functioning Drain Valve Open AutoFlush not functioning | Turn on Water Supply Check/replace the water solenoid valve Check/clean probe. Check probe wiring. Check/Close the drain valve Check/Replace AutoFlush |
| Perl or Prr2 | Temperature Probe Error | Control/Remote sensor cable cut Internal problem with control/Remote Sensor | Replace Control Cable/Sensor Replace ControlSensor |
| Ear1 | Incorrect Field Supply Voltage (green light on liquid level the control board will be off) | Incorrect voltage supplied to Generator | Supply the steam generator with the correct voltage noted on the data plate label. |
| Err2 | The button on the control is pressed for more than 5 minutes | Control cover misalignment Debris behind the control cover | Remove and reinstall the control cover Remove the control cover and clean the cover, control, and keypad with a damp cloth |
| Err7 | Liquid Level Control Board malfunction | Memory error in LLCB | Press ON/OFF to clear. Replace control if the code remains. |
Liquid Level Control Board – EXPLANATION OF LED INDICATORS
| GREEN | LED is ON when there is 208/240 Volt incoming power connected, 24 Volt transformer secondary output and on-board 5 Volt DC control power is present. |
| YELLOW | Water level indicator—LED is OFF when no water is detected (for more than 5 seconds). ON when the water level is satisfactory. For units with AutoFlush, if more than five hours have elapsed since last usage and this LED is ON it is indicative of an AutoFlush or water level probe circuit malfunction. |
| RED | Contactor relay indicator—LED is ON when the relay is closed and sends 24 Volts to the contactor coil. (This LED comes ON if the generator is ON.) |
| FORCE ON TEST BUTTON | This button is for troubleshooting only and will operate if a controller is connected or not. Pressing the button again will shut the generator OFF. The test button will only allow the generator to operate for 10 minutes. |
Liquid Level Control Board
PN 104288
(shown without wiring)

AutoFlush ®
Box Contents
- AutoFlush Valve with Cord
- Installation instructions.
Operation
The AutoFlush System feature automatically drains the CT system following each use.
A time delay allows the water to cool down (about two hours) before it drains by gravity for a safe and gentle operation. Unit drains by gravity.

Installation Instructions
- Plumbing is to be performed by a qualified plumber and shall be in accordance with applicable national and local codes. Unit drains by gravity. A drain line that is lower than the AutoFlush assembly must be available. The AutoFlush System valve outlet is 1″ NPT. Check plumbing code for receptor, trap, and vent requirements.
- Use copper or brass nipple 1″ NPT x 3 ⁄2″ or longer (not supplied) to connect the AutoFlush valve to the Drain Valve, noting the direction of flow on the valve body.
CAUTION The AutoFlush valve must be installed within the orientation range shown.
CAUTION DO NOT REMOVE THE DRAIN VALVE Removal may cause equipment and property damage.
If there is not enough room for the valve, an elbow and a short nipple (not provided) can be added. - Open Drain Valve (handle must be aligned with brass nipple).
- Connect the AutoFlush System cord connector to the three-pin connector as shown.

WARNING Do not drain into a steam enclosure or any location where accidental contact with drain water may occur. In the event of a power failure, the AutoFlush System valve will open and may discharge boiling water.
Sweat Fittings
When using sweat fittings use only tin base solder with a melting point below 600 degrees F. Do not overheat.
The ends of the water supply tubing must be thoroughly clean for a minimum distance of 1″ from the ends.
Do not remove the valve cover.
To Check Operation
- Turn on MrSteam and allow the tank to fill with water.
- Turn off MrSteam control. Water should stay in the tank.
- Turn off the power at the panel box.
Water should discharge from the tank. - Turn on power at the panel box.
- Repeat

CAUTION PROVIDES DRAIN PLUMBING ACCORDING TO LOCAL CODES. PLUMB AS REQUIRED FOR AUTOFLUSH SYSTEM.
Condensation Pan
MrSteam provides a condensation pan in the unlikely event of a plumbing leak.
Locate the condensation pan on a solid level surface and place the steam generator inside the condensation pan.
Insure the steam generator is level (see page 4 for locating the steam generator).
All plumbing shall be performed by a qualified licensed plumber and in accordance with applicable national and local codes. Check local plumbing code for receptor, trap, and vent requirements.
Condensation pans drain by gravity. The condensation pan is equipped with an integral 3 ⁄4″NPT fitting.
Express Steam ®
(Factory installed)
All CT models have an Express Steam standard.
Express Steam is equipped with a low-power heating element and thermostat to keep the water in the tank warm enough to bring up steam quicker. All Express Steam components and wiring are installed at the factory. No additional wiring or plumbing is required by installers.
NOTICE
FOR ILLUSTRATIVE PURPOSES ONLY
Some components may be omitted or altered for clarity. Do not use for wiring, repair, or other purposes not related to component identification.
Replacement Parts List
| PART No. | Description | Product-.1 |
| 99178CT | Drain Valve | All models |
| 99297 | Safety Valve 15PSI | All models |
| 100479-2 | Water Feed Solenoid Valve w/fiker | All models |
| 100477-3 | Transformer 24VAC | All models |
| 104288 | Liquid Level Control Board | All models |
| 103990-60 | Cable for Tempo/Plus Control (60 ft.) | Tiempo/Plus only |
| fvS1S-30 | Art vote TerrperattrePrebe (ntecyal 30ft cable) | Al Atcdels |
| MSTS-60 | RenneTenprakse Probe Ontegral 60ft cable) | All models |
| 100476-2 | Contactor 50A 2-pole | CT6E & CT9E, Single phase |
| 99012 | Contactor 50A 3-pole | All 3-Phase models |
| 103453 | Contactor 50A 4-pole | CT12E |
| 100471-2 | Probe Assembly | All models |
| 99096MS | Heating Element Gasket | All models |
| 103412 | Acrylic Shield | All Models |
| 99314 | Power Fuse 60A 250V | CT12E, Singh phase |
| 29061 BMS | Healing Senn 6 IONZBV | CT6E, Single Phase |
| 29061 CMS | Heating Element 6 KW 240V | CT6E, Single Phase |
| 29091 BMS | Heating Element 9 KW 208V | CIVE, Single Phase |
| 29091CMS | Heating Element 9 IN 24W | CIVE, Single Phase |
| 29121 BMS | Heating Element 12 KW 20W | CT12E, Single Phase |
| 29121CMS | Heating Element 12 KW 24W | CT12E, Single Phase |
| 29151BMS | Heating Element 15 KW 208V | CT15E Single Phase |
| 29151CMS | Heating Element 15 KW 24W | al SE Single Phase |
| 103978-60 | Cable for CT-SteamStop (60 ft) | All models |
| 104016 | Thermostat | All models |
| 104015 | Express Steam Thermostat | M models |
| 104019 | Heating element for Express Steam | All models |
| 104117-30 | Cable for iSteam (30 ft) | iSteam Only |
| 104117-60 | Cable for iSteam (60 ft.) | iSteam Only |
Models CT6E & CT9E
shown with the cover removed

NOTICE
FOR ILLUSTRATIVE PURPOSES ONLY.
Some components may be omitted or altered for clarity.
Do not use for wiring, repair, or other purposes not related to component identification.
Models CT12E & 15E
shown with the cover removed

NOTICE
FOR ILLUSTRATIVE PURPOSES ONLY.
Some components may be omitted or altered for clarity. Do not use for wiring, repair, or other purposes not related to component identification.
Control Installation Refer to Control Manual for specific installation requirements Before
Installing
Turn the power to the steam generator OFF before connecting the control to the generator. Failure to turn the power off will result in an inoperable control.
CAUTION
To avoid unintentional steambath operation, do not locate the control where other controls, accessories, shower heads, valves, body sprays, or similar within the shower could cause confusion or interfere with the MrSteam control’s intended use and function.
CAUTION
Do not use any iSteam ®, Tiempo/Plus ™, Tiempo ™, HomeWizard ™, or genie ® controls without reading and understanding its own manual and the MrSteam steam generator Installation and Operation Manual. Failure to read and understand these instructions may result in an inoperative or hazardous installation.
WARNING
The warning placard located in the documentation envelope must be read and permanently affixed in a conspicuous location near the steam room. Failure to read and affix this warning placard in a conspicuous location may result in serious injury or death.
Install the iSteam, Tiempo, or Tiempo/Plus controls according to installation instructions. Failure to install according to instructions will result in inoperative control or hazardous overheating or inadequate heating of the steam room.
If an item, Tiempo, or Tiempo/Plus control is installed outside the steam room a Remote Temperature Probe (PN MSTS) must be installed inside the steam room per installation instructions supplied with the Remote Temperature Probe. Failure to install according to instructions will result in inoperative control and overheating of the steam room.
WARNING
Do not route iSteam, Tiempo/Plus, Tiempo, HomeWizard, or genie control wiring inside conduit together with power lines or close to hot water or steam
piping. Doing so may result in an inoperative or hazardous installation.
WARNING
Do Not alter or modify any MrSteam product.
Doing so may result in an inoperable or hazardous installation and will void the warranty
IMPORTANT NOTES:
- Turn the power to the steam generator OFF before connecting the control to the generator. Failure to turn the power off will result in an inoperable control.
- Do not operate iSteam, Tiempo/Plus, Tiempo, HomeWizard, or genie controls with other than a MrSteam steam or Tiempo compatible steam generator.
MrSteam steam generators with serial numbers lower than 900000, or any other brand of the steam generator are not to be operated with Tiempo controls.
Doing so may result in an inoperative or hazardous installation. If iSteam is used with a generator having a serial number less than 1174000, contact MrSteam technical support for an upgraded PC board. - This document contains important safety, operation, and maintenance information. Leave this document with
management. Do not discard this document. - Discontinue use of the steam generator or control if the steam generator is damaged or otherwise not functioning correctly. Operating a damaged steam generator may result in an inoperative or hazardous installation
Control Rough In Refer to Installation Instructions for the specific control
IMPORTANT NOTE: The control cables should be run in a dedicated 1″ conduit to facilitate installation and service.
- Determine the desired installation location of the control. The iSteam®, iTempo™, and Tiempo/Plus™ controls are designed to be installed inside or outside the steam room as a matter of personal preference. If the control is installed inside the steam room the control must be located:
- 4-5 feet above the floor near the bather seating area
- The control features an integral temperature sensor.
Locate the control in a location representative of the desired steam bathing temperatures.
Do not locate the control above or near the steam head or direct steam emissions. - On a vertical wall, The control cable length is 30 feet. Insure that the control and/or steam generator are located accordingly. An optional 60-foot cable is available, PN 103990-60 for Tiempo and PN 104117-60 for iSteam.
Contact a MrSteam technical service representative if a 60-foot cable is required.
IMPORTANT NOTE: If the control is installed outside the steam room a Remote Temperature Probe Part Number MSTS must be installed inside the steam room, depending on the control. Insure MrSteam steam generator is iSteam or Tiempo compatible and has a serial number 900000 or higher. If iSteam is used with a generator having a serial number less than 1174000, contact MrSteam technical support for an upgraded PC board.
See instructions for the MSTS Temperature Probe (located in the Control Installation Manual related to your specific control package) before rough-in or installation of control.
CT SteamStop ®
On/Off Switch for Tiempo/Plus ®
Dimensional Information
Box Contents:
- CT SteamStop Control
- Owner’s Manual
- 60’ CT SteamStop Cable
IMPORTANT NOTE: The control cables should be run in a dedicated 1″ conduit to facilitate installation and service.
Installing the CT SteamStop Control
The CT SteamStop has a 60-foot cable with a Plug & Play connector at both ends. (Diagram 1) The CT SteamStop must be installed inside the steam room.
| Step 1 Diagram 2 7 Drill 7⁄8 inch diameter hole in a preferred wall location. Do not oversize or undersize the hole. Step 2 Diagram 3 Route the cable from the wall to the steam generator. Be careful not to strain, pinch or otherwise damage the control cable. Step 3 Diagram 4 Remove and discard the peel-off paper from the switch housing to expose the adhesive as shown in Diagram 4. IMPORTANT NOTE: Use care not to apply silicone to the adhesive gasket. | ![]() |
| Step 4 Diagram 5 Apply silicone (provided with the Tiempo/Plus control) to the hole in thewallasrequiredtocreatea a moisture seal. Apply silicone to the back of the switch as required to seal grout lines or as required for additional adhesion. Step 5: Push the cable and switch housing into the hole firmly. Step 6 Diagram 6 Firmly connect the Plug & Play connector to the steam generator connector labeled CT SteamStop. | ![]() |
NOTICE The connector is keyed and will only connect in one orientation with the tab facing up.
Using the CT SteamStop ® Control
The CT SteamStop control should be installed in the steam room for the user to start and stop the steam bath
NOTICE If an error code is detected by the system the LED indicator will flash. Refer to the Tiempo/Plus or iSteam display for an error code or call a MrSteam’s service technician.
NOTICE For Illustrative Purposes Only. Drawings Not to Scale

Care Tips for all Controls and Steamheads
- Use only mild soap and water on a soft cloth to clean the control and steam.
- Do not use abrasive cleaners.
- If the decorative cover is damaged on the Tiempo/Plus call MrSteam technical service for replacement parts.
NOTICE Replacement of the decorative covers requires removal and reinstallation of the control from the mounting surfaces.

Designed, Engineered
and Assembled in the![]()
Mr.steam ®
Feel Good Inc.
www.mrsteam.com
Warranty: To view or download the MrSteam Steam Generator Warranty and register your product go to: blog.mrsteam.com/wr
Products, information, and specifications are subject to change without notice.
Please call Sales & Support at 1.800.76.STEAM (East Coast) or 1.800.72.STEAM (West Coast) for more information.
Mr.steam ®
Sussman-Automatic Corporation ®
[email protected]
www.mrsteam.com
43-20 34th Street, Long Island City, NY 11101 1 800 767 8326
2019 ©Sussman-Automatic Corporation
PUR 100426 REV 1.22



























