SIMPSON SPG3645 Portable Generator

DANGER
- DE ADLY EXHAUST FUMES! ONLY use OUTSIDE far away from windows, doors, and vents!
- NOT INTENDED FOR USE IN CRITICAL LIFE SUPPORT APPLICATIONS.
- SAVE this Manual. Provide this manual to any operator of the generator.
WARNING
This product and its exhaust can expose you to chemicals including lead and lead compounds, and carbon monoxide, which is known to the State of California to cause cancer and birth defects or other reproductive harm. For more information go to www.P65Warnings.ca.gov.
This Manual contains important safety information and instructions for operating this generating set. PLEASE READ THIS MANUAL CAREFULLY. Failure to do so could result in property damage and/or personal INJURY/DEATH. Provide this manual to any operator of this generator. This manual should be considered as a permanent part of your generator and should remain with it when you sell it. The pictures and figures in the manual shall be only for reference. There may be differences between the pictures and figures and the physical product.
SAVE THESE INSTRUCTIONS FOR FUTURE USE
All information in this publication is based on the latest product information available at the time of printing. We reserve the right to change, alter and/or improve the product and this document at any time without notice and without incurring any obligation. Write down the serial number and purchase information of the generator. Keep this manual and the receipt for future reference.
- Model: __________________ _
- Serial number: ________________ _
- Date of purchase: _______________ _
OPERATOR SAFETY
Safety Rules
Pay attention to this safety alert symbol. Obey all safety l,ll messages that follow this symbol to avoid possible property damage, INJURY, or DEATH. Each safety message Is preceded by a safety alert symbol and one of three words, DANGER, WARNING, or CAUTION.
DANGER
Indicates a hazardous situation that, if not strictly complied with, will result in substantial property damage, serious injury, or DEATH.
WARNING
Indicates a hazardous situation that, if not strictly complied with, may result in property damage, serious injury, or DEATH.
CAUTION
Indicates a hazardous situation that, if not strictly complied with, could result in property damage or injury.
WARNING
READ THIS MANUAL COMPLETELY BEFORE OPERATING.
DO NOT operate this generator until you have read ALL safety, operation, and maintenance Instructions listed in this manual.
Failure to follow the instructions may result in property damage, INJURY, or DEATH.
The warnings and precautions discussed in this manual cannot cover all possible conditions and situations that may occur. It must be understood by the operator that common sense and caution are factors that cannot be built into this product but must be possessed by the operator.
WARNING
This generator is intended for residential consumer use only. Do not modify the engine and do not use the engine for a purpose for which it is not intended.
WARNING
KICKBACK
- Rapid retraction of the starter cord will pull your hand and arm towards the generator faster than you can let go.
- Accidental starts can result in entanglement, traumatic amputation or laceration.
- Broken bones, fractures, bruises or sprains could result.
WARNING
- Before each use, check for loose or damaged parts, signs of oil or fuel leaks, and any other condition that may affect proper operation.
- Repair or replace all damaged or defective parts immediately.
- Locate all operating controls and safety labels.
- Keep all safety guards in place and in proper working order at all times.
- DO NOT allow any material to block the cooling stats.
- DO NOT allow children or untrained persons to operate the generating set.
- DO NOT run the generator unattended. Turn off the generator before leaving the area.
WARNING
FIRE
Operation of this generator may create sparks that can start fires around dry vegetation.
This generator may not be equipped with a spark-arresting muffler. If the generator will be used around flammable materials, or on land covered with materials such as agricultural crops, forest, brush, grass, or other similar items, then an approved spark arrester must be installed.
In some areas, a spark arrester Is required by law. Please contact local fire agencies for laws or regulations relating to fire prevention requirements.
WARNING
Read the instructions provided with the equipment that is powered by this engine for any additional safety rules that should be observed in conjunction with generator startup, shutdown, operation, or protective apparel that may be needed to operate the equipment.
WARNING
HOT SURFACE
The running generator produces heat. Severe burns can occur on contact.
DO NOT touch generator while operating or just after stopping. Avoid contact with hot exhaust gases.
Maintain at least three feet of clearance on all sides to ensure adequate cooling.
Combustible material can catch fire on contact. Maintain at least five feet of clearance from combustible materials.
DANGER
TOXIC FUMES
The exhaust of the engine contains carbon monoxide, an odorless, colorless, poison gas. Using an engine indoors CAN KILL YOU! NEVER use inside any building or any kind of enclosure, EVEN IF doors and windows are open. Place the generator in a well-ventilated area and carefully consider wind and air currents when positioning the generator.
DANGER
- FIRE OR EXPLOSION
- Gasoline is highly flammable and extremely explosive. Fire or explosion can cause severe burns or death.
- Keep flammable items away while handling gasoline.
- Fill the fuel tank outdoors and in a well-ventilated area with the generator stopped.
- Always wipe off spilled fuel and wait until the fuel has dried before starting the generator.
- DO NOT operate the generator with known leaks in the fuel system.
- Use proper fuel storage and handling procedures. DO NOT store fuel or other flammable materials nearby.
- Empty the fuel tank before storing or transporting this generator.
- Keep fire extinguisher handy and be prepared if a fire starts.
DANGER
- MOVING PARTS
- Moving parts can cause severe injury. Keep hands and feet away.
- NOT operate generator with covers, shrouds, or guards removed.
- DO NOT wear loose-fitting clothing, dangling drawstrings or items that could become caught. Tie up long hair and remove jewelry.
- NEVER place fingers, hands, or body near the generator when it is running period.
WARNING
- ACID
- (For types equipped with battery)
- Be careful when using any battery.
- Keep away from open flames, heat or spark.
- Battery will exhaust hydrogen while charging. Only charge a battery in a well ventilated place.
- Avoid spilled battery acid. If contact with skin is made, wash immediately with clean water.
GENERAL HAZARDS
- NEVER operate in an enclosed area, in a vehicle, or Indoors EVEN IF doors and windows are open.
- For safety reasons, the manufacturer recommends that the maintenance of this equipment is carried out by an Authorized Dealer. Inspect the generator regularly, and contact the nearest Authorized Dealer for parts needing repair or replacement.
- Operate generator only on level surfaces and where it will not be exposed to excessive moisture, dirt, dust or corrosive vapors.
- Keep hands, feet. clothing, etc., away from drive belts, fans, and other moving parts. Never remove any fan guard or shield while the unit is operating.
- Certain parts of the generator get extremely hot during operation. Keep clear of the generator until it has cooled to avoid sever burns.
- DO NOT operate generator in the rain.
- DO not alter the construction of the generator or change controls which might create an unsafe operating condition.
- Never start or stop the unit with electrical loads connected to receptacles AND with connected devices turned ON. Start the engine and let it stabilize before connecting electrical loads. Disconnect all electrical loads before shutting down the generator.
- DO NOT insert objects through unit’s cooling slots.
- When working on this equipment when physically or mentally fatigued.
- Never use the generator or any of its parts as a step. Stepping on the unit can stress and break parts, and may result in dangerous operating conditions from leaking exhaust gases, fuel leakage, oil leakage, etc.
NOTE
This generator may be equipped with a spark arrestor muffler. The spark arrestor must be maintained in effective working order by the owner/operator. In the Stare of California, a spark arrestor is required by law (Section 4442 of the California Public Resources Code). Other states may have similar Jaws. Federal Jaws apply on federal lands.
EXHAUST & LOCATION HAZARDS
- NEVER operate in an enclosed area or indoors! NEVER use in the home, in a vehicle, or in partly enclosed areas such as garages, EVEN IF doors and windows are open! ONLY use outdoors and far from open windows, doors, vents, and in an area that will not accumulate deadly exhaust.
DANGER
- Using a generator indoors CAN KILL YOU IN MINUTES.
- Generator exhaust contains carbon monoxide.
- This is a poison you cannot see or smell.
- NEVER use it inside a home or garage, even if doors and windows are open.
- Only use OUTSIDE and far away from windows, doors, and vents.
- The engine exhaust fumes contain carbon monoxide, which you cannot see or smell. This poisonous gas, if breathed in sufficient concentrations, can cause unconsciousness or even death.
- The adequate, unobstructed flow of cooling and ventilating air is critical to correct generator operation. Do not alter the installation or permit even partial blockage of ventilation provisions, as this can seriously affect the safe operation of the generator. The generator MUST be operated outdoors.
- This exhaust system must be properly maintained. Do nothing that might render the exhaust system unsafe or in noncompliance with any local codes and/or standards.
- Always use a battery-operated carbon monoxide alarm indoors, installed according to the manufacturer’s instructions.
- If you start to feel sick, dizzy, or weak after the generator has been running, move to fresh air IMMEDIATELY. See a doctor, as you could have carbon monoxide poisoning.
ELECTRICAL HAZARDS
- The generator produces a dangerously high voltage when in operation. Avoid contact with bare wires, terminals, connections, etc., while the unit is running, even on equipment connected to the generator. Ensure all appropriate covers, guards and barriers are in place before operating the generator.
- Never handle any kind of electrical cord or device while standing in water, while barefoot, or while hands or feet are wet. DANGEROUS ELECTRICAL SHOCK MAY RESULT.
- The National Electric Code (NEC) requires the frame and external electrically conductive parts of the generator to be properly connected to approved earth ground. Local electrical codes may also require proper grounding of the generator. Consult with a local electrician for grounding requirements in the area.
- Use a ground fault circuit interrupter in any damp or highly conductive area (such as metal decking or steelwork).
- Do not use worn, bare, frayed, or otherwise damaged electrical cord set with the generator.
- Before performing any maintenance on the generator, disconnect the engine starting battery (if equipped) to prevent accidental start-up. Disconnect the cable from the battery post indicated by a NEGATIVE, NEG, or (-) first. Reconnect that cable last.
- In case of an accident caused by electric shock, immediately shut down the source of electrical power. If this is not possible, attempt to free the victim from the live conductor. AVOID DIRECT CONTACT WITH THE VICTIM. Use a non-conducting implement, such as a rope or board, to free the victim from the live conductor. If the victim is unconscious, apply first aid and get immediate medical help.
FIRE HAZARDS
- Gasoline is highly FLAMMABLE and its vapors are EXPLOSIVE. Never permit smoking, open flames, sparks or heat in the vicinity while handling gasoline.
- Never add fuel while unit is running or hot. Allow engine to cool completely before adding fuel.
- Never fill fuel tank indoors. Comply with all laws regulating storage and handling of gasoline.
- Do not overfill the fuel tank. Always allow room for fuel expansion. If tank is over-filled, fuel can overflow onto a hot engine and cause FIRE or an EXPLOSION. Never store generator with fuel in tank where gasoline vapors might reach an open flame, spark or pilot light (as on a furnace, water heater or clothes dryer). FIRE or EXPLOSION may result. Allow unit to cool entirely before storage.
- Wipe up any fuel or oil spills immediately. Ensure that no combustible materials are left on or near the generator. Keep the area surrounding the generator clean and free from debris and keep a clearance of five (5) feet on all side to allow for proper ventilation of the generator.
- Do not insert objects through unit’s cooling slots.
- Never operate the generator if connected electrical devices overheat, if electrical output is lost, if engine or generator sparks or if flames or smoke are observed while unit is running.
- Keep a fire extinguisher near the generator at all times.
STANDARDS INDEX
- National Fire Protection Association (NFPA) 70: The NATIONAL ELECTRIC CODE (NEC) available from www.nfpa.org
- National Fire Protection Association (NFPA) 5000: BUILDING CONSTRUCTION AND SAFETY CODE available from www.nfpa.org
- International Building Code available from www.iccsafe.org
- Agricultural Wiring Handbook available from www.rerc.org, Rural Electricity Resource Council P.O. Box 309 Wilmington, OH 45177-0309
- ASAE EP-364.2 Installation and Maintenance of Farm Standby Electric Power available from www.asabe.org, American Society of Agricultural & Biological Engineers 2950 Niles Road, St. Joseph, Ml 49085
- This list is not all-inclusive. Check with the Authority Having Local Jurisdiction (AHJ) for any local codes or standards which may be applicable to your jurisdiction.
- MORELAND,
- SERIAL NO:
- Unit ID location

GETTING STARTED
Unpacking
Remove the generator from the shipping carton
- Place the shipping carton on a solid, flat surface.
- Carefully cut each corner of the carton box from top to bottom. Fold each side flat on the ground.
- Remove everything from the carton except the generator.
Assembly
Your generator requires some assembly. If you have any questions regarding the assembly of your generator, please have your model number and serial number ready and consult FNA Group at [email protected] or 1-877-362-4271.
Install Wheel Kit
Put the axle through the wheel and mount the lug hole, then fix with the clip.
- Clip
- Wheel
- Washer
- Axle
NOTE
The wheels are not intended for over-the-load use.
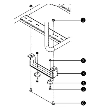
Install Support Bracket
Use the supporting bracket bolt to pass through the supporting bracket and the mounting hole on the frame, attach the nut, and tighten until snug.
- Supporting bracket nut MB
- Damping seat nut M6
- Support bracket
- Damping foot
- amping foot bolt M6 x18
- Supporting bracket bolt MB x 16
Battery cable connection (electric start only)
Your generator is not a factory -equipped with a battery. Check local battery dealers to get the correct battery for your generator according to the below specification.
| # | Item | l>escri ption |
| 1 | RatedCaptcity | 14Ah |
| 2 | Rated Voltage | 12V |
| 3 | Working Temperat ure | -10,e – s o,e |
| 4 | Maximu m peak curre nt at so,e temperature | 200A(Iime<S Seconds), ll0AContinuous Time< 60S) |
| s | Maximum peak current at -10,€: temperature | l S0A(Ii me< S Seconds), 120AContinuous Time<60S) |
| 6 | Internal resistance ‘Mien full charged | < Jim |
| 7 | Internal resistance ‘Mien po'<Wr lack | more off!r lack cause bigger i internal resistance |
To connect the battery, you will need to connect the battery cables. (see below figure for connection details):
- Cut off cable ties securing battery cables and remove red covers from battery terminals.
- First, connect the red cable to the positive(+} battery terminal with the bolt and nut.
- Make sure connections are secure and slide the rubber boot over the positive(+) battery terminal and connection hardware.
- Connect the black cable to the negative (-) battery terminal with the bolt and nut supplied and slide the rubber boot over the negative (-} battery terminal and connection hardware.
- Make sure all connections are secure.

Emission Information
The Environmental Protection Agency (and California Air Resource Board for generators certified to CA standards) requires that this generator comply with exhaust and evaporative emission standards. Locate the emissions compliance decal on the engine to determine what standards the generator meets, and to determine which warranty applies. This generator is certified to operate on gasoline. The emission control system includes the following components (if equipped):
- Air induction System
- Intake Pipe/ Manifold
- Air Cleaner
- Fuel System
- Carburetor
- Fuel Tank / Cap
- Fuel Lines
- Evaporative Vent Lines
- Carbon Canister
- Ignition System
- Spark Plug
- Ignition Module
- Exhaust System
- Exhaust Manifold
- Muffler
- Pulsed Air Valve
- Catalyst
KNOW THE GENERATOR
Read the Owner’s Manual and Safety Rules before operating this generator. Compare the generator to the following figure to become familiarized with the locations of various controls and adjustments. Save this manual for future reference.
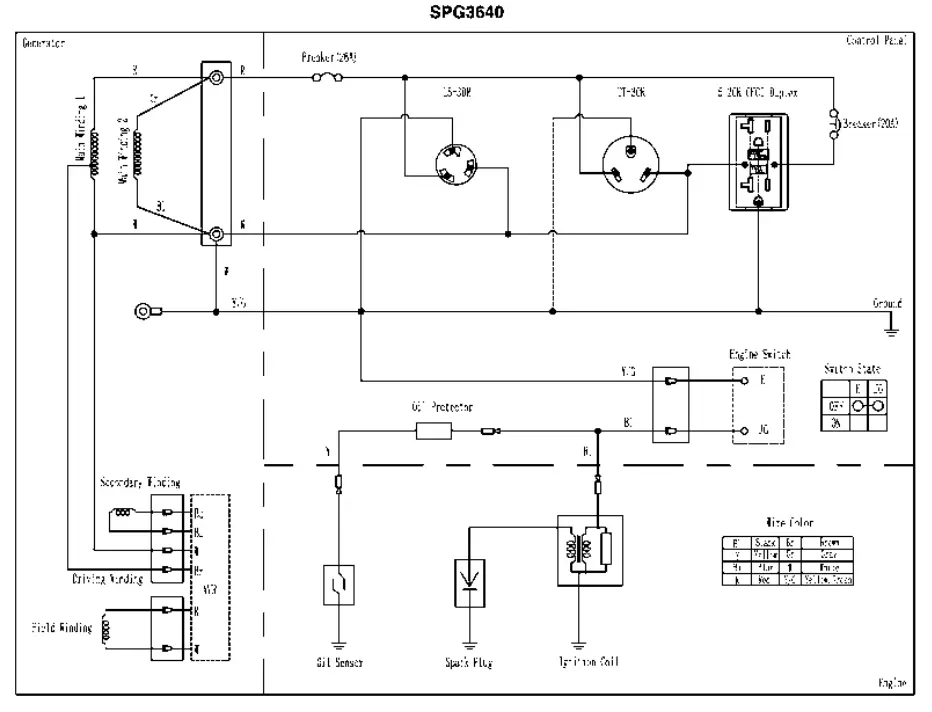
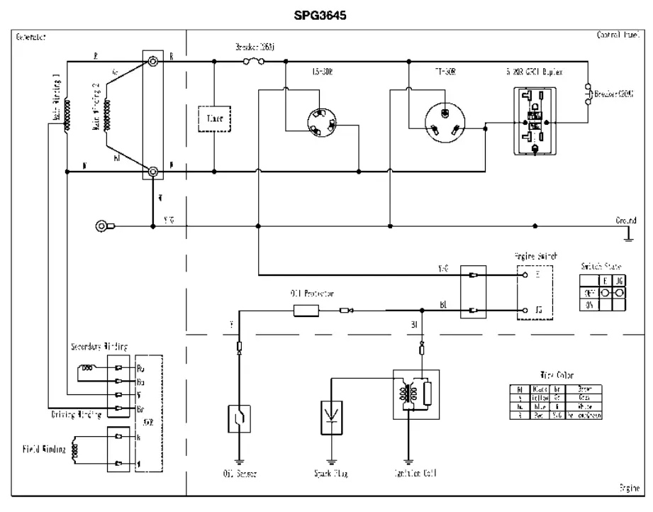
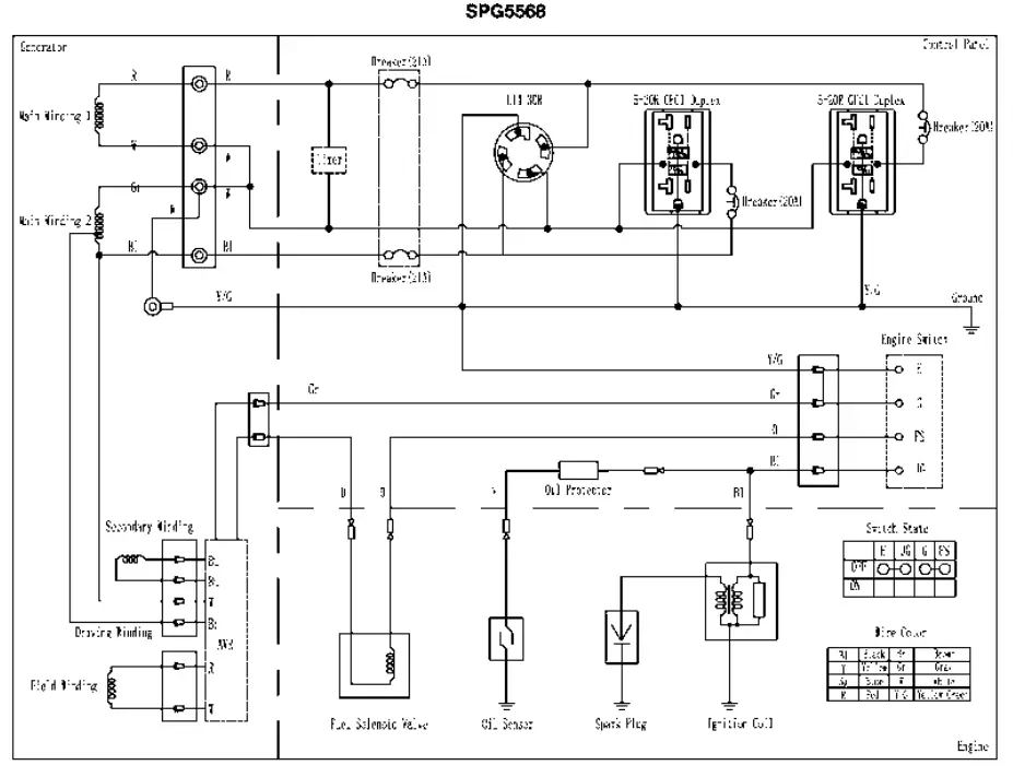
- 120V AC, 20 Amp Duplex Receptacle (5-20R}- Supplies electrical power for the operation of electrical lighting, appliances, tools, and motor loads and is circuit breaker protected against electrical overload.
- 120V AC, 30 Amp Twist Lock Receptacle (L5-30A)- Supplies electrical power for the operation electrical lighting, appliances, and motor loads and is circuit breaker protected against electrical overload.
- 120V AC, 30 Amp Receptacle (TT-30R, RV}- Supplies electrical power for the operation of electrical lighting, appliances, and motor loads and is circuit breaker protected against electrical overload.
- 120/240V AC, 30 Amp Twist Lock Receptacle (L 14-30R}Supplies electrical power to the operation of electrical lighting, appliances, tool, and motor loads and is circuit breaker protected against electrical overload.
- 1201240V AC, 50 Amp Receptacle (L 14-50R)- Supplies electrical power for the operation of electrical lighting, appliances, and motor loads and is circuit breaker protected against electrical overload.
- Circuit Breakers (AC)- Protects the generator and receptacle against electrical overload.SPG3640,SPG3645,SPG5568,SPG7593E,SPG831 OE: 120V Duplex (Each) – 20A
- Ground Terminal – Used to connect the generator to an approved earth ground.
- Hour Meter – Tracks generator running hours for regular maintenance and service.
- Engine Control Switch – Controls the operation of the engine/generator.
- Main Breakers (AC)- Protects the generator from electrical overload.
SPG3640, SPG3645: Main – 29.9A
SPG5568: Main – 24.1A
SPG7593E: Main – 31A
SPG831 OE: Main – 34.SA - Circuit Breakers (AC) – Protect the generator and receptacle against electrical overload.
SPG7593E: L5-30R – 30A - Circuit Breakers (AC} – Protects the generator and receptacle against electrical overload.
SPG831 OE: L 14-SOR – 25A / L 14-30R – 25A
Control panel
Hour meter
Display:
The hour meter tracks hours of operation for scheduled maintenance.
a. Total running time:
Note:
The hourglass graphic will flash on and off when the engine is running. This signifies that the meter is tracking hours of operation.
DANGER
- Never operate in an enclosed area or indoors! NEVER use in the home, in a vehicle, or in partly enclosed areas such as garages, EVEN IF doors and windows are open! ONLY use outdoors and far from open windows, doors, vents, and in an area that will not accumulate deadly exhaust.
- The engine exhaust fumes contain carbon monoxide, which you cannot see or smell. This poisonous gas, if breathed In sufficient concentrations, can cause unconsciousness or even death.
- The adequate, unobstructed flow of cooling and ventilating air is critical to correct generator operation. Do not alter the installation or permit even partial blockage of ventilation provisions, as this can seriously affect the safe operation
of the generator. The generator MUST be operated outdoors. - This exhaust system must be properly maintained. Do nothing that might render the exhaust system unsafe or in noncompliance with any local codes and/or standards.
Always use a battery-operated carbon monoxide alarm indoors, installed according to the manufacturer’s instructions.
Danger
- Using a generator indoors CAN KILL YOU IN MINUTES. Generator exhaust contains carbon monoxide. This Is a poison you cannot see or smell.
- NEVER use it inside a home or garage, EVEN IF doors and windows are open.
- Only use OUTSIDE and far away from windows, doors, and vents.
Grounding the generator when used as a portable
This generator has an equipment ground that connects the generator frame components to the ground terminals on the AC output receptacles (see NEC 250.34 (A) for an explanation). This allows the generator to be used as a portable without grounding the frame of the generator as specified in NEC 250.34.
Special Requirements
There may be Federal or State Occupational Safety and Health Administration (OSHA) regulations, local codes, or ordinances that apply to the intended use of the generator.
Please consult a qualified electrician, electrical inspector, or the local agency having jurisdiction:
- In some areas, generators are required to be registered with local utility companies.
- If the generator is used at a construction site, there may be additional regulations that must be observed.
Connecting the generator to a building’s electrical system
When connecting directly to a building’s electrical system, it is recommended that a manual transfer switch is used. Connections for a portable generator to a building’s electrical system must be made by a qualified electrician and in strict compliance with all national and local electrical codes and laws.
WATTAGE REFERENCE GUIDE
- Device . . . . . . . . . . . . . . . . . . . . . . . . . . ,………….. Running Watts
- Air Conditioner (12,000 Btu)………………………………………… 1700
Air Conditioner (24,000 Btu).……………………………………….. 3800 - Air Conditioner (40,000 Btu).………………………………………. 6000
- Battery Charger (20 Amp)..……………………………………………. 500
- Belt Sander (3″)..………………………………………………………… 1000
- Chain Saw.…………………………………………………………………. 1200
- Circular Saw (6-1/2″)..……………………………………….. 800 to 1000
- Clothes Dryer (Electric)………………………………………………. 5750
- Clothes Dryer (Gas)…………………………………………………….. 700
- Clothes Washer…………………………………………………………. 1150
- Coffee Maker..…………………………………………………………….. 1750
- Compressor (1 HP)………………………………………………………………………………….. 2000
- Compressor(3/4 HP)…………………………………………………… 1800
- Compressor (1/2 HP).…………………………………………………. 1400
- Curling Iron………………………………………………………………….. 700
- Dehumidifier..……………………………………………………………… 650
- Disc Sander (9″)………………………………………………………….. 1200
- Edge Trimmer……………………………………………………………….. 500
- Electric Blanket……………………………………………………………. 400
- Electric Nail Gun………………………………………………………….. 1200
- Electric Range (per element)……………………………………….. 1500
- Electric Skillet…………………………………………………………….. 1250
- Freezer………………………………………………………………………… 700
- Furnace Fan (3/5 HP)……………………………………………………. 875
- Garage Door Opener.……………………………………… 500 to 750
- Hair Dryer…………………………………………………………………… 1200
- Hand Drill.………………………………………………………. 250 to 1100
- HedgeTrimmer..……………………………………………………………. 450
- Impact Wrench…………………………………………………………….. 500
- Iron……………………………………………………………………………. 1200
- Jet Pump……………………………………………………………………. 800
- Lawn Mower……………………………………………………………….. 1200
- Light Bulb.…………………………………………………………………….. 100
- Microwave Oven. . . . . . . . . . . . . . . . . . . . .•…………. 700 to 1000
- Milk Cooler………………………………………………………………… 1100
- Oil Burner on Furnace…………………………………………………… 300
- Oil Fired Space Heater (140,000 Btu).……………………………. 400
- Oil Fired Space Heater (85,000 Btu)……………………………….. 225
- Oil Fired Space Heater (30,000 Bt u)………………………………. 150
- Paint Sprayer, Airless (1/3HP).…………………………………….. 600
- Paint Sprayer, Airless (handheld).…………………………………. 150
- Radio………………………………………………………………….. 50 to 200
- Refrigerator..……………………………………………………………….. 700
- Slow Cooker . . . . . . . . . . . . . . . . . . . . . . . . . ,……………………. 200
- Submersible Pump (1-1/2 HP)……………………………………… 2800
- Submersible Pump (1 HP)..…………………………………………… 2000
- Submersible Pump (1/2 HP)…………………………………………. 1500
- Sump Pump..…………………………………………………… 800 to 1050
- Table Saw (10″).………………………………………………………………………. 1750 to 2000
- Television.………………………………………………………… 200 to 500
- Toaster…….……………………………………………………. 1000 to 1650
- Weed Trimmer………………………………………………………………. 500
- Allow 3 times the listed watts for starting these devices
FEATURES AND CONTROLS

- Fuel tank
- Level indicator
- Fuel tank cap
- Handle
- Frame
- Cylinder head
- Muffler guard
- Wheel
- Air filter
- Recoil Starter
- Support bracket
- Handle stop pin
- Battery
- Control panel
- Engine switch
OPERATING
Operating Checklist Operating Location
- Only use OUTSIDE and place the generator in a well-ventilated area and carefully consider wind and air currents.
- Place the generating set on a level surface before any operation.
- Allow two feet of clearance on all sides of the generator while operating.
DANGER
TOXIC FUMES
- The exhaust of the generator contains carbon monoxide, an odorless, colorless, poison gas. Using the generator indoors CAN KILL YOU!
- NEVER use inside any building or any kind of enclosure, EVEN IF doors and windows are open.
- Place the generator in a well-ventilated area and carefully consider wind and air currents when positioning the generator.
High Altitude
This engine will have proper engine performance and emission control when it is operated at or below an altitude of 5000 feet (1524 meters). This engine requires a high-altitude carburetor kit to ensure proper engine performance and emission control when it is operated at altitudes above 5000 feet (1524 meters). Operating the engine with the wrong engine configuration above 5000 feet (1524 meters) may increase its emissions and decrease fuel efficiency and performance. To obtain a high-altitude carburetor kit, contact FNA Group at [email protected] or 1-877-362-4271.
CAUTION
Operation of the engine with a high-altitude carburetor k.it at an altitude below 5000 feet (1524 meters) may cause the engine to overheat and result in serious engine damage.
Operating Condition
- Check for loose or damaged parts, signs of oil or fuel leaks, and any other condition that may affect proper operation.
- Repair or replace all damaged or defective parts immediately.
WARNING
Failing to correct the problem(s) before the operation could result in property damage, serious injury, or DEATH.
- Remove any excessive dirt or debris, especially around the muffler and recoil starter.
- DO NOT move or tip the generator during operation.
- Use the generator only for intended uses. If you have questions about intended use, please feel free to ask FNA Group at [email protected] or 1-877-362-4271.
Engine oil
- Place the generator on a level surface with it stopped.
- Remove the dipstick and wipe it clean.

Remove dipstick
- Reinstall dipstick into tube; rest on oil fill neck, DO NOT thread cap into the tube.
- Remove the dipstick again and check the oil level. The level should be at top of the indicator on the dipstick.

- Fill the upper limit of the dipstick with the recommended oil if the oil level is low.
- Reinstall and fully tighten the dipstick.
- Engine damage could result from insufficient lubrication. Refer to add oil instruction in the MAINTENANCE section for more information.
- See SPECIFICATIONS for oil capacity (rated).
WARNING
This engine is not filled with oil at the factory. Any attempt to crank or start the engine before it has been properly filled with the recommended type and amount of oil may result In engine damage and void your warranty.
WARNING
- Oil is a major factor affecting performance and service life.
- Use 4-stroke automotive detergent oil recommended in the MAINTENANCE section of this manual.
WARNING
- Operate generator only on level surfaces. The low oil sensor
- (If equipped) will automatically stop the engine when the oil level falls below the safe limit. To avoid the inconvenient of an unexpected shutdown, fill to the upper limit and check the oil I evel regularly.
Engine fuel
- With the engine stopped, check the fuel level gauge. Refill the fuel tank if necessary.
CAUTION
- Pressure can build up in the fuel tank. Allow the engine to cool for at least two minutes before removing the fuel cap.
- Loosen the fuel cap slowly to relieve any pressure in the tank.
- Use clean, fresh regular unleaded gasoline with a minimum octane rating of 87. DO NOT mix oil with gasoline or use gasoline older than 30 days. DO NOT use gasoline that contains more than 10% ethyl alcohol. E15, E20, and E85 have NOT approved fuels and should NOT be used.
- Be sure not to fill the fuel tank above the upper limit mark. Always allow room for fuel expansion.
- See SPECIFICATIONS for fuel capacity (rated). that

IMPORTANT: helps eliminate Ethanol and Shield™ prevent (sold ethanol separately) related problems fuel in stabilizer power the equipment. gasoline. Follow the instructions on the container and add to
NOTICE: Use of fuels with greater than ethanol is not approved for use if} this product per EPA regulations and will damage the unit and void the warranty.
WARNING
Do not fill the fuel tank above the maximum fuel level. Over fill will result in engine die or damage the carbon canister (if equipped) and void your warranty.
DANGER
- FIRE OR EXPLOSION
- Gasoline is highly flammable and extremely explosive.
- Fire or explosion can cause severe bums or death.
- Keep flammable Items away while handling gasoline.
- Fill fuel tank outdoors and in a well-ventilated area with the engine stopped.
- Always wipe off spilled fuel and wait until the fuel has dried before starting the engine.
- DO NOT operate the engine with known leaks in the fuel system.
- Use proper fuel storage and handling procedures. DO NOT store fuel or other flammable materials nearby.
- Empty the fuel tank before storing or transporting this engine. Keep fire extinguisher handy and be prepared if a fire starts.
- NEVER use engine or carburetor cleaner products In the fuel tank or permanent damage may occur.
- It is important to prevent gum deposits from forming in essential fuel system parts, such as the carburetor, fuel filter, fuel hose or tank during storage. Also, experience indicates that
- alcohol-blended fuels (called gasohol, ethanol or methanol) can attract moisture, which leads to separation and formation of acids during storage.
- Acidic fuel can damage the fuel system of an engine while in storage. Be sure to review the instructions given in “Storage” section.
- Gasoline/Alcohol Blends: up to 10% alcohol, 90% unleaded gasoline by volume is approved as a fuel. Other gasoline/alcohol blends are not approved. Effects of old, stale are not warrantable. or contaminated fuel
CAUTION
To minimize gum deposits in your fuel system and to insure easy starting, do not use gasoline left over from the previous season.
CAUTION
Pressure can build up in the fuel tank. Allow the generator to cool for at least two minutes before removing fuel cap. Loosen the fuel cap slowly to relieve any pressure in the tank.
Electrical devices
- Disconnect all electrical devices from the generator and swrtch off the circuit breaker before start the engine.
- The generator may be hard to start with electrical devices.
Grounding
- The generator must be properly connected to an appropriate ground. It helps prevent electrical shock if a ground fault condition exists in the generator or ln connected electrical devices, especially wrth a wheel kit. Proper grounding also helps dissipate static electricity, which often builds up in ungrounded devices.
DANGER
Electric Shock
Failure to properly ground the generator can result in electric shock.
- A ground terminal on the frame of the generator has been provided on the generator end. For remote grounding, connect of a length of heavy gauge (4mm2) copper wire between the generator ground terminal and a copper rod driven Into the ground.
- The National Electrical Code requires that the frame and external electrically conductive parts of this generator be properly connected to an approved earth ground. Local
- electrical codes may also require proper grounding of the unit. We strongly recommend that you consult with a qualified electrician for grounding requirements in your area.
Starting the engine
- Perform OPERATING CHECKLIST (Page 9).
- Turn the fuel valve to the “ON” position.

- Turn off the AC breaker protector. (If it is not equipped with an AC breaker protector, please remove all loads or electrical devices)
- Pull the choke valve switch to the “CLOSE” position.

CAUTION
The choke position for starting may vary depending on temperature and other factors. If re-starting a wann engine, the choke should be left in the HALF or CLOSE position.
- Electric start: Turn and keep the key in the “START’ position till the engine is started. After the engine is started, release the key to return to the “ON” position.

Manual start: Turn the switch to the “ON” position and then seize the starter handle and slowly pull until there is a sense of resistance felt, and quickly pull to start.
WARNING
- KICKBACK
- Rapid retraction of the starter cord will pull your hand and arm towards the engine faster than you can let go.
- Accidental starts can result in entanglement, traumatic amputation, or laceration.
- Broken bones, fractures, bruises, or sprains could result.
- If the starter fails to start the engine, immediately tum off the starter. Don’t attempt to restart the engine before the failure cause is identified. Don’t restart the engine by replacement of another storage battery without authorization.
CAUTION
If the engine fails to start after attempt for 3 times or flames out after starting, inspect and ensure that the generator is placed in horizontal surface and enough engine oil is included.
During starting, don’t keep the starting switch to “start” position for more than 5 seconds, otherwise it is possible to damage the starter motor. If the unit fails to start within first time, restart after about 10 seconds. After the unrt is used for a period, if the starting speed of the motor falls, please replace the storage battery. During the operation of the unit, the storage battery supplies power for the solenoid valve of the carburetor. For this, when the unit is turned off, make sure that the starting switch is in ” OFF” position and otherwise the storage battery voltage is reduced due to the operating solenoid valve of the carburetor, impacting on starting for next time.
If the engine is equipped with an engine oil alarm, it is possible to prevent engine start when the engine oil in the crankcase is lower than minimum level.
During running-in, routinely inspect the engine oil. See Maintenance section for recommended maintenance period.
- After the engine is running, move the choke valve to “OPEN” position.

WARNING
Connect the output terminal of the generating set with the electrical equipment. Don’t start or stop the engine when the electrical equipment is in ”ON” status.
Connect to electrical devices
Inspect the power cord for damage before using it. There is a hazard of electric shock from crushing, cutting, or heat damage.
DANGER
- Electric Shock
- To reduce the risk of electrical shock, DO NOT use electrical cords that are worn, frayed, bare, or otherwise damaged.
- DO NOT touch bare wires of receptacles.
- DO NOT handle generating set or electrical cords while standing in water, while barefoot, or while hands or feet are wet.
- Allow the engine to stabilize and warm up for a few minutes after starting.
- Make sure the electrical devices are in the “OFF” position and the load current is not higher than the maximum capacity current of a single socket.
CAUTION
If the current of single load is higher than the maximum capacity current of single socket, please disconnect the load.
CAUTION
If connected devices overheat, turn them off and disconnect them from generator.
Bearing capacity
WARNING:
- DO NOT overload the generating set.
- Exceeding the capacity of generator can damage the generator and/or electrical devices connected to it.
- You must make sure your generator can supply enough rated (running) and surge (starting) watts for the electrical devices you will power at the same time. Follow these simple steps to calculate the running and starting watts necessary for your purposes.
- Select the electrical devices you will power at the same time.
- The amount of power you need to run all the devices is the total rated (running) watts of these items.
- Identify how may surge (starting) watts you will need. Surge wattage is the short burst of power needed to start electric motor-driven tools or appliances such as a circular saw or refrigerator.
- Because not all motors start at the same time, total surge watts can be estimated by adding only the electrical device(s) with the highest additional surge watts to the total rated watts from step 2.
WARNING
You must isolate the generator from the electric utility by opening the electrical system’s main circuit breaker or main switch if the generator is used for backup power. Failure to isolate the generator from the power utility may result in injury or death to electric utility workers and damage to the generator due to back feed of electrical energy.
WARNING
Storage batteries give off explosive hydrogen gas while recharging. An explosive mixture will remain around the battery for a long time after it has been charged. The slightest spark can ignite the hydrogen and cause an explosion, resulting in blindness or another serious injury.
WARNING
DO NOT allow smoking, open flame, sparks or any other source of heat around a battery. Wear protective goggles, rubber apron and rubber gloves when working around a battery. Battery electrolyte fluid is an extremely caustic sulfuric acid solution that can cause severe burns. If spill occurs flush area with clear water immediately.
To recharge volt batteries, proceed as follows:
- Check fluid level in all battery cells. If necessary, add ONLY distilled water to cover separators in battery cells.
- DO NOT use tap water.
- If the battery is equipped with vent caps, make sure they are installed and are tight.
- If necessary, clean battery terminals.
- Connect the battery charge cable clamp with a red handle to the positive{+) battery terminal.
- Connect the battery charge cable clamp with the black handle to the negative {-) battery terminal.
- Start engine. Let the engine run while the battery recharges.
- When a battery has charged, shut down the engine.
CAUTION
Use an automotive hydrometer to test battery state of recharge and condition. Follow the hydrometer manufacturer’s instructions carefully. Generally, a battery is considered to be at 100% state of charge when specific gravity of its fluid (as measured by hydrometer) is 1.260 or higher.
Stopping the engine
- Remove all loads on generator.
- Remove the plug of all electric equipment from the generator panel.

WARNING
NEVER stop the engine with electrical devices connected and with the connected devices turned “ON”.
- Allow the generator to run at no load for a few minutes to stabilize the internal temperatures of the engine and generator.
- Turn the key to the “OFF” position.

- Turn the fuel valve to the “OFF” position.

MAINTENANCE
A repair shop or person of the owner’s choosing may maintain, replace or repair emission control devices and systems; however, warranty replacements or repairs must be performed by an FNA distribution or service center. To obtain information about how to make a warranty claim or to make arrangements for authorized repairs, please contact FNA Group at [email protected] or 1-877-362-4271. It is the owner’s/operator’s responsibility to complete all scheduled maintenance in a timely manner. Correct any issues before operating the engine. Always follow the Inspection and maintenance recommendations and schedules in this manual. Before servicing the generator, stop the generator, disconnect all electrical devices and battery(if equipped) and allow the generator to cool down.
WARNING
Improper maintenance or failure to correct a problem before operation can cause a malfunction and result in property damage, serious injury or DEATH.
Improper maintenance may void your warranty.
DANGER
Accidental starts can cause severe injury or death. Remove and ground spark plug wire before performing any service.
CAUTION
The filter element may contain polyaromatic hydrocarbons (PAHs). PAHs are harmful to your health. Please wear gloves for protection during air filter maintenance.
Maintenance Schedule
Follow the service intervals indicated in the chart below. Your generating set may need to be serviced more frequently when operating in adverse conditions, such as excessive dust or airborne debris, high moisture, high vibrations, or intense heat or sunlight.
| Each time before use | Thefirst month or 10 hoursNote2 | Every three months or 50 hours Note2 | Every six months or 100 hours N0102 | Every year or 300 hours Note2 | ||
| Engine oil | Inspection | ..J | ||||
| Replacement | ..J | |||||
| Air c l eaner | Inspection | ..J | ||||
| Cleaning | ..j Note 3 | |||||
| Spark plug | Inspection and adiustment | |||||
| Replacement | ..J | |||||
| Spark extinguisher”” 101 | Cleaning | ..J | ||||
| I dle speed | Inspection and ad iustment | ,JNoto.4 | ||||
| Valve clearance | Inspection and adjustment | ..JN•“‘5 | ||||
| Carbon canisterN0•1 1 | Inspection | Every two yearsNot• 4 | ||||
| Low permeability oil tube Note1 | Inspection | Every two yearsNote 4 | ||||
| Oil tube | Inspection | Every two yearsNot• 4 | ||||
| Not e 1 : Applicable types. Note 2: Before each season and after then (whichever comes first). Note 3: Service more frequently under severe, dusty. dirty conditions. Note 4: To be performed by knowledgeable, experienced owners or the authorized dealer. Note 5: To be performed by knowledgeable, experienced owners or the authorized dealer, but not necessary to keep the emission control warranty valid. | ||||||
Generator maintenance
- Make certain that the generator is kept clean and stored properly.
- Use a damp cloth to clean exterior surfaces of the generator.
- Use an air compressor (25 PSI) to clear dirt and debris from the generator.
- Inspect all air vents and cooling slots to ensure that they are clean and unobstructed.
Engine maintenance
SAE 1 0W-30 is recommended for general, all-temperature use. Other viscosities shown in the chart may be used when the average temperature in your area is within the indicated range.

AMBIENT TEMPERATURE
- Place the engine on a level surface.
- Remove the dipstick and wipe it clean.

Remove dipstick
- Add recommended oil to the upper limit.

- Fully tighten the dipstick.
- Properly dispose of any used oil at an approved waste management facility.
Change Oil
CAUTION
Change the oil when the engine is warm from operation.
- Place the engine on a level surface.
- Clean the area around the dipstick and drain plug.
- Remove the oil dipstick.
- Remove the oil drain plug and allow the oil to drain completely.
- Reinstall and fully tighten the drain plug.
- Add recommended oil to the upper limit (see add OIL instruction above). Reinstall and fully tighten the dipstick.
- Dispose of used oil at an approved waste management facility.
WARNING
The engine is not filled with oil at the factory. Any operation before it has been properly filled with the recommended type and amount of oil may result in engine damage and void your warranty.
Air Filter
- Loosen the filter fix clamp and remove the cover of the air filter.

- Filter fix clamp
- Air filter cover
- Foam filter element
- Air filter body
- Remove the foam filter element.
- Wash in liquid detergent and warm water.
- Squeeze thoroughly dry with a clean cloth.
- Saturate in clean engine oil.
- Squeeze in a clean, absorbent cloth to remove all excess oil.
- Place the filter in the assembly.
- Fasten the air filter cover with the fixed clamp, and then mount it back to the air filter body.
WARNING
DO NOT run the engine without the air filter. Serious damage to the engine can result without the air filter.
Spark Plug
- Clean any dirt from the spark plug cap and spark plug base.
- Remove the spark plug cap.
- Use a socket wrench to loosen and remove the spark plug.
- Inspect the spark plug and spark plug washer. If they are damaged or worn, replace them with new ones. Clean the spark plug with a wire brush if it can be reused.
- Check the spark plug gap. Carefully bend the side electrode to adjust the gap if necessary. Spark plug gap: 0.6mm – 0.8mm

Check the spark plug gap - Carefully thread the plug into the engine by hand.
- After the spark plug is seated, use a spark plug wrench to tighten the plug. Spark Plug Torque: 15-20N.m
- Attach the spark plug cap to the plug.
WARNING
Only use recommended spark plug or equivalent. DO NOT use spark plugs that have improper heat range.
Spark Arrester (Applicable types)
- Allow the engine to cool completely before servicing the spark arrester.
- Remove the two screws holding the cover plate which retains the end of the spark arrester to the muffler.
- Remove the spark arrester screen.
- Carefully remove the carbon deposits from the spark arrester screen with a wire brush.
- Replace the spark arrester if it is damaged.
- Reinstall the spark arrester in the muffler and attach it with the two screws.

Idle Speed
The idle speed has been pre-set at the factory and should rarely require readjustment.
WARNING
Improper adjustment of idle speed will damage your engine and void your warranty
Adjustment
Except as described in this Manual, there is no additional maintenance or adjustment required for your engine.
Improper adjustments or tampering can damage your engine and your equipment and will void your warranty.
WARNING
Tampering with the factory set governor will damage your engine and void your warranty.
TROUBLE ANALYSIS AND TROUBLESHOOTING
| Sy mptom | Possible Cause | Solutions |
| The engine cannot be started. | Generating set switch is “OFF“. | !Turn the switch to the “ON“ position. |
| There is no fuel. | Fill the tank per instructions in this manual. | |
| Inadequate engine oil. | Check the oil level. This engine is equipped with a low oil sensor. !The engine cannot be started unless the oil level is above ! the prescribed lower limit. | |
| There’s no ignition. | Remove the spark plug cap. Clean any dirt from around the plug base, and then remove the spark plug. Install the spark plug in the plug cap. Turn the engine switch” ON“. Grounding the electrode to any engine ground, pull the recoil starter to see if sparks jump across the gap. If there is no spark, replace the plug. Reinstall the plug-and-start engine according to the instructions in this manual. Consult Customer Service if necessary. | |
|
The generator has no output. | There’s no ignition. | Reset circuit breakers. |
| Inadequate cord set or extension cords. | Check cord set or extension cards capabilities in section Controls; Cable Size in this manual Consult Customer Service if necessary. |
STORAGE AND TRANSPORTATION
Storage
The generator should be started at least once every two weeks and allowed to run for at least 20 minutes. Follow the instructions below for longer term storage if the generating set will be out of service for 2 months or more.
DANGER
FIRE OR EXPLOSION
Gasoline is highly flammable and extremely explosive.
Empty the fuel tank before storing or transporting the generator.
- Allow the generator to cool completely before storage.
- Clean the generator according to the instructions in the instructions in the
Maintenance section. - Drain all fuel completely from the fuel hose and carburetor to prevent gum from forming.
- Tum off the fuel supply at the fuel valve.
- Change the oil.
- Reattach the spark plug.
- Remove the spark plug and pour about 15ml of oil into the cylinder. Crank the engine slowly to distribute the oil and lubricate the cylinder.
- Store the unit In a clean, dry area out of direct sunlight.
Transportation
To prevent fuel spillage when transporting or during temporary storage, the generating set should be secured upright in Its normal operating position, with the engine switch OFF. The fuel valve lever should be turned OFF.
WARNING
When transporting:
- DO NOT overfill the tank.
- DO NOT operate the generator while it is on vehicle. Take the generator off the vehicle and use it in a well-ventilated place. Avoid a place exposed to direct sunlight when putting the generator on a vehicle. If the generator is left in an enclosed vehicle for many hours, high temperature inside the vehicle could cause fuel to vaporize resulting In a possible explosion.
- DO NOT drive on a rough road for an extended period with the generator on board. If you must transport the generator on a rough road, drain the fuel from the generator beforehand.
SPECIFICATIONS
Specification Parameter Table
|
Engine parameter | Model | SPG3640 | SPG3645 | SPG5568 |
| Engine model | GB225 | GB225 | GB420 | |
| Displacement(cm3) | 224 | 224 | 420 | |
| Start style | Recoil | Recoil | Recoil | |
| Oil capacity(L) | 0.6 | 0.6 | 1.1 | |
|
Generator parameter | Frequency(Hz) | 60 | 60 | 60 |
| VoltageM | 120 | 120 | 120/240 | |
| Phase | Single | Single | Single | |
| Rated running power (kW)* | 3.6 | 3.6 | 5.5 | |
| Rated starting power(kW)* | 4.05 | 4.5 | 6.875 | |
| Power factor | 1.0 | 1.0 | 1.0 | |
| Insulation rate | F | F | F | |
| Fuel capacity(L) | 13 | 13 | 23 |
|
Engine parameter | Model | SPG7593E | SPG8310E |
| Engine model | GB420 | GB460 | |
| Displacement(cm3 ) | 420 | 459 | |
| Start style | Recoil / E-Start | Recoil / E-Start | |
| Oil capacity(L) | 1.1 | 1.1 | |
|
Generator parameter | Frequency(Hz) | 60 | 60 |
| VoltageM | 120/240 | 120/240 | |
| Phase | Single | Single | |
| Rated running power (kW)* | 7.5 | 8.3 | |
| Rated starting power(kW)* | 9.375 | 10.0 | |
| Power factor | 1.0 | 1.0 | |
| Insulation rate | F | F | |
| Fuel capacity(L) | 23 | 23 |
- Generator rated in accordance with PGMA (Portable Generator Manufacturer’s Association) standard ANSI/PG MA G300-2018, Safety and Performance of Portable Generators.
- See Operator’s Manual for complete warranty details.
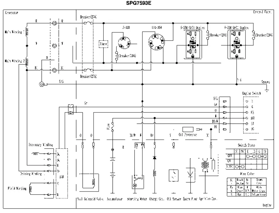
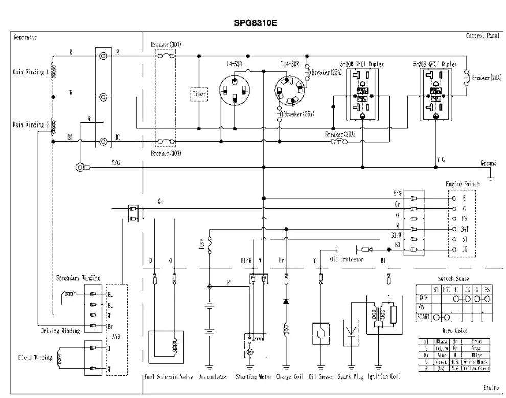
Wiring Diagram for 60Hz




NOTE: Because of the difference in the generator, the wiring diagram is only for reference.
LIMITED WARRANTY
FNA Group warrants to the original retail purchaser that this SIMPSON brand outdoor product is free from defects in material and workmanship and agrees to repair or replace, at FNA Group’s, discretion, any defective product free of charge within these time periods from the date of purchase. Three years if the product is used for personal, family, or household use; 6 months, if used for any other purpose, such as commercial or rental. This warranty extends to the original retail purchaser only and commences on the date of the original retail purchase. Any part of this product found in the reasonable judgment of FNA Group to be defective in material or workmanship will be repaired or replaced without charge for parts and labor by an authorized service center for SIMPSON brand outdoor products. (Authorized SIMPSON Service Center). The product, including any defective part, must be returned to an authorized SIM PSON service center within the warranty period. The expense of delivering the product to the service center for warranty work and the expense of returning it back to the owner after repair or replacement will be paid by the owner. SIMPSON’s responsibility in respect to claims is limited to making the required repairs or replacements and no claim of breach of warranty shall be cause for cancellation or rescission of the contract of sale of any SIMPSON brand outdoor product. Proof of purchase will be required by the dealer to substantiate any warranty claim. All warranty work must be performed by an authorized service center. This warranty is limited to six (6) months from the date of original retail purchase for this product if used for rental or commercial purposes, or any other income-producing purpose. This warranty does not cover any product that has been subject to abuse, misuse, neglect, negligence, accident, the effects of corrosion or erosion, or that has been operated in any way contrary to the operating instructions as specified in this operator’s manual. This warranty does not apply to any damage to the product that is the result of improper maintenance or to any product that has been altered or modified. The warranty does not extend to repairs made necessary by normal wear or by the use of parts or accessories which are either incompatible with the SIMPSON brand outdoor product or adversely affect its operation, performance, or durability.
In addition, this warranty does not cover:
Tune-ups – Spark Plugs, Carburetor, Carburetor Adjustments, Ignition, Filters, Oil Change Wear items-Recoil Starter Rope, Motor Brushes, Alternator Brushes, Cotter Pins, Wheels, a High-Pressure Hose, Spray Wand, Nozzles, Trigger Handle, Supply Hoses, Quick Couplers, Gaskets, Valves, Pistons, Pump Valve Assemblies, O-Rings, Water and Oil Seals, Detergent Tanks. ALL IMPLIED WARRANTIES ARE LIMITED IN DURATION TO THE STATED WARRANTY PERIOD. ACCORDINGLY, ANY SUCH IMPLIED ED WARRANTIES INCLUDING MERCHANTABILITY, FITNESS FOR A PARTICULAR PURPOSE, OR OTHERWISE, ARE DISCLAIMED IN THEIR ENTIRETY AFTER THE EXPIRATION OF THE APPROPRIATE THREE-YEAR OR NINETY-DAY WARRANTY PERIOD. SIMPSON’S OBLIGATION UNDER THIS WARRANTY IS STRICTLY AND EXCLUSIVELY LIMITED TO THE REPAIR OR REPLACEMENT OF DEFECTIVE PARTS AND SIMPSON DOES NOT ASSUME OR AUTHORIZE ANYONE TO ASSUME FOR THEM ANY OF ER OBLIGATIONS. SOME STATES DO NOT ALLOW LIM LIMITATIONS ON HOW LONG AN IMPLIED WARRANTY LASTS, SO THE ABOVE LIMITATION
THIS MAY NOT APPLY TO YOU.
SIMPSON ASSUMES NO RESPONSIBILITY FOR INCIDENTAL,
CONSEQUENTIAL, OR OTHER DAMAGES INCLUDING, BUT NOT LIMITED TO, THE EXPENSE OF RETURNING THE PRODUCT TO AN AUTHORIZED SIMPSON SERVICE CENTER AND EXPENSE OF DELIVERING IT BACK TO THE OWNER, MECHANIC’S TRAVEL TI ME, TELEPHONE OR TELEGRAM CHARGES, RENTAL OF A LIKE PRODUCT DURING THE TI ME WARRANTY SERVICE IS BEING PERFORMED, TRAVEL, LOSS OR DAMAGE TO
PERSONAL PROPERTY, LOSS OF REVENUE, LOSS OF USE OF THE PRODUCT, LOSS OF TIME, OR INCONVENIENCE. SOME STATES DO NOT ALLOW THE EXCLUSION OR LIMITATION OF INCIDENTAL OR CONSEQUENTIAL DAMAGES, SO THE ABOVE LIMITATION OR EXCLUSION MAY NOT APPLY TO YOU. This warranty gives you specific legal rights, and you may also have other rights which vary from state to state. This warranty applies to this SIMPSON brand outdoor product manufactured by or for SIMPSON and sold in the United States and Canada.
To locate your nearest Authorized SI MPSON Service Center, dial 1-877-362-4271. FEDERAL and CALIFORNIA EXHAUST AND EVAPORATIVE EMISSIONS
CONTROL WARRANTY STATEMENT
YOUR WARRANTY RIGHTS AND OBLIGATIONS
The United States Environmental Protection Agency (EPA), the California Air Resources Board, and FNA Group (FNA) are pleased to explain the exhaust and evaporative emissions (“emissions”) control system’s warranty on your 2021 small off-road engine or equipment (SORE). In California, new equipment that use small off-road engines must be designed, built, and equipped to meet the State’s stringent anti-smog standards. FNA must warrant the emissions control system on your SORE for the periods of time listed below provided there has been no abuse, neglect, or improper maintenance of your small offroad engine or equipment leading to the failure of the emissions control system. Your emissions control system may include parts such as the carburetor or fuel-injection system, the ignition system, the catalytic converter, fuel tanks, fuel lines (for liquid fuel and fuel vapors), fuel caps, valves, canisters, filters, clamps, and other associated components. Also included may be hoses, belts, connectors, and other emission-related assemblies. Where a warrantable condition exists, FNA will repair your SOR E at no cost to you including diagnosis, parts, and labor.
MANUFACTURER’S WARRANTY COVERAGE
This exhaust and evaporative emissions control system on your SORE is warranted for two years. If any emissions-related part on your SORE is defective, the part will be repaired or replaced by FNA.
OWNER’S WARRANTY RESPONSIBILITIES
As the SORE owner, you are responsible for the performance of the required maintenance listed in your owner’s manual. FNA recommends that you retain all receipts covering maintenance on your SORE, but FNA cannot deny warranty coverage solely for the lack of receipts or for your failure to ensure the performance of all scheduled maintenance.
As the SORE owner, you should however be aware that FNA may deny your warranty coverage if your SORE or a part has failed due to abuse, neglect, improper maintenance, or unapproved modifications. You are responsible for presenting your SORE to an FNA distribution center or service center as soon as the problem exists. The warranty repairs shall be completed in a reasonable amount of time, not to exceed 30 days. If you have any questions regarding your warranty rights and responsibilities, you should contact FNA Group at 1-877-362- 4271 or at [email protected].
DEFECTS WARRANTY REQUIREMENTS
(a) Applicability. This section applies to emissions control systems on small off-road engines or equipment that use small off-road engines subject to the emission standards in this Article. The warranty period begins on the date the engine or equipment is delivered to an ultimate purchaser.
(b) General Emissions Warranty Coverage. The engine or equipment must be warranted to the ultimate purchaser and any subsequent owner that the emissions control system when installed was:
- Designed, built, and equipped so as to conform with all applicable regulations; and
- Free from defects in materials and workmanship that causes the failure of a warranted part for a period of two years.
- The warranty on emissions-related parts will be interpreted as follows:
- Any warranted part that is not scheduled for replacement as required maintenance in the written instructions furnished with each new engine or equipment must be warranted for the warranty period defined in subsection (b)(2). If any such part fails during the period of warranty coverage, it must be repaired or replaced by FNA according to subsection (4) below. Any such part repaired or replaced under the warranty must be warranted for a time not less than the remaining warranty period.
- Any warranted part that is scheduled only for regular inspection in the written instructions furnished with each new engine or equipment must be warranted for the warranty period defined in subsection (b)(2). A statement in such written instructions to the effect of “repair or replace as necessary” shall advise owners of the warranty coverage for emissions-related parts. Replacement within the warranty period is covered by the warranty and will not reduce the period of warranty coverage. Any such part repaired or replaced under warranty must be warranted for a time not less than the remaining warranty period.
- Any warranted part that is scheduled for replacement as required maintenance in the written instructions furnished with each new engine or equipment must be warranted for the period of time prior to the first scheduled replacement point for that part. If the part fails prior to the first scheduled replacement, the part must be repaired or replaced by the manufacturer according to subsection (4) below. Any such part repaired or replaced under warranty must be warranted for a time not less than the remainder of the period prior to the first scheduled replacement point for the part.
- Repair or replacement of any warranted part under the warranty provisions of this article must be performed at no charge to the owner at a warranty station.
- Notwithstanding the provisions of subsection (4) above, warranty services or repairs must be provided at distribution centers that are franchised to service the subject engines or equipment.
- The owner must not be charged for diagnostic labor that leads to the determination that a warranted part is in fact defective, provided that such diagnostic work is performed at a warranty station.
- Throughout the emissions control system’s warranty period set out in subsection (b)(2), FNA must maintain a supply of warranted parts sufficient to meet the expected demand for such parts and must obtain additional parts if that supply is exhausted.
- Manufacturer-approved replacement parts that do not increase the exhaust or evaporative emissions of the engine or evaporative emission system must be used in the performance of any warranty maintenance or repairs and must be provided without charge to the owner. Such use will not reduce the warranty obligations of FNA.
- The use of add-on or modified parts may be grounds for disallowing a warranty claim made in accordance with this Article. FNA will not be liable under this Article to warrant failures of warranted parts caused by the use of an add-on or modified part.
- FNA shall provide any documents that describe FNA’s warranty procedures or policies within five working days of request by the Executive Officer.
(d) A list of all emissions warranty parts must be included with each new engine or equipment subject to this Article. The emissions warranty parts list shall include all parts whose failure would increase exhaust or evaporative emissions, and contains the following parts (if applicable):
- Fuel Metering System
- Carburetor and internal parts (and/or pressure regulator or fuel injection system).
- Air/fuel ratio feedback and control system.
- Cold start enrichment system.
- Air Induction System
- Controlled hot air intake system.
- Intake manifold.
- Air filter.
- Ignition System
- Spark Plugs.
- Magneto or electronic ignition system.
- Spark advance/retard system.
- Exhaust Gas Recirculation (EGA) System
- EGA valve body, and carburetor spacer if applicable.
- EGA rate feedback and control system.
- Air injection System
- Air pump or pulse valve.
- Valves affecting the distribution of flow.
- Distribution manifold.
- Catalyst or Thermal Reactor System
- Catalytic converter.
- Thermal reactor.
- Exhaust manifold.
- Particulate Controls
- Traps, filters, precipitators, and any other device used to capture particulate emissions.
- Miscellaneous items Used in Above Systems
- Vacuum, temperature, and time-sensitive valves and switches.
- Electronic controls.
- Hoses, belts, connectors, and assemblies.
- Evaporative Controls
- Fuel Tank
- Fuel Cap
- Fuel Lines (for liquid fuel and fuel vapors)
- Fuel Line Fittings
- Clamps**
- Pressure Relief Valves**
- Control Valves**
- Control Solenoids**
- Electronic Controls**
- Vacuum Control Diaphragms**
- Control Cables**
- Control Linkages**
- Purge Valves
- Gaskets
- LiquidNapor Separator
- Carbon Canister
- Canister Mounting Brackets
- Carburetor Purge Port Connector
Note: As they relate to the evaporative emission control system.
Note: Any other warranty statements that apply to engines or equipment units shall not limit the emissions warranty period (two years) or its applicability to subsequent owners after the ultimate purchaser. [end of warranty statement]



































