velleman K5201 Light Computer Kit

Product Information
The K5201 Light Computer is an electronic kit that allows you to create a unique light show with 16 different patterns and 7 outputs. It features easy pattern selection with a rotary switch, adjustable effect speed, and the ability to daisy-chain units to create even bigger light shows. There is also a special setting for two linked units to create 14 channel operation. The kit includes 7 LED pattern indication.
The power supply required for the Light Computer is 7.5-9VAC or 12VDC / 250mA. The load is 24-240VAC 1.5A/channel max and it is not suitable for inductive loads. The Light Computer has dimensions of 134x79mm (5.3×3.1).
Product Usage Instructions
Before assembling the K5201 Light Computer, make sure you have the right tools, including a basic multi-meter if required. Follow these assembly hints to ensure a successful project:
- Mount the component against the PCB surface and carefully solder the leads.
- Make sure the solder joints are cone-shaped and shiny.
- Trim excess leads as close as possible to the solder joint.
- Remove components from the tape one at a time.
- Axial components are taped in the correct mounting sequence.
You can find the color code for the resistances and LEDs on the Velleman website.
Once assembled, use the rotary switch to select from the 16 different patterns and adjust the effect speed as desired. You can also link two units together for more channels and bigger light shows. Note that the Light Computer is not suitable for inductive loads.
Features:
- Sixteen different patterns and 7 outputs provide a unique light show ? Easy pattern selection with rotary switch
- Adjustable effect speed
- External oscillator input
- Daisy-chain units to create even bigger light shows
- Special setting for two linked units to create 14 channel operation ? 7 LED pattern indication
Specifications:
- Power supply : 7.5-9VAC or 12VDC / 250mA
- Load : 24-240VAC
- 1.5A/channel max.
- Not suitable for inductive loads
- Dimensions : 134x79mm (5.3”x3.1”)
Assembly
(Skipping this can lead to troubles ! )
Ok, so we have your attention. These hints will help you to make this project successful. Read them carefully.
Make sure you have the right tools:

- A good quality soldering iron (25-40W) with a small tip.
- Wipe it often on a wet sponge or cloth, to keep it clean; then apply solder to the tip, to give it a wet look. This is called ‘thinning’ and will protect the tip, and enables you to make good connections. When solder rolls off the tip, it needs cleaning.

- Thin raisin-core solder. Do not use any flux or grease.
- A diagonal cutter to trim excess wires. To avoid injury when cutting excess leads, hold the lead so they cannot fly towards the eyes.

- Needle nose pliers, for bending leads, or to hold components in place.
- Small blade and Phillips screwdrivers. A basic range is fine.
For some projects, a basic multi-meter is required, or might be handy
Assembly Hints :
- Make sure the skill level matches your experience, to avoid disappointments.
- Follow the instructions carefully. Read and understand the entire step before you perform each operation.
- Perform the assembly in the correct order as stated in this manual
- Position all parts on the PCB (Printed Circuit Board) as shown on the drawings.
- Values on the circuit diagram are subject to changes.
- Values in this assembly guide are correct*
- Use the check-boxes to mark your progress.
- Please read the included information on safety and customer service
* Typographical inaccuracies excluded. Always look for possible last minute manual updates, indicated as ‘NOTE’ on a separate leaflet.
Soldering Hints :
- Mount the component against the PCB surface and carefully solder the leads

- Make sure the solder joints are cone-shaped and shiny

- Trim excess leads as close as possible to the solder joint
REMOVE THEM FROM THE TAPE ONE AT A TIME! 
AXIAL COMPONENTS ARE TAPED IN THE CORRECT MOUNTING SEQUENCE !
You will find the colour code for the resistances and the LEDs on our website: http://www.velleman.be/common/service.aspx
Construction
Jumpers
J : 5x

Diodes. Watch the polarity !
- D1 : 1N4148
- D2 : 1N4148
- D3 : 1N4148
- D4 : 1N4148
- D5 : 1N4148
- D6 : 1N4148
- D7 : 1N4148
- D8 : 1N4148
- D9 : 1N4148
- D10 : 1N4148
- D11 : 1N4148
- D12 : 1N4148
- D13 : 1N4007
- D14 : 1N4007
- D15 : 1N4007
- D16 : 1N4007

3. 1/4W Resistors

- R1 : 4K7 (4 – 7 – 2 – B)
- R2 : 39K (3 – 9 – 3 – B)
- R3 : 10K (1 – 0 – 3 – B)
- R4 : 10K (1 – 0 – 3 – B)
- R5 : 10K (1 – 0 – 3 – B)
- R6 : 10K (1 – 0 – 3 – B)
- R7 : 10K (1 – 0 – 3 – B)
- R8 : 2K2 (2 – 2 – 2 – B)
- R9 : 2K2 (2 – 2 – 2 – B)
- R10 : 2K2 (2 – 2 – 2 – B)
- R11 : 2K2 (2 – 2 – 2 – B)
- R12 : 2K2 (2 – 2 – 2 – B)
- R13 : 2K2 (2 – 2 – 2 – B)
- R14 : 2K2 (2 – 2 – 2 – B)
- R15 : 100 (1 – 0 – 1 – B)
- R16 : 100 (1 – 0 – 1 – B)
- R17 : 100 (1 – 0 – 1 – B)
- R18 : 100 (1 – 0 – 1 – B)
- R19 : 100 (1 – 0 – 1 – B)
- R20 : 100 (1 – 0 – 1 – B)
- R21 : 100 (1 – 0 – 1 – B)
IC socket. Watch the position of the notch!

- IC1 : 8p
- IC2 : 14p
- IC3 : 28p
Capacitors

- C1 : 10nF (103)
- C2 : 100nF (104)
- C3 : 100nF (104)
- C4 : 100nF (104)
Trimmer
RV1 : 1M
PCB tabs.

- L1
- L2
- L3
- L4
- L5
- L6
- L7
- N
- SIG IN.
- OSC. OUT
- J1 (X2)
- RST
Transistors
- T1 : BC547
- T2 : BC547
- T3 : BC547
- T4 : BC547
- T5 : BC547
- T6 : BC547
- T7 : BC547
Electrolytic Capacitors. Watch the polarity ! 
- C5 : 1µF
- C6 : 1µF
- C7 : 1000µF
Voltage regulator.
VR1 : UA7805 
Push button
SW1 
LEDs. Watch the polarity! 
Triacs 
- TR1 : TIC206M
- TR2 : TIC206M
- TR3 : TIC206M
- TR4 : TIC206M
- TR5 : TIC206M
- TR6 : TIC206M
- TR7 : TIC206M
Switch
SW2 : 1p 
ICs. Watch the position of the notch!
- IC1 : NE555
- IC2 : CD4024
- IC3 : VK5201
- (programmed Eeprom 2764C25)

- (programmed Eeprom 2764C25)
Rotary switch.
The 12-position rotary switch SW3 must be configured for 8 positions.
SW3

- Turn the switch all the way counterclockwise.
- Remove the nut and the lock washer
- Lift the stop washer and move it to position ‘8’
- Put the lock washer and nut back in place
ASSEMBLY, HOOK-UP AND USE
Attention : There is no transformer isolating this circuit from the mains. Therefore, all parts of the PCB carry a potentially lethal voltage. The circuit must be mounted in an adapted enclosure according to the applicable norms, so that no live parts can be touched or present any other danger.
- All wires of the output section must be at least 2.5mm².
- Power supply wiring can be done with 0.5mm² wire.
- Use fuse ratings as indicated on the connection examples.
- Put an extra layer of solder on all tinned PCB tracks, to improve their current handling capabilities.
- This unit is suitable for use with resistive loads, such as regular incandescent light bulbs.
- The unit is not suitable for use with transformer operated lighting or fluorescent lighting.
Hook-up of one unit : Hook-up the unit as shown in the diagram 1.0.

To use the internal speed adjustment, connect ‘OSC OUT’ with ‘SIG IN’ by means of a wire jumper. A external 5V CMOS clock signal (e.g generated by a beat detector), can be connected between GND and SIG. IN.
Cascading of two units :
Two units can be hooked-up in cascade configuration, to create a 14 -channel lightshow. Hook-up both units as shown in the diagram. 
The ‘RESET’ button of the slave unit can be omitted. It is very important that each unit gets its own power supply transformer.
Do not use a single transformer for both units.
- Make sure the ‘L’ (live) of both kits is connected to the same phase of the mains. Not doing so will result in damage beyond repair of both kits, and the risk of fire.
- Use 4mm² wire for the output section and use fuses rated as indicated.
- Patterns 15 and 16 have been developed for cascade use.
- Choose pattern 15 for the master unit, and pattern 16 for the slave unit.
Use :
- Choose between 8 different patterns with the rotary switch SW3.
- SW2 allows selection of another bank of 8 patterns.
- To restart the selected pattern, press ‘RESET’
- If internal speed control has been chosen (OSC. OUT connected to SIG. IN), you can adjust the running speed with RV1.
FINISHING
When mounting the kit in an enclosure you should make sure the enclosure is sufficiently insulated according to local norms.
- The complete PCB is best fixed to the front panel of the casing, so that all controls are accessible and the LED’s are visible.
- Make holes in the front panel as shown in figure 3.0.
- Mount the PCB on the front panel with help of the included bushes and bolts.
- Place buttons on the spindles of the potentiometer (spindle diameter 5.9mm) and the rotary switch (spindle diameter 6.3mm) (shorten the spindle if necessary).
All values are in mm. (1mm = 0.04″)
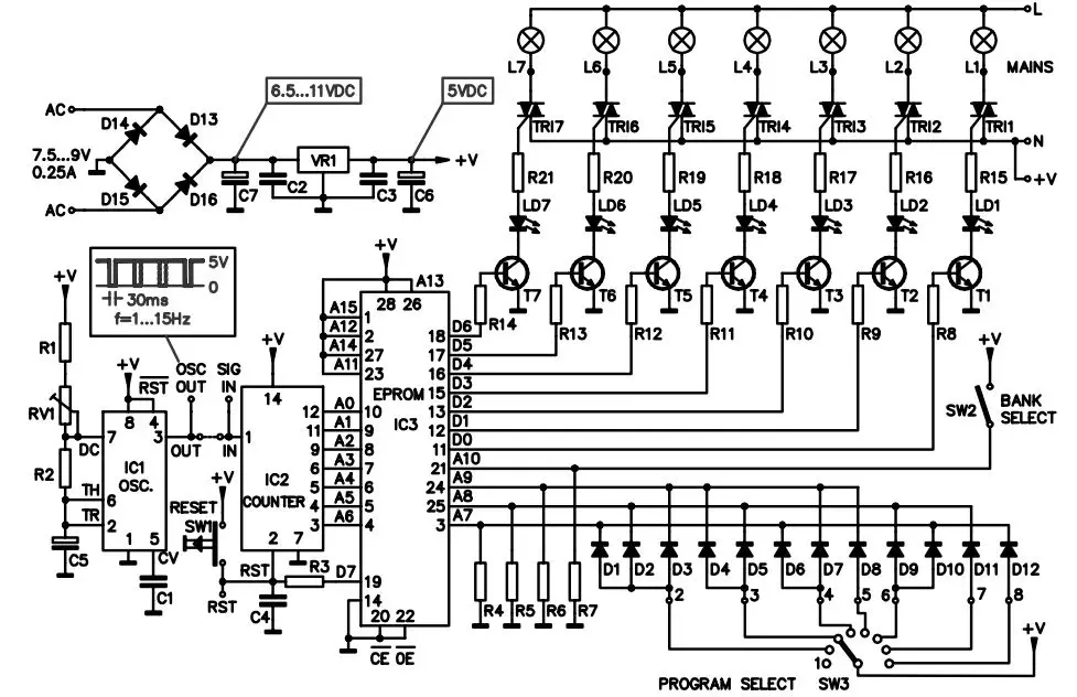
Schematic diagram. 
PCB 
VELLEMAN Components NV Legen Heirweg 33 9890 Gavere Belgium Europe
- www.velleman.be
- www.velleman-kit.com
- Modifications and typographical errors reserved © Velleman Components nv.
H5201IP – 2004 – ED1






















