OLIMPIA SPLENDID B0707 Electronic Kits 
Product Information
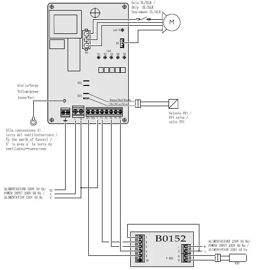
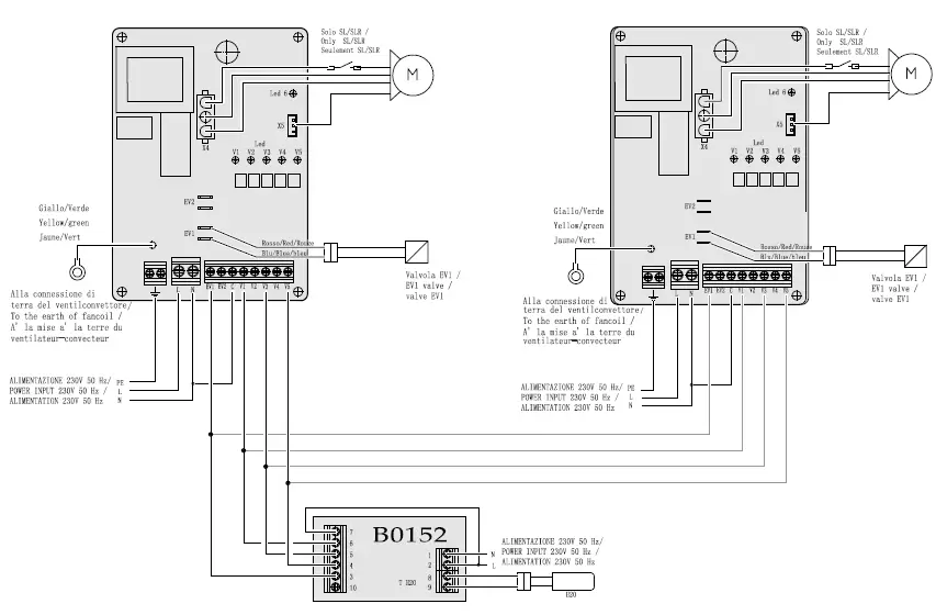
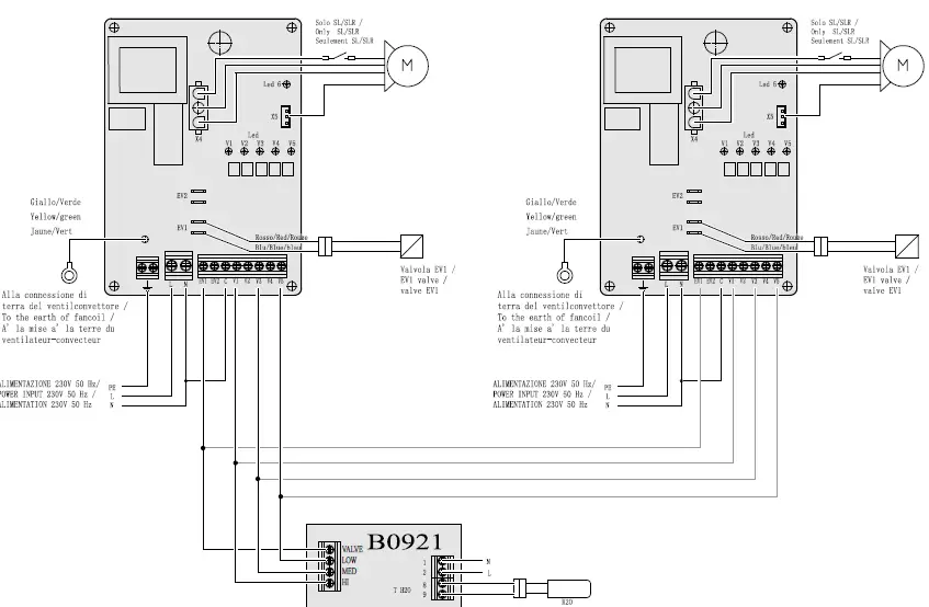
The Kit B0707 is an electronic kit that is compatible with controls B0151, B0152, and B0921. Each command can be used to control up to 10 Kit B0707. The kit comes with instructions for mounting in Italian, English, and French. The valve has a low, medium, and high setting.
Product Usage Instructions
- Ensure that the control (B0151, B0152, or B0921) is compatible with the Kit B0707.
- Mount the electronic kit according to the instructions provided in the manual. Use the appropriate language section for instructions.
- Each command can control up to 10 Kit B0707. Connect the command to the electronic kit using the appropriate wiring connections.
- The valve has three settings: low, medium, and high. Use the control to adjust the valve setting as needed.
- When disposing of the electronic kit, follow the disposal instructions provided in the manual.
KIT B0707
INSTRUCTIONS FOR MOUNTING OF ELECTRONIC KITS
Compatible with controls B0151-B0152-B0921, each command could be used to control up to 10 Kit B0707
DISPOSAL
This symbol on the product or its packaging indicates that the appliance cannot be treated as normal domestic trash, but must be handed in at a collection point for recycling electric and electronic appliances. Your contribution to the correct disposal of this product protects the environment and the health of your fellow men. Health and the environment are endangered by incorrect disposal. Further information about the recycling of this product can be obtained from your local town hall, your refuse collection service, or in the store at which you bought the product. This regulation is valid only in EU member states.







OLIMPIA SPLENDID spa
www.olimpiasplendid.it
[email protected]




















