velleman K8009 Multifunctional Clock Display

Product Information
The K8009 multifunctional clock display is a versatile device that can display time, date, and temperature. It has a high-quality display with six 36mm high digits and comes with a wireless remote control that allows you to access all its functions. The device also has a countdown function, a chronometer with a lap function, and a scoreboard function that can count up to 199. Additionally, it has a random generator from 00 to 99, two-digit dice, an hour chime option, a counter display, and a relay output for temperature control or time alarm.
Features:
- Six 36mm high digits
- Time, date & temperature indication
- 1 sec. resolution chronometer with lap function
- Countdown function to a specific date
- Scoreboard function (two players or teams, count up to 199)
- Random generator from 00 to 99
- Two-digit dice
- Hour chime option
- Counter display
- Relay output for temperature control or time alarm
- US or Europe display option: time, date, degrees Celsius or Fahrenheit
- Wireless remote control for all functions (wired remote possible)
Specifications:
- Model: K8009
- Optional enclosure type: B8009
- Optional extra remote type: K6706A, K6706B or K6706G
Product Usage Instructions
- First, assemble the remote control PCB (P6706A) following the instructions provided.
- Position all parts on the PCB (Printed Circuit Board) as shown on the drawings.
- Make sure you have the right tools for assembly.
- Follow the instructions carefully and read and understand the entire step before performing each operation.
- Perform the assembly in the correct order as stated in the manual.
- Once assembled, connect the remote control to the K8009 clock display.
- Use the wireless remote control or wired remote (if used) to access all functions of the clock display.
- Select the desired display option for time, date, and temperature (US or Europe).
- Select the desired function, such as chronometer, countdown, scoreboard, random generator, dice, hour chime, or counter display.
- Use the relay output for temperature control or time alarm if needed.
Multifunctional clock display
Features :
- 6 x 36mm high digits.
- Time, date & temperature indication, selectable with toggle option.
- 1 sec. resolution chronometer with lap function.
- Count down function to a specific date.
- Scoreboard function (two players or teams, count up to 199).
- Random generator from 00 to 99.
- 2 digit dice.
- Hour chime option.
- Counter display.
- Relay output for temperature control or time alarm.
- US or Europe display option: time, date, degrees Celsius or Fahrenheit. R Wireless remote control for all functions (wired remote possible).
- Optional enclosure type B8009.
- Optional extra remote type K6706A, K6706B or K6706G.

Specifications :
- Fixed 433.92 MHz transmitter frequency, as required by law.
- Key chain remote control included.
- Temperature indication from -20 to +70 ºC (resolution 1º).
- Temperature indication from 0 to +150 ºF (resolution 2º).
- Memory backup option: 9V battery or rechargeable battery T331
- Relay output: 1A / 24V max.
- Supply: 12VDC/300mA power supply (adapter type PS1203).
- Dimensions : 252 x 80mm (without enclosure).
Modifications reserved
Assembly (Skipping this can lead to troubles ! )
Ok, so we have your attention. These hints will help you to make this project successful. Read them carefully.
Make sure you have the right tools:

- A good quality soldering iron (25-40W) with a small tip.
- Wipe it often on a wet sponge or cloth, to keep it clean; then apply solder to the tip, to give it a wet look. This is called ‘thinning’ and will protect the tip, and enables you to make good connections. When solder rolls off the tip, it needs cleaning.
- Thin raisin-core solder. Do not use any flux or grease.
A diagonal cutter to trim excess wires. To avoid injury when cutting excess leads, hold the lead so they cannot fly towards the eyes. - Needle nose pliers, for bending leads, or to hold components in place.
- Small blade and Philips screwdrivers. A basic range is fine.

For some projects, a basic multi-meter is required, or might be handy 
Assembly Hints :
⇒ Make sure the skill level matches your experience, to avoid disappointments.
⇒ Follow the instructions carefully. Read and understand the entire step before you perform each operation.
⇒ Perform the assembly in the correct order as stated in this manual
⇒ Position all parts on the PCB (Printed Circuit Board) as shown on the drawings.
⇒ Values on the circuit diagram are subject to changes.
⇒ Values in this assembly guide are correct*
⇒ Use the check-boxes to mark your progress.
⇒ Please read the included information on safety and customer service
* Typographical inaccuracies excluded. Always look for possible last minute manual updates, indicated as ‘NOTE’ on a separate leaflet.
Soldering Hints :
- Mount the component against the PCB surface and carefully solder the leads


- Make sure the solder joints are cone-shaped and shiny

- Trim excess leads as close as possible to the sol-der joint
AXIAL COMPONENTS ARE TAPED IN THE CORRECT MOUNTING SEQUENCE !
REMOVE THEM FROM THE TAPE ONE AT A TIME !
Velleman hereby certifies that the device K8009 meets the essential requirements and all other relevant stipulations of directive 1999/5/EG and 1995/5/EC.
For the complete conformity declaration check out : http://www.velleman.be/downloads/doC/CE_K8009.pdf

| COLOUR CODE | ||
| 0 | Black | |
| 1 | Brown | |
| Red | ||
| 3 | Orange | |
| Yellow | ||
| 5 | Green | |
| Blue | ||
| 7 | Purple | |
| Grey | ||
| 9 | White | |
| Silver | ||
| B | Gold | |
IMPORTANT
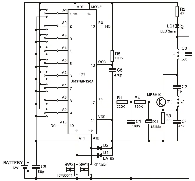
First the remote control PCB is assembled, P6706A:
The remote control can be build for wireless remote operation or for “wired” remote operation (no need for battery in the transmitter). In case of a wired remote, only a few components are mounted, see further.
Before mounting the components on the PCB, first check that the PCB fits in the housing. Watch the small notch next to LD1. Should it not fit, then grind the edges of the PCB carefully.
Mount only the components marked with “#” if wired remote is wanted.
- Jumperwire
J1 #
- Diodes (Check the polarity)
D1 : BAT85 #
D2 : BAT85 # - 1/4W Resistors
R4 : 33K (3 – 3 – 3 – B)
R5 : 100K (1 – 0 – 4 – B) # - SAW resonator
(Watch the position of the notch)
X1 : SAW433 - Push buttons
SW1 : KRS0611 #
SW2 : KRS0611 # - IC socket
(Watch the position of the notch)
IC1 : 18p # - Capacitors
C1 : 100pF (101)
C2 : 1pF small type !
C3 : 56pF
C4 : 4,7pF (4p7, 4.7)
C5 : 56pF
C6 : 470pF (471) # - Transistor
T1 : MPSH10
Check the minimum height ! :
- 1/4W Resistors (check the color code)
R1 : 33K (3 – 3 – 3)
R2 : 47 (4 – 7 – 0)
R3 : 220 (2 – 2 – 1) - LED (check the polarity)
LD1 : 3mm (2)
Mount at the indicated height :
- Coil
A simple air core coil has to be made as shown in the diagram using the jumper lead supplied
- Battery contacts
Check for good attachment of the solder to the contacts.
Mount them as straight as possible! - IC (Watch the position of the notch !)
IC1 : UM3758 #
Create your code
Your own individual code can be set for a transmitter/clock combination. There is a row of nine code pads that are the closest to IC1, only one code connection is used. The code can be set by linking the code pad to a neighboring “-” pad or “+” pad by using a jumper lead. JC1 and JC2 are located on the main PCB P8009.
There are 3 different combinations possible:
- JC1 and JC2 are not mounted on the main PCB, then do not mount code jumpers on the transmitter.

- JC1 is mounted on the main PCB, Mount a jumper like in the drawing:

- JC2 is mounted on the main PCB, Mount a jumper like in the drawing:
In case of a “wired” remote, continue the assembly.
In case of a wireless remote, the transmitter PCB can be placed in his enclosure. Fit a new 12V battery type V23GA or GP23A. Check the polarity which is shown in the enclosure.
REMARK: If the buttons do not “click”, please check the position of the PCB. It is also possible that the first time, you have to press firmly the button cap before they work properly.
Sticker
Affix the supplied sticker to the housing.
Assembly of the main PCB P8009
- Jumperwires
J1
J2
J3
J4
J5
J6
J7
J8
J9
J10
J11
J12
J13
J14
J15
J16
J17
J18
J19
J20
J21
J22
J23
J24
J25
J26
J27
J28
J29
J30
J31
J32
J33
J34
J35
J36
J37
J38
J39
J40
J41
J42
J43
J44
J45
J46
J47 - Diodes (Check the polarity)
D1 : 1N4007
D2 : 1N4148
D3 : 1N4148
D4 : BAT85
D5 : BAT85
D6 : 1N4148
D7 : 1N4148
D8 : 1N4148
D9 : 1N4148 - Zener diode (Check the polarity)
ZD1 : 6V2
ZD2 : 3V3
ZD3 : 4V7
ZD4 : 4V3
ZD5 : 5V1
ZD6 : 9V1 - 1/4W Resistors
R1 : 100K (1 – 0 – 4)
R2 : 270 (2 – 7 – 1)
R3 : 270 (2 – 7 – 1)
R4 : 4K7 (4 – 7 – 2)
R5 : 270 (2 – 7 – 1)
R6 : 5K6 (5 – 6 – 2)
R7 : 2K7 (2 – 7 – 2)
R8 : 2K2 (2 – 2 – 2)
R9 : 10K (1 – 0 – 3)
R10 : 100K (1 – 0 – 4)
R11 : 10K (1 – 0 – 3)
R12 : 4K7 (4 – 7 – 2)
R13 : 10K (1 – 0 – 3)
R14 : 100K (1 – 0 – 4)
R15 : 47K (4 – 7 – 3)
R16 : 2K2 (2 – 2 – 2)
R17 : 150 (1 – 5 – 1)
R18 : 100K (1 – 0 – 4)
R19 : 4K7 (4 – 7 – 2)
R20 : 10K (1 – 0 – 3)
R21 : 270 (2 – 7 – 1)
R22 : 100K (1 – 0 – 4)
R23 : 100K (1 – 0 – 4)
R24 : 270 (2 – 7 – 1)
R25 : 270 (2 – 7 – 1)
R26 : 100K (1 – 0 – 4)
R27 : 100K (1 – 0 – 4)
R28 : 100K (1 – 0 – 4)
R29 : 100K (1 – 0 – 4)
R30 : 100K (1 – 0 – 4)
R31 : 100K (1 – 0 – 4)
R32 : 4K7 (4 – 7 – 2)
R33 : 10K (1 – 0 – 3)
R34 : 270 (2 – 7 – 1)
R35 : 270 (2 – 7 – 1)
R36 : 100K (1 – 0 – 4)
R37 : 4K7 (4 – 7 – 2)
R38 : 10K (1 – 0 – 3)
R39 : 100K (1 – 0 – 4)
R40 : 100K (1 – 0 – 4)
R41 : 100K (1 – 0 – 4)
R42 : 10K (1 – 0 – 3)
R43 : 10K (1 – 0 – 3)
R44: 10K (1 – 0 – 3)
R45 : 10K (1 – 0 – 3)
R46 : 10K (1 – 0 – 3)
R47 : 4K7 (4 – 7 – 2)
R48 : 100K (1 – 0 – 4)
R49 : 560 (5 – 6 – 1)
R50 : 100K (1 – 0 – 4)
R51 : 2K2 (2 – 2 – 2)
R52 : 4K7 (4 – 7 – 2)
R53 : 2K2 (2 – 2 – 2)
R54 : 2K2 (2 – 2 – 2)
R55 : 1K (1 – 0 – 2)
R56 : 1K (1 – 0 – 2)
R57 : 6M8 (6 – 8 – 5)
R58 : 6K8 (6 – 8 – 2)
R59 : 18K (1 – 8 – 3)
R60 : 270 (2 – 7 – 1)
R61 : 33K (3 – 3 – 3)
R62 : 18K (1 – 8 – 3)
R63 : 10K (1 – 0 – 3)
R64 : 10K (1 – 0 – 3)
R65 : 5K6 (5 – 6 – 2)
R66 : 2K7 (2 – 7 – 2)
R67 : 100K/1% (1 – 0 – 0 – 3)
R68 : 270K/1% (2 – 7 – 0 – 3) - Axial coil
L1 : 1μH (1 – 0 – B) - IC socket
(Watch the position of the notch)
IC1 : 8p
IC2 : 18p
IC3 : 18p
IC4 : 18p
IC5 : 16p
IC6 : 8p - Capacitors
C1 : 470pF (471)
C2 : 470pF (471)
C3 : 100nF (104, μ1)
C4 : 100nF (104, μ1)
C5 : 100nF (104, μ1)
C6 : 2pF (2.2, 2p2)
C7 : 12pF
C8 : 330pF (331)
C9 : 330pF (331)
C10 : 22pF
C11 : 330pF (331)
C12 : 1pF
C13 : 2pF
C14 : 82pF
C15 : 330pF (331)
C16 : 100nF (104, μ1) - Quartz crystal
X1 : 4.194304
Fix the quartz crystal by means of a jumpwire. - Transistors
T1 : BC547C
T2 : BC547C
T3 : BC547C
T4 : BC547C
T5 : BC547C
T6 : BC547C
T7 : BC547C
T8 : BC547C
T9 : BC547C
T10 : BC547C
T11 : BC547C
T12 : BC547C
T13 : BC547C
T14 : BC547C
T15 : BC547C
T16 : BC547C
T17 : BC557
T18 : BC557
T19 : BC557
T20 : BC557
T21 : BC557
T22 : BC557
T23 : BC557
T24 : BF199 - Voltage regulator
VR1 : 78L05 - Trim capacitors
CV1 :Trim 22p (Green)
CV2 : TRIM 5p5 - Electrolytic capacitors
C17 : 1μF
C18 : 100μF / 16V
C19 : 1μF
C20 : 10μF
C21 : 1μ
C22 : 470μF / 25V - Buzzer (check the polarity)
BUZ1 : SV4 / 12-S - Relay
RY1 : VR3D121C
A selection is possible for a normal closed contact output, or a normal open contact output :
For normal closed, mount jumper JNC
For normal open, mount jumper JNO 
- PCB pin. Mount only if you have access to a frequency counter.

- GND
- Testpin for time calibration 15.625ms (64Hz)
This testpin can be used to calibrate the clock (see chapt. 22) by means of a counter.
Adjust CV1 for a period measurement of 15.625ms or 64Hz frequency.
- GND
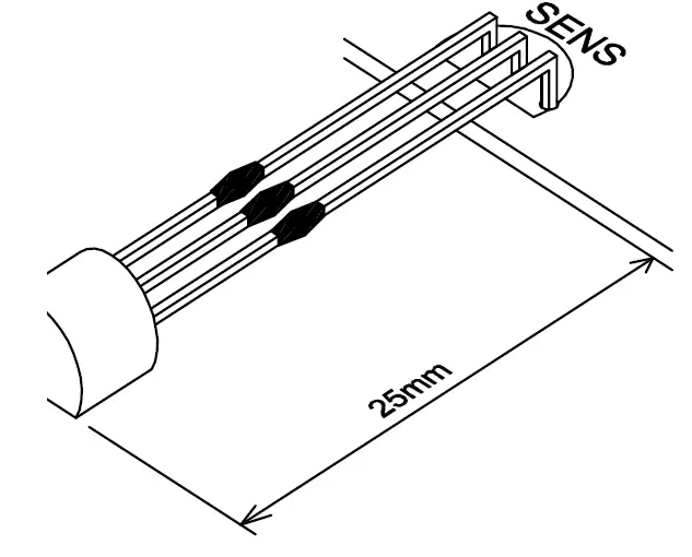
- Temperature sensor
SENS: LM335
Make the connections longer when using an enclosure like our optional enclosure type B8009 (use blank jumpwires)
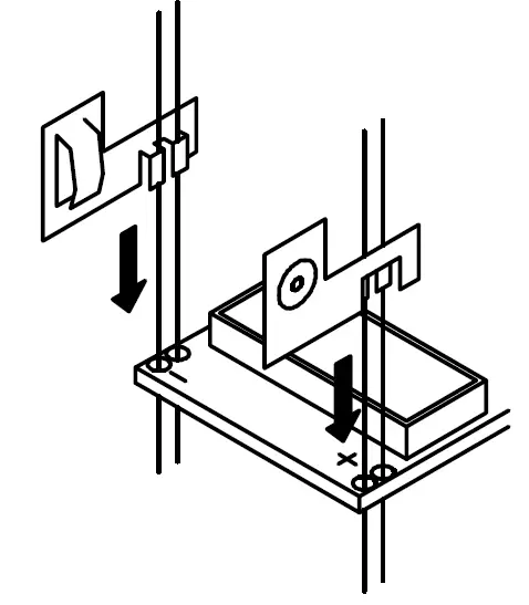
- LED mounting
To mount all the LED’s at the same Hight, we are going to use some spacers. Mount the spacers on the PCB:
Mount about five LED’s, then turn over the PCB and solder ONE connection of each LED. Now correct the position of the LED’s and solder the other connection of each LED.
Continue mounting all the LED’s as above.
It is important that when our optional enclosure B8009 is used, that the maximum hight is respected !
LD1… LD132: 3mm LED.
Now the spacers can be removed. - Resistor trimmer
RV1 : 500E (470) - Connectors
SK1 : DJ005
SK2 : BATCON
SK3 : SCREW02
If a 9V block battery is used for the memory backup, then the following snap can be connected:
Check the polarity ! - IC’s
(Watch the position of the notch !)
IC1 : CA3160
IC2 : VK8009 (PIC16C715) q IC3 : UM3758
IC4 : UM3758
IC5 : CD4017
IC6 : LM258 - Connecting the wired remote control
Only three wires are used to connect the transmitter with the display.
Connect one wire between the + from the display and the + of the transmitter
(connection next to R5)
Connect one wire between the – from the display and the – of the transmitter
(connection next to C5)
Connect one wire between C on the display and the connection at R1 on the transmitter (see drawing).
Before mounting the transmitter PCB in the enclosure, make a small slot in the bottom enclosure to pass the wires.
Now the transmitter can be placed in his enclosure.
REMARK: If the buttons do not “click”, please check the position of the PCB. It is also possible that the first time, you have to press firmly the button cap before they work properly.
Test and adjustment
First we will test if the display works properly:
- Connect a 12VDC / 300mA adapter (check the polarity and the connector type) to the display.
The display should indicate the time 00:00:00 (HH:MM:SS) and the (HH) should blink.
Next step is adjusting the displays- receiver to the transmitter. (skip this step if a wired transmitter is used).
Remote control button code. - Hold the transmitter about one meter (one yard) away from the display.
- Press button 1 on the transmitter, the LED on the transmitter should blink rapidly.
- Now adjust the trimmer capacitor CV2 (RECEIVER ADJUST) on the display using the supplied plastic tuning screwdriver, until the receiver LED (REC), blinks at the same rate as the transmitter.
- If a maximum range between transmitter – display is wanted, then it is advisable to repeat the above adjustment with the transmitter at about 10m (10 yard).
- If the adjustment is OK, then the HH of the display should increase each time button 1 is pressed.
Remark : Hold the display away from large metal objects.
Next step is to calibrate the temperature indication :
- Disconnect the power supply from the display.
- Reconnect the power supply to the display.
- Put a known good thermometer next to the display temperature sensor.
- Press repeatedly button 2 on the transmitter until the display shows dAtE blinking.
- Now press button 1 until rEGIOn is blinking.
- Next press button 2, Eu will blink. Use button 1 to choose between Eu (Europe) or uS (USA) display format for time, date and temperature.
- Confirm your choice by pressing button 2.
- Now press the left button until dEGrEE is displayed and confirm with but-ton 2.
- Now adjust the trim potentiometer RV1 (TEMP. CALIBRATION) until the dis-played temperature corresponds with the “reference” thermometer.
Repeat the above adjustment after the display is warmed up for a few hours.
Next step is to calibrate the clock time base
The processor has an internal oscillator that is used to run the clock.
By means of CV1(TIME CALIBRATION), it is possible to adjust the oscillator frequency if the clock does not run correctly.
- Start by setting the trim capacitor in his center (50% overlap) position:

- Should the clock run too fast, then turn the capacitor more in the maximum (100% overlap) direction:

- Should the clock run too slow, then turn the capacitor more in the minimum (no overlap) direction:

Mounting the display into the optional enclosure B8009
- Remove the display window and the side panels from the enclosure.
- Slide the PCB into the lower slot of the enclosure.
- At the left hand side two holes must be made in the small cover, one for the power supply plug*, and one for the temperature sensor.
* Alternatively a hole can be made at the back of the enclosure to pass the power supply plug. - Mount the two side panels.
- At the right hand side there is space for a battery, a 9V battery or a 3.6V re-chargeable battery type T331 can be used. Connect the battery to the appropriate connector.

After connecting the power supply plug, the display window can be mounted.
REMARK : It is important that the temperature sensor body is outside the enclosure otherwise the temperature readout will be faulty.
Keep the display out of direct sunlight.
See the user manual for further instructions.
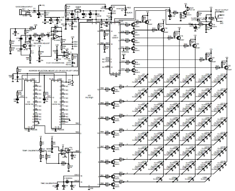
PCB & DIAGRAMS
Transmitter PCB 

Transmitter diagram
modifications reserved For use with old version of receiver K6707 replace C1 by 1pF on the receiver P.C.B. and readjust the receiver.
Display diagram 
VELLEMAN COMPONENTS NV Legen Heirweg 33
9890 Gavere
Belgium Europe
Info & support: www.velleman.be
Modifications and typographical errors reserved © Velleman Components NV
H8009IP – 2002 – ED3

A diagonal cutter to trim excess wires. To avoid injury when cutting excess leads, hold the lead so they cannot fly towards the eyes.



AXIAL COMPONENTS ARE TAPED IN THE CORRECT MOUNTING SEQUENCE !
REMOVE THEM FROM THE TAPE ONE AT A TIME !
D1 : BAT85 #
R4 : 33K (3 – 3 – 3 – B)
X1 : SAW433
SW1 : KRS0611 #
IC1 : 18p #
C1 : 100pF (101)
T1 : MPSH10
R1 : 33K (3 – 3 – 3)
LD1 : 3mm (2)

Check for good attachment of the solder to the contacts.
IC1 : UM3758 #

In case of a “wired” remote, continue the assembly.
J1
D1 : 1N4007
ZD1 : 6V2
R1 : 100K (1 – 0 – 4)
L1 : 1μH (1 – 0 – B)
IC1 : 8p
C1 : 470pF (471)
X1 : 4.194304
T1 : BC547C
VR1 : 78L05
CV1 :Trim 22p (Green)
CV2 : TRIM 5p5
C17 : 1μF
C22 : 470μF / 25V
BUZ1 : SV4 / 12-S
RY1 : VR3D121C
For normal open, mount jumper JNO 

SENS: LM335
Mount about five LED’s, then turn over the PCB and solder ONE connection of each LED. Now correct the position of the LED’s and solder the other connection of each LED.
It is important that when our optional enclosure B8009 is used, that the maximum hight is respected !
RV1 : 500E (470)
SK1 : DJ005
SK2 : BATCON
SK3 : SCREW02
Check the polarity !
IC1 : CA3160
Before mounting the transmitter PCB in the enclosure, make a small slot in the bottom enclosure to pass the wires.
Now the transmitter can be placed in his enclosure.
Remote control button code.





















