
K8099 Nixie Clock Kit
Instruction Manual
Total solder points: 230 + 74
Difficulty level: beginner 1 2 3 4 5 advanced
NIXIE CLOCK

K8099 
A unique combination of both vintage and modern electronics
ILLUSTRATED ASSEMBLY MANUAL
H8099IP-1
* optional enclosure TKOK19 (black) – TKOK17 (white) ** optional plexiglass enlcosure B8099
Features & Specifications
Grab your chance NOW, and build your own nixie clock. Limited edition!
What is ‘nixie’-tubes ?
Nixie tubes are the ‘LED indicators’ of the past. In the ’50s, ’60s, and early 70’s there were no leds or LCDs. Neon gas-filled tubes were used to display numerical data. They were part of scientific equipment, counters, voltmeters, control panels, etc… Nixies feature a characteristic warm orange glow. They are no longer in production, which explains their price.
Features
- High-Quality nixie tubes
- Microprocessor controlled
- Neon HH: MM separator
- Accurate timekeeping
- Economy “tube blank” option
Specifications
- Display tubes: NOS Siemens ZM1336K
- Anode HT: +180VDC
- 12h/24h displaying (selectable)
- 50/60Hz AC power sync (auto-detect)
- Power supply: 9-12VAC / 300mA (option) (e.g. PS1205AC)
- Dimensions (lxwxh): 110x55x60mm
Optional enclosure (undrilled):
- Black: TKOK19
- White: TKOK17
Optional enclosure (pre-drilled):
- B8099
1. Assembly (Skipping this can lead to trouble!
Ok, so we have your attention. These hints will help you to make this project successful. Read them carefully.
1.1 Make sure you have the right tools:
- A good quality soldering iron (25-40W) with a small tip.
- Wipe it often on a wet sponge or cloth, to keep it clean; then apply solder to the tip, to give it a wet look. This is called ‘thinning’ and will protect the tip, and enables you to make good connections. When solder rolls off the tip, it needs cleaning.
- Thin raisin-core solder. Do not use any flux or grease.
- A diagonal cutter to trim excess wires. To avoid injury when cutting excess leads, hold the lead so they cannot fly towards the eyes.
- Needle nose pliers, for bending leads, or to hold components in place.
- Small blade and Phillips screwdrivers. A basic range is fine.

For some projects, a basic multi-meter is required or might be handy
1.2 Assembly Hints :
⇒ Make sure the skill level matches your experience, to avoid disappointments.
⇒ Follow the instructions carefully. Read and understand the entire step before you perform each operation.
⇒ Perform the assembly in the correct order as stated in this manual
⇒ Position all parts on the PCB (Printed Circuit Board) as shown on the drawings.
⇒ Values on the circuit diagram are subject to changes.
⇒ Values in this assembly guide are correct*
⇒ Use the check-boxes to mark your progress.
⇒ Please read the included information on safety and customer service
* Typographical inaccuracies excluded. Always look for possible last-minute manual updates, indicated as ‘NOTE’ on a separate leaflet.
1.3 Soldering Hints :
- Mount the component against the PCB surface and carefully solder the leads
- Make sure the solder joints are cone-shaped and shiny
- Trim excess leads as close as possible to the solder joint

REMOVE THEM FROM THE TAPE ONE AT A TIME! AXIAL COMPONENTS ARE TAPED IN THE CORRECT MOUNTING SEQUENCE !
IMPORTANT!
This kit generates high voltages. Always use a suitable enclosure for this kit!
The Kit consists of 2 boards. One for the electronics and one for the Nixie, display tubes
Unpack, inspect and handle the tubes with care!
All components are mounted on a “double side” PC board.
Components on double-sided boards are hard to remove, therefore, DOUBLE check each component before soldering!!!
HINT: The display PCB for the tubes features a tube center hole, this hole can be used as a template to drill the tube holes in the enclosure
MAINBOARD
- Diodes. Watch the polarity!

- Horizontal resistors

- Fast diode. Watch the polarity!

- IC socket. Watch the position of the notch!

- Capacitors.

- Voltage regulator

- MOSFET transistors

- Transistors

- Vertical resistors

- Switch

- Connector

- Coil

- Electrolytic Capacitor. Watch the polarity !

- Fuse.

- Jumper

- IC. Watch the position of the notch!

- Mainboard test
!!CAUTION HIGH VOLTAGES!! DO NOT TOUCH THE BOARD
Connect a 12Vac (not DC!) adaptor to the board. Carefully measure about 180Vdc between ground (eg metal part of VR1) and cathode (white stripe) of D6.
In case of failure:
- Check the fuse
- Check the +5Vdc voltage over C2 & C4
- Position of IC1
- Solderings and component position
DISPLAY PCB
1. Female header connector
Solder the female header connector to the display board. connections at solder side! 
2 Tubes
- Mount the nixie tubes as straight as possible
- Take care not to bend the leads!
- First solder 1 connection of EACH tube
- Align and straighten the tubes, then solder a second connection
- Check the alignment again and solder the remaining connections
3. Neon tube
Mount the neon tube as straight as possible. 
ASSEMBLY
Cut the pin header at position 17 so that 16 contacts are leftover.
Insert the header into the display board connector.
Assemble both PCBs using 4 spacers and 8 screws, and make sure that the 16 pins come through the mainboard holes.
Solder the connector to the mainboard, and cut the connector left over.
FINAL TEST
Connect the 12Vac to the board, if all works well, the displays should light. Check the user manual for further set-up
CONFIGURING AND SETTING YOUR CLOCK
Apply 9-12VAC.
The clock will display ’50’ or ’60’ for 3s, depending on the AC power frequency (Hz) in your area. This indicates that the zero-cross detection part of the clock circuit is working fine. (If the clock displays ’00’, you either applied a DC voltage instead of an AC voltage or there is a problem with the zero-cross detection circuit T1, R1, R2, R6, C3, D5)
Next, the clock will show the display mode for 3s
Press the button briefly to toggle between 12h and 24h display mode.
WARNING: This is a high voltage device!
Do not touch anything else than the plastic part of the pushbutton while the clock is plugged in.
The display mode is stored in EEPROM and will be remembered at the next power on.
To save energy and extend tube life, the unit allows you to blank the display for certain periods (e.g. at night, while you are absent, etc…) The digits on the left-hand side of the separator indicate the hours (00 to 23). By pressing the button briefly, you can toggle between ‘show this hour’ and ‘don’t show this hour, for each hour of the day. Hours advance automatically every second at button release. Default the display is blanked between 1 and 6 in the morning. Settings are stored in EEPROM and will be remembered at the next power on.
Now you can set the clock. Press and hold the button to advance. After a couple of seconds, the unit advances fast. At release, seconds start from ‘00’.
Setting the clock when the display is blanked: If the display was blanked, it will turn on when the time set button is pressed.
At release, the display will stay on for 5s after which it will blank again.
Note: Separator will be active at all times, also when the display is blanked, to indicate that the high voltage is present.
As there is no AM/PM indicator, during time setting the unit always switches to 24h mode, even if 12h mode was selected.
At release, the unit returns to 12h mode.
Schematic diagram “base”
Schematic diagram “display”
Main PCB
Display PCB 

Modifications and typographical errors reserved
© Velleman nv.
H8099IP’1 – 2009
VELLEMAN NV
Legen Heirweg 33, 9890 Gavere
Belgium – Europe 




















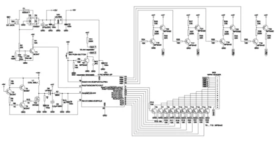
Schematic diagram “display”
Main PCB


















