Autonics LCD Display PID Temperature Controller Instruction Manual
Safety Considerations
- Please observe all safety considerations for safe and proper product operation to avoid hazards.
- Safety considerations are categorized as follows. Warning : Failure to follow these instructions may result in serious injury or death. Caution : Failure to follow these instructions may result in personal injury or product damage.
- The symbols used on the product and instruction manual represent the following. warning : symbol represents caution due to special circumstances in which hazards may occur.
Warning :
- Fail-safe device must be installed when using the unit with machinery that may cause serious injury or substantial economic loss. (e.g. nuclear power control, medical equipment, ships, vehicles, railways, aircraft, combustion apparatus, safety equipment, crime/disaster prevention devices, etc.) Failure to follow this instruction may result in fire, personal injury, or economic loss.
- Install on a device panel to use.Failure to follow this instruction may result in electric shock.
- Do not connect, repair, or inspect the unit while connected to a power source. Failure to follow this instruction may result in electric shock or fire.
- Check ‘Connections’ before wiring. Failure to follow this instruction may result in fire.
- Do not disassemble or modify the unit. Failure to follow this instruction may result in electric shock or fire.
Caution :
- When connecting the power input and relay output, use AWG 20 (0.50mm2 ) cable or over and tighten the terminal screw with a tightening torque of 0.74 to 0.90Nm. When connecting the sensor input and communication cable without dedicated cable, use AWG 28 to 16 cable and tighten the terminal screw with a tightening torque of 0.74 to 0.90Nm.Failure to follow this instruction may result in fire or malfunction due to contact failure.
- Use the unit within the rated specifications. Failure to follow this instruction may result in fire or product damage.
- Use dry cloth to clean the unit, and do not use water or organic solvent. Failure to follow this instruction may result in electric shock or fire.
- Do not use the unit in the place where flammable/explosive/corrosive gas, humidity, direct sunlight, radiant heat, vibration, impact, or salinity may be present. Failure to follow this instruction may result in fire or explosion.
- Keep metal chip, dust, and wire residue from flowing into the unit. Failure to follow this instruction may result in fire or product damage.
Ordering Information
TX 4 S 1 4 R
Control output :
- R : Relay output
- S : SSR drive output
- C : Selectable current output or SSR drive output
Power supply :
- 4 : 100-240VAC 50/60Hz
Option output :
- 1 : Alarm output 1
- 2 : Alarm output 1+Alarm output 2
- A : Alarm output 1+Alarm output 2+Trans. output
- B : Alarm output 1+Alarm output 2+RS485 com. output
Size :
- S : DIN W48×H48mm
- M : DIN W72×H72mm
- H : DIN W48×H96mm
- L : DIN W96×H96mm
Digit :
- 4 : 9999(4-digit)
Item :
- TX : LCD display PID temperature controller
Input Type and Range
| Input type | Decimal point | Display | Input range(℃) | Input range(℉) | |
| Thermocouple | K (CA) | 1 | KCA.H | -50 to 1200 | -58 to 2192 |
| 0.1 | KCA.L | -50.0 to 999.9 | -58.0 to 999.9 | ||
| J (IC) | 1 | JIC.H | -30 to 800 | -22 to 1472 | |
| 0.1 | JICL | -30.0 to 800.0 | -22.0 to 999.9 | ||
| L (IC) | 1 | LI.H | -40 to 800 | -40 to 1472 | |
| 0.1 | LIC.L | -40.0 to 800.0 | 40.0 to 999.9 | ||
| T (CC) | 1 | TCC.H | -50 to 400 | -58 to 752 | |
| 0.1 | TCC.L | -50.0 to 400.0 | -58.0 to 752.0 | ||
| R (PR) | 1 | RPR | 0 to 1700 | 32 to 3092 | |
| S (PR) | 1 | 5PR | 0 to 1700 | 32 to 3092 | |
| RTD | DPt 100Ω | 1 | DPt.H | -100 to 400 | -148 to 752 |
| 0.1 | DPt.L | -100.0 to 400.0 | -148.0 to 752.0 | ||
| Cu50Ω | 1 | CU5.H | -50 to 200 | -58 to 392 | |
| 0.1 | CU5.L | -50.0 to 200.0 | -58.0 to 392.0 | ||
- The above specifications are subject to change and some models may be discontinued without notice.
- Be sure to follow cautions written in the instruction manual and the technical descriptions (catalog, homepage).
Specifications
| Series | TX4S | TX4M | TX4H | TX4L | ||
| Power supply | 100-240VAC 50/60Hz | |||||
| Allowable voltage range | 90 to 110% of rated voltage | |||||
| Power consumption | Max. 8VA | |||||
| Display method | 11-segments (PV: white, SV: green), other display (yellow) with LCD method※1 | |||||
| Character size | PV(W×H) | 7.2×14mm | 10.7×17.3mm | 7.2×15.8mm | 16×26.8mm | |
| SV(W×H) | 3.9×7.6mm | 6.8×11mm | 6.2×13.7mm | 10.7×17.8mm | ||
| Input type | RTD | DPt100Ω, Cu50Ω (permissible line resistance max. 5Ω) | ||||
| TC | K (CA), J (IC), L (IC), T (CC), R (PR), S(PR) | |||||
| Display accuracy※2 | RTD |
| ||||
| TC | ||||||
| Control output | Relay | 250VAC 3A, 30VDC 3A, 1a | ||||
| SSR | Max. 12VDC ±2V 20mA | Max. 13VDC ±3V 20mA | ||||
| Current | DC4-20mA or DC0-20mA (load resistance max. 500Ω) | |||||
| Option output | Alarm output | AL1, AL2: 250VAC 3A , 30VDC 3A 1a | ||||
| Trans. output | DC4-20mA (load resistance max. 500Ω, output accuracy: ±0.3%F.S.) | |||||
| Com. output | RS485 communication output (Modbus RTU method) | |||||
| Control method | ON/OFF control, P, PI, PD, PID control | |||||
| Hysteresis | 1 to 100℃/℉ (0.1 to 50.0℃/℉) variable | |||||
| Proportional band(P) | 0.1 to 999.9℃/℉ | |||||
| Integral time(I) | 0 to 9999 sec | |||||
| Derivative time(D) | 0 to 9999 sec | |||||
| Control period(T) | 0.5 to 120.0 sec | |||||
| Manual reset | 0.0 to 100.0% | |||||
| Sampling period | 50ms | |||||
| Dielectric strength | 3,000VAC 50/60Hz for 1 min (between primary circuit and secondary circuit) | |||||
| Vibration | 0.75mm amplitude at frequency 5 to 55Hz (for 1 min) in each X, Y, Z direction for 2 hours | |||||
| Relay life cycle | Mechanical | OUT, AL1/2: min 5,000,000 operations | ||||
| Electrical | OUT, AL1/2: min 200,000 (250VAC 3A resistance load) | |||||
| Insulation resistance | Min. 100MΩ (at 500VDC megger) | |||||
| Noise resistance | Square shaped noise by noise simulator (pulse width 1㎲) ±2kV R-phase, S-phase | |||||
| Memory retention | Approx. 10 years (non-volatile semiconductor memory type) | |||||
| Environment | Ambient temp. | -10 to 50℃, storage: -20 to 60℃ | ||||
| Ambient humi. | 35 to 85%RH, storage: 35 to 85%RH | |||||
| Protection structure | IP50 (front panel, IEC standards) | |||||
| Insulation type | Double insulation (mark: , dielectric strength between primary circuit and secondary circuit: 3kV) | |||||
| Approval | ![]() | |||||
| Weight※ | Approx.146.1g (approx. 86.7g) | Approx. 233g (approx. 143g) | Approx. 214g (approx. 133g) | Approx. 290g (approx. 206g) | ||
- When using the unit at low temperature (below 0℃), display cycle is slow.
Control output operates normally. - At room temperature(23℃±5℃)
- TC R(PR), S(PR), below 200℃: (PV ±0.5% or ±3℃, select the higher one) ±1-digit , over 200℃: (PV ±0.5% or ±2℃, select the higher one) ±1-digit
- TC L(IC), RTD Cu50Ω: (PV ±0.5% or ±2℃, select the higher one) ±1-digit
- Out of room temperature range
- TC R(PR), S(PR): (PV ±1.0% or ±5℃, select the higher one) ±1-digit
- TC L(IC), RTD Cu50Ω: (PV ±0.5% or ±3℃, select the higher one) ±1 digit
- The weight includes packaging. The weight in parenthesis is for unit only.
- Environment resistance is rated at no freezing or condensation.
Unit Description
- Measured value (PV) component: RUN mode: Displays current measured value (PV).SETTING mode: Displays parameters.
- Temperature unit(℃/℉) indicator: Displays the set temperature unit as temperature unit [UNIT] of parameter 2 group.
- Setting value (SV) display component: RUN mode: Displays setting value(SV). SETTING mode: Displays setting value of parameter.
- Auto-tuning indicator: Flashes during auto-tuning every 1 sec.
- Control output (OUT1) indicator: Turns ON while control output is ON.
- Turns ON when MV is over 3.0% at cycle/phase control of SSR drive output method.
- Alarm output (AL1, AL2) indicator: Turns ON when the corresponding alarm output turns ON.
- key: Enters parameter group, returns to RUN mode, moves parameters, and saves the setting value.
- Setting value adjustment key: Enters SV setting mode and move digits.
- Digital input key: Press the + keys for 3 sec to execute the digital input key functions which is set at digital input key[DI-K]of parameter 2 group (RUN/STOP,clear alarm output, auto-tuning).

- PC loader port: It is for serial communication to set parameter and monitoring by DAQMaster installed in PC. Use this for connection EXT-US (converter cable, sold separately) + SCM-US (USB/Serial converter, sold separately).

Installation
- TX4S (48×48mm) series

- Other series

- Insert the unit into a panel, fasten the bracket by pushing with tools with a (-) driver.
Comprehensive Device Management Program[DAQMaster]
DAQMaster is a comprehensive device management software for setting parameters and monitoring processes. DAQMaster can be downloaded from our web site at www.autonics.com.
| Item | Minimum specifications |
| System | IBM PC compatible computer with Pentium Ⅲ or above |
| Operations | Windows 98/NT/XP/Vista/7/8/10 |
| Memory | 256MB+ |
| Hard disk | 1GB+ of available hard disk space |
| VGA | Resolution: 1024×768 or higher |
| Others | RS232C serial port (9-pin), USB port |
Connections
TX4S Series
- OUT
- SSR
- 12VDC±2V 20mA Max.
- Current
- DC0/4-20mA
- Load 500ΩMax.
- Relay
- 250VAC 3A 1a
- 30VDC 3A 1a
- RESISTIVE LOAD

TX4M Series

TX4H, L Series

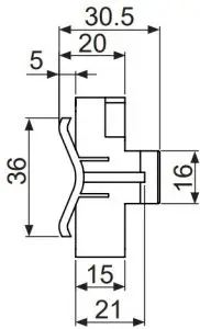
Dimensions
TX4S


TX4M


Bracket
- TX4S Series



- TX4M/H/L Series


- TX4H


- TX4L


Panel cut-out

Terminal cover (sold separately)
- RSA-COVER(48×48mm)




- RMA-COVER(72×72mm)




- RHA-COVER(48×96mm)



- RLA-COVER(96×96mm)




SV Setting
- To change set temperature from 210℃ to 250℃
- If there is no key input for 3 sec while setting SV, the new setting is applied and the unit will return to RUN mode.

Factory Default
SV setting
Parameter | Factory default |
| – | 0 |
Parameter 1 group
Parameter | Factory default |
| AL1 | 1250 |
| AL2 | |
| AT | OFF |
| P | 10.0 |
| 1 | 240 |
| D | 49 |
| REST | 50.0 |
| HY5 | 2 |
Parameter 2 group
Parameter | Factory default | Parameter | Factory default |
| IN-T | KCA.H | AHY5 | 1 |
| UNIT | C | LBA.T | 0 |
| IN-B | 0 | LBA.T | 2 |
| MAvF | 0.1 | FS-L | -50 |
| L-SV | -50 | FS-H | 1200 |
| H-SV | 1200 | ADR5 | 1 |
| O-FT | HEAT | BPS5 | 96 |
| C-MD | PID | PRTY | NONE |
| OUT | CURR | 5TP | 2 |
| SSR.M | 5TND | R5W.T | 20 |
| MA | 4-20 | COMW | EnA |
| T | 20.0 (Relay) | DI-K | STOP |
| 2.0 (SSR drive) | ErMV | 0.0 | |
| AL-1 | AM!A | LOC | OFF |
| AL-2 | AM2.A | ——- | ——– |
Parameter Groups

- Order of parameter setup Parameter 2 group Parameter 1 group SV setting
- All parameters are related one another. Set the parameters as above order.
- If there is no key input for 30 sec while setting parameters, the new settings are ignored, and the unit will return to RUN mode with previous settings.
- When returning to RUN mode by holding the key for over 3 sec, press the key within 1 sec to re-enter the first parameter of previous parameter group.
- Hold the + + keys for 5 sec in RUN mode, to enter re-set parameter menu. Select ‘YES’ and all parameters are reset as factory default.
Parameter 2 group :

- Press any key among
- Press the key once after changing the setting value, to save the setting value and move to the next parameter.
- Hold the key for 3 sec to save the setting value and return to RUN mode after changing the setting value.
- Dotted parameters may not appear by model type or other parameter settings.
- Setting range: Refer to ‘▣ Input Type And Range’.
- When changing the setting value, 5V, [IN-B, H-5V/L-5V, AL1, AL2, LBaB, AHYS] parameters of parameter 2 group are reset.
- When changing the setting value, 5V, [IN-B, H-5V/ L-5V, AL1, AL2, LBaB, AHYS] parameters of parameter 2 group are reset.
- Setting range: -999 to 999℃/℉(-199.9 to 999.9℃/℉
- Setting range: 0.1 to 120.0 sec
- Setting range: Within temperature range of each sensor [H-5V≥(L 5V+1digit)]
- When changing the setting value, and 5V>H-5V, 5V is reset as H-5V.
- When changing the setting value, [ErMV] is reset as )0, [DI-K] is reset as OFF.
- Appears only in selectable current output or SSR drive output model(TX4 – 4C).
- Appears only in SSR drive output model (TX4 – 4S).
- Appears only when control output[OUT] is set as CURR.Setting range: 0.5 to 120.0 sec
- Appears only when control method[C-MD] is PID.
- Does not appear when SSR drive output is set as CYCL, or PHAS.
- Press the key to switch ‘Alarm operation’ ‘Alarm option’ setting.
- Set method is same as AL1 alarm operation[AL-1].
- Appears only in alarm output 2 models.
- Setting range: 1 to 100℃/℉(0.1 to 50.0℃/℉)
- Does not appear when AL1/AL2 alarm operation[AL-1, AL-2] is set as AM)_/SBa /LBa .
- Setting range: 0 to 9999 sec (automatically set during auto-tuning)
- Appears only when alarm operation[AL-1, AL-2] is set as LBa .
- Setting range: 0 to 999℃/℉ (0.0 to 999.9℃/℉) (automatically set during auto-tuning)
- Appears only when alarm operation [AL-1, AL-2] is set as LBa and [LBaT] is not set as 0.
- Setting range: Refer to ‘▣ Input Type and Range’.
- Appears only in transmission output model(TX4 -A4 ).
- Setting range: 1 to 127
- Setting range: 24, 48, 96, 192, 384 bps Multiply 100 to read the setting value.
- Setting range: 5 to 99ms
- Setting range: 0.0 to 100.0%
- Only )0(OFF)/10)0(ON) appear when control method [C-MD] is set as ONOF.
- When control method [C-MD] is changing PID↔ONOF and the setting value is below 10)0, it is reset as )0.
- Appears in RS485 communication output model(TX4 -B4 ).
- AT does not appear when control method [C-MD] is set as ONOF.
Setting range :
OFF | Unlock |
| LOC1 | Parameter 2 group lock |
| LOC2 | Parameter 1,2 group lock |
| LOC3 | Parameter 1,2 group, SV setting lock |
Alarm
Set both alarm operation and alarm option by combining. Each alarm operates individually in two alarm output models. When the current temperature is out of alarm range, alarm clears automatically. If alarm option is alarm latch or alarm latch and standby sequence 1/2, press digital input key( + 3 sec, digital input key[DI-K] of parameter 2 group set as AlRE), or turn OFF the power and turn ON to clear alarm.
Mode | Name | Alarm operation | Description | |
| A )_ | – | – | No alarm output | |
| A ! | Deviation high-limit alarm | OFF H ON SV PV 100℃110℃ High-limit deviation: Set as 10℃ | OFF H ON PV SV 90℃ 100℃ High-limit deviation: Set as -10℃ | If deviation between PV and SV as high-limit is higher than set value of deviation temperature, the alarm output will be ON. |
| A @ | Deviation low-limit alarm | ON H OFF PV SV 90℃ 100℃ Low-limit deviation: Set a 10℃ | ON H OFFSV PV100℃ 110℃ Low-limit deviation: Set as -10℃ | If deviation between PV and SV as low-limit is higher than set value of deviation temperature, the alarm output will be ON. |
| A # | Deviation high/low- limit alarm | ON H OFF H ON PV SV PV 90℃ 100℃ 110℃ High, Low-limit deviation: Set as 10℃ | If deviation between PV and SV as high/low-limit is higher than set value of deviation temperature, the alarm output will be ON. | |
|
A $ | Deviation high/low- limit reserve alarm | OFF H ON H OFF PV SV PV 90℃ 100℃ 110℃ High, Low-limit deviation: Set as 10℃ | If deviation between PV and SV as high/low-limit is higher than set value of deviation temperature, the alarm output will be OFF. | |
| A % | Absolute value high limit alarm | OFF H O PV SV 90℃ 100℃ Alarm absolute-value: Set as 90℃ | OFF H ON SV PV 100℃ 110℃ Alarm absolute-value: Set as 110℃ | If PV is higher than the absolute value, the output will be ON. |
|
A ^ | Absolute value low limit alarm | ON H OFF
PV SV 90℃ 100℃ Alarm absolute-value: Set as 90℃ | ON H OFF
SV PV 100℃ 110℃ Alarm absolute-value: Set as 110℃ | If PV is lower than the absolute value, the output will be ON. |
| SBa | Sensor break alarm | – | It will be ON when it detects sensor disconnection. | |
| LBa | Loop break alarm | – | It will be ON when it detects loop break. | |
- H: Alarm output hysteresis [AHYS]
Alarm option :
Option | Name | Description |
| AM .A | Standard alarm | If it is an alarm condition, alarm output is ON. If it is a clear alarm condition, alarm output is OFF. |
| AM .B | Alarm latch | If it is an alarm condition, alarm output is ON and maintains ON status. (Alarm output HOLD) |
| AM .C | Standby sequence 1 | First alarm condition is ignored and from second alarm condition, standard alarm operates. When power is supplied and it is an alarm condition, this first alarm condition is ignored and from the second alarm condition, standard alarm operates. |
| AM .D | Alarm latch and standby sequence 1 | If it is an alarm condition, it operates both alarm latch and standby sequence. When power is supplied and it is an alarm condition, this first alarm condition is ignored and from the second alarm condition, alarm latch operates. |
| AM .E | Standby sequence 2 | First alarm condition is ignored and from second alarm condition, standard alarm operates. When re-applied standby sequence and if it is alarm condition, alarm output does not turn ON. After clearing alarm condition, standard alarm operates. |
| AM .F | Alarm latch and standby sequence 2 | Basic operation is same as alarm latch and standby sequence 1. It operates not only by power ON/OFF, but also alarm setting value, or alarm option changing. When re-applied standby sequence and if it is alarm condition, alarm output does not turn ON. After clearing alarm condition, alarm latch operates. |
- Condition of re-applied standby sequence for standby sequence 1, alarm latch and standby sequence
- Power ON Condition of re-applied standby sequence for standby sequence 2, alarm latch and standby sequence
- Power ON, changing set temperature, alarm temperature [AL1, AL2] or alarm operation [AL-1, AL-2], switching STOP mode to RUN mode.
Sensor break alarm : The function that alarm output will be ON when sensor is not connected or when sensor’s disconnection is detected during temperature controlling. You can check whether the sensor is connected with buzzer or other units using alarm output contact. It is selectable between standard alarm [SBaA] or alarm latch [SBaB].
Functions
Input correction[IN-B] Controller itself does not have errors but there may be error by external input temperature sensor. This function is for correcting this error. Ex) If actual temperature is 80℃ but controller displays 78℃, set input correction value [IN-B] as ‘2’ and controller displays 80℃.
- As the result of input correction, if current temperature value (PV) is over each temperature range of input sensor, it displays HHHH or LLLL.
Input digital filter[MAvF] : If current temperature (PV) is fluctuating repeatedly by rapid change of input signal, it reflects to MV and stable control is impossible. Therefore, digital filter function stabilizes current temperature value. For example, set input digital filter value as 0.4 sec, and it applies digital filter to input values during 0.4 sec and displays these values. Current temperature may be different by actual input value.
SSR drive output method (SSRP function)[SSrM]
- SSRP function is selectable one of standard ON/OFF control, cycle control, phase control by utilizing standard SSR drive output.
- This function parameter appears only in SSR drive output model (TX4 – 4S).
- Realizing high accuracy and cost effective temperature control with both current output (4-20mA) and linear output(cycle control and phase control)
- Select one of standard ON/OFF control [STND], cycle control [CYCL] , phase control [PHAS] at SSrM parameter of parameter 2 group. For cycle control, connect a zero cross turn-on SSR or random turn-on SSR. For phase control, connect random turn-on SSR.

When selecting cycle or phase control mode, the power supply for a load and a temperature controller must be the same. Control cycle[T] is able to set only when control method[C-MD]of parameter group 2 is set as PID and SSR drive output method [SSrM] is set as STND In case of selectable current output or SSR drive output model(TX4 – 4C), this parameter does not appear. Standard ON/OFF control by SSR is only available.
- Standard ON/OFF control [STND] Controls ON (100% output)/OFF (0% output) as same as standard relay output.

- Cycle control [CYCL] Controls the load by repeating output ON / OFF according to the rate of output within setting cycle based on certain period (50-cycle). Control accuracy is almost the same with phase control’s. This control has improved ON/ OFF noise than phase control’s due to zero cross type which turns ON/OFF at zero point of AC.


- Phase control [PHAS] Controls the load by controlling the phase within AC half cycle.Serial control is available. Must use random turn-on SSR for this mode.


Current output range[oMA] : In case of selectable current output or SSR drive output model(TX4S- 4C), when control output [OUT] parameter 2 group is set as [CURR], you can select high/low-limit range, 4-20mA [4-20] or 0-20mA [0-20] of current output.
Hysteresis[HYS] : Set interval between ON and OFF of control output for ON/OFF control.
- If hysteresis is too narrow, hunting(oscillation, chattering) could occur due to external noise.
- In case of ON / OFF control mode, even if PV reaches stable status, there still occurs hunting. It could be due to hysteresis [HYS] setting value, load’s response characteristics or sensor’s location. In order to reduce hunting to a minimum, it is required to take into following factors consideration when designing temp. controlling; proper Hysteresis [HYS], heater’s capacity, thermal characteristics, sensor’s response and location.

Loop break alarm(LBA) : It checks control loop and outputs alarm by temperature change of the subject. For heating control(cooling control), when control output MV is 100%(0% for cooling control) and PV is not increased over than LBA detection band [LBaB] during LBA monitoring time [LBaT], or when control output MV is 0%(100% for cooling
control) and PV is not decreased below than LBA detection band [LBaB] during LBA monitoring time [LBaT], alarm output turns ON.
Start control to 1 : When control output MV is 100%, PV is increased over than LBA detection band [LBaB] during LBA monitoring time [LBaT].
1 to 2 : The status of changing control output MV (LBA monitoring time is reset.)
2 to 3 : When control output MV is 0% and PV is not decreased below than LBA detection band [LBaB] during LBA monitoring time [LBaT], loop break alarm (LBA) turns ON after LBA monitoring time.
3 to 4 : Control output MV is 0% and loop break alarm (LBA) turns and maintains ON.
4 to 6 : The status of changing control output MV (LBA monitoring time is reset.)
6 to 7 : When control output MV is 100% and PV is not increased over than LBA detection band [LBaB] during LBA monitoring time [LBaT], loop break alarm (LBA) turns ON after LBA monitoring time.
7 to 8 : When control output MV is 100% and PV is increased over than LBA detection band [LBaB] during LBA monitoring time [LBaT], loop break alarm (LBA) turns OFF after LBA monitoring time.
8 to 9 : The status of changing control output MV (LBA monitoring time is reset.)
- When executing auto-tuning, LBA detection band[LBaB] and LBA monitoring time are automatically set based on auto tuning value. When alarm operation mode [AL-1, AL-2] is set as loop break alarm(LBA)[LBa ], LBA detection band [LBaB] and LBA monitoring time [LBaT] parameter is displayed.
Digital input key( + 3 sec)[DI-K]
Parameter | Operation | |
| OFF | OFF | It does not use digital input key function. |
|
RUN/STOP |
STOP | Pauses control output. Auxiliary output (except loop break alarm, sensor break alarm) except Control output operates as setting. Hold the digital input keys for 3 sec to restart. Digital input key (t: over 3 sec)
|
| Clear alarm | AlRE | Clears alarm output by force. (only when alarm option is alarm latch, or alarm latch and standby sequence 1/2 .) This function is applied when present value is out of alarm operation range but alarm output is ON. Alarm operates normally right after clearing alarm. |
|
Auto-tuning |
AT | Starts/Stops auto-tuning. This function is same as auto-tuning[AT] of parameter 1 group. (You can start auto-tuning [AT] of parameter 1 group and stop it by digital input key.) ※This parameter AT appears only when control method [C- D] parameter 2 group is set as PID. When control method [C- D] parameter 2 group is set as O OF, this parameter is changed as OFF. |
Control output MV for input break[ErMV] : When input sensor is break, set control output MV. When control method[C-MD] of parameter 2 group is set as ONOF, set control output MV as )0(OFF) or10)0(ON). When control method[C-MD] is set as PID, setting range for control output MV is )0 to 10)0.
Communication Setting
It is for parameter setting and monitoring via external devices (PC, PLC, etc.). Applicable for models with RS485 communication output through option output(TX4 -B4 ). Please refer to ‘ Ordering Information’.
Interface
| Comm. protocol | Modbus RTU | Comm. speed | 4800, 9600 (default), 19200, 38400, 115200 bps |
| Connection type | RS485 | Response waiting time | 5 to 99ms (default: 20ms) |
| Application standard | EIA RS485 Compliance with | Start bit | 1-bit (fixed) |
| Max. connection | 31 units (address: 01 to 127) | Data bit | 8-bit (fixed) |
| Synchronous method | Asynchronous | Parity bit | None (default), Odd, Even |
| Comm. method | Two-wire half duplex | Stop bit | 1-bit, 2-bit (default) |
| Comm. effective range | Max. 800m | ||
Application of system organization
- It is recommended to use Autonics communication converter; SCM-WF48 (Wi-Fi to RS485·USB wireless communication converter, sold separately), SCM-US48I (USB to RS485 converter, sold separately), SCM-38I(RS232C to RS485 converter, sold separately), SCM-US (USB to Serial converter, sold separately). Please use twisted pair wire, which is suitable for RS485 communication, for SCM-WF48, SCM-US48I and SCM-38I.

Manual
For the detail information and instructions of communication setting and Modbus mapping table, please refer to user manual for communication, and be sure to follow cautions written in the technical descriptions (catalog, homepage).
Visit our homepage (www.autonics.com) to download manuals.
Error
| Display | Description | Troubleshooting |
| OPEN | Flashes when input sensor is disconnected or sensor is not connected. | Check input sensor status. |
| HHHH | Flashes when measured value is higher than input range. | When input is within the rated input range, this display disappears. |
| LLLL | Flashes when measured value is lower than input range. |
Cautions during Use
- Follow instructions in ‘Cautions during Use’. Otherwise, It may cause unexpected accidents.
- Check the polarity of the terminals before wiring the temperature sensor. For RTD temperature sensor, wire it as 3-wire type, using cables in same thickness and length. For thermocouple (CT) temperature sensor, use the designated compensation wire for extending wire.
- Keep away from high voltage lines or power lines to prevent inductive noise. In case installing power line and input signal line closely, use line filter orvaristor at power line and shielded wire at input signal line. Do not use near the equipment which generates strong magnetic force or high frequency noise.
- Do not apply excessive power when connecting or disconnecting the connectors of the product.
- Install a power switch or circuit breaker in the easily accessible place for supplying or disconnecting the power.
- Do not use the unit for other purpose (e.g. voltmeter, ammeter), but temperature controller
- When changing the input sensor, turn off the power first before changing. After changing the input sensor, modify the value of the corresponding parameter.
- Do not overlapping communication line and power line. Use twisted pair wire for communication line and connect ferrite bead at each end of line to reduce the effect of external noise.
- Make a required space around the unit for radiation of heat. For accurate temperature measurement, warm up the unit over 20 min after turning on the power.
- Make sure that power supply voltage reaches to the rated voltage within 2 sec after supplying power.
- Do not wire to terminals which are not used.
- This unit may be used in the following environments.
- Indoors (in the environment condition rated in ‘Specifications’)
- Altitude max. 2,000m
- Pollution degree 2.
Major Products
- Photoelectric Sensors Temperature Controllers
- Fiber Optic Sensors Temperature/Humidity Transducers
- Door Sensors SSR/Power Controllers
- Door Side Sensors Counters
- Area Sensors Timers
- Proximity Sensors Panel Meters
- Pressure Sensors Tachometer/Pulse(Rate)Meters
- Rotary Encoders Display Units
- Connector/Sockets Sensor Controllers
- Switching Mode Power Supplies
- Control Switches/Lamps/Buzzers
- I/O Terminal Blocks & Cables
- Stepper Motors/Drivers/Motion Controllers
- Graphic/Logic Panels
- Field Network Devices
- Laser Marking System(Fiber, Co₂, Nd:yag)
- Laser Welding/Cutting System.
Contact us
Autonics Corporation
HEADQUARTERS :
- 18, Bansong-ro 513beon-gil, Haeundae-gu, Busan, South Korea, 48002
- TEL: 82-51-519-3232
- E-mail: [email protected]

























































