Autonics TX4S TX Series LCD PID temperature Controllers
INSTRUCTION MANUAL
Thank you for choosing our Autonics product. Read and understand the instruction manual and manual thoroughly before using the product. For your safety, read and follow the below safety considerations before using. For your safety, read and follow the considerations written in the instruction manual, other manuals and Autonics website. Keep this instruction manual in a place where you can find easily. The specifications, dimensions, etc are subject to change without notice for product improvement Some models may be discontinued without notice. Follow Autonics website for the latest information.
Safety Considerations
- Observe all ‘Safety Considerations’ for safe and proper operation to avoid hazards.
- symbol indicates caution due to special circumstances in which hazards may occur.
Warning Failure to follow instructions may result in serious injury or death
- Fail-safe device must be installed when using the unit with machinery that may cause serious injury or substantial economic loss.(e.g. nuclear power control, medical equipment, ships, vehicles, railways, aircraft, combustion apparatus, safety equipment, crime/disaster prevention devices, etc.) Failure to follow this instruction may result in personal injury, economic loss or fire.
- Do not use the unit in the place where flammable/explosive/corrosive gas, high humidity, direct sunlight, radiant heat, vibration, impact or salinity may be present.
Failure to follow this instruction may result in explosion or fire. - Install on a device panel to use.
ailure to follow this instruction may result in fire or electric shock. - Do not connect, repair, or inspect the unit while connected to a power source.
Failure to follow this instruction may result in fire or electric shock. - Check ‘Connections’ before wiring.
Failure to follow this instruction may result in fire. - Do not disassemble or modify the unit.
Failure to follow this instruction may result in fire or electric shock.
Caution Failure to follow instructions may result in injury or product damage
- When connecting the power input and relay output, use AWG 20 (0.50 mm2) cable or over, and tighten the terminal screw with a tightening torque of 0.74 to 0.90 N m. When connecting the sensor input and communication cable without dedicated cable, use AWG 28 to 16 cable and tighten the terminal screw with a tightening torque of 0.74 to 0.90 N m.
Failure to follow this instruction may result in fire or malfunction due to contact failure. - Use the unit within the rated specifications.
Failure to follow this instruction may result in fire or product damage - Use a dry cloth to clean the unit, and do not use water or organic solvent. Failure to follow this instruction may result in fire or electric shock.
- Keep the product away from metal chip, dust, and wire residue which flow into the unit.
Failure to follow this instruction may result in fire or product damage.
Cautions during Use
- Follow instructions in ‘Cautions during Use’. Otherwise, it may cause unexpected accidents.
- Check the polarity of the terminals before wiring the temperature sensor. For RTD temperature sensor, wire it as 3-wire type, using cables in same thickness and length. For thermocouple (TC) temperature sensor, use the designated compensation wire for extending wire.
- Keep away from high voltage lines or power lines to prevent inductive noise. In case installing power line and input signal line closely, use line filter or varistor at power line and shielded wire at input signal line. Do not use near the equipment which generates strong magnetic force or high frequency noise.
- Do not apply excessive power when connecting or disconnecting the connectors of the product.
- Install a power switch or circuit breaker in the easily accessible place for supplying or disconnecting the power.
- Do not use the unit for other purpose (e.g. voltmeter, ammeter), but temperature controller.
- When changing the input sensor, turn off the power first before changing. After changing the input sensor, modify the value of the corresponding parameter.
- Do not overlapping communication line and power line. Use twisted pair wire for communication line and connect ferrite bead at each end of line to reduce the effect of external noise.
- Make a required space around the unit for radiation of heat. For accurate temperature measurement, warm up the unit over 20 min after turning on the power.
- Make sure that power supply voltage reaches to the rated voltage within 2 sec after supplying power.
- Do not wire to terminals which are not used.
- This unit may be used in the following environments.
- Indoors (in the environment condition rated in ‘Specifications’)
- Altitude Max. 2,000 m
- Pollution degree 2
- Installation category II
Ordering Information
This is only for reference, the actual product does not support all combinations. For selecting the specified model, follow the Autonics website . 
Product Components
- Product
- Bracket
- Instruction manual
Manual
For proper use of the product, refer to the manuals and be sure to follow the safety considerations in the manuals. Download the manuals from the Autonics website.
Software
Download the installation file and the manuals from the Autonics website.
DAQMaster
DAQMaster is a comprehensive device management program. It is available for parameter setting, and monitoring.
Sold Separately
- Terminal protection cover: RSA / RMA / RHA / RLA Cover
- Communication converter: SCM Series
Specifications
| Series | TX Series | |
| Power supply | 100 – 240 VACᜠ 50/60 Hz ±10% | |
| Power consumption | ≤ 8 VA | |
| Sampling period | 50 ms | |
| Input specification | Refer to ‘Input Type and Using Range’. | |
| Control output | Relay | 250 VACᜠ 3 A, 30 VDCᜡ 3 A, 1a |
| SSR | TX4S: 12 VDCᜡ ±2 V, ≤ 20 mA TX4M/H/L: 13 VDCᜡ ±3 V, ≤ 20 mA | |
| Current | DC 4-20 mA or DC 0-20 mA (parameter), Load resistance: ≤ 500 Ω | |
| Alarm output | Relay | AL1/2: 250 VACᜠ 3 A 1a |
| Option output | PV transmission | DC 4 – 20 mA (Load resistance: ≤ 500 Ω, Output Accuracy: ±0.3% F.S.) |
| RS485 Comm. | Modbus RTU | |
| Display type | 11 Segment (Red, Green, Yellow), LCD type | |
| Control type | Heating, Cooling | ON/OFF, P, PI, PD, PID Control |
| Heating&Cooling | ||
| Hysteresis | 1 to 100 (0.1 to 50.0) ℃/℉ | |
| Proportional band (P) | 0.1 to 999.9 ℃/℉ | |
| Integral time (I) | 0 to 9,999 sec | |
| Derivative time (D) | 0 to 9,999 sec | |
| Control cycle (T) | 0.5 to 120.0 sec | |
| Manual reset | 0.0 to 100.0% | |
| Relay life cycle | Mechanical | ≥ 5,000,000 operations |
| Electrical | ≥ 200,000 operations (resistance load: 250 VACᜠ 3 A) | |
| Dielectric strength | Between all terminals and case: 3,000 VACᜠ 50/60 Hz for 1 min | |
| Vibration | 0.75 mm amplitude at frequency 5 to 55Hz (for 1 min) in each X, Y, Z direction for 2 hours | |
| Insulation resistance | ≥ 100 MΩ (500 VDCᜡ megger) | |
| Noise immunity | ±2 kV square shaped noise (pulse width 1 ㎲) by noise simulator R-phase, S-phase | |
| Memory retention | ≈ 10 years (non-volatile semiconductor memory type) | |
| Ambient temperature | -10 to 50 ℃, storage: -20 to 60 ℃ (no freezing or condensation) | |
| Ambient humidity | 35 to 85%RH, storage: 35 to 85%RH (no freezing or condensation) | |
| Protection structure | IP50 (Front panel, IEC standards) | |
| Insulation type | Double or reinforced insulation (mark: ▱, dielectric strength between primary circuit and secondary circuit: 3 kV) | |
| Approval | ᜢ ᜧ ᜫ | |
| Unit weight (packaged) | • TX4S: ≈ 87 g (≈ 146 g) • TX4M: ≈ 143 g (≈ 233 g) • TX4H: ≈ 133 g (≈ 214 g) • TX4L: ≈ 206 g (≈ 290 g) | |
Communication Interface
RS485
| Comm. protocol | Modbus RTU |
| Application standard | EIA RS485 compliance with |
| Maximum connection | 31 units (address: 01 to 127) |
| Synchronous method | Asynchronous |
| Comm. method | Two-wire half duplex |
| Comm. effective range | ≤ 800 m |
| Comm. speed | 2,400 / 4,800 / 9,600 (default) / 19,200 / 38,400 bps (parameter) |
| Response time | 5 to 99 ms (default: 20 ms) |
| Start bit | 1 bit (fixed) |
| Data bit | 8 bit (fixed) |
| Parity bit | None (default), Odd, Even |
| Stop bit | 1 bit, 2 bit (default) |
Input Type and Using Range
The setting range of some parameters is limited when using the decimal point display.
| Input type | Decimal point | Display | Using range (℃) | Using range (℉) | |
|
Thermo -couple | K (CA) | 1 | KCaH | -50 to 1,200 | -58 to 2,192 |
| 0.1 | KCaL | -50.0 to 999.9 | -58.0 to 999.9 | ||
| J (IC) | 1 | JIcH | -30 to 800 | -22 to 1,472 | |
| 0.1 | JIcL | -30.0 to 800.0 | -22.0 to 999.9 | ||
| L (IC) | 1 | LIcH | -40 to 800 | -40 to 1,472 | |
| 0.1 | LIcL | -40.0 to 800.0 | -40.0 to 999.9 | ||
| T (CC) | 1 | TCcH | -50 to 400 | -58 to 752 | |
| 0.1 | TCcL | -50.0 to 400.0 | -58.0 to 752.0 | ||
| R (PR) | 1 | RPR | 0 to 1,700 | 32 to 3,092 | |
| S (PR) | 1 | SPR | 0 to 1,700 | 32 to 3,092 | |
| RTD | Cu50 Ω | 1 | CUsH | -50 to 200 | -58 to 392 |
| 0.1 | CUsL | -50.0 to 200.0 | -58.0 to 392.0 | ||
| DPt100 Ω | 1 | DPtH | -100 to 400 | -148 to 752 | |
| 0.1 | DPtL | -100.0 to 400.0 | -148.0 to 752.0 | ||
Display accuracy
| Input type | Using temperature | Display accuracy |
|
Thermocouple RTD |
At room temperature (23℃ ±5 ℃) | (PV ±0.3% or ±1 ℃ higher one) ±1-digit • Thermocouple R, S below 200 ℃: (PV ±0.5% or ±3 ℃ higher one) ±1-digit Over 200 ℃: (PV ±0.5% or ±2℃ higher one) ±1digit • Thermocouple L, RTD Cu50 Ω: (PV ±0.5% or ±2 ℃ higher one) ±1-digit |
| Out of room temperature range | (PV ±0.5% or ±2 ℃ higher one) ±1-digit • Thermocouple R, S: (PV ±1.0% or ±5 ℃ higher one) ±1digit • Thermocouple L, RTD Cu50 Ω: (PV ±0.5% or ±3 ℃ higher one) ±1digit |
Unit Descriptions
1. PV display part (White)
- Run mode: displays PV (Present value)
- Setting mode: displays parameter name
2. SV display part (Green)
- Run mode: displays SV (Setting value)
- Setting mode: displays parameter setting value
Input key
| Display | Name |
| [MODE] | Mode key |
| [◀], [▼], [▲] | Setting value control key |
Indicator
| Display | Name | Description |
| ℃, %, ℉ | Unit | Displays selected unit (parameter) |
| AT | Auto tuning | Flashes during auto tuning every 1 sec |
| OUT1 | Control output | Turns ON when control output 1 is ON |
| AL1/2 | Alarm output | Turns ON when each alarm output is ON |
PC loader port: For connecting communication converter (sold separately).
Errors
| Display | Description | Troubleshooting |
| OPEN | Flashes when input sensor is disconnected or sensor is not connected. | Check input sensor status. |
| HHHH | Flashes when PV is higher than input range. | When input is within the rated input range, this display disappears. |
| LLLL | Flashes when PV is lower than input range. |
Dimensions
- Unit: mm, For the detailed drawings, follow the Autonics website.
- Bracket
- Below is based on TX4S Series.

Body Panel cut-out A B C D E F G H I TX4S 48 48 6 45 44.8 ≥ 65 ≥ 65 45+0.6 0
45+0.6 0
TX4M 72 72 6 45 67.5 ≥ 90 ≥ 90 68+0.7 0
68+0.7 0
TX4H 48 96 6 45 91.5 ≥ 65 ≥ 115 45+0.6 0
92+0.8 0
TX4L 96 96 6 45 91.5 ≥ 115 ≥ 115 92+0.8 0
92+0.8 0
Bracket
Installation Method
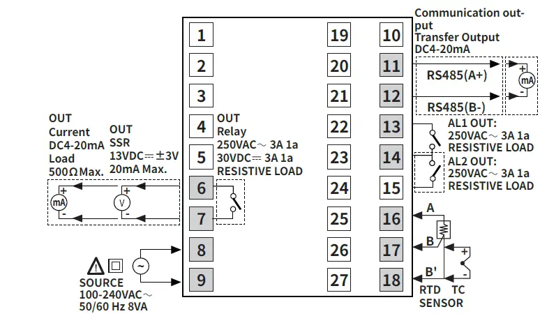
Connections
- Shaded terminals are standard model.
TX4S
TX4M
TX4H/L
Crimp Terminal Specifications
- Unit: mm, Use the crimp terminal of follow shape.

Mode Setting
Parameter Setting
- Some parameters are activated/deactivated depending on the model or setting of other parameters. Refer to the descriptions of each item.
- [MODE] key: Move to next item after saving / Return to RUN mode after saving (≥ 3 sec) / Return to previous parameter after saving (within 1 sec returning to RUN mode) [◀] key: Select parameter / Move digits / Return to the upper level without saving (≥ 2 sec) / Return to RUN mode without saving (≥ 3 sec) [▲], [▼] key: Select parameter / Change setting value
- Return to the upper level without saving when there is no key input for more than 30 seconds.
- The range in parentheses ‘( )’ is the setting range when the set value of the ‘input specification’ parameter is used with one decimal point.
- Recommended parameter setting sequence: Parameter 2 group → Parameter 1 group → SV setting mode
Parameter 1 group
| Parameter | Display | Default | Setting range | Condition | |
| 1-1 | AL1 alarm temperature | AL1 | 1250 | Deviation alarm: -F.S. to F.S. ℃/℉ Absolute value alarm: Within input range | 2-16/19 AL1/2 alarm Operation: AM1 to AM6, HBA |
| 1-2 | AL2 alarm temperature | AL2 | 1250 | [Alarm output2 model] Same as 1-1 AL1 alarm temperature | |
| 1-3 | Auto tuning | AT | OFF | OFF: Stop, ON: Execution | – |
| 1-4 | Proportional band | P | 1)0 | 0.1 to 999.9 ℃/℉ | 2-8 Control type: PID |
| 1-5 | Integral time | I | 240 | 0 (OFF) to 9,999 sec | |
| 1-6 | Derivative time | D | 49 | 0 (OFF) to 9,999 sec | |
| 1-7 | Manual reset | REST | 5)0 | 0.0 to 100.0% | 2-8 Control type: PID & 1-5 Integral time: 0 |
| 1-8 | Hysteresis | HYS | 2 | 1 to 100 (0.1 to 50.0) ℃/℉ | 2-8 Control type: ONOF |
Parameter 2 group
| Parameter | Display | Default | Setting range | Condition | |
| 2-1 | Input specification 01) | IN-T | KCaH | Refer to ‘Input Type and Using Range’ | – |
| 2-2 | Temperature unit 01) | UNIT | ?C | ℃, ℉ | – |
| 2-3 | Input correction | IN-B | 0 | -999 to 999 (-199.9 to 999.9) ℃/℉ | – |
| 2-4 | Input digital filter | MAvF | )1 | 0.1 to 120.0 sec | – |
| 2-5 | SV low limit 02) | L-SV | -50 | Within ‘2-1 Input specification: using range’ L-SV ≤ H-SV – 1-digit ℃/℉ H-SV ≥ L-SV + 1-digit ℃/℉ | – |
| 2-6 | SV high limit 02) | H-SV | 1200 | – | |
| 2-7 | Control output mode | O-FT | HEAT | HEAT: Heating, COOL: Cooling | – |
| 2-8 | Control type 03) | C-MD | PID | PID, ONOF : ON/OFF | – |
| 2-9 | Control output | OUT | CURR | [Selectable current or SSR drive output model] CURR: Current, SSR | – |
| 2-10 | SSR drive output type | SSrM | STND | [SSR drive output model] STND, CYCL, PHAS | – |
| 2-11 | Current output range | oMA | 4-20 | 4-20: 4-20 mA, 0-20: 0-20 mA | 2-9 Control output: CURR |
| 2-12 | Control cycle | T | 2)0 | 0.5 to 120.0 sec | 2-8 Control type: PID or 2-10 SSR drive output type: STND |
|
2-13 |
AL1 alarm operation |
AL-1 |
AM!A □□□.■ | □□□ AM0: Off AM1: Deviation high limit alarm AM2: Deviation low limit alarm AM3: Deviation high, low limit alarm AM4: Deviation high, low reverse alarm AM5: Absolute value high limit alarm AM6: Absolute value low limit alarm SBA: Sensor break alarm LBA: Loop break alarm (LBA) |
– |
|
2-14 |
AL1 alarm option | ■ A: Standard alarm B: Alarm latch C: Standby D: Alarm latch and sequence 1 standby sequence 1 E: Standby F: Alarm latch and sequence 2 standby sequence 2 • Enter to option setting: Press [◀] key in 2-13 AL-1 alarm operation. |
– | ||
| 2-15 | AL2 alarm operation | AL-2 | AM!A | [Alarm output2 model] Same as ‘2-13/14 AL1 alarm operation/ option’ | – |
| 2-16 | AL2 alarm option | ||||
| 2-17 | Alarm output hysteresis | AHYS | 1 | 1 to 100 (0.1 to 50.0) ℃/℉ | 2-13/14 AL1/2 alarm operation: AM1 to 6 |
| 2-18 | LBA time | LBaT | 0 | 0 (OFF) to 9,999 sec or auto 04) | 2-13/14 AL1/2 alarm operation: LBA |
|
2-19 |
LBA band |
LBaB |
2 |
0 (OFF) to 999 (0.0 to 999.9) ℃/℉ or auto 05) | 2-13/14 AL1/2 alarm operation: LBA & 2-18 LBA time: > 0 |
| 2-20 | Transmission output low limit | FS-L | -50 | [PV transmission output model] Refer to ‘Input Type and Using Range’ |
– |
| 2-21 | Transmission output high limit | FS-H | 1200 | ||
| 2-22 | Comm. address | ADRS | 1 | [Communication output model] 1 to 127 | – |
| 2-23 | Comm. speed | BPS | 96 | [Communication output model] 24, 48, 96, 192, 384 (×100) bps | – |
| 2-24 | Comm. parity bit | PRTY | NONE | [Communication output model] NONE, EVEN, ODD | – |
| 2-25 | Comm. stop bit | STP | 2 | [Communication output model] 1, 2 bit | – |
| 2-26 | Response time | RSwT | 20 | [Communication output model] 5 to 99 ms | – |
| 2-27 | Comm. write | COMW | EnA | [Communication output model] EN.A: Enable, DIS.A: Disable | – |
| 2-28 | Digital input key | DI-K | STOP | STOP: Stop control output, AL.RE: Alarm reset, AT*: Execute auto tuning, OFF | *2-8 Control type: PID |
| 2-29 | Sensor error, MV | ErMV | )0 | 0.0: OFF, 100.0: ON | 2-8 Control type: ONOF |
| 0.0 to 100.0% | 2-8 Control type: PID | ||||
| 2-30 | Lock | LOC | OFF | OFF LOC1: Lock parameter 2 group LOC2: Lock parameter 1/2 group LOC3: Lock parameter 1/2 group, SV setting | – |
- Below parameters are initialized when the setting value is changed.
- Parameter 1 group: AL1/2 alarm temperature,
- Parameter 2 group: Input correction, SV high/low limit, LBA band, Alarm output Hysteresis
- If SV is lower/higher than low/high limit when the value is changed, SV is changed to the low/high limit value.
- When changing the value from PID to ONOF, each value of following parameter is changed. -28 Digital input key: OFF, 2-29 Sensor error, MV: 0.0 (Setting value is lower than 100.0)
- After auto tuning, the range is set as twice of the integral time automatically. If the previous setting value is outside of the range automatically set, it is set to the nearest Max. or Min. value of the range.
- After auto tuning, the range is set as 10% of the proportion band automatically. If the previous setting value is outside of the range automatically set, it is set to the nearest Max. or Min value of the range.























