Auber Instruments SYL-2352 PID Temperature Controller
Caution
- This controller is intended to be used with proper safety equipment under normal operating conditions. Failure or malfunction of the controller may result in personal injury or damage to the equipment or other property, devices (limit or safety controls) or systems (alarm or supervisory) intended to warn of or protect against failure or malfunction of the controller. To prevent harm to you and to the equipment, this item must be incorporated into and maintained as a part of the control system under the appropriate environment.
- Installing the rubber gasket supplied will protect the controller front panel from dust and water splash (IP54 rating). Additional protection is needed for a higher IP ratings.
- This controller carries a 90-day warranty. This warranty is limited to the controller only.
Specifications
| Input type | Thermocouple (TC): K, E, S, N, J, T, B, WRe5/ 26; RTD (Resistance Temperature Detector): Pt100, Cu50 DC Voltage: 0~5V, 1~5V, 0~1V, -100~100mV, – 20~20mV, -5~5V, 0.2~1V DC current: 0~10mA, 1~10mA, 4~20mA. (Use external shunt resistor for higher current) |
| Input range | Please see section 4.7 for detail. |
| Accuracy | ± 0.2% Full scale: RTD, linear voltage, linear current and thermocouple input with ice point compensation or Cu50 copper compensation. 0.2% Full scale or ± 2 ºC: Thermocouple input with internal automatic compensation. Note: For thermocouple B, the measurement accuracy of ± 0.2% can only be guaranteed when input range is between 600~1800 ºC. |
| Response time | ≤ 0.5s (when FILt = 0) |
| Display resolution | 1°C, 1°F; or 0.1°C |
| Control mode | Fuzzy logic enhanced PID control On-off control Manual control |
| Output mode | SSR voltage output: 12VDC/30mA |
| Alarm output | Relay contact (NO): 250VAC/1A, 120VAC/3A, 24V/3A |
| Alarm function | Process high alarm, process low alarm, deviation high alarm, and deviation low alarm |
| Manual function | Automatic/Manual bumpless transfer |
| Power supply | 85~260VAC/50~60Hz |
| Power consumption | ≤ 5 Watt |
| Ambient temperature | 0~50ºC, 32~122ºF |
| Dimension | 48 x 48 x 100mm (W x H x D) |
| Mounting cutout | 45 x 45mm |
Available Configurations
All the models listed in Table 1 are 1/16 DIN size with dual-alarm outputs.
Table 1. Controller models.
| Model | Control output | Ramp/soak option |
| SYL-2352 | SSR output | No |
| SYL-2352P | SSR output | Yes |
Terminal Wiring
Sensor connection
Please refer to Table 3 for the input sensor type (Sn) setting codes. The initial setting for input is for a K type thermocouple. Set Sn to the right sensor code if another sensor type is used.
Thermocouple
The thermocouple should be connected to terminals 4 and 5. Make sure that the polarity is correct. There are two commonly used color codes for the K-type thermocouple. US color code uses yellow (positive) and red (negative). Imported DIN color code uses red (positive) and green/blue (negative). The temperature reading will decrease as the temperature increases if the connection is reversed.
When using an ungrounded thermocouple that is in touch with a large conductive subject, the electromagnetic field picked up by the sensor tip might be too large for the controller to handle, the temperature display will change erratically. In that case, connecting the shield of the thermocouple to terminal 5 (circuit ground of the controller) might solve the problem. Another option is to connect the conductive subject to terminal 5.
RTD sensor
For a three-wire RTD with standard DIN color code, the two red wires should be connected to terminals 3 and 4. The white wire should be connected to terminal 5. For a two-wire RTD, the wires should be connected to terminals 4 and 5. Jump a wire between terminals 3 and 4. Set controller input type Sn to 21.
Linear input (V, mV, mA or resistance)
V and mA current signal inputs should be connected between terminals 2 and 5. Terminal 2 is positive. mV signal inputs should be connected between terminals 4 and 5. Terminal 4 is positive. For resistance inputs, short terminals 3 and 4, then connect resistance inputs between terminals 4 and 5.
Power to the controller
The power cables should be connected to terminals 9 and 10. Polarity does not matter. This controller can be powered by an 85-260V AC power source. Neither a transformer nor jumper is needed to wire it up. For the sake of consistency with the wiring example described later, we suggest you connect the hot wire to terminal 9 and neutral to 10.
3.3 Control output connection
The SSR control output of the controller SYL-2352 provides a 12V DC signal that can control up to 5 SSRs in parallel. For applications needing two control outputs, such as one for heating and another for cooling, relays AL1 or AL2 can be used for the second output with on/off control mode. Please see Figure 9 for details.
3.3.1 Connecting the load through SSR (for SYL-2352)
Connect terminal 7 to the positive input and terminal 8 to the negative input of the SSR. See Figures 6 and 7 for details.
3.4 For first-time users without prior experience with PID controllers, the following notes may prevent you from making common mistakes.
3.4.1 There is no power that flows through terminals 9 and 10 of the controller to the heater. This is because this controller consumes less than 2 watts of power, providing only a control signal to relay. Therefore, wires in the 18 to the 26-gauge range should be used to provide the power for terminals 9 and 10. (Thicker wires may be more difficult to install)
3.4.2 The alarm relays AL1 and AL2, are “dry” single-pole switches, which means
they provide no power to themselves. Please see Figure 6 and 9 for how they are wired when providing a 120V output (or when the output voltage is the same as the power source for the controller). If the load of the relay requires a different voltage than that for the controller, another power source will be needed. See Figure 8 for examples.
3.4.3 For all controller models listed in this manual, the power is modified by
regulating the duration of “on” time for a fixed period. It is not controlled by
regulating amplitude of the voltage or current. This is often referred as time proportional control. For example, if the cycle rate is set for 100 seconds, a 60% output means the controller will switch on the power for 60 seconds and off for 40 seconds (60/100 = 60%). Almost all high-power control systems use time proportional control because amplitude proportional control is too expensive and inefficient.
Front Panel and Operation
- PV display: Indicates the sensor’s read-out or process value (PV).
- SV display: Indicates the set value (SV) or output value (%).
- AL1 indicator: It lights up when the AL1 relay is on.(Display alarm 1)
- AL2 indicator: It lights up when the AL2 relay is on.(Display alarm 2)
- A-M indicator: The light indicates that the controller is in manual mode. For the controllers with the Ramp/Soak option, this light indicates that the program is running.
- Output indicator: It is synchronized with control output (terminals 7 and 8), and the power to the load. When it is on, the heater (or cooler) is powered.
- SET key: When it is pressed momentarily, the controller will switch the lower (SV) display between set value and percentage of output. When pressed and held for two seconds will put the controller into parameter setting mode.
- Automatic/Manual function key (A/M) /Data shift key.
- Decrement key ▼: Decreases the numeric value of the setting value.
- Increment key ▲: Increases the numeric value of the setting value.

Display mode 1: When the power is turned on, the upper display window shows the measured value (PV), and the lower window shows the four-digit set value (SV).
Display mode 2: Press the SET key to change the display status into mode 2. The upper display window shows the measured value (PV), and the lower windows shows the output value. The example above pictures the output percentage at 60% when in Automatic (PID) control mode. If parameter A-M = 1 (see table 2), pressing the A/M key will switch the controller between PID and Manual control mode while leaving the output unchanged. This bumpless/smooth transfer allows the controller to be switched between manual and automatic mode without the output suddenly “bumping” to a different value.
Display mode 3: Press the SET key for 2 seconds to enter the display mode 3. (This mode allows users to change the system parameters.)
4.2 Basic Operation
4.2.1 Changing set value (SV)
Press the ▼ or ▲ key once. The decimal point on the lower right corner will start to flash. Press the ▼ or ▲ key to change SV until the desired value is displayed. If SV has a large change, press the A/M key to move the flashing decimal point to the desired digit that needs to be changed. Then press the ▼ or ▲ key to start changing SV from that digit. The decimal point will stop flashing after no key is pressed for 3 seconds. The changed SV will be automatically registered without pressing the SET key.
4.2.2 Display change
Press the SET key to change the display mode. The display can be changed between display modes 1 and 2.
4.2.3 Manual/Automatic mode switch
Bumpless switching between PID mode and Manual mode can be performed by pressing the A/M key. The A-M LED will light up when the controller is in Manual mode. In Manual mode, the output amplitude can be increased or decreased by pressing ▲ and ▼ (display mode 2). Please note that manual control is initially disabled (A-M = 2). To activate the manual control, set A-M = 0 or 1.
4.2.4 Parameter Setup Mode
In-display mode 1 or 2, press SET and hold for roughly 2 seconds until the parameter setup menu is displayed (display mode 3). Please refer to 4.3 for how to set the parameters.
4.3 Setup flow chart
While in the parameter setup mode, use ▲ and ▼ to modify a digit. Use A/M to select the digit that needs to be modified. To exit the parameter setup mode, press the A/M and SET key at the same time. The controller will automatically exit if no key is pressed for 10 seconds. Figure 4 is the setup flow chart. Please note the changed parameter will be automatically registered without pressing the SET key. If the controller is locked (see 4.17). Only limited parameters (or no parameters) can be changed.
4.4 Parameter Setting
Table 2. System parameters. 
4.4.1 Alarm parameters
This controller offers four types of alarm, “ALM1”, “ALM2”, “Hy-1”, “Hy-2”.
- ALM1: High limit absolute alarm: If the process value is greater than the value specified as “ALM1 + Hy” (Hy is the Hysteresis Band), then the alarm will begin to sound. It will turn off when the process value is less than “ALM1 -Hy”.
- ALM2: Low limit absolute alarm: If the process value is less than the value specified as “ALM2 – Hy”, then the alarm will turn on, and the alarm will turn off if the process value is greater than “ALM2 + Hy”.
- Hy-1: Deviation high alarm. If the temperature is above “SV + Hy-1 + Hy”, the alarm will turn on, and the alarm will turn off if the process value is less than “SV + Hy-1 – Hy” (we will discuss the role of Hy in the next section)
- Hy-2: Deviation low alarm: If the temperature is below “SV – Hy-2 – Hy”, the alarm will turn on, and the alarm will turn off if the temperature is greater than “SV – Hy-2 + Hy”.
The things you should know about alarms
- Absolute alarm and deviation alarm
High (or low) limit absolute alarm is set by the specific temperatures that the alarm will be on. Deviation high (or low) alarm is set by how many degrees above (or below) the control target temperature (SV) that the alarm will be on. ALM1 = 1000 ºF, Hy-1 = 5 ºF, Hy = 1, SV = 700 ºF. When the probe temperature (PV) is above 706, the deviation alarm will begin playing. When the temperature is above 1001 ºF, the process high alarm will turn on. When SV changes to 600 ºF, the deviation alarm will be changed to 606 but process high alarm will remain the same. Please see 4.5.2 for details. - Alarm Suppression feature
Sometimes, user may not want the low alarm to be turned on when starting the controller at a temperature below the low alarm setting. The Alarm Suppression feature will suppress the alarm from turning on when the controller is powered up (or SV changes). The alarms can only be activated after the PV reaches SV. This feature is controlled by the B constant of the COOL parameter (see 4.14). The default setting is “alarm suppression on”. If you use the AL1 or AL2 relay for a control application that needs it to be active as soon as the controller is powered up, you need to turn off the alarm suppression by setting B = 0. - Assignment of the relays for the alarms
AL1 and AL2 are the name of the two relays used for alarm output. AL1 is the alarm relay 1 and AL2 is alarm relay 2. Please do not confuse the relays with alarm parameter ALM1 (process high alarm) and ALM2 (process low alarm). AL-P (alarm output definition) is a parameter that allows you to select the relay(s) to be activated when the alarm set condition is met. Please note that deviation alarm cannot trigger alarm relay AL1. You can set all four alarms to activate the
one relay (AL1 or AL2), but you can’t activate both relays for with just one alarm. - Display of the alarm
When AL1 or AL2 relay is activated, the LED on the upper left will light up. If you have multiple alarms assigned to a single relay, it should be helpful to know which alarm is activated. This can be done by setting the E constant in the AL-P parameter (see 4.13). When E = 0, the bottom display of the controller will alternately display the SV and the activated alarm parameter. - Activate the AL1 and AL2 by time instead of temperature
For the controller with the ramp and soak function (SYL-2352P), AL1 and AL2 can be activated when the process reaches a specific time. This is discussed in the section 3.7 of “Supplementary Instruction Manual for ramp/soak option.
4.4.2 Hysteresis Band “Hy”
The Hysteresis Band parameter Hy is also referred as Dead Band, or Differential. This permits protection of the on/off control from high switching frequency caused by process input fluctuation. Hysteresis Band parameter is used for on/off control, 4-alarm control, as well as the on/off control at auto-tuning. For example: (1) When the controller is set for on/off heating control mode, the output will turn off when the temperature goes above SV + Hy and on again when it drops to below SV – Hy. (2) If the high alarm is set at 800 °F and hysteresis is set for 2 °F, the high alarm will be on at 802 °F (ALM1 + Hy) and off at 798 °F (ALM1 – Hy). Please note that the cycle time can also affect the action. If the temperature passes the Hy set point right after the start of a cycle, the controller will not respond to the Hy setpoint until the next cycle. If cycle time is set to 20 seconds, the action can be delayed as long as 20 seconds. Users can reduce the cycle time to avoid delay.
4.4.3 Control mode “At”
At = 0. on/off control. It works like a mechanical thermostat. It is suitable for devices that do not like to be switched at high frequency, such as motors and valves. See 4.5.2 for details.
At = 1. Start auto-tuning. In-display mode 1, press the A/M key and auto-tuning will initiate. At = 2. Start auto tuning. It will initiate automatically after 10 seconds. The function is the same as starting auto tuning from front panel (At = 1).
At = 3. This configuration applies after auto tuning is done. Auto tuning from the front panel is inhibited to prevent accidental re-starting of the auto tuning process. To start auto tuning again, set At = 1 or At = 2.
4.5 Control action explanations
4.5.1 PID control mode
Please note that because this controller uses fuzzy logic enhanced PID control software, the definition of the control constants (P, I and d) are different than that of the traditional proportional, integral, and derivative parameters. In most cases, the fuzzy logic enhanced PID control is very adaptive and may work well without changing the initial PID parameters. However, users may need to use auto-tune function to let the controller determine the parameters automatically. If the auto-tuning results are not satisfactory, you can manually fine-tune the PID constants for improved performance. Or you can try to modify the initial PID values and perform auto-tune again. Sometimes the controller will get the better parameters.
The auto-tune can be started in two ways. 1) Set At = 2. It will start automatically after 10 seconds. 2) Set At = 1. You can start the auto-tune any time during the normal operation by pressing the A/M key. During auto-tuning, the instrument executes the on-off control. After 2-3 times on-off actions, the microprocessor in the instrument will analyze the period, amplitude, and waveform of the oscillation generated by the on-off control, and calculate the optimal control parameter value. The instrument begins to perform accurate artificial intelligence control after auto-tuning is finished. If you want to exit from the auto-tuning mode, press and hold the (A/M) key for about 2 seconds until the blinking of “At” symbol is stopped in the lower display window. Generally, you will need to perform auto tuning once. After the auto-tuning is finished. The instrument will set parameter
“At” to 3, which will prevent the (A/M) key from triggering auto-tune. This will
prevent an accidental repeat of the auto-tuning process.
- Proportional constant “P”
Please note the P constant is not defined as Proportional Band as in the traditional model. Its unit is not in degrees. A larger constant results in larger and quicker action, which is the opposite of the traditional proportional band value. It also functions in the entire control range rather than a limited band.
If you are controlling a very fast response system ( > 1°F/second) that fuzzy logic is not quick enough to adjust, set P = 1 will change the controller to the traditional PID system with a moderate gain for the P. - Integral time “I”
Integral action is used to eliminate offset. Larger values lead to slower action. Increase the integral time when temperature fluctuates regularly (system oscillating). Decrease it if the controller is taking too long to eliminate the temperature offset. When I = 0, the system becomes a PD controller. - Derivative time “D”
Derivative action can be used to minimize the temperature over-shoot by responding to its rate of change. The larger the number, the faster the action.
4.5.2 On/off control mode
It is necessary for inductive loads such as motors, compressors, or solenoid valves that do not like to take pulsed power to enable the On/Off control mode. When the temperature passes hysteresis band (Hy), the heater (or cooler) will be turned off. When the temperature drops back to below the hysteresis band, the heater will turn on again.
To use the on/off mode, set At = 0. Then, set the Hy to the desired range based on control precision requirements. Smaller Hy values result in tighter temperature control, but also cause the on/off action to occur more frequently.
4.5.3. Manual mode
Manual mode allows the user to control the output as a percentage of the total heater power. It is like a dial on a stove. The output is independent of the temperature sensor reading. One application example is controlling the strength of boiling during beer brewing. You can use the manual mode to control the boiling so that it will not boil over to make a mess. The manual mode can be switched from PID mode but not from on/off mode. This controller offers a “bumpless” switch from the PID to manual mode. If the controller outputs 75%of power at PID mode, the controller will stay at that power level when transitioned into the manual mode, until it is adjusted manually. See Figure 3 for how to switch the display mode. The Manual control is initially disabled (A-M = 2). To activate manual control, please make sure At = 3 (section 4.4.3) and A-M = 0 or 1 (section 4.16). If you are currently in ON/OFF mode (At = 0), you will not be able to use manual mode.
4.6 Cycle time “t”
Cycle time is the time period (in seconds) that the controller uses to calculate its output. For example, when t = 2, if the controller decides output should be 10%, the heater will be on 0.2 seconds and off 1.8 seconds for every 2 seconds. For relay or contactor output, it should be set longer to prevent contacts from wearing out too soon. Normally it is set to 20~40 seconds.
4.7 Input selection code for “Sn”
Please see Table 3 for the acceptable sensor type and its range.
Table 3. Code for Sn and its range.
| Sn | Input device | Display range (°C) | Display range (°F) | Wiring Pins |
| 0 | K (thermocouple) | -50~+1300 | -58~2372 | 4, 5 |
| 1 | S (thermocouple) | -50~+1700 | -58~3092 | 4, 5 |
| 2 | WRe (5/26)(thermocouple) | 0~2300 | 32~4172 | 4, 5 |
| 3 | T (thermocouple) | -200~350 | -328~662 | 4, 5 |
| 4 | E (thermocouple) | 0~800 | 32~1472 | 4, 5 |
| 5 | J (thermocouple) | 0~1000 | 32~1832 | 4, 5 |
| 6 | B (thermocouple) | 0~1800 | 32~3272 | 4, 5 |
| 7 | N (thermocouple) | 0~1300 | 32~2372 | 4, 5 |
| 20 | Cu50 (RTD) | -50~+150 | -58~302 | 3, 4, 5 |
| 21 | Pt100 (RTD) | -200~+600 | -328~1112 | 3, 4, 5 |
| 26 | 0 ~ 80 Ω |
-1999~+9999 Defined by user with P-SL and P-SH | 3, 4, 5 | |
| 27 | 0 ~ 400 Ω | 3, 4, 5 | ||
| 28 | 0 ~ 20 mV | 4, 5 | ||
| 29 | 0 ~ 100 mV | 4, 5 | ||
| 30 | 0 ~ 60 mV | 4, 5 | ||
| 31 | 0 ~ 1000 mV | 4, 5 | ||
| 32 | 200 ~ 1000 mV, 4-20 mA (w/ 50Ω Resistor) | 4, 5 | ||
| 33 | 1 ~ 5 V 4~20 mA (w/ 250Ω Resistor) | 2, 5 | ||
| 34 | 0 ~ 5 V | 2, 5 | ||
| 35 | -20 ~ +20 mV | 4, 5 | ||
| 36 | -100 ~ +100 mV | 4, 5 | ||
| 37 | -5 ~ +5V | 2, 5 | ||
4.8 Decimal point setting “dP”
- In case of thermocouple or RTD input, dP is used to define temperature display resolution.
dP = 0, temperature display resolution is 1 ºC (ºF).
dP = 1, temperature display resolution is 0.1ºC . The 0.1 degree resolution is only available for Celsius display. The temperature will be displayed at the resolution of 0.1ºC for input below 1000ºC and 1ºC for input over 1000ºC. - For linear input devices (voltage, current or resistance input, Sn = 26-37).
Table 4. dP parameter setting.
4.9 Limiting the control range, “P-SH” and “P-SL”
- For temperature sensor input, the “P-SH” and “P-SL” values define the set value range. P-SL is the low limit, and P-SH is the high limit. Sometimes, you may want to limit the temperature setting ange so that the operator can’t set avery high temperature by accident. If you set the P-SL = 100 and P-SH = 130, operator will only be able to set the temperature between 100 and 130.
- For linear input devices, “P-SH” and “P-SL” are used to define the display span. e.g. If the input is 0-5V. P-SL is the value to be displayed at 0V and P-SH is the value at 5V.
4.10 Input offset “Pb”
Pb is used to set an input offset to compensate the error produced by the sensor or input signal itself. For example, if the controller displays 5ºC when probe is in ice/water mixture, setting Pb = -5, will make the controller display 0ºC.
4.11 Output definition “OP-A”
This parameter is not used for this model. It should not be changed.
4.12 Output range limits “OUTL” and “OUTH”
OUTL and OUTH allow you set the output range low and high limit.
OUTL is a feature for the systems that need to have a minimum amount of power as long as the controller is powered. For example, if OUTL = 20, the controller will maintain a minimum of 20% power output even when input sensor failed.
OUTH can be used when you have an overpowered heater to control a small subject. For example, if you set the OUTH = 50, the 5000 watt heater will be used as 2500W heater (50%) even when the PID wants to send 100% output.
4.13 Alarm output definition “AL-P”
Parameter “AL-P” may be configured in the range of 0 to 31. It is used to define which alarms (“ALM1”, “ALM2”, “Hy-1” and “Hy-2”) is output to AL1 or AL2. Its
function is determined by the following formula: AL-P = AX1 + BX2 + CX4 + DX8 + EX16
- If A=0, then AL2 is activated when Process high alarm occurs.
- If A = 1, then AL1 is activated when Process high alarm occurs.
- If B = 0, then AL2 is activated when Process low alarm occurs.
- If B = 1, then AL1 is activated when Process low alarm occurs.
- If C = 0, then AL2 is activated when Deviation high alarm occurs.
- If C = 1, then AL1 is activated when Deviation high alarm occurs.
- If D = 0, then AL2 is activated when Deviation low alarm occurs.
- If D = 1, then AL1 is activated when Deviation low alarm occurs.
- If E = 0, then alarm types, such as “ALM1” and “ALM2” will be displayed alternatively in the lower display window when the alarms are on. This makes it easier to determine which alarms are on. If E = 1, the alarm will not be displayed in the lower display window (except for “orAL”). Generally, this setting is used when the alarm output is used for control purposes.
For example, in order to ctivate AL1 when a Process high alarm occurs, trigger AL2 by a Process low alarm, Deviation high alarm, or Deviation low alarm, and not show the alarm type in the lower display window, set = 1, B = 0, C = 0, D = 0, and E = 1. Parameter “AL-P” should be configured to:AL-P = 1X1 + 0X2 + 0X4 + 0X8 + 1X16 = 17 (this is the factory default setting)
Note: Unlike controllers that can be set to only one alarm type (either absolute or deviation but not both at same time), this controller allows both alarm types to function simultaneously. If you only want one alarm type to function, set the other alarm type parameters to maximum or minimum (ALM1, Hy-1 and Hy-2 to 9999, ALM2 to –1999) to stop its function.
4.14 “COOL” for Celsius, Fahrenheit, Heating, and Cooling Selection
Parameter “COOL” is used to set the display unit, heating or cooling, and alarm
suppression. Its value is determined by the following formula: COOL = AX1 + BX2 + CX8
A = 0, reverse action control mode for heating control.
A = 1, direct action control mode for cooling control.
B = 0, without alarm suppressing at powering up.
B = 1, alarm suppressing at powering up.
C = 0, display unit in ºC.
C = 1, display unit in ºF.
The factory setting is A = 0, B = 1, C = 1 (heating, with alarm suppression, display in Fahrenheit). Therefore, COOL = 0X1 + 1X2 + 1X8 = 10
To change from Fahrenheit to Celsius display, set COOL = 2.
4.15 Input digital filter “FILt”
If measurement input fluctuates due to noise, then a digital filter can be used to smooth the input. “FILt” may be configured in the range of 0 to 20. Stronger filtering increases the stability of the eadout display but causes more delay in the response to change in temperature. FILt = 0 disables the filter.
4.16 Manual and Automatic Control Mode Selection “A-M”
Parameter A-M is for selecting hich control mode to use, the manual control mode or the automatic PID control mode. In manual control mode user can manually change the percentage of power to be sent to the load while in utomatic PID control mode the controller decides how much percentage of power will be sent to the load. Please note that this parameter does not apply to situations where the controller is set to work n on/off mode (i.e., At = 0) or when the controller is performing auto-tuning (i.e., At = 2 or At = 1 and the auto-tune has started). During auto-tuning, the controller is actually working in on/off ode). A-M = 0, manual control mode. User can manually adjust the percentage of power output. User can switch from manual control mode to PID control mode. A-M = 1, ID control mode. The controller decides the percentage of power output. User can switch from PID mode to manual mode. A-M = 2, PID control mode only (switching to manual mode is prohibited). Please see Figure 3 for how to switch from automatic control mode to manual control mode or vice versa.
4.17 Lock up the settings, field parameter “EP” and parameter “LocK”
To prevent the operator from changing the settings by chance, you can lock the parameter settings after the initial setup. You can select which parameter can be viewed or changed by assigning one of the field parameters to it. Up to 8 parameters can be assigned to field parameter EP1-EP8. The field parameter can be set to any parameter listed in Table 2, except parameter EP itself. When LocK is set to 0, 1, 2, and so on, only parameters or setting values of the program defined in an EP can be displayed. This function can speed up parameter modification and prevent critical parameters (like input, and output parameters) from being modified. If the number of field parameters is less than 8, you should define the first unused parameter as none. For example, if only ALM1 and ALM2 need to be modified by field operators, the parameter EP can be set as follows: LocK = 0, EP1 = ALM1, EP2 = ALM2, EP3 = nonE.
In this case, the controller will ignore the field parameters from EP4 to EP8. If field parameters are not needed after the instrument is initially adjusted, simply set EP1 to nonE. Lock code 0, 1 and 2 will give the operator limited privileges to change some of the parameters that can be viewed. Table 5 shows the privileges associated with each lock code.
Table 5. LocK parameter.
| LocK Value | SV Adjustment | EP1-8 Adjustment | Other parameters |
| 0 | Yes | Yes | Locked |
| 1 | Yes | No | Locked |
| 2 | No | Yes | Locked |
| 3 and up | No | No | Locked |
| 808 | Unlocked |
Note: to limit the control temperature range instead of completely locking it, please refer to section 4.9.
5. Wiring examples
5.1 Controlling the load via SSR
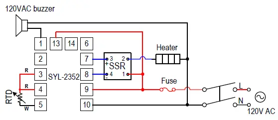
Figure 6. SYL-2352 or SYL-2352P with RTD input. This is a typical wiring for controlling the temperature of a tank of liquid with high precision.
The RTD sensor offers accuracy within a fraction of a degree. The SSR allows the heater to be switched at higher frequency for better stability while also having a longer life time than the electromechanical relay. A proper heat sink is needed when the SSR switches > 8A of current. For wiring a 240V heater, please see 5.2.
5.2 Controlling the load via SSR, 240VAC example.
Figure 7. This is the essentially the same wiring example as 5.1, except the heater and controller are powered by 240V AC and the temperature sensor is a thermocouple. An alarm is not installed in this example.
5.3 Maintaining a temperature difference using two thermocouples.
Figure 8. SYL-2352 with two thermocouple inputs to measure temperature difference.
Connect two thermocouples in series with opposite polarity (negative connected to negative). Leave the two positive connected respectively to the input terminals on the controller. The one for lower temperature is connected to the negative input of the TC input. The one for higher temperature is connected to the positive input.
Set up the controller (assume type K TC is used):
- Sn = 35. Set the input type to -20mv ~ 20mv. It eliminates the interference of the internal cold junction compensation circuit.
- P-SL = -501 and P-SH = 501. This converts the mili-volt units to degree Celsius. (P-SL = -902 and P-SH = 902 for Fahrenheit). To control a 20ºC difference, set SV = 20.
Note: P-SL and P-SH are calculated assuming the temperature/voltage relation of the TC is linear for the application range. We used 20ºC temperature differences at 0ºC for this calculation. Please contact us if you have any question.
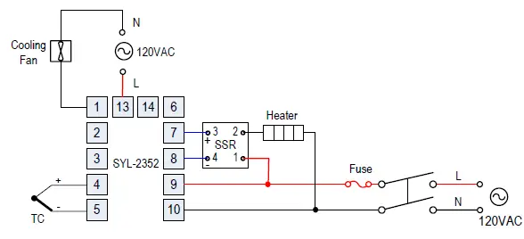
5.4 Heating and cooling with the same controller
Figure 9. Control a heating element and a cooling fan using SYL-2352.
5.5 Controlling a 120VAC valve.
Figure 10. SYL-2352 or SYL-2352P can be used to control a solenoid valve with a SSR.
- Wiring
- Power the controller: Connect the 85-260V AC power to terminals 9 and 10.
- Control output connection: Connect terminals 7 and 8 for output.
- Sensor connection: For thermocouples, connect the positive wire to terminal
- the negative to terminal 5. For a three-wire RTD with standard DIN color code, connect the two red wires to terminals 3 and 4, and connect the white wire to terminal 5. For a two-wire RTD, connect the wires to terminals 4 and 5. Then, jump a wire between terminals 3 and 4.
- Set sensor type
Set Sn to 0 for a K type thermocouple (default), 5 for a J type thermocouple, and 21 for a Pt100 RTD. - Switching between automatic and manual mode
Set A-M = 1 to active manual mode. Press the A/M key to switch between automatic and manual mode. - Changing the temperature scale from Fahrenheit to Celsius.
Change COOL (for Celsius, Fahrenheit, Heating, and Cooling Selection) from 10 to 2 (for heating mode). - Setting the controller for cooling control.
For cooling control, set COOL = 11 to display Fahrenheit; set COOL = 3 to display Celsius. - Setting target temperature (SV)
Press the ▼ or ▲ key once and then release it. The decimal point on the lower right corner will start to flash. Press the ▼ or ▲ key to change SV until the
desired value is displayed. The decimal point will stop flashing after no key is pressed for 3 seconds. You can press the A/M key to move the flashing decimal
point to the desired digit that needs to change. Then press the ▼ or ▲ key to change SV starting from that digit. - Auto-tune
You can use the auto-tune function to determine the PID constants automatically. There are two ways to start auto-tuning:- Set At = 2. It will start automatically after 10 seconds.
- Set At = 1. Then during the normal operation, press the A/M key to start the auto-tune.
The instrument will perform its artificial intelligence control after auto tuning is completed.
- On/off mode
Set At = 0 to active the on/off control mode.
Set the Hysteresis Band parameter Hy at the desired value. - Error Message and troubleshooting
9.1 Display “oral”
This is an input error message. Possible reasons: the sensor is not connected/ not connected correctly; the sensor input setting is wrong; or the sensor is defective. In this case, the instrument terminates its control function automatically, and the output value is fixed according to the parameter OUTL. If this happens when using thermocouple sensor, you can short terminal 4 and 5 with a copper wire. If the display shows ambient temperature, the thermocouple is defective. If it still displays “oral”, check the input setting, Sn, to make sure it is set to the right thermocouple type. If he Sn setting is correct, the controller is defective. For RTD sensors, check the input setting first because most controllers are shipped with the input set for thermocouples. Then check the wiring. he two red wires should be connected to terminals 3 and 4. The clear wire should be connected to terminal 5.
9.2 Flashing “04CJ”
At the moment of powering up, the controller will show “04CJ” in the PV window and “808” in the SV window. Next, it will show “8.8.8.8.” in both windows briefly.
Then the controller will show probe temperature in PV window and set
temperature in SV window. If the controller frequently flashes “04CJ” and doesn’t
show a stable temperature reading, it is being reset due to unstable power line or inductive loads in the circuit. If user connects a contactor to SYL-2342’s terminal 7 and 8, please consider adding a RC snubber across these two terminals.
9.3 No heating
When the controller output is set for relay output, the “OUT” LED is synchronized
with output relay. If heat is not output when it is supposed to, check the OUT LED first. If it is not lit, the controller parameter settings are wrong. If it is on, check the external switching device (If the relay is pulled-in, or the SSR’s red LED is on). If the external switching device is on, then the problem is either the external switching device output, its wiring, or the heater.
If the external switching device is not on, then the problem is either the controller output, or the external switch device.
9.4 Poor Accuracy
Please make sure calibration is done by immersing the probe in liquid. Comparing the reference in air is not recommended because response time of the sensor depends on its mass. Some of our sensors have response time >10 minutes in the air. When the error is larger than 5 °F, the most common problem is an improper connection between the thermocouple and the controller. The thermocouple needs to be connected directly to the controller unless a thermocouple connector and extension wire is used. Copper wire or a thermocouple extension wire with the wrong polarity connected on the thermocouple will cause the reading to drift more than 5 °F.
9.5 On on/off mode, although hysteresis is set to 0.3, the unit is running 5 degrees above and below.
If the Hy is very small and temperature changes very quickly, users will need to consider the delay of the cycle time (the parameter t). For example, if cycle time is 20 seconds, when the temperature passes the SV + Hy after the beginning of a 20 seconds cycle, the relay will not act until the start of the next cycle 20 seconds later. Users may change the cycle time to a smaller value, such as 2 seconds, to get better precision control.
Auber Instruments Inc.
5755 North Point Parkway, Suite 99,
Alpharetta, GA 30022
www.auberins.com
Email: [email protected]
Copyright © 2021 Auber Instruments Inc. All rights reserved.
No part of this datasheet shall be copied, reproduced, or transmitted in any way without the prior, written consent of Auber Instruments. Auber Instruments retains the exclusive rights to all information included in this document.
Auber Instruments SYL-2352 PID Temperature Controller




















