STIEBEL ELTRON SB-VTI 100 Floor Mounted Cylinder

General information
The chapter “Operation” is intended for appliance users and qualified contractors.
The chapter “Installation” is intended for qualified contractors.
Note
Read these instructions carefully before using the appliance and retain them for future reference.
Pass on the instructions to a new user if required.
Safety instructions
Structure of safety instructions
KEYWORD Type of risk
Here, possible consequences are listed that may result from failure to observe the safety instructions. Steps to prevent the risk are listed.
Symbols, type of risk
Keywords
Other symbols in this documentation
Note
General information is identified by the adjacent symbol. Read these texts carefully.

- This symbol indicates that you have to do something. The action you need to take is described step by step.
Units of measurement
Note
All measurements are given in mm unless stated otherwise.
Safety
Intended use
The appliance is intended for domestic use. It can be used safely by untrained persons. The appliance can also be used in non-do-mestic environments, e.g. in small businesses, as long as it is used in the same way.
This appliance is designed to heat DHW with heat pumps.
Any other use beyond that described shall be deemed inappropriate. Observation of these instructions and of the instructions for any accessories used is also part of the correct use of this appliance.
Safety instructions
WARNING Burns
There is a risk of scalding at outlet temperatures in excess of 43 °C.
WARNING Injury
The appliance may be used by children aged 8 and up and persons with reduced physical, sensory or mental capabilities or a lack of experience and know-how, provided that they are supervised or they have been instructed on how to use the appliance safely and have understood the resulting risks. Children must never play with the appliance. Children must never clean the appliance or perform user maintenance unless they are supervised.
Material losses
The appliance is pressurized.
During the heat-up process, expansion water will drip from the safety valve. If water continues to drip when heating is completed, please inform your qualified con-tractor.
Test symbols
See type plate on the appliance.
Appliance description
The DHW is heated via a smooth tube internal indirect coil. You can use the appliance to supply one or more draw-off points.
The appliance is equipped with an inspection flange and ther-mometer.
The steel cylinder is coated on the inside with special directly applied “anticor®” enamel and equipped with a protective anode. This anode protects the inside of the cylinder from corrosion. The cylinder is surrounded by foam insulation and a painted sheet metal casing.
Cleaning, care and maintenance
- Have the function of the safety assembly and electrical safety of the fitted accessories regularly checked by a qualified contractor.
- Have the protective anode checked by a qualified contractor after the first two years of use. The qualified contractor will then determine the intervals at which repeat checks should be performed.
- Never use abrasive or corrosive cleaning agents. A damp cloth is sufficient for cleaning the appliance.
Scaling
Almost every type of water will deposit limescale at high temperatures. This settles inside the appliance and affects both performance and service life. If a threaded immersion heater is in-stalled, the heating elements must be descaled from time to time. A qualified contractor who knows the local water quality will tell you when the next service is due.
- Check the taps regularly. Limescale deposits at the tap out-lets can be removed using commercially available descaling agents.
Troubleshooting

If you cannot remedy the fault, notify your qualified contractor. To facilitate and speed up your enquiry, please provide the serial number from the type plate (no. 000000-0000-000000):

Safety
Only a qualified contractor should carry out installation, commissioning, maintenance and repair of the appliance.
General safety instructions
We can only guarantee trouble-free function and operational reliability if original spare parts intended for the appliance are used.
Instructions, standards and regulations
Note
Observe all applicable national and regional regulations and instructions.
Appliance description
Required accessories
Depending on the static pressure, safety assemblies and pressure reducing valves are available. These type-tested safety assemblies protect the appliance against unacceptable excess pressure.
Additional accessories
Flanged immersion heaters are available as accessories.
If it is not possible to insert a rod anode from above, install a segmented anode.
Preparation
Installation site
Always install the appliance in a room free from the risk of frost and near the draw-off point.

- Ensure the floor is level. Use the adjustable feet to compensate for any unevenness in the floor.
- Ensure the floor has a sufficient load bearing capacity (see chapter “Specification / Data table”).
- Observe the room height and height when tilted (see chapter “Specification / Data table”).
Minimum clearances
The minimum side clearances can be swapped between left and right.

- Maintain the minimum clearances.
Transport
For transportation, the appliance is secured to the pallet with metal brackets.
- Remove the screws from the pallet.
- Turn the metal brackets to the inside of the adjustable feet under the appliance.
Removing the appliance from the pallet
Material losses
Rolling the appliance off the pallet can damage the sheet metal casing.
- Tilt the appliance using the adjustable feet to remove it from the pallet.
- Set the appliance down on the floor on the adjustable feet.
Installation
Heat exchanger connection
Flush the indirect coil with water before connection.
Oxygen diffusion
Material losses
Avoid open vented heating systems and underfloor heating systems with plastic pipes that are permeable to oxygen.
In underfloor heating systems with plastic pipes that are permeable to oxygen and in open vented heating systems, oxygen diffusion may lead to corrosion on the steel components of the heating system (e.g. on the indirect coil of the DHW cylinder, on buffer cylinders, steel radiators or steel pipes).
Material losses
The products of corrosion (e.g. rusty sludge) can settle in the heating system components, which may result in a lower output or fault shutdowns due to reduced cross-sections.
Installing the flanged immersion heater (accessory) if required
Removing the blank flange
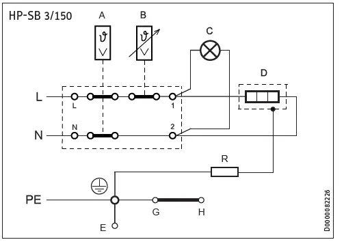
Installing the HP-SB 3/150 flanged immersion heater 
- Sheet metal casing earth 6
- Flange gasket 7
- Flange earth screw
- Temperature selector
- Control indicator
- Flange cover
- Screw 4.2×16
- Washer 4.3
- M12x25 screw
- Washer 13
- Earth cable
- Flange D = 180×5
- Heating element
Electrical connection
WARNING Electrocution
Carry out all electrical connection and installation work in accordance with relevant regulations.
WARNING Electrocution
The connection to the power supply must be in the form of a permanent connection. Ensure the appliance can be separated from the power supply by an isolator
that disconnects all poles with at least 3 mm contact separation.
Material losses
Observe the type plate. The specified voltage must match the mains voltage.
Note
Ensure that the appliance is earthed.
- Feed the connecting cable into the control panel interior.
- Connect the load (see chapter “Specification / Wiring diagrams and connections”).

- A Thermal fuse
- B Temperature selector
- C Control indicator
- D Heating element
- E Sheet steel casing
- G Cylinder
- H Rod anode
- R Electrical resistance 560 Ω
Flange earth screw
Water connection and safety assembly
Safety instructions
Note
Carry out all water connection and installation work in accordance with regulations.
Cold water line
Steel or copper pipes, or plastic pipework, are approved materials.
Material losses
A safety valve is required.
DHW line
Copper or plastic are approved materials for pipework.
Material losses
For the combined use of a threaded immersion heater and plastic pipework systems, observe the maximum permissible temperature and the maximum permissible pressure specified in chapter “Specification / Data table”.
Operate the appliance only with pressure-tested taps.
Connection
- Flush the pipework thoroughly.
- Observe the information in the installation instructions of the safety assembly.
- Connect the DHW outlet and the cold water inlet lines with the safety assembly. Please note that, depending on the stat-ic pressure, you may also need a pressure reducing valve.
- Connect the hydraulic connections with flat gaskets.
- Size the drain so that water can drain off unimpeded when the safety valve is fully opened. The safety valve discharge aperture must remain open to the atmosphere.
- Install the discharge pipe of the safety assembly with a constant slope.
Temperature sensor

- Bend the springs of the DHW sensor.
- Insert the DHW temperature sensor as far as it will go into the sensor well for the heat pump sensor flow.
- Fit the sensors for the control units used according to the relevant installation instructions (for sensor wells, see chapter “Specification / Dimensions and connections”).
- Route the connecting cable/lead to the heat pump control unit.
Commissioning
If using a flanged immersion heater
Material losses
Boiling dry destroys the high limit safety cut-out of the flanged immersion heater and the controller-limiter com-bination must then be replaced.
Material losses
If an indirect coil is installed in the same cylinder, its maximum temperature must be limited. This prevents the temperature limiter of the threaded immersion heater from responding.
- Fill the system with water.
Turn the temperature selector to maximum. - Switch the power supply ON.
- Check the appliance function.
- Check the function of the safety assembly.
Initial start-up
- Open a downstream draw-off point until the appliance is full and the pipes are free of air.
- Vent the internal indirect coil.
- Fit the accessories and check them if necessary.
- Check the safety valve for correct function.
- Check that the DHW temperature displayed on the heat pump control unit is correct.
Appliance handover
- Explain the appliance function to users and familiarize them with how it works.
- Make the user aware of potential dangers, especially the risk of scalding.
- Hand over these instructions.
Recommissioning
See chapter “Initial start-up”.
Appliance shutdown
- If necessary, disconnect any accessories installed from the mains at the MCB/fuse in the fuse box.
- Drain the appliance. See chapter “Maintenance / Draining the
Troubleshooting

Maintenance
WARNING Electrocution
Carry out all electrical connection and installation work in accordance with relevant regulations.
If you need to drain the appliance, observe chapter “Draining the appliance”.
Checking the safety valve
- Regularly vent the safety valve on the safety assembly until a full water jet is discharged.
Checking / replacing the protective anode
- Check the protective anode after the first 2 years of use and replace if necessary. For this, observe the maximum transi-tion resistance of 0.3 Ω between the protective anode and the cylinder.
- Afterwards determine the time intervals at which further checks should be carried out.
Draining the appliance
WARNING Burns
Hot water may escape during draining.
- Close the shut-off valve in the cold water supply line.
- Open the hot water taps on all draw-off points.
- Drain the appliance via the drain valve.
Cleaning and descaling the appliance
For the torque of the flange screws, see chapter “Specification / Dimensions and connections”.
- Never use descaling pumps.
- Never treat the cylinder surface or the protective anode with descaling agents.
Specification
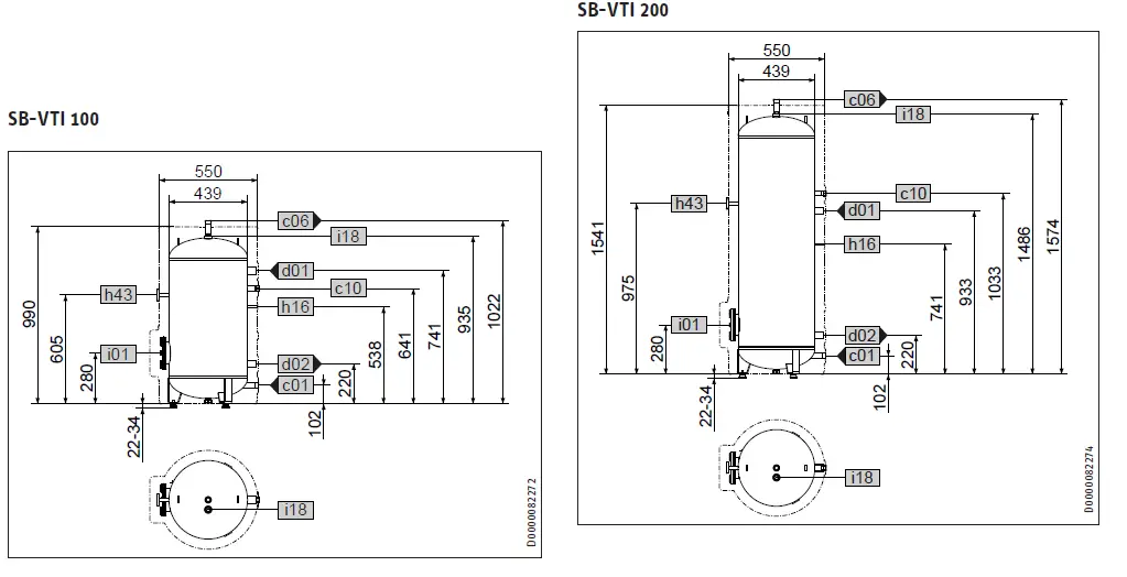
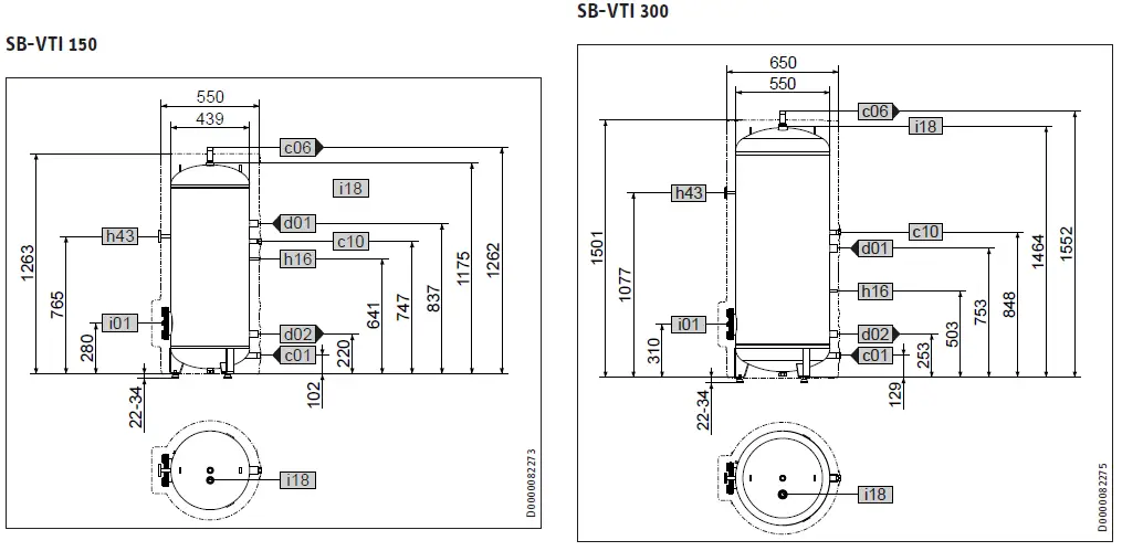
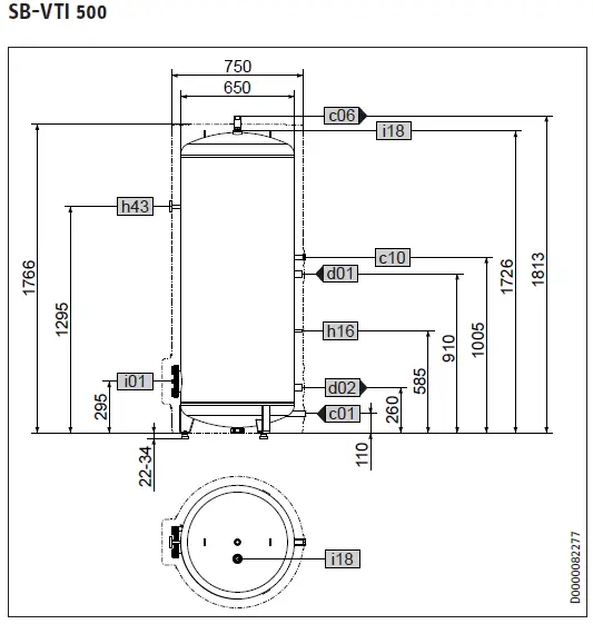
Dimensions and connections
| SB-VTI 100 | SB-VTI 150 | SB-VTI 200 | SB-VTI 300 | |||
| c01 Cold water inlet | Male thread | G 1 | G 1 | G 1 | G 1 | |
| c06 DHW outlet | Male thread | G 1 | G 1 | G 1 | G 1 | |
| c10 DHW circulation | Male thread | G 3/4 | G 3/4 | G 3/4 | G 3/4 | |
| d01 Heat pump flow | Male thread | G 1 | G 1 | G 1 | G 1 | |
| d02 Heat pump return | Male thread | G 1 | G 1 | G 1 | G 1 | |
| h16 Sensor DHW | Diameter | mm | 9.5 | 9.5 | 9.5 | 9.5 |
| h43 Thermometer | Diameter | mm | 9.5 | 9.5 | 9.5 | 9.5 |
| i01 Flange | Diameter | mm | 180 | 180 | 180 | 180 |
| Pitch circle diameter | mm | 150 | 150 | 150 | 150 | |
| Screws | M 12 | M 12 | M 12 | M 12 | ||
| Torque | Nm | 25 | 25 | 25 | 25 | |
| i18 Protective anode | Female thread | G 1 1/4 | G 1 1/4 | G 1 1/4 | G 1 1/4 |
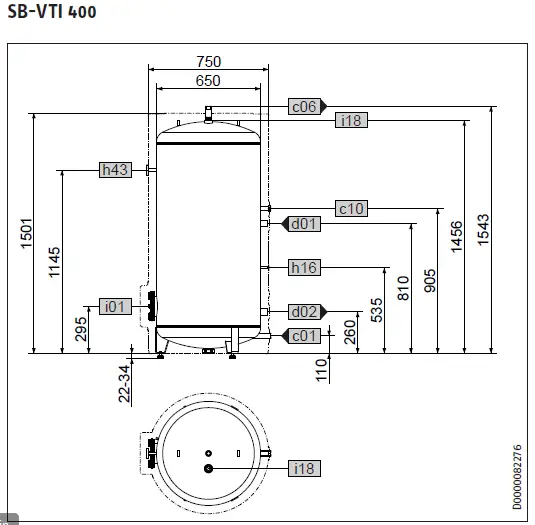
| SB-VTI 400 | SB-VTI 500 | ||||
| c01 | Cold water inlet | Male thread | G 1 | G 1 | |
| c06 | DHW outlet | Male thread | G 1 | G 1 | |
| c10 | DHW circulation | Male thread | G 3/4 | G 3/4 | |
| d01 | Heat pump flow | Male thread | G 1 | G 1 | |
| d02 | Heat pump return | Male thread | G 1 | G 1 | |
| h16 | Sensor DHW | Diameter | mm | 9.5 | 9.5 |
| h43 | Thermometer | Diameter | mm | 9.5 | 9.5 |
| i01 | Flange | Diameter | mm | 180 | 180 |
| Pitch circle diameter | mm | 150 | 150 | ||
| Screws | M 12 | M 12 | |||
| Torque | Nm | 25 | 25 | ||
| i18 | Protective anode | Female thread | G 1 1/4 | G 1 1/4 | |
Energy consumption data
Product datasheet: DHW cylinder to Regulation (EU) No 812/2013
| SB-VTI 100 | SB-VTI 150 | SB-VTI 200 | SB-VTI 300 | SB-VTI 400 | SB-VTI 500 | ||
| 200156 | 200157 | 200158 | 200159 | 200160 | 200161 | ||
| Manufacturer | STIEBEL ELTRON | STIEBEL ELTRON | STIEBEL ELTRON | STIEBEL ELTRON | STIEBEL ELTRON | STIEBEL ELTRON | |
| Designation | SB-VTI 100 | SB-VTI 150 | SB-VTI 200 | SB-VTI 300 | SB-VTI 400 | SB-VTI 500 | |
| Energy efficiency class | B | C | C | C | C | C | |
| Standby losses | W | 47 | 1.4 | 63 | 92 | 105 | 114 |
| Cylinder capacity | l | 119 | 154 | 200 | 305 | 423 | 509 |
Data table
| 200156 | 200157 | 200158 | 200159 | 200160 | 200161 | |||||||||
| Hydraulic data | ||||||||||||||
| Nominal capacity | l | 113 | 147 | 192 | 295 | 412 | 496 | |||||||
| Capacity, upper indirect coil | l | 6.0 | 7.5 | 8.7 | 9.5 | 11.1 | 13.1 | |||||||
| Surface area, upper indirect coil | m² | 1.0 | 1.1 | 1.3 | 1.5 | 1.9 | 2.3 | |||||||
| Pressure drop at 1.0 m³/h, upper indirect coil | hPa | 120 | 80 | 90 | 100 | 120 | 100 | |||||||
| Mixed water volume at 40 °C (15 °C/60 °C) | l | 203 | 264 | 345 | 531 | 741 | 893 | |||||||
| Application limits | ||||||||||||||
| Max. permissible pressure | MPa | 0.6 | 0.6 | 0.6 | 1.0 | 1.0 | 1.0 | |||||||
| Test pressure | MPa | 1.0 | 1.0 | 1.0 | 1.5 | 1.5 | 1.5 | |||||||
| Max. permissible temperature | °C | 95 | 95 | 95 | 95 | 95 | 95 | |||||||
| Max. flow rate | l/min | 20 | 23 | 25 | 38 | 45 | 50 | |||||||
| Energy data | ||||||||||||||
| Standby energy consumption/24 h at 65 °C | kWh | 1.1 | 1.4 | 1.5 | 2.2 | 2.5 | 2.7 | |||||||
| Energy efficiency class | B | C | C | C | C | C | ||||||||
| Dimensions | ||||||||||||||
| Height | mm | 1022 | 1262 | 1574 | 1552 | 1543 | 1813 | |||||||
| Width | mm | 550 | 550 | 550 | 650 | 750 | 750 | |||||||
| Depth | mm | 600 | 600 | 600 | 700 | 800 | 800 | |||||||
| Diameter | mm | 550 | 550 | 550 | 650 | 750 | 750 | |||||||
| Height when tilted | mm | 1180 | 1400 | 1700 | 1730 | 1700 | 1970 | |||||||
| Weights | ||||||||||||||
| Weight, full | kg | 185 | 235 | 296 | 431 | 611 | 722 | |||||||
| Weight, empty | kg | 66 | 81 | 96 | 126 | 188 | 213 | |||||||
Flanged immersion heater (accessory)
| HP-SB 3/150 | ||
| 201418 | ||
| Electrical data | ||
| Connected load ~ 230 V | kW | 3 |
| Rated voltage | V | 230 |
| Phases | 1/N/PE | |
| Frequency | Hz | 50 |
| Application limits Temperature setting range °C 75 Versions Dimensions Weights | ||
Guarantee
The guarantee conditions of our German companies do not apply to appliances acquired outside of Germany. In countries where our subsidiaries sell our products a guarantee can only be issued by those subsidiaries. Such guarantee is only grant-ed if the subsidiary has issued its own terms of guarantee. No other guarantee will be granted.
We shall not provide any guarantee for appliances acquired in countries where we have no subsidiary to sell our products. This will not affect warranties issued by any importers.
Environment and recycling
We would ask you to help protect the environment. After use, dispose of the various materials in accordance with national regulations.
References
eltron.at
ELTRON • IT-oplossingen op maat. Gespecialiseerd in facturatiesoftware
This domain has been registered for a customer by nicsell
eltron.co.uk
eltron.cz
Sachverständigenbüro ELTRON - Startseite
The domain name eltron.nl is available for rent
ELTRON
eltron.ru
Tankless Water Heater | Renewable Energy | Stiebel Eltron USA
STIEBEL ELTRON | Technik zum Wohlfühlen
Warmtepompen - warwater - verwarming | STIEBEL ELTRON
STIEBEL ELTRON | Wärmepumpen-Spezialist
Home - Stiebel Eltron UK
STIEBEL ELTRON International
STIEBEL ELTRON | Tepelná čerpadla | větrání | vytápění | ohřev vody
STIEBEL ELTRON | Technik zum Wohlfühlen
STE - Thermia Redirect | Thermia
STIEBEL ELTRON - Fabricant Allemand de pompes à chaleur
STIEBEL ELTRON - Főoldal
STIEBEL ELTRON
STIEBEL ELTRON | Pompy ciepła | Wentylacja | Ogrzewacze wody i pomieszczeń
STIEBEL ELTRON | Официальный сайт | Интернет-магазин
STIEBEL ELTRON | Ohrev vody, vykurovanie, vetranie, chladenie
Instantaneous Hot Water Systems, Electric Water Heaters - STIEBEL ELTRON
世创电能(原斯宝亚创)| STIEBEL ELTRON CHINA
stiebeleltronasia.com
























