OPERATION AND INSTALLATION
Buffer cylinder
STH Series Buffer Cylinder
- STH 210 Plus
- STH 415 Plus
- STH 720 Plus
- STH 720-1 Plus
General information
The chapter “Operation” is intended for appliance users and qualified contractors.
The chapter “Installation” is intended for qualified contractors.
Note
Read these instructions carefully before using the appliance and retain them for future reference. Pass on these instructions to a new user if required.
1.1 Safety instructions
1.1.1 Structure of safety instructions
KEYWORD Type of risk
Here, possible consequences are listed that may result from failure to observe the safety instructions.
• Steps to prevent the risk are listed.
1.1.2 Symbols, type of risk
| Symbol | Type of risk |
| Electrocution | |
| Burns (burns, scalding) |
1.1.3 Keywords
| KEYWORD | Meaning |
| DANGER | Failure to observe this information will result in serious injury or death. |
| WARNING | Failure to observe this information may result in serious injury or death. |
| CAUTION | Failure to observe this information may result in non-serious or minor injury. |
1.2 Other symbols in this documentation
Note
General information is identified by the adjacent symbol.
• Read these texts carefully.
| Symbol | Meaning |
| Material losses (appliance damage, consequential losses and environmental pollution) | |
| Appliance disposal |
• This symbol indicates that you have to do something. The action you need to take is described step by step.
1.3 Units of measurement
Note
All measurements are given in mm unless stated otherwise.
Safety
2.1 Intended use
The appliance is designed to store and heat heating water.
The appliance is intended for the seasonal storage (around 5 months at a room temperature of 24 °C and relative humidity of 40 %) of heating water cooled to +7 °C. Constant cooling operation with heating water below +11 °C is not permissible.
Any other or additional use is regarded as inappropriate, in particular any usage with alternative storage media. Observation of these instructions and of the instructions for any accessories used is also part of the correct use of this appliance.
Appliance description
This appliance is designed to extend the operating time of the heat generator and to bridge power-OFF periods. It also enables hydraulic separation of the liquid flowing in the heat generator circuit and the heating circuit.
A threaded immersion heater can be installed to boost the temperature of the heating water.
The appliance is equipped with complete thermal insulation to protect against the formation of condensate.
STH 720-1 Plus
The appliance is additionally equipped with a smooth tube indirect coil for solar booster heating of the heating water.
Cleaning, care and maintenance
• Never use abrasive or corrosive cleaning agents. A damp cloth is sufficient for cleaning the appliance.
Troubleshooting
Call your qualified contractor. To facilitate and speed up your enquiry, please provide the serial number from the type plate (no. 000000-0000-000000):
Safety
Only a qualified contractor should carry out installation, commissioning, maintenance and repair of the appliance.
6.1 General safety instructions
We guarantee trouble-free function and operational reliability only if original accessories and spare parts intended for the appliance are used.
6.2 Instructions, standards and regulations
Note
Observe all applicable national and regional regulations and instructions.
Appliance description
7.1 Standard delivery
STH 210-415 Plus
The following are delivered with the appliance:
- 3 cover sleeves
- 4 plugs
STH 720 Plus | STH 720-1 Plus
The following are delivered with the appliance:
- 5 cover sleeves
- 5 plugs for sensor well
- 2 retaining straps with closure
7.2 Accessories
- Threaded immersion heater
- Compact installations
Installation
8.1 Installation site
Install the appliance near the heat generator in a room free from the risk of frost.
Ensure the floor has a sufficient load bearing capacity (see chapter “Specification / Data table”).
Observe the room height (see chapter “Specification / Data table”).
Minimum clearances
STH 210-415 Plus
The minimum side clearances specified enable accessories to be installed.
The minimum side clearances can be swapped between left and right.
STH 720 Plus | STH 720-1 Plus
• Maintain the minimum clearances.
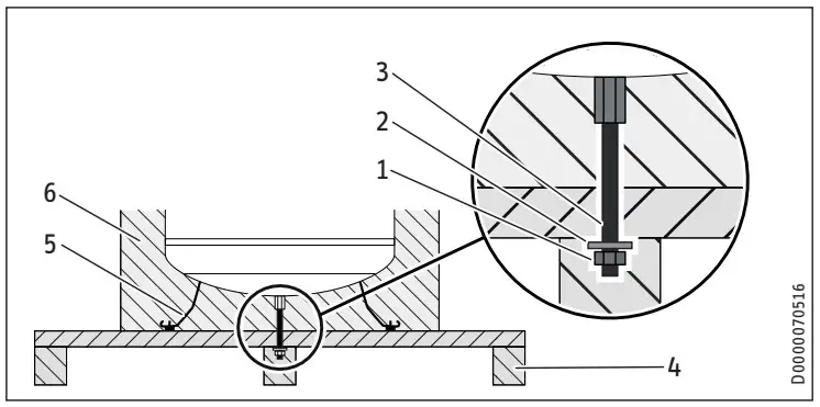
8.2 Releasing the transport lock (STH 210-415 Plus)
- Nut
- Washer
- Threaded pin
- Shipping pallet
- Adjustable feet (STH 210-415 Plus)
- Thermal insulation
► Remove the packaging material from the cylinder. The corrugated cardboard serves as padding for the following steps.
► Tilt the appliance together with the shipping pallet onto its side and place it on the corrugated cardboard or another suitable underlay.
► Undo and remove the nut and washer on the underside of the shipping pallet.
► Pull the shipping pallet away from the appliance. Lay the appliance down carefully on the padding while doing so.
► Undo and remove the threaded pin on the underside of the appliance.
► Press one of the supplied plugs into the now exposed aperture in the thermal insulation.
STH 210-415 Plus
This appliance comes with adjustable feet as standard.
► Wind the adjustable feet out far enough so they protrude beyond the thermal insulation.
► Stand the appliance upright.8.3 Transportation to the installation site
8.3 Transportation to the installation site
Material losses
We recommend removing the cylinder casing for transportation to the installation site to prevent it from becoming dirty or damaged (see chapter “Removing the cylinder casing”).
8.3.1 Removing the cylinder casing
- Cover
- Cylinder casing
- Plinth trim
► First remove the cover and then the plinth trim.
► Remove the cylinder casing.
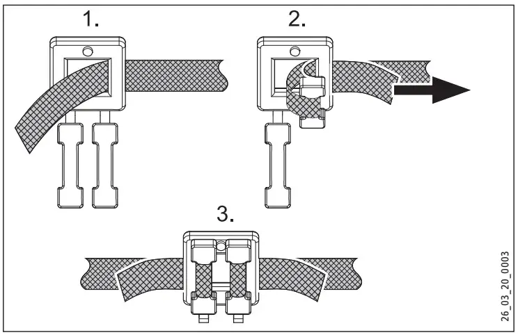
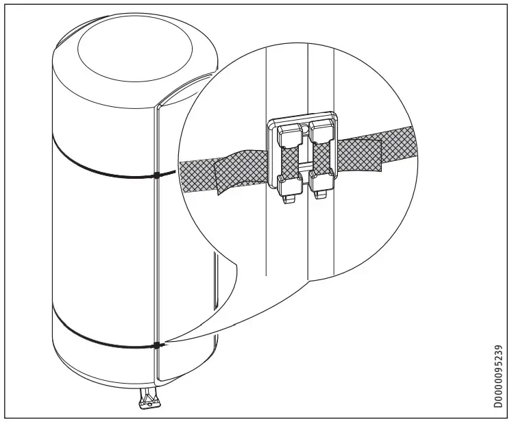
STH 720 Plus | STH 720-1 Plus
In the case of narrow transport routes, you can remove the side insulation segments. To do this, remove the cylinder casing.
► Use the retaining straps to refit the insulation segments after transportation.
► Ensure that the closures are positioned in the joint between a side insulation segment and the thermal insulation of the cylinder.
8.4 Positioning the appliance
STH 210-415 Plus
This appliance comes with adjustable feet as standard.
► The adjustable feet can be extended outwards to compensate for any unevenness in the floor.
STH 720 Plus
This appliance does not have adjustable feet. The floor must be level.
8.5 Installation versions
Installing the threaded immersion heater
The threaded immersion heater is used for electric booster heating.
- With the STH 210-415 Plus, one threaded immersion heater can be installed on the r.h. or l.h. side.
- With the STH 720 Plus | STH 720-1 Plus, one or two threaded immersion heaters can be installed.
► Remove the cap from the connection.
► Undo the plug with a size 32 socket spanner.
STH 210-415 Plus
STH 720 Plus | STH 720-1 Plus
8.6 Heating water connection
Note
Connect the hydraulic connections with flat gaskets.
8.6.1 Fitting the drain valve
► To facilitate maintenance work on the appliance, fit a drain valve (not included in standard delivery) in the lowest connection line.
8.6.2 Fitting the air vent valve
Material losses
Before filling the appliance, fit an air vent valve to prevent water damage.
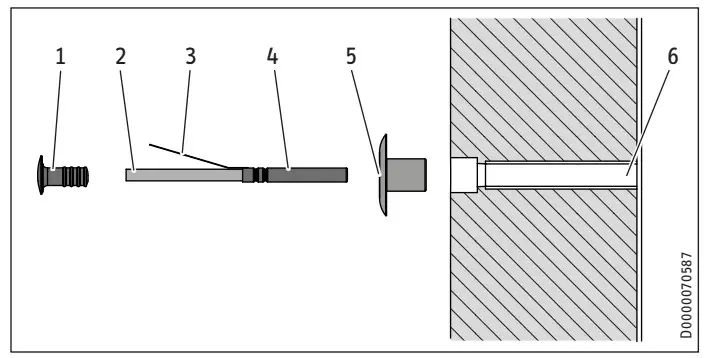
8.7 Sensor installation
- Plug
- Sensor lead
- Spring shackle
- Temperature sensor
- Cover sleeve
- Sensor well

- Cover sleeve
- Plug
- Sensor lead
- Thermal insulation
- Spring shackle
- Temperature sensor
- Cylinder wall
- Sensor well
► Plug the cover sleeve into the sensor well.
► Bend the temperature sensor spring shackle forwards.
► Route the temperature sensor through the cover sleeve and push it into the sensor well, as far as the cylinder wall.
► To secure the sensor lead, press the plug into the cover sleeve as far as it will go. In doing so, route the sensor lead downwards out of the sensor well.
Note
If no temperature sensor is being used, seal the sensor well by pressing the plug fully into the cover sleeve to act as a dummy plug.
Commissioning
Material losses
If a threaded immersion heater has been installed, the maximum temperature of the cylinder may need to be limited. This prevents the temperature limiters of the installed accessories from responding.
Material losses
A safety valve is required.
- Fill and vent the appliance.
- Fit and check accessories as required.
9.1 Oxygen diffusion
Material losses
Avoid open vented heating systems and underfloorheating systems with plastic pipes that are permeableto oxygen.
In underfloor heating systems with plastic pipes that are permeable to oxygen and in open vented heating systems, oxygen diffusion may lead to corrosion on the steel components of the heating system (e.g. on the indirect coil of the DHW cylinder, on buffer cylinders, steel radiators or steel pipes).
Material losses
The products of corrosion (e.g. rusty sludge) can settle in the heating system components, which may result in a lower output or fault shutdowns due to reduced cross-sections.
Material losses
Avoid open vented solar thermal systems and plasticpipes which are permeable to oxygen.
With plastic pipes that are permeable to oxygen, oxygen diffusion can cause corrosion on the steel components of the solar thermal system (e.g. on the indirect coil of the DHW cylinder).
9.2 Water quality in solar circuit
A glycol/water mixture of up to 60 % is permitted for the indirect coil in the solar circuit, provided only dezincification-resistant metals, glycol-resistant gaskets and diaphragm expansion vessels suitable for glycol are used throughout the system.
9.3 Appliance handover
- Explain the appliance function to users and familiarise them with how it works.
- Make users aware of potential dangers, especially the risk of scalding.
- Hand over these instructions.
Appliance shutdown
- Disconnect any electrical accessories from the mains power supply at the fuse in the distribution board.
- Drain the appliance. See chapter “Maintenance / Draining the appliance”.
Maintenance
WARNING Electrocution
Carry out all electrical connection and installation work in accordance with relevant regulations.
If you need to drain the appliance, observe chapter “Draining the appliance”.
11.1 Draining the appliance
WARNING Burns
Hot water may escape during draining.
If the appliance needs to be drained for maintenance or to protect the whole installation from frost, proceed as follows:
- Close the shut-off valves in the inlet lines.
- Connect a drain line to the drain valve (not included in standard delivery).
- Open the drain valve.
- When the excess pressure has been released, open the air vent valve (see chapter “Specification / Dimensions and connections”) and drain the appliance.
Specification
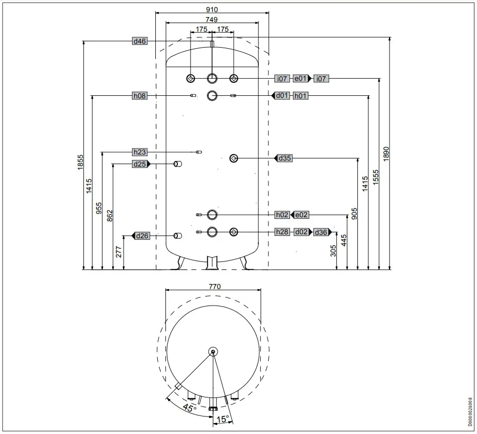
12.1 Dimensions and connections
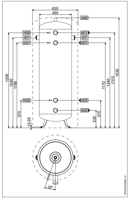
STH 210 Plus
| STH 210 Plus | ||||
| d01 | Heat pump flow | Male thread | G 2 A | |
| d02 | Heat pump return | Male thread | G 2 A | |
| d46 | Ventilation | Female thread | G 3/4 | |
| e01 | Heating flow | Male thread | G 2 A | |
| e02 | Heating return | Male thread | G 2 A | |
| h01 | Sensor heat pump flow | Diameter | mm | 9.5 |
| h02 | Sensor heat pump return | Diameter | mm | 9.5 |
| h08 | Sensor heat pump cooling | Diameter | mm | 9.5 |
| i07 | Electric emergency/booster heater | Female thread | G 1 1/2 |
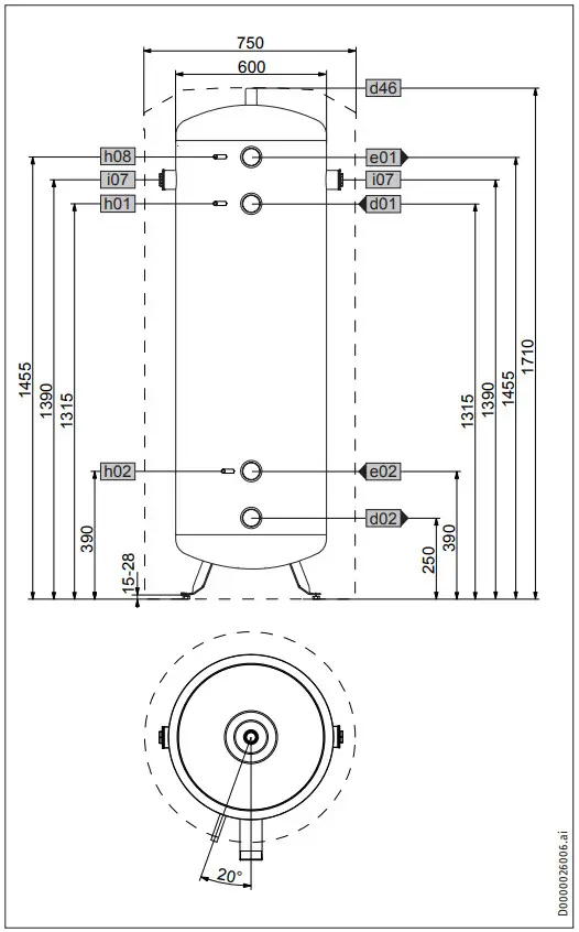
STH 415 Plus
| STH 415 Plus | ||||
| d01 | Heat pump flow | Male thread | G 2 A | |
| d02 | Heat pump return | Male thread | G 2 A | |
| d46 | Ventilation | Female thread | G 3/4 | |
| e01 | Heating flow | Male thread | G 2 A | |
| e02 | Heating return | Male thread | G 2 A | |
| h01 | Sensor heat pump flow | Diameter | mm | 9.5 |
| h02 | Sensor heat pump return | Diameter | mm | 9.5 |
| h08 | Sensor heat pump cooling | Diameter | mm | 9.5 |
| i07 | Electric emergency/booster heater | Female thread | G 1 1/2 |
STH 720 Plus | STH 720-1 Plus
| STH 720 Plus | STH 720-1 Plus | ||||
| a23 | Appliance | Width excl. side insulation sections | mm | 770 | 770 |
| d01 | Heat pump flow | Male thread | G 2 A | G 2 A | |
| d02 | Heat pump return | Male thread | G 2 A | G 2 A | |
| d25 | Solar flow | Female thread | G 1 | ||
| d26 | Solar return | Female thread | G 1 | ||
| d35 | Heat source flow optional | Female thread | G 1 1/2 | G 1 1/2 | |
| d36 | Heat source return optional | Female thread | G 1 1/2 | G 1 1/2 | |
| d46 | Ventilation | Female thread | G 3/4 | G 3/4 | |
| e01 | Heating flow | Male thread | G 2 A | G 2 A | |
| e02 | Heating return | Male thread | G 2 A | G 2 A | |
| h01 | Sensor heat pump flow | Diameter | mm | 9.5 | 9.5 |
| h02 | Sensor heat pump return | Diameter | mm | 9.5 | 9.5 |
| h08 | Sensor heat pump cooling | Diameter | mm | 9.5 | 9.5 |
| h23 | Sensor heat source optional | Diameter | mm | 9.5 | 9.5 |
| h28 | Sensor solar cylinder | Diameter | mm | 9.5 | |
| i07 | Electric emergency/booster heater | Female thread | G 1 1/2 | G 1 1/2 |
12.2 Energy consumption data
Product datasheet: Hot water storage tanks to regulation (EU) no. 812/2013 / (S.I. 2019 No. 539 / Schedule 2)
| STH 210 Plus | STH 415 Plus | STH 720 Plus | STH 720-1 Plus | ||
| 203763 | 203764 | 203765 | 203766 | ||
| Manufacturer | STIEBEL ELTRON | STIEBEL ELTRON | STIEBEL ELTRON | STIEBEL ELTRON | |
| Model identification of the supplier | STH 210 Plus | STH 415 Plus | STH 720 Plus | STH 720-1 Plus | |
| Energy efficiency class | B | B | |||
| standing loss S | W | 46 | 66 | 91 | 91 |
| storage volume V | 207 | 415 | 720 | 716 |
12.3 Data table
| STH 210 Plus | STH 415 Plus | STH 720 Plus | STH 720-1 Plus | ||
| 203763 | 203764 | 203765 | 203766 | ||
| Hydraulic data | |||||
| Nominal capacity | l | 207 | 415 | 720 | 703 |
| Capacity, lower indirect coil | l | 12.2 | |||
| Surface area, lower indirect coil | m² | 2 | |||
| Pressure drop at 1.0 m³/h, lower indirect coil | hPa | 28 | |||
| Application limits | |||||
| Max. permissible pressure | MPa | 0.3 | 0.3 | 0.3 | 0.3 |
| Test pressure | MPa | 0.45 | 0.45 | 0.45 | 0.45 |
| Max. charge/discharge flow rate | m³/h | 1.6 | 3.1 | 5.5 | 5.5 |
| Max. permissible temperature | °C | 95 | 95 | 95 | 95 |
| Max. recommended collector aperture area | m² | 14 | |||
| Energy data | |||||
| Standby energy consumption/24 h at 65 °C | kWh | 1.10 | 1.6 | 2.2 | 2.2 |
| Energy efficiency class | B | B | |||
| Dimensions | |||||
| Height | mm | 1535 | 1710 | 1890 | 1890 |
| Diameter | mm | 630 | 750 | 910 | 910 |
| Width excl. side insulation sections | mm | 770 | 770 | ||
| Height when tilted | mm | 1650 | 1800 | 2000 | 2000 |
| Weights | |||||
| Weight, full | kg | 258 | 481 | 885 | 902 |
| Weight, empty | kg | 58 | 81 | 185 | 216 |
Guarantee
The guarantee conditions of our German companies do not apply to appliances acquired outside of Germany. In countries where our subsidiaries sell our products a uarantee can only be issued by those subsidiaries. Such guarantee is only granted if the subsidiary has issued its own terms of guarantee. No other guarantee will be granted.
We shall not provide any guarantee for appliances acquired in countries where we have no subsidiary to sell our products. This will not affect warranties issued by any importers.
Environment and recycling
We would ask you to help protect the environment. After use, dispose of the various materials in accordance with national regulations.
Deutschland
STIEBEL ELTRON GmbH & Co. KG
Dr.-Stiebel-Straße 33 | 37603 Holzminden
Tel. 05531 702-0 | Fax 05531 702-480
[email protected]
www.stiebel-eltron.de
| Australia STIEBEL ELTRON Australia Pty. Ltd. 294 Salmon Street | Port Melbourne VIC 320Tel. 03 9645-1833 | Fax 03 9644-5091 [email protected] www.stiebel-eltron.com.au | France STIEBEL ELTRON SAS 7-9, rue des Selliers B.P 85107 | 57073 Metz-Cédex 3 Tel. 0387 7438-88 | Fax 0387 7468-26 [email protected] www.stiebel-eltron.fr |
| New Zealand Stiebel Eltron NZ Limited 61 Barrys Point Road | Auckland 0622 Tel. +64 9486 2221 [email protected] www.stiebel-eltron.co.nz | United States of America STIEBEL ELTRON, Inc. 17 West Street | 01088 West Hatfield MA Tel. 0413 247-3380 | Fax 0413 247-3369 [email protected] www.stiebel-eltron-usa.com |

Subject to errors and technical changes!
Chyby a
Stand 9726
A 348204-43999-9728
B 298683-42443-9558



















