STIEBEL ELTRON PSH 30 Trend Wall Mounted Cylinder

SPECIAL INFORMATION
- The appliance may be used by children aged 8 and up and persons with reduced physical, sensory or mental capabilities or a lack of experience and know-how provided that they are supervised or they have been instructed on how to use the appliance safely and have understood the resulting risks. Children must never play with the appliance. Children must never clean the appliance or perform user maintenance unless they are supervised.
- Only use a permanent connection to the power supply. The appliance must be able to be separated from the power supply by an isolator that disconnects all poles with at least 3 mm contact separation.
- The power cable must only be replaced (for example if damaged) with the original spare part by a qualified contractor authorised by the manufacturer.
- Fix the appliance in position as described in the chapter “Installation / Preparations”.
- Observe the maximum permissible pressure (see chapter Installation / Specification / Data table).
- The appliance is under pressure. During the heatup process, expansion water will drip from the safety valve.
- Regularly activate the safety valve to prevent it from becoming blocked e.g. by limescale deposits.
- Drain the appliance as described in the chapter “Installation / Maintenance / Emptying the appliance”.
- Install a type-tested safety valve in the cold water supply line. For this bear in mind that, depending on the static pressure, you may also need a pressure reducing valve.
- Size the drain so that water can drain off unimpeded when the safety valve is fully opened.
- Fit the discharge pipe of the safety valve with a constant downward slope and in a room free from the risk of frost.
- The safety valve discharge aperture must remain open to the atmosphere.
OPERATION
General information
The chapters “Operation” and “Special Information” are intended for both the user and qualified contractors. The chapter “Installation” is intended for qualified contractors.
Note: Read these instructions carefully before using the appliance and retain them for future reference. Pass on the instructions to a new user if required.
Safety instructions
Structure of safety instructions
KEYWORD Type of risk
Here, possible consequences are listed that may result from failure to observe the safety instructions. Steps to prevent the risk are listed
Keywords
KEYWORD Meaning
DANGER: Failure to observe this information will result in serious injury or death.
WARNING: Failure to observe this information may result in serious injury or death.
CAUTION: Failure to observe this information may result in non-serious or minor injury.
Safety
Intended use
The appliance is intended for heating domestic hot water and can supply one or more draw-off points. This appliance is intended for domestic use. It can be used safely by untrained persons. The appliance can also be used in a non-domestic environment, e.g. in a small business, as long as it is used in the same way.
Any other use beyond that described shall be deemed inappropriate. Using the appliance for heating fluids other than water or water supplemented with chemicals, such as brine, is also deemed inappropriate. Observation of these instructions and of instructions for any accessories used is also part of the correct use of this appliance.
Appliance description
General safety instructions
WARNING Burns: During operation, the tap and safety valve can reach temperatures in excess of 60 °C. There is a risk of scalding at outlet temperatures in excess of 43 °C.
WARNING Injury: The appliance may be used by children aged 8 and up and persons with reduced physical, sensory or mental capabilities or a lack of experience and know how provided that they are supervised or they have been instructed on how to use the appliance safely and have understood the resulting risks. Children must never play with the appliance. Children must never clean the appliance or perform user maintenance unless they are supervised.
Material losses
The user should protect the water lines and the safety valve from frost.
Note: The appliance is under pressure. During the heat-up process, expansion water will drip from the safety valve. If water continues to drip when heating is completed, please inform your qualified contractor.
Appliance description
The closed (pressure-tested) appliance heats DHW electrically. You can adjust the temperature using the temperature selector. Subject to the power supply, the water is heated automatically to the required temperature. The internal steel cylinder is coated with special “Co Pro” enamel and is equipped with a protective anode. The anode protects the internal cylinder from corrosion.
Frost protection
The appliance is also protected against frost by the temperature setting “*”, provided that the power supply is guaranteed. The appliance switches on in good time and heats the water. The appliance does not protect the water supply lines and the safety valve from frost.
Settings
The temperature can be freely adjusted.
- ON/OFF indicator
- Temperature selector
* Frost protection. Recommended energy saving position, low scaling, 60 °C Max Maximum temperature setting, 75 °C
Depending upon the system, the actual temperatures may vary from the set value.
ON/OFF indicator
The ON/OFF indicator illuminates when water is being heated.
Holiday and absence
- If the appliance is not to be used for a few days, set the temperature selector to a position between the frost protection and energy saving settings.
- If the appliance is not to be used for a longer period, set it to frost protection to conserve energy. If there is no risk of frost you may disconnect the appliance from the power supply.
- For reasons of hygiene, heat up the content of the water heater once to above 60 °C before initial use.
Cleaning, care and maintenance
- Have the electrical safety of the appliance and the function of the safety valve regularly checked by a qualified contractor.
- Have the protective anode initially checked by a qualified contractor after the first year. The qualified contractor will then determine the intervals at which it must be checked thereafter.
- Never use abrasive or corrosive cleaning agents. A damp cloth is sufficient for cleaning the appliance.
Scaling
- Almost every type of water will deposit lime at high temperatures. This settles inside the appliance and affects both the performance and service life. The heating elements must therefore be descaled from time to time. A qualified contractor who knows the local water quality will tell you when the next service is due.
- Check the taps/valves regularly. You can remove limescale deposits at the spouts using commercially available descaling agents.
- Regularly activate the safety valve to prevent it from becoming blocked e.g. by limescale deposits.
If you cannot remedy the fault, notify your qualified contractor. To facilitate and speed up your enquiry, please provide the numbers from the type plate (000000 and 0000-000000):
INSTALLATION
Safety
Only a qualified contractor should carry out installation, commissioning, maintenance and repair of the appliance.
General safety instructions
We guarantee trouble-free function and operational reliability only if original accessories and spare parts intended for the appliance are used.
Instructions, standards and regulations
Note: Observe all applicable national and regional regulations and instructions.
Appliance description
Standard delivery
The following are delivered with the appliance: Safety valve
The safety valve supplied must not be used in Belgium. For use here please use standard safety valves (see also pricelist).
Accessories
Pressure-tested taps are available as accessories:
Preparations
Installation site
The appliance is designed to be permanently wall-mounted to a solid surface. Ensure the wall offers adequate load bearing capacity. There should be a suitable drain near the appliance to drain off the expansion water. Always install the appliance vertically in a room free from the risk of frost and near the draw-off point. It may not be fitted in a corner since the screws for fixing the appliance to the wall must remain accessible.
Fitting the wall mounting bracket
Note: Ensure that the temperature selector is accessible from the front. The mounting bracket attached to the appliance has hook-in slots, which in most cases enables installation on the bolts that are already in place from previous appliances.
- Otherwise, transfer the dimensions for the holes to be drilled on the wall (see chapter “Specification / Dimensions and connections”).
- Drill the holes and secure the wall mounting bracket with screws and rawl plugs. Select fixing materials in accordance with the wall construction/condition.
- Hook the appliance with wall mounting brackets on to the screws or bolts. Observe the weight of the appliance when empty (see chapter “Specification / Data table”) and, if necessary, ask another person to help.
- Align the appliance horizontally.
Water connection
Material losses: Carry out all water connection and installation work in accordance with regulations.
Operate the appliance only with pressure-tested taps.
- Connect the hydraulic connections with flat gaskets.
Permissible materials
Material losses
When using plastic pipework, observe the manufacturer’s data and the chapter “Specification / Fault conditions”.
Cold water line
Galvanised steel, stainless steel, copper and plastic are approved materials.
DHW line
Stainless steel, copper and plastic pipework are approved materials.
Fitting the safety valve
Note: The safety valve supplied must not be used in Belgium. For use here please use standard safety valves (see also pricelist).
Note: If the water pressure is greater than 0.6 MPa, install a pressure reducing valve in the “cold water inlet”. The maximum permissible pressure must not be exceeded (see chapter “Specification / Data table”).
- Install a type-tested safety valve in the cold water supply line. Please note that, depending on the static pressure, you may also need a pressure reducing valve.
- Size the drain so that water can drain off unimpeded when the safety valve is fully opened.
- Fit the discharge pipe of the safety valve with a constant downward slope and in a room free from the risk of frost.
- The safety valve discharge aperture must remain open to the atmosphere.
Commissioning
Power supply
WARNING Electrocution
Carry out all electrical connection and installation work in accordance with relevant regulations. Before any work on the appliance, disconnect all poles from the power supply.
WARNING Electrocution
Only use a permanent connection to the power supply. The appliance must be able to be separated from the power supply by an isolator that disconnects all poles with at least 3 mm contact separation.
Electrocution
Ensure that the appliance is earthed.
Material losses
Install a residual current device (RCD).
Material losses
Observe the type plate. The specified voltage must match the mains voltage.
Power cable
DANGER Electrocution
The power cable must only be replaced (for example if damaged) with the original spare part by a qualified contractor authorised by the manufacturer. The appliance is supplied with a flexible power cable with wire ferrules and without plug, ready to connect.
- If the power cable is of insufficient length, unclamp it from the appliance. Use a suitable installation cable.
- When routing the new power cable, ensure that it is waterproof as it passes through the existing cable grommet, and is correctly routed and connected inside the appliance.
- Thoroughly flush out the cold water line before connecting the appliance, so that no foreign matter gets into the water heater or safety valve.
- Open the shut-off valve in the cold water feed line.
- Open a draw-off point until the appliance has filled up and the pipework is free of air.
- Adjust the flow rate. For this, observe the maximum permissible flow rate with a fully opened tap (see chapter “Specification / Data table”).
- If necessary reduce the flow rate at the butterfly valve of the safety valve.
- Turn the temperature selector to maximum.
- Switch the mains power ON.
- Check the function of the appliance. Ensure that the thermostat switches off.
- Check that the safety valve is working correctly.
Appliance handover
- Explain the function of the appliance and safety valve to users and familiarise them with their operation.
- Make users aware of potential dangers, especially the risk of scalding.
- Hand over these instructions.
Recommissioning
See chapter “Commissioning”.
Shutting down
Disconnect the appliance from the mains at the MCB/fuse in the fuse box. Drain the appliance. See chapter “Maintenance / Draining the appliance”.
Reset key, high limit safety cut-out
Maintenance
WARNING Electrocution
Carry out all electrical connection and installation work in accordance with relevant regulations. Before any work on the appliance, disconnect all poles of the appliance from the power supply. If you need to drain the appliance, observe chapter “Draining the appliance”.
Checking the safety valve
Test the safety valve regularly.
Draining the appliance
WARNING Burns
Hot water may escape during the draining process. If is necessary to drain the cylinder for maintenance or to protect the whole installation from frost, proceed as follows:
- Close the shut-off valve in the cold water feed line.
- Open the DHW valves of all draw-off points until the appliance is fully drained.
- Drain any residual water from the safety valve.
Checking / replacing the protective anode
- Check the protective anode after the first year of use and replace if necessary.
- Next, decide the time intervals at which further checks should be carried out.
Descaling
- Remove loose scale deposits from the water heater.
- If necessary, descale the inner cylinder with commercially available descaling agents.
- Only descale the flange after disassembly and never treat the cylinder surface and protective anode with descaling agents.
Maintenance
Anti-corrosion protection
Ensure that while carrying out maintenance work the anti-corrosion protection (560 Ω) is not damaged or removed. Reinsert the anti-corrosion protection correctly after replacement. 
Replacing the power cable
DANGER Electrocution
The power cable must only be replaced (for example if damaged) with the original spare part by a qualified contractor authorised by the manufacturer.
Replacing the combined controller/limiter

- Controller sensor
Limiter sensor
Insert the controller sensor and the limiter sensor into the sensor well as far as they will go.
Specification
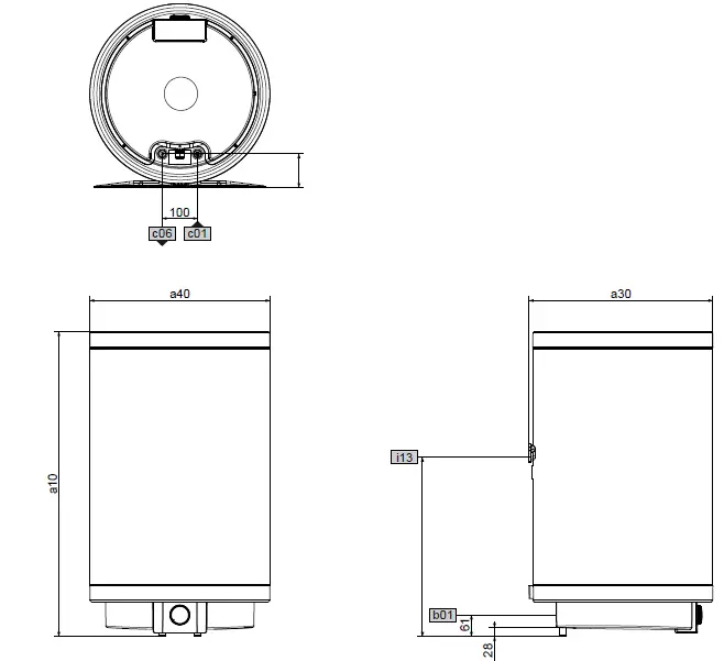
Dimensions and connections

| a10 | Appliance | Height | mm | 642 | 897 | 871 | 1025 | 1178 | 1410 | 1715 |
| a30 | Appliance | Depth | mm | 410 | 410 | 520 | 520 | 520 | 520 | 520 |
| a40 | Appliance | Diameter | mm | 405 | 405 | 510 | 510 | 510 | 510 | 510 |
| b01 | Entry electrical cables | Threaded fitting | PG 16 | PG 16 | PG 16 | PG 16 | PG 16 | PG 16 | PG 16 | |
| c01 | Cold water inlet | Male thread | G 1/2 A | G 1/2 A | G 1/2 A | G 1/2 A | G 1/2 A | G 1/2 A | G 1/2 A | |
| Rear clearance | mm | 85.5 | 85.5 | 95 | 95 | 95 | 95 | 95 | ||
| c06 | DHW outlet | Male thread | G 1/2 A | G 1/2 A | G 1/2 A | G 1/2 A | G 1/2 A | G 1/2 A | G 1/2 A | |
| Rear clearance | mm | 85.5 | 85.5 | 95 | 95 | 95 | 95 | 95 | ||
| i13 | Wall mounting bracket | Height | mm | 522 | 582 | 573 | 725 | 875 | 1114 | 1415 |
Wall mounting bracket

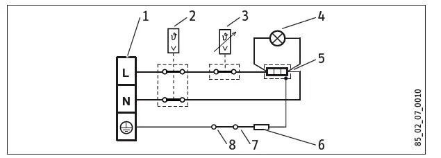
Wiring diagram

- Terminal
- High limit safety cut-out
- Temperature controller
- ON/OFF indicator
- Heating element
- Electrical resistance 560 ohm
- Anode
- Cylinder
Details on energy consumption
Product data complies with EU regulations relating to the Directive on the ecodesign of energy related products (ErP).
| PSH 30 Trend | PSH 50 Trend | PSH 80 Trend | PSH 100 Trend | PSH 120 Trend | PSH 150 Trend | PSH 200 Trend | ||
| 232080 | 232081 | 232082 | 232083 | 232084 | 232085 | 232086 | ||
| Manufacturer | STIEBEL EL- | STIEBEL EL- | STIEBEL EL- | STIEBEL EL- | STIEBEL EL- | STIEBEL EL- | STIEBEL EL- | |
| TRON | TRON | TRON | TRON | TRON | TRON | TRON | ||
| Load profile | S | M | M | L | L | L | XL | |
| Energy efficiency class | C | C | C | C | C | C | C | |
| Energy conversion efficiency | % | 34 | 37 | 36 | 38 | 38 | 37 | 38 |
| Annual power consumption | kWh | 544 | 1386 | 1412 | 2716 | 2723 | 2763 | 4367 |
| Default temperature setting | °C | 60 | 60 | 60 | 60 | 60 | 60 | 60 |
| Sound power level | dB(A) | 15 | 15 | 15 | 15 | 15 | 15 | 15 |
| Option for exclusive operation during off-peak periods | – | – | – | – | – | – | – | |
| Smart function | – | – | – | – | – | – | – | |
| Daily power consumption | kWh | 2.591 | 6.451 | 6.603 | 12.583 | 12.622 | 12.861 | 20.133 |
| Cylinder capacity | l | 30 | 50 | 80 | 100 | 120 | 150 | 192 |
Heat-up diagrams
The heat-up time depends on the cylinder capacity, cold water inlet temperature and heating output. Graph assumes 15 °C cold water inlet temperature 
Fault conditions
In the event of a fault, temperatures of up to 95 °C at 0.6 MPa can occur.
Details on energy consumption
Product data complies with EU regulations relating to the Directive on the ecodesign of energy related products (ErP).
Data table
| PSH 30 | PSH 50 | PSH 80 | PSH 100 | PSH 120 | PSH 150 | PSH 200 | ||
| Trend | Trend | Trend | Trend | Trend | Trend | Trend | ||
| 232080 | 232081 | 232082 | 232083 | 232084 | 232085 | 232086 | ||
| Hydraulic data | ||||||||
| Rated capacity | l | 30 | 50 | 80 | 100 | 120 | 150 | 192 |
| Mixed water volume 40 °C (15 °C/65 °C) | l | 52 | 99 | 142 | 186 | 224 | 288 | 351 |
| Electrical details | ||||||||
| Connected load with ~ 230 V | kW | 2 | 2 | 2 | 2 | 2 | 2 | 2 |
| Rated voltage | V | 220-240 | 220-240 | 220-240 | 220-240 | 220-240 | 220-240 | 220-240 |
| Phases | 1/N/PE | 1/N/PE | 1/N/PE | 1/N/PE | 1/N/PE | 1/N/PE | 1/N/PE | |
| Frequency | Hz | 50/60 | 50/60 | 50/60 | 50/60 | 50/60 | 50/60 | 50/60 |
| Single circuit operating mode | X | X | X | X | X | X | X | |
| Heat-up time 2.0 kW (15 °C/60 °C) | h | 0,80 | 1,33 | 2,13 | 2,66 | 3,20 | 4,00 | 5,34 |
| Application limits | ||||||||
| Available temperature range | °C | 30-75 | 30-75 | 30-75 | 30-75 | 30-75 | 30-75 | 30-75 |
| Max. permissible pressure | MPa | 0,6 | 0,6 | 0,6 | 0,6 | 0,6 | 0,6 | 0,6 |
| Test pressure | MPa | 0,2 | 0,2 | 0,2 | 0,2 | 0,2 | 0,2 | 0,2 |
| Max. permissible temperature | °C | 95 | 95 | 95 | 95 | 95 | 95 | 95 |
| Max. throughput | l/min | 23,5 | 23,5 | 23,5 | 23,5 | 23,5 | 23,5 | 23,5 |
| Min./max. conductivity, drinking water | μS/ cm | 100-1500 | 100-1500 | 100-1500 | 100-1500 | 100-1500 | 100-1500 | 100-1500 |
| Energy data | ||||||||
| Standby energy consumption/24 h at 65 °C | kWh | 0,53 | 0,73 | 0,79 | 0,98 | 1,15 | 1,33 | 1,61 |
| Energy efficiency class | C | C | C | C | C | C | C | |
| Versions | ||||||||
| Sealed unvented type | X | X | X | X | X | X | X | |
| IP-Rating | IP25 | IP25 | IP25 | IP25 | IP25 | IP25 | IP25 | |
| Power cable | X | X | X | X | X | X | X | |
| Power cable length approx. | mm | 1000 | 1000 | 1000 | 1000 | 1000 | 1000 | 1000 |
| Frost protection setting | °C | 7 | 7 | 7 | 7 | 7 | 7 | 7 |
| Colour | white | white | white | white | white | white | white | |
| Dimensions | ||||||||
| Height | mm | 642 | 897 | 871 | 1025 | 1178 | 1410 | 1715 |
| Depth | mm | 410 | 410 | 520 | 520 | 520 | 520 | 520 |
| Diameter | mm | 405 | 405 | 510 | 510 | 510 | 510 | 510 |
| Weights | ||||||||
| Weight (wet) | kg | 46,4 | 71,4 | 108,2 | 133,6 | 159,1 | 196,2 | 248,3 |
| Weight (dry) | kg | 16,4 | 21,4 | 28,2 | 33,6 | 39,1 | 46,2 | 56,3 |
Guarantee
The guarantee conditions of our German companies do not apply to appliances acquired outside of Germany. In countries where our subsidiaries sell our products a guarantee can only be issued by those subsidiaries. Such guarantee is only granted if the subsidiary has issued its own terms of guarantee. No other guarantee will be granted. We shall not provide any guarantee for appliances acquired in countries where we have no subsidiary to sell our products. This will not affect warranties issued by any importers.
Environment and recycling
We would ask you to help protect the environment. After use, dispose of the various materials in accordance with national regulations.
References
eltron.at
ELTRON • IT-oplossingen op maat. Gespecialiseerd in facturatiesoftware
This domain has been registered for a customer by nicsell
eltron.co.uk
eltron.cz
Sachverständigenbüro ELTRON - Startseite
The domain name eltron.nl is available for rent
ELTRON
eltron.ru
Tankless Water Heater | Renewable Energy | Stiebel Eltron USA
STIEBEL ELTRON | Technik zum Wohlfühlen
Warmtepompen - warwater - verwarming | STIEBEL ELTRON
STIEBEL ELTRON | Wärmepumpen-Spezialist
Home - Stiebel Eltron UK
STIEBEL ELTRON International
STIEBEL ELTRON | Tepelná čerpadla | větrání | vytápění | ohřev vody
STIEBEL ELTRON | Technik zum Wohlfühlen
STE - Thermia Redirect | Thermia
STIEBEL ELTRON - Fabricant Allemand de pompes à chaleur
STIEBEL ELTRON - Főoldal
STIEBEL ELTRON
STIEBEL ELTRON | Pompy ciepła | Wentylacja | Ogrzewacze wody i pomieszczeń
STIEBEL ELTRON | Официальный сайт | Интернет-магазин
STIEBEL ELTRON | Ohrev vody, vykurovanie, vetranie, chladenie
Instantaneous Hot Water Systems, Electric Water Heaters - STIEBEL ELTRON
世创电能(原斯宝亚创)| STIEBEL ELTRON CHINA
stiebeleltronasia.com



















