STIEBEL ELTRON SBB 302 WP Floorstanding DHW Cylinder

General information
The chapter “Operation” is intended for appliance users and heating contractors. The chapter “Installation” is intended for heating contractors.
Note
Read these instructions carefully before using the appliance and retain them for future reference. Pass on the instructions to a new user if required.
Further applicable documents
Heat source operating and installation instructions Solar controller operating and installation instructions
Safety instructions
Structure of safety instructions
KEYWORD Type of risk
Here, possible consequences are listed that may result from failure to observe the safety instructions.
- Steps to prevent the risk are listed.
Symbols, type of risk

Keywords

Safety
Other symbols in this documentation
Note
General information is identified by the symbol shown on the left.
- Read these texts carefully.

- This symbol indicates that you have to do something. The action you need to take is described step by step.
Units of measurement
Note
All measurements are given in mm unless stated otherwise.
Intended use
The appliance is specifically designed for heating DHW with heat pumps. This appliance is designed for domestic use. It can be used safely by untrained persons. The appliance can also be used in a non-domestic environment, e.g. in a small business, as long as it is used in the same way. SBB WP (AU) | SBB WP SOL (AU) must only be connected to specified heat pumps and solar pump assemblies. (see chapter “Specification / Heat sources”. Any other use beyond that described shall be deemed inappropriate. Observation of these instructions is also part of the correct use of this appliance. Any modifications or conversions to the appliance void all warranty rights.
Safety instructions
WARNING Burns
There is a risk of scalding at outlet temperatures in excess of 43 °C.
WARNING Injury
The appliance may be used by children aged 8 and up and persons with reduced physical, sensory or mental capabilities or a lack of experience provided that they are supervised or they have been instructed on how to use the appliance safely and have understood the resulting risks. Children must never play with the appliance. Children must never clean the appliance or perform user maintenance unless they are supervised.
Note
The appliance is under pressure. During the heating process, expansion water will drip from the expansion valve or the T&P valve into the tundish. If water continues to drip when heating is completed, please inform your heating contractor.
Test symbols
See type plate on the appliance.
Appliance description
The heat from the heat pump‘s heating water is transferred to the DHW by the smooth-tube indirect coil. The internal steel cylinder is coated in “anticor®” enamel and is equipped with a thermometer and a signal anode. The anode with a consumption indicator protects the internal cylinder from corrosion.
SBB 401 WP SOL (AU) | SBB 501 WP SOL (AU)
These appliances are also equipped with a second indirect coil for DHW heating with solar energy
Cleaning, care, and maintenance
- Have the function of the safety assembly and electrical safety of the fitted accessories regularly checked by a qualified contractor.
- Never use abrasive or corrosive cleaning agents. A damp cloth is sufficient for cleaning the appliance.
The signal anode consumption indicator
Material losses
If the consumption indicator changes color from white to red, have the signal anode checked by a heating contractor and if necessary replaced.
- Signal anode consumption indicator
- white = anode OK
- Red = check by heating contractor required
Scaling
- Almost every type of water deposits limescale at high temperatures. This settles inside the appliance and affects both the performance and service life. If a flanged immersion heater is installed, the heating elements must be descaled from time to time. A heating contractor who knows the local water quality will tell you when the next service is due.
- Check the taps/valves regularly. You can remove limescale deposits at the tap outlets using commercially available descaling agents.
Troubleshooting
Telephone your contractor.
To facilitate and speed up your enquiry, please provide the serial number from the type plate (000000-0000-000000):
Safety
Only a qualified contractor should carry out the installation, commissioning, maintenance and repair of the appliance.
General safety instructions
We guarantee trouble-free operation and operational reliability only if the original accessories and spare parts intended for the appliance are used.
Regulations, standards and instructions
Note
Observe all applicable national and regional regulations and instructions.
Information for Australia/New Zealand
The installation of this product must comply with the requirements of AS/NZS 3500.4.
Water installation
Safety instructions
Material losses
Install the T&P valve.
Cold water line
Steel or copper pipes or plastic pipework are approved materials.
Material losses
A safety valve is required.
DHW line
Copper, stainless steel or plastic pipework are approved materials.
Material losses
If a flanged immersion heater is fitted and plastic pipework systems are used at the same time, observe the maximum permissible temperature / the maximum permissible pressure in chapter “Specification / Data table”. Operate the appliance only with pressure-tested taps and valves.
Appliance description
Standard delivery
Delivered with the appliance:
- Cold water inlet pipe with flat gasket
- Adhesive rosettes for connecting lines
- Adjustable feet
- Fixing straps with closure element
- Thermometer (in its delivered condition located in the DHW outlet)
Accessories
If it is not possible to fit an anode rod from above, install a segmented signal anode. Flanged immersion heaters and electric booster heaters are available as accessories.
Only the following accessories should be used:
- Flanged immersion heater: FCR 21/60 (part number 071330)
- Electric booster heater: BGC/45 (part number 075115)
- Corrugated connection pipe with union nut and threaded end for optional linking of the lower and upper indirect coils:
WRV 32 (part number 232628)
SBB WP (AU) | SBB WP SOL (AU) must only be connected to specified heat pumps and solar pump assemblies. (see chapter “Specification / Heat sources”.
Preparations
Installation site
Always install the appliance in a room free from the risk of frost and near the draw-off point. Ensure the floor offers sufficient stability (see chapter “Specification / Data table” for weight).
- Use the adjustable feet to compensate for any unevenness in the floor.
Minimum clearances
- Maintain the minimum clearances.
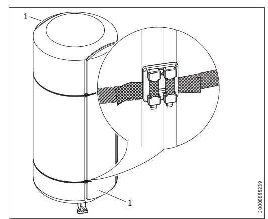
Transport
Material losses
We recommend removing the cylinder casing for transportation to the installation location to prevent it from becoming dirty or damaged.
SBB 501 WP SOL (AU)
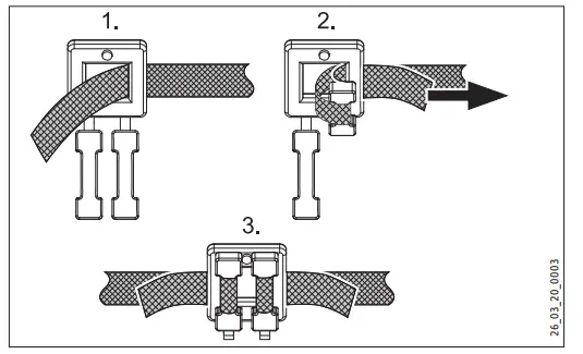
- Both side insulation sections can be removed for transportation in tight spaces. To do this, remove the cylinder casing.

- Use the fixing straps to refit the thermal insulation sections after transportation.
Side thermal insulation section
- Ensure that the closures are in the joint between a side thermal insulation section and the thermal insulation of the cylinder.
Preparing for installation

Removing/fitting the cylinder casing
Note
Open or remove the cylinder casing before fitting the high limit safety cut-out and DHW circulation/indirect coil lines. Fit the cylinder casing before fitting a flanged immersion heater. The plinth trim should be fitted after the tightness check.
Checking the signal anode
Material losses
The appliance must not be operated without a consumption indicator or with a damaged one, otherwise water will leak out once the anode is depleted.
Heating installation
The connected heat source must not exceed a maximum flow temperature of 60 °C or must, alternatively, be equipped with a high limit safety cut-out. You may also install a motorised valve that interrupts the cylinder heating by the heat source.
- Flush the indirect coils with water before connecting the heating water pipes.
Water quality, solar circuit
A glycol/water mixture of up to 60 % is permitted for the indirect coil in the solar circuit if only dezincification-resistant metals, glycol-resistant gaskets and diaphragm expansion vessels suitable for glycol are used throughout the installation.
Oxygen diffusion
Material losses
Avoid open heating systems and plastic pipes in underfloor heating systems which are permeable to oxygen.
In underfloor heating systems with plastic pipes that are permeable to oxygen and in open vented heating systems, oxygen diffusion may lead to corrosion on the steel components of the heating system (e.g. on the indirect coil of the DHW cylinder, on buffer cylinders, steel heating elements or steel pipes).
Material losses
The products of corrosion (e.g. rusty sludge) can settle in the heating system components and can result in a lower output or fault shutdowns due to reduced cross-sections.
Solar installation
The circuit must include an air-vent, a check valve and an expansion vessel. The check valve is not required if you are utilising a Solar compact installation.
- Flush the solar indirect coil with water before connecting the solar circuit.
SBB 401 WP SOL (AU) | SBB 501 WP SOL (AU) without solar installation
- Connect both indirect coils to the “heat pump heating return” and “solar flow” connections (see chapter “Specification / Dimensions and connections”).
Fitting the water connection and the safety assembly
Note
Carry out all water connection and installation work in accordance with regulations.
- Flush the line thoroughly.
The max. permissible pressure must not be exceeded (see chapter “Specification / Data table”). - Install a type-tested safety valve in the cold water supply line. Please note that, depending on the static pressure, you may also need a pressure reducing valve.

- Cold water connection
- Cold water inlet pipe
- Connect the cold water supply directly to the cylinder or with the connecting pipe routed between the cylinder feet.
- During fitting, counterhold the fitting with an open-ended spanner (size 36).
- Check the rigidity of the connecting pipe and secure it further if required. See chapter “Specification / Hydraulic diagram” for general arrangement in schematic form. You can fit the safety assembly in various positions to suit the space available but it must be placed in the same order as shown. The safety assembly provided in the pack is fitted to the cold water supply with the exception of the T&P valve which is fitted at the top of the DHW cylinder. DHW cylinder relief valve connections should not be used for other purpose. No valve should be fitted between the expansion valve and the DHW cylinder.
- To obtain a balanced water pressure in the cold water and DHW lines, position the cold water outlet directly on the outlet side of the pressure reducing valve.
- The expansion valve should not respond under normal operating conditions as the expansion vessel will accommodate the water as it expands during the heating process.
- If a secondary return circuit is used then an additional expansion vessel may be required.
- Run the expansion valve outlet and that of the T&P valve to a drain via a tundish. The purpose of the tundish is to let water be seen should these valves respond. The outlet pipe should not exceed 9 metres in length without forming an air break, i.e. tundish. The pipe must fall continuously throughout its length with no additional 90° bends. It must be heat resistant and discharge to a safe visible position away from any electrical devices. The pipe diameter must not be smaller than the valve outlet. The two discharge pipes can be joined together at the point of discharge into a single tundish if required.
- Size the drain so that water can drain off unimpeded when the safety valve is fully opened. The blow-off aperture of the safety valve must remain open towards the atmosphere.
- Fit the blow-off line of the safety assembly with a constant slope.
- Observe the information in the installation instructions of the safety assembly.
Fitting the thermometer and DHW sensor
- Thermometer
- Insert the thermometer as far as it will go and align it.
- Insert the DHW sensor into the upper “Sensor heat pump DHW” sensor well (recommended position for energy saving). For higher levels of DHW convenience, you can alternatively insert the DHW sensor into the lower “Sensor heat pump DHW optional” sensor well (higher energy demand).
Commissioning
Note
Some fluxes used to solder pipes and fittings need to be flushed out with hot water. Where this is the case the cylinder should be heated to its normal operating temperature and all pipe work flushed with hot water to ensure all flux and debris is removed from the system.
DHW system
- Open all taps.
- Open the shut-off valve in the cold water feed line. Allow the system to fill and flush out all flux and debris from the installation.
- Close all taps.
- Open a downstream draw-off point until the appliance has filled up and the pipes are free of air.
- Check the function of the fitted accessories.
- Check that the DHW temperature on the heat pump control unit is displayed correctly.
Heating system
- Observe the operating and installation instructions of the heat pump.
- Vent the indirect coils after filling the heat pump system.
Solar system
- Observe the operating and installation instructions of the solar pump assembly.
- Vent the indirect coils after filling the solar system.
Appliance handover
- Explain the appliance function to users and familiarise them with its operation.
- Make users aware of potential dangers, especially the risk of scalding.
- Hand over these instructions.
Shutting down
- Disconnect the appliance from the mains at the MCB/fuse in the fuse box.
- Drain the appliance. See chapter “Maintenance / Draining the appliance”.
Troubleshooting

Maintenance
WARNING Electrocution
Carry out all electrical connection and installation work in accordance with relevant regulations.
If you need to drain the appliance, observe chapter “Draining the appliance”.
Checking the safety valve
- Regularly vent the expansion valve on the safety assembly until a full water jet is discharged.
- Close the expansion valve when the check is complete.
- Check the T&P valve for tightness.
Draining the appliance
WARNING Burns
Hot water may escape during the draining process
If the cylinder needs to be drained for maintenance or to protect the whole installation when there is a risk of frost, proceed as follows:
- Close the shut-off valve in the cold water line.
- Open the hot water taps on all draw-off points.
- Drain the appliance via the drain valve of the safety assembly
Replacing the signal anode
- Replace the signal anode if it becomes depleted. Ensure there is a good connection between the anode and the cylinder (maximum permissible transition resistance 0.3 Ω).
Cleaning and descaling the appliance
You can use the flange aperture as an inspection port to view the cylinder interior.
- Threaded extraction holes
- Use the threaded lift-off holes to release the flange plate from the flange connector
For the torque of the flange screws, see chapter “Specification / Dimensions and connections”. Never use descaling pumps. Never treat the cylinder surface or the signal anode with descaling agents.
Specification
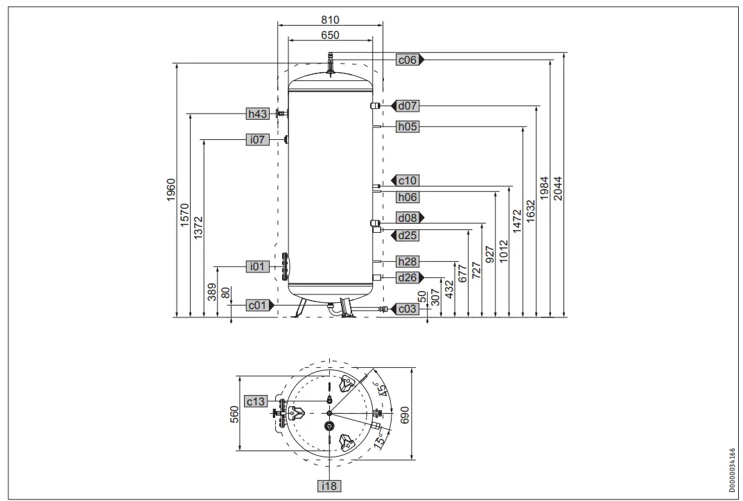
Dimensions and connections
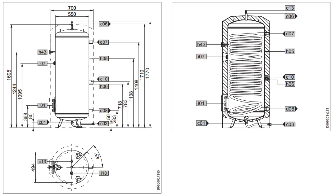
SBB 302 WP (AU)
| c01 | Cold water inlet | Male thread | G 1 A | |
| c03 | Cold water inlet pipe | Male thread | G 1 A | |
| Torque | nm | 100 | ||
| c06 | DHW outlet | Male thread | G 1 A | |
| c10 | DHW circulation | Male thread | G 1/2 A | |
| c13 | T&P valve | Female thread | Rp 3/4 | |
| d07 | Heat pump heating flow | Female thread | G 1 1/2 | |
| d08 | Heat pump heating return | Female thread | G 1 1/2 | |
| h05 | Sensor heat pump DHW | Diameter | mm | 9.5 |
| h06 | Sensor heat pump DHW optional | Diameter | mm | 9.5 |
| h43 | Thermometer | Diameter | mm | 9.5 |
| i01 | Flange | Diameter | mm | 210 |
| Pitch circle diameter | mm | 180 | ||
| Screws | M 12 | |||
| Torque | nm | 55 | ||
| i07 | elec. emergency/booster heater | Female thread | G 1 1/2 | |
| i18 | Protective anode | Female thread | G 1 1/4 |
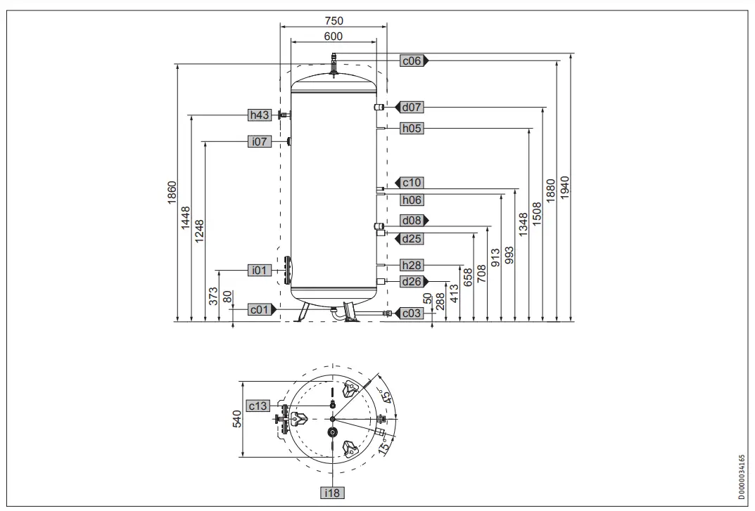
SBB 401 WP SOL (AU)

SBB 501 WP SOL (AU)


Data table
Note
Observe the data table of the connected heat source.
| SBB 302 WP (AU) | SBB 401 WP SOL (AU) | SBB 501 WP SOL (AU) | ||||
| 200021 | 200022 | 200023 | ||||
| Hydraulic data | ||||||
| Rated capacity | l | 290 | 395 | 495 | ||
| Content, indirect coil, top | l | 28.40 | 25.20 | 31.70 | ||
| Capacity, lower indirect coil | l | 9.20 | 9.20 | |||
| Surface, indirect coil, top | m² | 4.80 | 4.00 | 5.00 | ||
| Surface area, lower indirect coil | m² | 1.40 | 1.40 | |||
| Pressure drop at 1.0 m³/h, indirect coil, top | hPa | 56 | 47 | 58 | ||
| Pressure drop at 1.0 m³/h, indirect coil, bottom | hPa | 17 | 17 | |||
| Mixed water volume 40 °C (15 °C/60 °C) | l | 514 | 681 | 857 | ||
| Application limits | ||||||
| Max. permissible pressure | MPa | 1.00 | 1.00 | 1.00 | ||
| Test pressure | MPa | 1.50 | 1.50 | 1.50 | ||
| Max. permissible temperature | °C | 95 | 95 | 95 | ||
| Max. throughput | l/min | 38 | 45 | 50 | ||
| Max. recommended collector aperture area | m² | 8 | 10 | |||
| Energy data | ||||||
| Standby energy consumption/24 h at 65 °C | kWh | 2.10 | 2.40 | 2.40 | ||
| Values | ||||||
| T&P valve, nominal set temperature | °C | 99 | 99 | 99 | ||
| T&P valve, nominal set pressure | MPa | 0.85 | 0.85 | 0.85 | ||
| Dimensions | ||||||
| Height | mm | 1710 | 1880 | 1988 | ||
| Diameter | mm | 700 | 750 | 810 | ||
| Height of unit when tilted | mm | 1750 | 1930 | 2035 | ||
| Weights | ||||||
| Weight (wet) | kg | 457 | 595 | 730 | ||
| Weight (dry) | kg | 184 | 189 | 222 | ||
| Further details | ||||||
| SBB 302 WP (AU) | SBB 401 WP SOL (AU) | SBB 501 WP SOL (AU) | ||||
| 200021 | 200022 | 200023 | ||||
| Maximum altitude for installation | m | 2000 | 2000 | 2000 | ||
Further details
Guarantee
The guarantee conditions of our German companies do not apply to appliances acquired outside of Germany. In countries where our subsidiaries sell our products a guarantee can only be issued by those subsidiaries. Such guarantee is only granted if the subsidiary has issued its own terms of guarantee. No other guarantee will be granted. We shall not provide any guarantee for appliances acquired in countries where we have no subsidiary to sell our products. This will not affect warranties issued by any importers.
Environment and recycling
We would ask you to help protect the environment. After use, dispose of the various materials in accordance with national regulations.
Stiebel Eltron Warranty for Water Heaters – Models SBB 302 WP (AU), SBB 401 WP SOL (AU) and SBB 501 WP SOL (AU)
Who gives the warranty
- The warranty is given by Stiebel Eltron (Aust) Pty Ltd (A.B.N. 82 066 271 083) of 294 Salmon Street, Port Melbourne, Victoria, 3207 (“we”, “us” or “our”).
The warranty - This warranty applies to Stiebel Eltron Water Heaters
- Models SBB 302 WP (AU), SBB 401 WP SOL (AU) and SBB 501 WP SOL (AU) (the “unit”).
- Subject to the warranty exclusions we will repair or replace, at our absolute discretion, a faulty component in your unit free of charge if it fails to operate in accordance with its specifications during the warranty period.
- If we repair or replace a faulty component to your unit under this warranty, the warranty period is not extended from the time of the repair or replacement.
- The warranty period commences on the date of completion of the installation of the unit. Where the date of completion of installation is not known, then the warranty period will commence 2 months after the date of manufacture.
- The warranty period for a unit used for domestic purposes is shown in the table below. Domestic purposes means that the unit is used in a domestic dwelling.

- The warranty period for a unit used for commercial purposes is shown in the table below. Commercial purposes means that the unit is used for a non-domestic purpose and includes but not limited to being used in a motel, hotel, mining camp or nursing home.
Your entitlement to make a warranty claim - You are entitled to make a warranty claim if:
- you own the unit or if you have the owner’s consent to represent the owner of the unit;
- you contact us within a reasonable time of discovering the problem with the unit; How you make a warranty claim
- To make a warranty claim you must provide us with the following information:
- The model number of the unit;
- A description of the problem with the unit;
- The name, address and contact details (such as phone number and e-mail address) of the owner;
- The address where the unit is installed and the location (e.g. in laundry);
- The serial number of the unit;
- The date of purchase of the unit and the name of the seller of the unit;
- The date of installation of the unit;
- A copy of the certificate of compliance when the unit was installed.
- The contact details for you to make your warranty claim are:

- We will arrange a suitable time with you to inspect and test the unit.
Warranty exclusions - We may reject your warranty claim if:
- The unit was not installed by registered and qualified tradespeople.
- The unit was not installed and commissioned:
- in Australia;
- in accordance with the Operating and Installation Guide; and
- in accordance with the relevant statutory and local requirements of the State or Territory in which the unit is installed.
- The unit has not been operated or maintained in accordance with the Operating and Installation Guide.
- The unit does not bear its original Serial Number or Rating Label.
- The unit was damaged by any or any combination of the following:
- normal fair wear and tear;
- connection to an incorrect water supply;
- connection to water from a bore, dam or swimming pool;
- connection to an incorrect power supply;
- connection to faulty equipment, such as damaged valves;
- foreign matter in the water supply, such as sludge or sediment;
- corrosive elements in the water supply;
- accidental damage;
- act of God, including damage by flood, storm, fire, lightning strike and the like;
- excessive water pressure, negative water pressure (partial vacuum) or water pressure pulsation.
- ingress of vermin.
- The unit was damaged before it was installed e.g. it was damaged in transit.
- An unauthorised person has modified, serviced, repaired or attempted to repair the unit without our consent.
- Non genuine parts other than those manufactured or approved by us have been used on the unit.
- We may charge you:
- for any additional transport costs if the unit is installed more than 30 kilometers from our closest authorised service technician.
- for the extra time it takes our authorized service technician to access the unit for inspection and testing if it is not sited in accordance with the Operating and Installation Guide and not readily accessible for inspection.
- for any extra costs of our authorized service technician to make the unit safe for inspection.
- You must ensure that access to the unit by our authorised service technician is safe and free from obstruction.
- Our authorized service technician may refuse to inspect and test the unit until you provide safe and free access to it, at your cost.
- If we reject your warranty claim in accordance with clause 12, we may charge you for our authorised service technician’s labour costs to inspect and test the unit.
- In order to properly test the unit we may remove it to another location for testing.
Australian Consumer Law - Our goods come with guarantees that cannot be excluded under the Australian Consumer Law. You are entitled to a replacement or refund for a major failure and compensation for any other reasonably foreseeable loss or damage. You are also entitled to have the goods repaired or replaced if the goods fail to be of acceptable quality and the failure does not amount to a major failure.
- The Stiebel Eltron warranty for the unit is in addition to any rights and remedies you may have under the Australian Consumer Law.
Deutschland
STIEBEL ELTRON GmbH & Co. KG
Dr.-Stiebel-Straße 33 | 37603 Holzminden
Tel. 05531 702-0 | Fax 05531 702-480
[email protected]
www.stiebel-eltron.de
Verkauf Tel. 05531 702-110 | Fax 05531 702-95108 | [email protected]
Kundendienst Tel. 05531 702-111 | Fax 05531 702-95890 | [email protected]
Ersatzteilverkauf www.stiebel-eltron.de/ersatzteile | [email protected]
Australia
STIEBEL ELTRON Australia Pty. Ltd.
294 Salmon Street | Port Melbourne VIC 3207
Tel. 03 9645-1833 | Fax 03 9644-5091
[email protected]
www.stiebel-eltron.com.au
China
STIEBEL ELTRON (Tianjin) Electric Appliance Co., Ltd.
Plant C3, XEDA International Industry City Xiqing Economic Development Area 300385 Tianjin
Tel. 022 8396 2077 | Fax 022 8396 2075
[email protected]
www.stiebeleltron.cn
France
STIEBEL ELTRON SAS
7-9, rue des Selliers
B.P 85107 | 57073 Metz-Cédex 3
Tel. 0387 7438-88 | Fax 0387 7468-26
[email protected]
www.stiebel-eltron.fr
New Zealand
Stiebel Eltron NZ Limited
61 Barrys Point Road | Auckland 0622
Tel. +64 9486 2221
[email protected]
www.stiebel-eltron.co.nz
South Africa
STIEBEL ELTRON Southern Africa (PTY) Ltd
30 Archimedes Road
Wendywood
Johannesburg, 2090
Tel. +27 10 001 85 47
[email protected]
www.stiebel-eltron.co.za
United Kingdom and Ireland
STIEBEL ELTRON UK Ltd.
Unit 12 Stadium Court
Stadium Road | CH62 3RP Bromborough
Tel. 0151 346-2300 | Fax 0151 334-2913
[email protected]
www.stiebel-eltron.co.uk
United States of America
STIEBEL ELTRON, Inc.
17 West Street | 01088 West Hatfield MA
Tel. 0413 247-3380 | Fax 0413 247-3369
[email protected]
www.stiebel-eltron-usa.com
Subject to errors and technical changes!
























