stiebel-eltron HSTP 200 Sealed unvented floor standing DHW 
SPECIAL INFORMATION
- The appliance may be used by children aged 3 and older and persons with reduced physical, sensory or mental capabilities or a lack of experience and know-how, provided that they are supervised or they have been instructed on how to use the appliance safely and have understood the resulting risks. Children must never play with the appliance. Children must never clean the appliance or perform user maintenance unless they are supervised.
- The connection to the power supply is only permissible as a permanent connection in conjunction with the removable cable grommet. Ensure the appliance can be separated from the power supply by an isolator that disconnects all poles with at least 3 mm contact separation.
- Observe the maximum permissible pressure (see chapter Installation/ Specification/ Data table).
- The appliance is pressurised. During the heat-up process, expansion water will drip from the safety valve.
- Regularly activate the safety valve to prevent
it from becoming blocked, e.g. by limescale deposits. - Drain the appliance as described in chapter “Installation/ Maintenance/ Draining the appliance”.
- Install a type-tested safety valve in the cold water supply line. Please note that, depending on the static pressure, you may also need a pressure reducing valve.
- Size the drain so that water can drain off unimpeded when the safety valve is fully opened.
- Fit the discharge pipe of the safety valve with
a constant downward slope and in a room free from the risk of frost. - The safety valve discharge aperture must remain open to atmosphere.
- Install a residual current device (RCD).
OPERATION
General information
The chapter “Operation” is intended for appliance users and qualified contractors.
The chapter “Installation” is intended for qualified contractors.
Note
Read these instructions carefully before using the appliance and retain them for future reference.
Pass on the instructions to any new user where appropriate.
Safety instructions
Layout of safety instructions
KEYWORD Type of risk
Here, possible consequences are listed that may result from failure to observe the safety instructions. Steps to prevent the risk are listed.
Symbols, type of risk
Injury
Electrocution
Burns (burns, scalding)
Keywords
- DANGER
- Failure to observe this information will result in serious injury or death
- WARNING
- Failure to observe this information may result in serious injury or death
- CAUTION
- Failure to observe this information may result in non serious or minor injury.
Other symbols in this documentation
Note
General information is identified by the adjacent symbol.
► Read these texts carefully.
Material losses
(appliance damage, consequential losses and environmental pollution
Appliance disposal
► This symbol indicates that you have to do something. The action you need to take is described step by step.
Units of measurement
Note: All measurements are given in mm unless stated otherwise.
Safety
Intended use
This appliance is designed to heat DHW.
This appliance is designed for domestic use. It can be used safely by untrained persons. The appliance can also be used in a nondomestic environment, e.g. in a small business, as long as it is used in the same way.
Any other use beyond that described shall be deemed inappropriate Observation of these instructions and of instructions for any accessories used is also part of the correct use of this appliance. Any modifications or conversions to the appliance void all warranty rights.
General safety instructions
WARNING Burns
There is a risk of scalding at outlet temperatures in excess of 43 °C.
WARNING Injury
The appliance may be used by children aged 3 and up and persons with reduced physical, sensory or mental capabilities or a lack of experience provided that they are supervised or they have been instructed on how to use the appliance safely and have understood the resulting risks. Children must never play with the appliance. Children must never clean the appliance or perform user maintenance unless they are supervised.
Note
The appliance is under pressure. During the heat-up process, expansion water will dri from the safety valve. If water continues to drip when the heat-up process is completed, please inform your qualified contractor
Test symbols
See type plate on the appliance
Appliance description
The appliance electrically heats domestic hot water, the temperature of which you can control with the temperature selector.
Subject to the power supply and operating mode, the water is heated automatically to the required temperature. You can use the appliance to supply one or several draw-off points.
The internal steel cylinder is coated with special direct “‘anticor<ll'” enamel and equipped with a protective anode. This anode protects the inside of the cylinder from corrosion.
The appliance is also protected against frost on the temperature setting “cold” as long as the power supply is guaranteed. The appliance switches on in good time and heats the water. The water line and the safety assembly are not protected against frost by the appliance.
Single circuit operation
The appliance automatically heats up at any temperature setting subject to the availability of power.
Dual circuit opera ti on During off-peak tariff periods (cheap rate periods of power supply utilities), the appliance automatically heats up the water content with standard heating output at any temperature settings. In addition, you can start the booster heater during peak tariff periods.
Settings
The temperature is infinitely adjustable. Depending upon the system, the temperatures may vary from the set value. 
- Cold
- I Low temperature setting, approx. 40 °C
- E Recommended energy saving position, low scaling, approx. 60 °C
- Ill Maximum temperature setting 82 °C
Temperature selection is limited in the delivered condition. This limitation can be cancelled by a qualified contractor (see chapter “Commissioning”‘).
Dual circuit operation with booster heater 
Booster heater push button
If required, you can switch on the booster heater with the pushbutton.
The booster heater stops and will not restart when the selected temperature has been reached.
Cleaning, care and maintenance
- Have the electrical safety of the appliance and the function of the safety assembly regularly checked by a qualified contractor.
- Have the protective anode checked by a qualified contractor after the first two years of use. The qualified contractor will then determine the intervals at which it must be checked thereafter.
- Never use abrasive or corrosive cleaning agents. A damp cloth is sufficient for cleaning the appliance.
Scaling
Almost every type of water deposits limescale at high temperatures.
- This settles inside the appliance and affects both the performance and service life. The heating elements must therefore
be descaled from time to time. A qualified contractor who knows the local water quality will tell you when the next service is due. - Check the taps/valves regularly. You can remove limescale deposits at the tap outlets using commercially available descaling agents.
- Regularly activate the safety valve to prevent it from becoming blocked e.g. by limescale deposits
Troubleshooting
- Problem
- The water does not heat UP
- The outlet flow rate is low.
- cause
- There is no power.
- The aerator in the tap or shower head is sca led up or contaminated
- Remedy
- Check the fuse/MCB in your fuse box distribution panel
- Clean and/or descale the aerator or shower head.
If you cannot remedy the fault. notify your qualified contractor. To facilitate and speed up your enquiry, please provide the serial number from the type plate (000000-0000-000000). 
Safety
Only qualified contractors should carry out installation, commissioning, maintenance and repair of the appliance.
General safety instructions
We guarantee trouble-free operation and operation a I reliability only if the original accessories and spare parts intended for the appliance are used.
Instructions, standards and regulations
Note Observe all applicable national and regional regulations and instructions
Appliance description
Standard delivery
- Delivered with the appliance:
- Plastic cap
- Cylinder casing (in its delivered condition fixed to the thermal insulation)
Accessories
Required accessories
Depending on the static pressure, safety assemblies and pressure-reducing valves are available. These type-tested safety assemblies protect the appliance against unacceptable excess pressure.
Further accessories
- Segmented anode
Preparations
Installation location
Always install the appliance in a room free from the risk of frost and near the draw-off point, and secure the appliance to the floor.
Handling
Material losses
We recommend removing the cylinder casing for transportation to prevent it from becoming dirty or damaged (see chapter” Installation/ Fitting the cylinder casing and DHW circulation line if required”).
Mounting
Fitting the cylinder casing and DHW circulation line if required
Note Fit the cylinder casing before making the water connection and, if necessary, before installing the DHW circulation line.
A DHW circulation line can be fitted to the “DHW circulation connection (see chapter “Specification/ Dimensions and connections’
Alternatively, the ‘”DHW circulation’· connection can be used to connect a thermometer.
- Pull off the temperature selector.
- Remove the screws at the bottom of the control panel cover.
- Remove the control panel cover and cable gram met.
- Pull the cylinder casing over the appliance and close the zip fastener at the front.
- Fit the cable grommet and control panel cover.
- Push on the temperature selector.
- If you are connecting a DHW circulation line, cut an aperture for this in the cylinder casing in the area of the connection (indentation in the foam).
- Remove the thermal insulation around the “DHW circulation” connection.
- Route the DHW circulation line through the aperture in the cylinder casing and fit the DHW circulation line.
- Insulate the “DHW circulation” connection.
Water connection and safety assembly
Safety instructions
- Note Carryout all water connection and installation work in accordance with regulations
- Material losses If a flanged immersion heater is fitted and plastic pipework is used at the same time, observe chapter “Specification Fault conditions”,
- Material losses Operate the appliance only with pressure-tested taps and valves.
Cold water line
Steel or copper pipes, or plastic pipework, are approved materials
Material losses
A safety valve is required.
DHW line
Copper or plastic are approved materials for pipework.
Connection
- Flush the line thoroughly. The max. permissible pressure must not be exceeded (see chapter “Specification / Data table”).
- Install a safety assembly. Please note that, depending on the static pressure, you may also need a pressure reducing valve.
- Connect the DHW outlet line and the cold water inlet line. Connect the hydraulic connections with flat gaskets.
- Size the drain so that water can drain off unimpeded when the safety valve is fully opened. The discharge aperture of the safety valve must remain open to the atmosphere.
- Fit the discharge pipe of the safety assembly with a constant slope.
- Observe the information in the safety assembly installation instructions.
Electrical connection
- WARNING Electrocution
Before any work on the appliance, disconnect all poles of the appliance from the power supply. - WARNING Electrocution
The connection to the power supply is only permissible as a permanent connection in conjunction with the removable cable grommet. The appliance must be able to be separated from the power supply by an isolator that disconnects all poles with at least 3 mm contact se pa ration. - WARNING Electrocution
Please note that the appliance must be connected to the earth conductor. - WARNING Electrocution
Install a residual current device (RCD).
Material losses
Observe the type plate. The specified voltage must match the mains voltage.
- Pull off the temperature selector.
- Undo the screws at the bottom of the control panel cover and remove the cover.
- Prepare the power cable and feed it through the cable grommet into the control panel. Select a cable with a cross-section suited to the load of the appliance.
Note If you connect the applianee for 3 kW output. two heating elements are connected in series and the surface load is reduced. This can significantly prolong the service life of the electric heating elements, particularly in areas with a water hardness level of 14 °dH or higher. - Connect the required load in accordance with the connection examples (see chapter “Specification/ Wiring diagrams and connections”).
- Fit the control panel cover.
- Push on the temperature selector.
- If the power supply utility does not perm it a booster heater, cover the pushbutton using the plastic cap provided.
- Use a ballpoint pen to mark the selected connected load and voltage on the type plate.
Commissioning
- Open a draw-off point until the appliance has tilled up and the pipework is free of air.
- Adjust the flow rate. For this, observe the maximum permissible flow rate with a fully opened tap (see chapter “Specification / Data table”). If necessary reduce the flow rate at the butterfly valve of the safety assembly.
- Carry out a tightness check.
- Turn the temperature selector to maximum temperature.
- Switch the mains power ON.
- Check the function of the appliance.
- Check the function of the safety assembly.
Appliance handover
- Explain the appliance function to users and familiarise them with its operation.
- Make users aware of potential dangers, especially the risk of scalding.
- Hand over these instructions.
Returning into use
See chapter “Commissioning
Settings
Temperature selection limitation
You can adjust the temperature selection limitation beneath the temperature selector.
Factory setting: Limited to 60 °C
- Set the temperature selector to “cold” and isolate the appliance from the power supply.
- Remove the temperature selector and the control panel cover.
Installation
Taking the appliance out of use 
- Limiter disc
- Without limiter disc, maximum 82 °C
- You can set the limit to 45 °C / 60 °C by rotating the limiter disc. After removing the limiter disc, the maximum temperature can be set.
- Replace the control panel cover and temperature selector.
Taking the appliance out of use
- Isolate the appliance from the power supply by means of the fuse/MCB in your fuse box/distribution panel.
- Drain the appliance. See chapter “Maintenance/ Draining the appliance”.
Troubleshooting
Note The high limit safety cut-out can respond at temperatures below -15 °C. The appliance may be subjected to these temperatures during storage or transport
- Fault
- The water does not heat up.
- The safety va lve drips when the heating is switched off.
- cause
- The high limit safety cut-out has responded because the thermostat is faulty.
- The high limit safety cut-out has responded because the temperature has dropped below -15 c
- The booster heater does not switch on.
- A heating element is faulty.
- The valve seat is contaminated.
- Remedy
- Replace the thermostat and press the high limit safety cut-out reset but- ton.
- Press the reset button.
- Check the contractor and replace if required.
- Replace the heating element.
- Clean the valve seat.

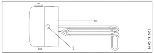
- High limit safety cut-out reset button
Maintenance
WARNING Electrocution
Carry out all electrical connection and installation work in accordance with relevant regulations.
WARNING Electrocution
Before any work on the appliance, disconnect all poles of the appliance from the power supply.
If you need to drain the appliance, observe chapter “Draining the appliance
Checking the safety valve
- Regularly vent the safety valve on the safety assembly until a full water jet is discharged
Draining the appliance
WARNING Burns
Hot water may escape during draining.
If the appliance needs to be drained for maintenance or to protect the whole installation when there is a risk of frost, proceed as follows:
- Close the shut-off va Ive in the cold water Ii ne.
- Open the hot water taps on all draw-off points.
- Drain the appliance using the drain valve
Checking / replacing the protective anode
- Check the protective anode after the first two years of use and replace if necessary. Check that the maximum transition resistance between the protective node and the cylinder is0.3 0. If it is not possible to insert a rod anode from above, install a segmented anode.
- Decide the time intervals at which further checks should be carried out.
Removing the protective anode
- Open the zip fastener in the cylinder casing.
- Cut away the thermal insulation where you can detect the protrusion (identification by colour).
Descaling the heating elements
- Never use descaling pumps.
- Only descale the flanged immersion heater after dismantling and never treat the cylinder surface or protective anode with descaling agents.
Torque of the flange screws: see chapter “Specification/ Dimensions and connections”.
Replacing the heating elements
- Insulation plate
- Pressure plate
- Soldered flange
- Insulating plate
- Corrosion resistor 390 0
- Gasket
- Ensure the heating elements are electrically isolated when installing them in the flange plate.
The corrosion resistor acts to balance the potential and prevents power leakage corrosion on the heating elements.
- Never damage or remove the corrosion resistor during ma intena nee.
- After replacing the corrosion resistor, reassemble the flanged immersion heater correctly.
Specification
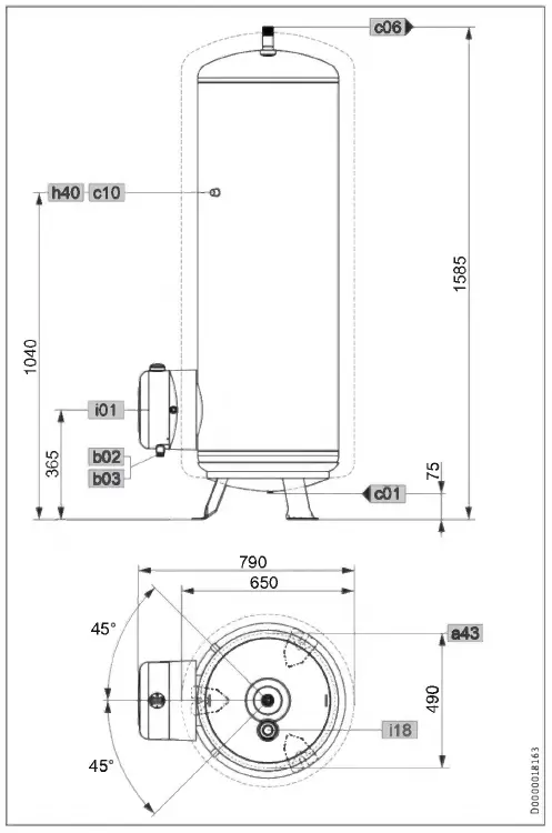
Dimensions and connections
HSTP 200 

HSTP 300 

HSTP 400 

Appliance cross-section 
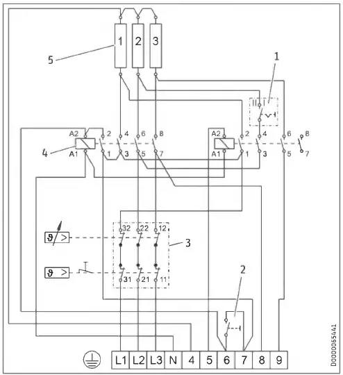
Wiring diagrams and connections
Flanged immersion heater operation 
- The circuit breaker in the control panel
- Booster heater pushbutton
- Controller/limiter com bi nation
- Contactor
- Heating element (per 2 kW output)
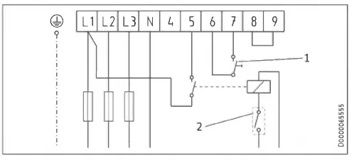
Connection examples for dual circuit single meter reading:
In the following connection examples, the output of the booster
heater during peak tariff periods is given after the forward slash.
Note the position of the circuit breaker in the control panel.
Switch position I: 2/4 kW, 1/N/PE 230 V
Switch position ll: 4/4 kW, 1/N/PE 230 V 
Switch position 1: 2/6 kW, 3/N/PE 400 V 
Switch position 1: 4/6 kW, 3/N/PE 400 V
Switch position lI: 6/6 kW, 3/N/PE 400 V 
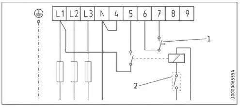
- Booster heater push button
- Power-OFF contact
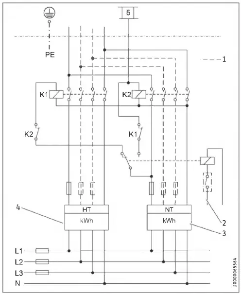
Connection example for dual circuit, dual meter reading
1/N/PE 230 V or 3/N/PE – 400 V
Kl Contactor 1
K2 Contactor 2
1 Connection also required for 3/N/PE – 400 V
2 Power-OFF contact
3 Off-peak tariff meter
4 Peak tariff meter
- Ensure connection to the same phase.
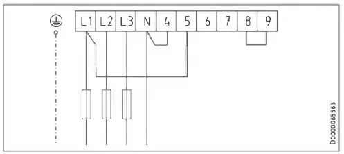
Connection examples for a single circuit:
In the following connection examples, the output of the booster heater is given in brackets.
Note the position of the circuit breaker in the control panel.
Switch position l: 2 (4) kW, 1/N/PE 230 V
Switch position li: 4 (4) kW, 1/N/PE – 230 V 
Switch position l: 2 (6) kW, 3/N/PE 400 V 
Switch position l: 3 (6) kW, 3/N/PE 400 V 
Switch position I: 4 (6) kW, 3/N/PE 400 V
Switch position ll: 6 (6) kW, 3/N/PE 400 V 
Heat-up diagram
The heat-up time depends on the cylinder capacity, cold water temperature and heating output.
Diagram with 10 °C cold water temperature and temperature setting “e”: 
X Nominal capacity in I
Y Heat-uptime in
1 2 kW
2 3 kW
3 4 kW
4 6 kW
Fault conditions
In the event of a fault, temperatures of up to 95 °C at 0.6 MPa can occur.
Details on energy consumption
Product data complies with EU regulations relating to the Directive on the ecodesign of energy-related products (ErP).
Product datasheet: Conventional water heaters to regulation (EU) no. 812/2013 and 814/2013/ (S.I. 2019 No. 539/ Schedule 2) 
Data Table


Guarantee
The guarantee conditions of our German companies do not apply to appliances acquired outside of Germany. In countries where our subsidiaries sell our products, a guarantee can only be issued by those subsidiaries. Such guarantee is only granted if the subsidiary has issued its own terms of the guarantee. No other guarantee will be granted. We shall not provide any guarantee for appliances acquired in countries where we have no subsidiary to sell our products. This will not affect warranties issued by any importers.
Environment and recycling
We would ask you to help protect the environment. After use, dispose of the various materials in accordance with national regulations.




















