STIEBEL ELTRON SBB Series DHW Cylinder Installation Guide

OPERATION
1. General information
The chapter “Operation” is intended for appliance users and heating contractors.
The chapter “Installation” is intended for heating contractors.
Note
Read these instructions carefully before using the appliance and retain them for future reference.
Pass on the instructions to a new user if required.
1.1 Safety instructions
1.1.1 Structure of safety instructions
KEYWORD Type of risk
Listed here are the possible consequences that may result from failure to observe the safety instructions.
♦ Steps to prevent the risk are listed.
1.1.2 Symbols, type of risk

1.1.3 Keywords

1.2 Other symbols in this documentation

- This symbol indicates that you have to do something. The action you need to take is described step by step.
1.3 Units of measurement
Note
All measurements are given in mm unless stated otherwise.
Safety
2.1 Intended use
The appliance is intended for heating and storing domestic hot water when operating a heat pump with a higher or a high output. May be combined with heat provided by solar collectors.
Both indirect coils can be linked in series for the highest possible transfer rate.
Suitable flanged and threaded immersion heaters can be fitted by contractors.
Any other use beyond that described shall be deemed inappropriate. Observation of these instructions and of instructions for any accessories used is also part of the correct use of this appliance.
2.2 General safety instructions
WARNING Burns
There is a risk of scalding at outlet temperatures in excess of 43 °C.
WARNING Injury
Where children or persons with limited physical, sensory or mental abilities are allowed to operate this appliance, ensure that this will only happen under supervision or after appropriate instruction by a person responsible for their safety.
Children should be supervised to ensure that they never play with the appliance!
Note
The appliance is under pressure. During the heat-up process, expansion water will drip from the safety valve. If water continues to drip when the heat-up process is completed, please inform your qualified contractor.
Appliance description
The thermal energy in the heating water from the heat pump or the solar collectors is transferred to the domestic hot water by two twin pipe indirect coils.
The internal steel cylinder is coated in special directly applied “anticor®” enamel and is equipped with a thermometer and a signal anode. The anode with consumption indicator protects the internal cylinder from corrosion.
Cleaning, care and maintenance
- Have a contractor regularly check the appliance, the safety assembly and all fitted accessories.
- Never use abrasive or corrosive cleaning agents. A damp cloth is sufficient for cleaning all plastic parts.
Signal anode consumption indicator
Material losses
If the consumption indicator changes colour from white to red, have the signal anode checked by a heating contractor and if necessary replaced.

Signal anode consumption indicator
- white = anode OK
- red = check by heating contractor required
Scaling
- Almost every type of water deposits limescale at high temperatures. This settles inside the appliance and affects both the performance and service life. The indirect coils and fitted accessories should therefore be descaled from time to time.
A heating contractor who knows the local water quality will tell you when the next service is due. - Check the taps/valves regularly. You can remove limescale deposits at the tap outlets using commercially available descaling agents.
Troubleshooting
Telephone your contractor.
To facilitate and speed up your enquiry, please provide the serial number from the type plate (000000-0000-000000):

Safety
Only a qualified contractor should carry out installation, commissioning, maintenance and repair of the appliance.
6.1 General safety instructions
We can only guarantee trouble-free function and operational reliability if original spare parts intended for the appliance are used.
6.2 Regulations, standards and instructions
Note
Observe all applicable national and regional regulations and instructions.
Appliance description
7.1 Standard delivery
Delivered with the appliance:
- Signal anode
- Heat conducting paste
- Thermometer
- Additional type plate
- Label “Signal anode information”
7.2 Accessories
7.2.1 Required accessories
Depending on the static pressure, safety assemblies and pressure reducing valves are available. These type-tested safety assemblies protect the appliance against inadmissible excess pressure.
7.2.2 Further accessories
In addition, flanged as well as threaded immersion heaters and thermal insulation are available as accessories.
If it is not possible to insert a rod anode from above, install a segmented anode.
The indirect coil connection piece to connect indirect coils is available as an accessory.
Preparations
8.1 Installation site
- Always install the appliance in a room free from the risk of frost and near the draw-off point.
- Ensure the floor has sufficient load bearing capacity and evenness (see chapter “Specification / Data table”).
- Observe the room height and height when tilted (see chapter “Specification / Data table”).
Minimum clearances

- Maintain the minimum clearances.
8.2 Transport
For handling/lifting, use the lifting eyes provided, but never the “Optional DHW outlet” connection at the top of the appliance.
Installation
9.1 Fitting the thermal insulation, if appropriate.
- Position the appliance in its intended site.
- Fit the thermal insulation according to the instructions supplied. For this, ensure that there is enough space for the installation task. You can then link the appliance into the heating and DHW system.
9.2 Fitting the signal anode
Material losses
When operating the cylinder without consumption indicator, leave the plug in the fitting.

- Pull the plug out by simultaneously pushing the pressure ring down.
- Push the open pipe end of the consumption indicator into the aperture for the anode.
9.3 Fitting the thermometer and temperature sensor
- Insert the thermometer as far as it will go and align it.
- Insert the temperature sensor as far as it will go into the sensor well for the HP return sensor. Apply heat conducting paste.
9.4 Where appropriate, fit the flanged or threaded immersion heater.
- Remove the dummy flanges and plugs in order to mount the flanged or threaded immersion heater. Maintain the DC separation towards the cylinder.
9.5 Heating or solar installation
- Prior to connecting the heating water lines or the solar thermal system, flush the indirect coils with water.
- You may connect both indirect coils to the “heat pump return” and “solar flow” (see chapter “Specification / Dimensions and connections”). To make the connection, use the indirect coil connection piece which is available as an accessory.
- Connect the hydraulic connections with flat gaskets.
- Fit the sensors for the control units used according to the relevant installation instructions (for sensor well, see chapter “Specification / Dimensions and connections”).
- Route the connecting lead to the solar or heating circuit control unit.
9.5.1 Water quality, solar circuit
A glycol/water mixture of up to 60 % is permitted for the indirect coil in the solar circuit if only dezincification-resistant metals, glycol-resistant gaskets and diaphragm expansion vessels suitable for glycol are used throughout the installation.
9.5.2 Oxygen diffusion
Material losses
Avoid open heating systems and plastic pipes in underfloor heating systems which are permeable to oxygen.
In underfloor heating systems with plastic pipes that are permeable to oxygen and in open vented heating systems, oxygen diffusion may lead to corrosion on the steel components of the heating system (e.g. on the indirect coil of the DHW cylinder, on buffer cylinders, steel heating elements or steel pipes).
Material losses
The products of corrosion (e.g. rusty sludge) can settle in the heating system components and can result in a lower output or fault shutdowns due to reduced cross-sections.
Material losses
Avoid open vented solar thermal systems and plastic pipes which are permeable to oxygen.
With plastic pipes that are permeable to oxygen, oxygen diffusion may lead to corrosion on the steel components of the solar thermal system (e.g. on the indirect coil of the DHW cylinder).
9.6 Water connection and safety assembly
9.6.1 Safety instructions
Note
Carry out all water connection and installation work in accordance with regulations.
Material losses
If a flanged immersion heater is fitted and plastic pipework is used at the same time, observe chapter “Specification / Fault conditions”.
Material losses
Operate the appliance only with pressure-tested taps and valves.
Cold water line
Galvanised steel, stainless steel, copper and plastic pipework are approved materials.
Material losses
A safety valve is required.
DHW line
Stainless steel, copper and plastic pipework are approved materials.
9.6.2 Water connection
- Flush the line thoroughly.
- Install the DHW and the cold water lines with the safety assembly. Bear in mind that, depending on the static pressure, you may also need a pressure reducing valve.
Connect the hydraulic connections with flat gaskets. - Size the drain so that water can drain off unimpeded when the safety valve is fully opened. The blow-off aperture of the safety valve must remain open to the atmosphere.
- Fit the blow-off line of the safety assembly with a constant fall.
Commissioning
10.1 Initial commissioning
- Open a draw-off point until the appliance has filled up and the pipework is free of air.
- Adjust the flow rate. For this, observe the maximum permissible flow rate with a fully opened tap (see chapter “Specification / Data table”). If necessary reduce the flow rate at the butterfly valve of the safety assembly.
- Carry out a tightness check.
- Vent the internal indirect coils.
- Switch the mains power ON if required.
- Check the function of the safety assembly.
- Check the function of fitted accessories.
- Then check the function of the solar thermal system, if appropriate.
- If relevant, check that the DHW temperature displayed on the heat pump control unit is correct.
10.1.1 Appliance handover
- Explain the function of the appliance to users and familiarise them with its operation.
- Make users aware of potential dangers, especially the risk of scalding.
- Hand over these instructions.
10.2 Recommissioning
See chapter “Initial commissioning”.
Shutting down
- If necessary, disconnect any accessories installed from the mains at the MCB/fuse in the fuse box.
- Drain the appliance. See chapter “Maintenance / Draining the appliance”.
Troubleshooting

Maintenance
WARNING Electrocution
Carry out all electrical connection and installation work in accordance with relevant regulations.
WARNING Electrocution
Before any work on the appliance, disconnect all poles of the appliance from the power supply.
If you need to drain the appliance, observe chapter “Draining the appliance”.
13.1 Checking the safety valve
- Regularly vent the safety valve on the safety assembly until a full water jet is discharged.
13.2 Draining the appliance
WARNING Burns
Hot water may escape during the draining process.
If the appliance needs to be drained for maintenance or to protect the whole installation when there is a risk of frost, proceed as follows:
- Close the shut-off valve in the cold water inlet pipe.
- Open the hot water taps on all draw-off points.
- Drain the appliance via the “Cold water inlet” (see chapter “Specification / Dimensions and connections”). Please note that residual water remains in the appliance.
13.3 Replacing the signal anode
- Replace the signal anode if it becomes depleted. For this, observe the maximum transition resistance between the anode and the cylinder of 0.3 Ω.
13.4 Cleaning and descaling the appliance

1 Threaded extraction holes
♦ Use the threaded extraction holes to release the flange plate from the flange connector.
For the torque of the flange screws, see chapter “Specification / Dimensions and connections”.
♦ Never use descaling pumps.
♦ Never treat the cylinder surface or the signal anode with descaling agents.
Specification
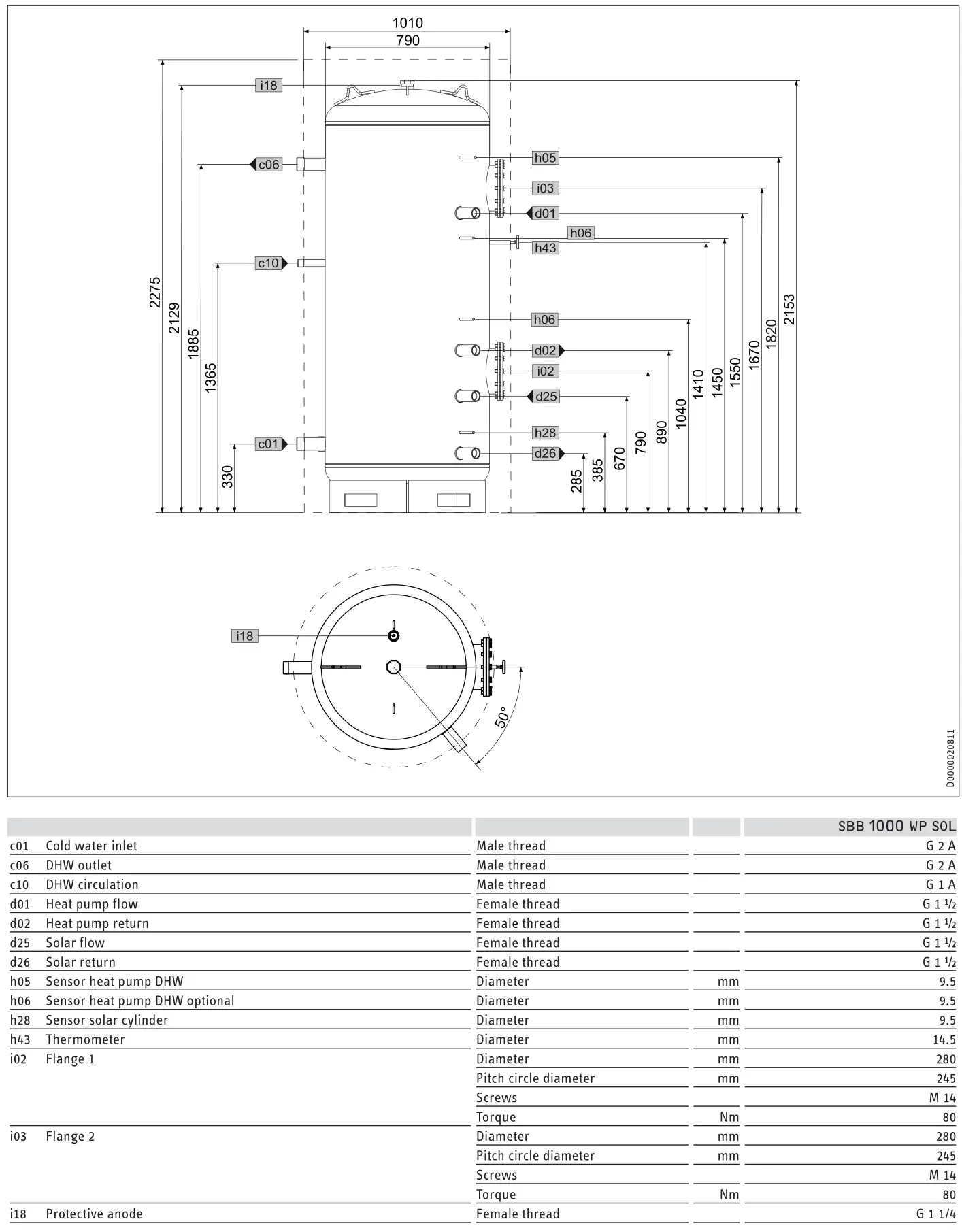
14.1 Dimensions and connections
SBB 600 WP SOL

SBB 800 WP SOL

SBB 1000 WP SOL

Appliance cross-section SBB 800 WP SOL | SBB 1000 WP SOL

14.2 Fault conditions
In the event of a fault, temperatures of up to 95 °C at 1.0 MPa can occur depending on the type of heat sources used.
14.3 Data table

Guarantee
The guarantee conditions of our German companies do not apply to appliances acquired outside of Germany. In countries where our subsidiaries sell our products a guarantee can only be issued by those subsidiaries. Such guarantee is only granted if the subsidiary has issued its own terms of guarantee. No other guarantee will be granted.
We shall not provide any guarantee for appliances acquired in countries where we have no subsidiary to sell our products.
This will not affect warranties issued by any importers.
Environment and recycling
We would ask you to help protect the environment. After use, dispose of the various materials in accordance with national regulations.
Deutschland
STIEBEL ELTRON GmbH & Co. KG
Dr.-Stiebel-Straße 33 | 37603 Holzminden
Tel. 05531 702-0 | Fax 05531 702-480
[email protected]
www.stiebel-eltron.de
Australia
STIEBEL ELTRON Australia Pty. Ltd.
294 Salmon Street | Port Melbourne VIC 3207
Tel. 03 9645-1833 | Fax 03 9644-5091
[email protected]
www.stiebel-eltron.com.au
Austria
STIEBEL ELTRON Ges.m.b.H.
Gewerbegebiet Neubau-Nord
Margaritenstraße 4 A | 4063 Hörsching
Tel. 07221 74600-0 | Fax 07221 74600-42
[email protected]
www.stiebel-eltron.at
Belgium
STIEBEL ELTRON bvba/sprl
‘t Hofveld 6 – D1 | 1702 Groot-Bijgaarden
Tel. 02 42322-22 | Fax 02 42322-12
[email protected]
www.stiebel-eltron.be
China
STIEBEL ELTRON (Tianjin) Electric Appliance
Co., Ltd.
Plant C3, XEDA International Industry City
Xiqing Economic Development Area
300385 Tianjin
Tel. 022 8396 2077 | Fax 022 8396 2075
[email protected]
www.stiebeleltron.cn
Czech Republic
STIEBEL ELTRON spol. s r.o.
Dopraváků 749/3 | 184 00 Praha 8
Tel. 251116-111 | Fax 235512-122
[email protected]
www.stiebel-eltron.cz
Finland
STIEBEL ELTRON OY
Kapinakuja 1 | 04600 Mäntsälä
Tel. 020 720-9988
[email protected]
www.stiebel-eltron.fi
France
STIEBEL ELTRON SAS
7-9, rue des Selliers
B.P 85107 | 57073 Metz-Cédex 3
Tel. 0387 7438-88 | Fax 0387 7468-26
[email protected]
www.stiebel-eltron.fr
Hungary
STIEBEL ELTRON Kft.
Gyár u. 2 | 2040 Budaörs
Tel. 01 250-6055 | Fax 01 368-8097
[email protected]
www.stiebel-eltron.hu
Japan
NIHON STIEBEL Co. Ltd.
Kowa Kawasaki Nishiguchi Building 8F
66-2 Horikawa-Cho
Saiwai-Ku | 212-0013 Kawasaki
Tel. 044 540-3200 | Fax 044 540-3210
[email protected]
www.nihonstiebel.co.jp
Netherlands
STIEBEL ELTRON Nederland B.V.
Daviottenweg 36 | 5222 BH ‘s-Hertogenbosch
Tel. 073 623-0000 | Fax 073 623-1141
[email protected]
www.stiebel-eltron.nl
New Zealand
Stiebel Eltron NZ Limited
61 Barrys Point Road | Auckland 0622
Tel. +64 9486 2221
[email protected]
www.stiebel-eltron.co.nz
Poland
STIEBEL ELTRON Polska Sp. z O.O.
ul. Działkowa 2 | 02-234 Warszawa
Tel. 022 60920-30 | Fax 022 60920-29
[email protected]
www.stiebel-eltron.pl
Russia
STIEBEL ELTRON LLC RUSSIA
Urzhumskaya street 4,
building 2 | 129343 Moscow
Tel. +7 495 125 0 125
[email protected]
www.stiebel-eltron.ru
Slovakia
STIEBEL ELTRON Slovakia, s.r.o.
Hlavná 1 | 058 01 Poprad
Tel. 052 7127-125 | Fax 052 7127-148
[email protected]
www.stiebel-eltron.sk
South Africa
STIEBEL ELTRON Southern Africa (PTY) Ltd
30 Archimedes Road
Wendywood
Johannesburg, 2090
Tel. +27 10 001 85 47
[email protected]
www.stiebel-eltron.co.za
Switzerland
STIEBEL ELTRON AG
Industrie West
Gass 8 | 5242 Lupfig
Tel. 056 4640-500 | Fax 056 4640-501
[email protected]
www.stiebel-eltron.ch
Thailand
STIEBEL ELTRON Asia Ltd.
469 Moo 2 Tambol Klong-Jik
Amphur Bangpa-In | 13160 Ayutthaya
Tel. 035 220088 | Fax 035 221188
[email protected]
www.stiebeleltronasia.com
United Kingdom and Ireland
STIEBEL ELTRON UK Ltd.
Unit 12 Stadium Court
Stadium Road | CH62 3RP Bromborough
Tel. 0151 346-2300 | Fax 0151 334-2913
[email protected]
www.stiebel-eltron.co.uk
United States of America
STIEBEL ELTRON, Inc.
17 West Street | 01088 West Hatfield MA
Tel. 0413 247-3380 | Fax 0413 247-3369
[email protected]
www.stiebel-eltron-usa.com
![]()
Subject to errors and technical changes!















