AL-KO 2500-C Power Generator
Instruction figures
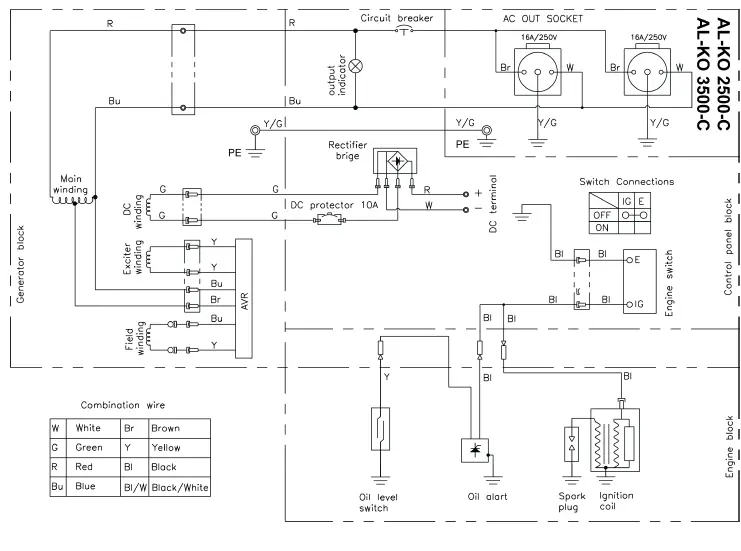
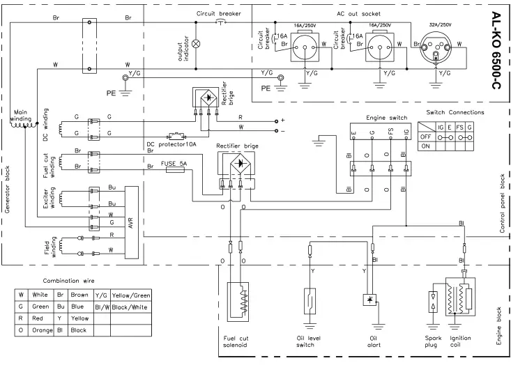
Model Diagrams
ABOUT THESE OPERATING INSTRUCTIONS
- The German version is the original operating instructions. All additional language versions are translations of the original operating instructions.
- Always safeguard these operating instructions so that they can be consulted if you need any information about the appliance.
- Only pass on the appliance to other persons together with these operating instructions.
- Comply with the safety and warning information in these operating instructions.
Legends and signal words
DANGER! Denotes an imminently dangerous situation which will result in fatal or serious injury if not avoided.
WARNING! Denotes a potentially dangerous situation which can result in fatal or serious injury if not avoided.
CAUTION! Denotes a potentially dangerous situation which can result in minor or moderate injury if not avoided.
IMPORTANT! Denotes a situation which can result in material damage if not avoided.
NOTE Special instructions for ease of understanding and handling.
PRODUCT DESCRIPTION
This documentation describes several device models. Identify your model based on the product images and the description of the different options.
Designated use
This device is intended for the connection of individual electrical appliances in non-commercial applications. The connecting cables should be kept as short as possible. No appliances may be connected when starting the generator. This appliance is intended solely for use in noncommercial applications. Any other use as well as unauthorised conversions or modifications are regarded as contrary to the intended use and will result in voiding of the warranty as well as loss of conformity; the manufacturer will thus decline any responsibility for damage and/or injury suffered by the user or third parties. It is essential to consult a qualified electrician before connecting the generator to stationary equipment such as heaters, mobile homes or caravans. The generator is operated with unleaded petrol.
Possible foreseeable misuse
The device is not intended for commercial, trade or industrial use. We assume no warranty if the device is used for commercial, trade or industrial purposes, on construction sites or in equivalent facilities. The generator is not suitable for supplying power to buildings.
Residual risks
Even during correct use of the appliance, there is always a certain residual risk that cannot be excluded. Depending on the use, the following potential risks can be derived from the type and construction of the appliance:
- Risk of electric shock if:
- An equipotential bond is not properly established
- External residual current devices (RCD) are not connected
- There are insulation faults in connected electrical appliances
- The maximum cable length is exceeded
- Parts of the generator become very hot during operation and remain hot even after the generator is switched off.
- Hot exhaust gases escape from the exhaust silencer.
Safety and protective devices
WARNING! Risk of injury. Defective and disabled safety and protective devices can result in serious injury.
- Have any defective safety and protective devices repaired.
- Never disable safety and protective devices.
Product overview (01)
No. Component
- Petrol tank
- Petrol tank cap
- Fuel gauge
- Fuel valve
- Air filter
- Starter handle
- Oil filler cap
- Wheel 1)
- Starter battery 2)
- Foot 1)
- Handrail 1)
- Operating panel
- Exhaust silencer
- Cylinder head
- Carburettor
- Spark plug
- Throttle valve
- Earthing connection
- Engine switch
- 12 V DC output
- Output indicator
- AC circuit breaker
- 230 V AC outputs
SAFETY INSTRUCTIONS
- Risk of electric shock! Do not operate the device in the case of rain, moisture or high humidity.
- Use the device only when it is in a flawless technical condition! Before every use, check that the device is undamaged and that there are no exposed electric cables.
- Never store the machine with fuel in the tank inside a room in which petrol vapours could come into contact with naked flames, a heat source or sparks.
- Keep the area around the engine, exhaust, battery box and fuel tank free from dirt, petrol and oil.
- Do not store any combustible or highly flammable objects or materials in the area of the exhaust outlet.
- Do not operate the device in closed rooms or poorly ventilated working areas (e.g. garage). Do not operate the device underground. The exhaust gases contain poisonous carbon monoxide as well as other harmful substances.
- Do not connect the generator to the household mains network!
- The generator must be securely earthed.
- Keep bystanders away!
- The user is responsible for accidents involving other people and their property.
- Children or other people who are not familiar with the operating instructions must not be allowed to use the device.
- Make sure that children are not present in the vicinity of the device when it is operating or climb onto the device and do not play with the device.
- Comply with local regulations on the minimum age of people operating the device.
- Do not operate the device while under the influence of alcohol, drugs or medication.
- Wear appropriate protective clothing:
- Long trousers
- Sturdy, non-slip footwear
- Ear protection
- Make sure you are standing safely, particularly on slopes and uneven ground.
- Use the device only during daylight hours or with good artificial lighting.
- Comply with working time regulations in force in your country.
- Do not leave the operational device unsupervised.
- Never operate the device or the appliances to be connected to it with damaged protective devices. Inspect the device for damage before every use. Have damaged parts replaced prior to use.
- Inspect the device for damage and have damaged parts repaired before restarting the device.
- In the following cases, switch off the engine, wait for the device to come to a standstill and disconnect the spark plug connector:
- Before leaving the device
- After malfunctions have occurred
- If malfunctions and unusual vibrations occur in the device
- For transport
- Connect the spark plug connector and start the engine:
- After remedying of malfunctions (see malfunction table) and testing the device
- After cleaning the device
- Do not eat or drink when adding petrol or engine oil.
- Do not inhale petrol vapours.
- Never lift or carry the device with the engine running.
- Inspect all operating elements, safety devices, nuts, bolts and studs of the device for completeness, tightness and sound condition.
- Do not use bare wires for connection to electrical appliances. Always use compatible cables and plugs.
- Observe the maximum permitted cable length when using extension leads or a mobile power distribution cabinet:
- with Ø 1.5 mm2: max. 60 m
- with Ø 2.5 mm2: max. 100 m
START-UP
Earthing the machine (02)
DANGER! Electric shock!
- Do not use a bare wire for earthing.
- Generator must be safely earthed.
NOTE: Use an earthing wire with a cross section of at least 2.5 mm2 for earthing.
Connecting the earthing wire (02)
- Press the end of the earthing wire under the nut of the earthing terminal (02/1).
- Secure the earthing wire by tightening the nut.
- Connect the other end of the earthing wire to an earthing spike (e. g. metal rod).
- Put the earthing spike securely into the soil.
Filling with operating fluids
Safety when filling with petrol and oil
DANGER! Risk of poisoning. The engine exhaust gases contain carbon monoxide that can kill a person within a few minutes.
- Operate the engine only outdoors, never in a closed room.
- Do not inhale the engine exhaust gases.
- Switch off the engine if you feel nauseous, dizzy or weak during use. Immediately consult a doctor.
- Store petrol and engine oil only in containers designed for this purpose.
- Fill and drain petrol and engine oil only outdoors and with the engine cooled down.
- Do not add petrol or engine oil with the engine running.
- Do not overfill the tank as the petrol can expand.
- Do not smoke when refuelling.
- Do not open the fuel filler cap when the engine is running or hot.
- Replace the tank or fuel filler cap if damaged.
- Always close the fuel filler cap tightly.
- If petrol has leaked out:
- Do not start the engine.
- Avoid start attempts.
- Thoroughly clean the device.
- Allow the engine to cool down before refilling with petrol and avoid spilling.
- Spilt fuel can cause damage to plastic parts. Wipe up spilled fuel immediately. The warranty does not cover damage to plastic parts caused by fuel.
- If engine oil has leaked out:
- Do not start the engine.
- Pick up leaked engine oil using an oil binding agent or cloth and dispose ofproperly.
- Thoroughly clean the device.
NOTE: Dispose of used engine oil in an environmentally responsible manner! We recommend disposing of waste oil in a closed container at a recycling centre or customer service centre. Do not dispose of waste oil:
- In domestic waste
- In sewers or drains
- In the ground
Operating material
Before starting operation, the device must be filled with engine oil and the tank filled with petrol.
Filling with petrol (04)
DANGER! Risk of explosion and fire. An escaping petrol/air mixture can cause an explosive atmosphere. Deflagation, explosion and fire can lead to serious and even fatal injuries if fuel is not handled properly.
- Do not smoke when dealing with petrol.
- Only handle petrol out of doors and never in enclosed spaces.
- Unscrew the fuel filler cap and place to one side in a clean place.
- Pour in petrol through a funnel.
- Securely tighten the fuel filler cap and clean
the tank filler neck.
Filling with engine oil (05)
- Unscrew the oil filler cap and place to one side in a clean place.
- Pour in oil through a funnel.
- Securely tighten and clean the oil filler neck.
Connecting a starter battery, AL-KO 6500-C only (06)
IMPORTANT! Destruction of the starter battery. A short circuit between the positive and negative terminals can destroy the starter battery.
- Avoid short-circuiting the two terminals.
- Connect the red battery cable to the positive (+) terminal of the starter battery and secure with a screw and nut.
- Connect the green battery cable to the negative (-) terminal of the starter battery and secure with a screw and nut.
- After tightening the screws, push the rubber caps over the battery terminals.
OPERATION
Starting the engine (07 – 12)
DANGER! Risk of poisoning. The engine exhaust gases contain carbon monoxide that can kill a person within a few minutes.
- Only start and operate the engine in the open air.
- Never operate the engine in enclosed areas even with the windows and doors open.
- Do not inhale the engine exhaust gases.
- Switch off the engine if you feel nauseous, dizzy or weak during use. Immediately consult a doctor.
CAUTION! Risk of injury! Danger of kickback: The starter cable can return faster to the engine than the cable can be released. - Anticipate a sudden jolt when the starter cable has been pulled. The interval between starting attempts should be 10 seconds to avoid discharging the starter battery too quickly.
- Open the petrol cock (07) and allow petrol to flow into the carburettor.
- Actuate the choke (08):
- Close the choke lever for a cold start.
- Move the choke lever to the half-open position when the device is at operating temperature.
Note: If the device still does not start after two attempts, open the choke lever fully. - Actuating the pull-cord starter:
- Set the ignition circuit breaker to “ON” (09).
- Pull out the starter cable briskly, then allow it to wind back in slowly (10).
Note: If the device still does not start after two attempts, follow the instructions for the choke.
Electrical starting, AL-KO 6500-C only (11):
- Insert the key into the ignition lock.
- Turn the key in the ignition lock completely to the right to the “START” position.
- As soon as the engine is running, release the ignition key (it returns to the “ON” position).
- Move back the choke lever approx. 30 seconds after the engine has started (12).
Connecting appliances (13)
The total power of all connected electric appliances must not exceed the maximum rated power of the generator.
- Connect appliances to the sockets of the generator. If several appliances are to be connected, first plug in and switch on one appliance, then plug in and switch on the next appliance.
Unplugging appliances (14)
- Disconnect appliances from the sockets of the generator.
Switching off the engine (15 – 17)
Switch off the engine only when the generator has been running for 30 seconds under no load (i.e. with no appliances connected).
- Set the ignition circuit breaker to “OFF” (15).
- AL-KO 6500-C only: Turn the key in the ignition lock completely to the left to the “OFF” position ( 16).
- Close the petrol cock (17).
CAUTION! Risk of burns. Parts of the generator become very hot during operation and remain hot even after the generator is switched off. Allow the device to cool down before transporting it or using it again.
Connecting a 12 V car battery for charging
WARNING! Risk of fire and explosion when charging. An incorrectly connected car battery can explode and cause serious injuries.
- Do not reverse the charging cables when connecting to the car battery.
- Observe the manufacturer’s instructions on charging the car battery.
- Start the engine.
- Connect the battery charging cable to the 12 V DC output.
- Connect the red charging cable to the positive (+) terminal of the car battery.
- Connect the black charging cable to the negative (-) terminal of the car battery.
- Turn the ESC switch to “OFF” to start charging.
MAINTENANCE AND CARE
CAUTION! Risk of injury. A running engine can result in injuries and electric shock.
- Switch off the engine and disconnect the spark plug connector before carrying out any maintenance or service work.
- The engine may run on. Switch off the engine and check that the engine has come to a standstill!
- Clean the device after every use.
- Do not spray the device with water. Penetrating water can lead to malfunctions (ignition system, carburettor, electrical components).
- Always replace a defective silencer.
Maintenance intervals Before every use
- Check the engine oil level
- Inspect the air filter
- Carry out a visual inspection for damage After 20 operating hours or 1 month after first use
- Change the oil
Every 50 operating hours or every 3 months - Clean the air filter 2)
Every 100 operating hours or every 6 months - Change the oil
- Clean the sludge trap on the petrol cock
- Clean the spark plug
Every 300 operating hours or once a year - Replace the spark plug
- Set the valve backlash 1)
In addition every 300 operating hours - Clean the cylinder head 1)
In addition every 2 years - Flush the fuel tank and fuel filter 1)
- Replace the petrol hose
- This maintenance work may be carried out only by service centres and authorised specialist companies.
- If the generator is used in a wet or very dirty environment, the maintenance work must be carried out earlier or at shorter intervals.
HELP IN CASE OF MALFUNCTIONS
CAUTION! Risk of injury. Sharp-edged and moving appliance parts can lead to injury.
- Always wear protective gloves during maintenance, care and cleaning work!
NOTE For malfunctions that are not listed in this table or that you cannot resolve yourself, please contact our customer service.
TRANSPORT
WARNING! Danger of explosion and fire.
Fire and explosion caused by leaking fuel and oil and petrol fumes can cause serious injuries.
- Always transport the power generator safely and upright in the normal operating position and with the tank as empty as possible.
- Lift and/or carry the generator at the frame tubes (18/1).
- Secure the generator with straps or ropes (19/1) for transport so that it cannot slip.
STORAGE
WARNING! Danger of explosion and fire. Petrol and oil are highly flammable. Fire can lead to serious injuries.
- Do not store the appliance close to naked flames or sources of heat.
- Do not store the appliance in a room in which electric tools are operated.
- Allow the engine to cool down.
- Store the device in a dry place out of the reach of children and unauthorised persons.
- Store the starter battery where its is protected from frost.
- Recharge the starter battery from time to time.
- Empty the petrol tank and carburettor.
- Remove the spark plug connector.
- Drain the petrol (20) Refuelled devices can release petrol vapours into the air during storage. On evaporation, petrol residues in the carburettor can cause components to stick and thus lead to malfunctions. 1. Open drain plug (20/1) on the carburettor and drain the petrol into a suitable fuel container.
Covering the generator (21)
- Store the generator in a clean, dry place protected against moisture and humidity.
- Cover the generator using suitable means to prevent dirt and dust deposits in the device. 10 DISPOSAL
- Petrol and motor oil do not belong in household waste or the public sewer system, but should be collected and disposed of separately.
- Before disposing of the device you must empty the fuel tank and the engine oil tank!
- Packaging, equipment and accessories are made from recyclable materials, and must be disposed of accordingly.
AFTER-SALES / SERVICE
In the event of questions of warranty, repair or spare parts, please contact your nearest ALKO Service Centre. These can be found on the Internet at:
www.al-ko.com/service-contacts
GUARANTEE
We will remedy any material or manufacturing defects discovered in the device during the statutory period of limitation for claims for defects by repair or replacement at our discretion. The period of limitation is determined in each case by the law of the country in which the device was purchased.
Our warranty promise applies only if:
- These operating instructions are observed
- The device is handled correctly
- Original spare parts have been used The warranty becomes void in the case of:
- Unauthorised repair attempts
- Unauthorised technical modifications
- Use for other than the intended purpose
The warranty does not include: - Paint damage attributable to normal wear
- Wear parts that are marked with a box xxxxxx (x) on the spare parts card The warranty period commences with the purchase by the first end user. The date on the proof of purchase is decisive. In the event of a warranty claim, please contact your dealer or the nearest authorised customer service centre with this declaration and the original proof of purchase. This declaration does not affect the purchaser’s statutory claims for defects against the vendor.

























