
GENERATORS
DP3000HR-01/A
GENERATOR
INSTALLATION & OPERATORS
MANUAL
COPY YOUR MODEL AND SERIAL NUMBER HERE
No other WINCO generator has the same serial number as yours. If you should ever need to contact us concerning this unit, it will help us to respond to your needs faster.
MODEL……………….
SERIAL NUMBER……………..
PURCHASE DATE …………..
DEALER NAME…………
DEALER PHONE # …………
SAVE THESE INSTRUCTIONS
This manual contains important instructions that should be followed during the installation and maintenance of the generator. Read and understand all instructions in the manual before starting and operating the generator. Keep this manual available for future reference.
USING THIS MANUAL
Congratulations on your choice of a WINCO generator. You have selected a high-quality, precision-engineered generator designed and tested to give you years of satisfactory service.
To get the best performance from your new generator, it is important that you carefully read and follow the operating instructions in this manual.
Should you experience a problem please follow the “Troubleshooting Tables” near the end of this manual. The warranty listed in the manual describes what you can expect from WINCO should you need service assistance in the future.
SAFETY
IMPORTANT SAFETY INSTRUCTIONS
This engine generator set has been designed and manufactured to allow safe, reliable performance. Poor maintenance, improper or careless use can result in potentially deadly hazards; from electrical shock, exhaust gas asphyxiation, or fire. Please read all safety instructions carefully before installation or use. Keep these instructions handy for future reference. Take special note and follow all warnings on the unit labels and in the manuals.
CALIFORNIA PROPOSITION 65
WARNING: This product contains crude oil, gasoline, diesel fuel, and other petroleum
products, Antifreeze to which can expose you to chemicals including toluene and benzene, Ethylene glycol (ingested) which are known to the
The state of California causes cancer, birth defects or other reproductive harm and developmental issues.
For more information go to www.P65Warning.ca.gov.
SAFETY DEFINITIONS
DANGER: indicates an imminently hazardous situation that, if not avoided, will result in death or serious injury. This signal word is to be limited to the most extreme situations.
WARNING: indicates a potentially hazardous situation that, if not avoided, could result in death or serious injury.
CAUTION: indicates a potentially hazardous situation that, if not avoided, may result in minor or moderate injury. It may also be used to alert against unsafe practices.
- ELECTRICAL SHOCK The output voltage present in this equipment can cause fatal electric shock. This equipment must be operated by a responsible person.
A. Do not allow anyone to operate the generator without proper instruction.
B. Guard against electric shock.
C. Avoid contact with live terminals or receptacles.
D. Use extreme care if operating this unit in rain or snow.
E. Use only three-pronged grounded receptacles and extension cords.
F. Be sure the unit is properly grounded for your application. - FIRE HAZARD –
Gasoline and other fuels present a hazard of a possible explosion and/or fire.
A. Do not refuel when the engine is running or hot.
B. Keep fuel containers out of reach of children.
C. Do not smoke or use open flame near the generator set or fuel tank.
D. Keep a fire extinguisher nearby and know its proper use. Fire extinguishers rated ABC by NFPA are appropriate.
E. Store fuel only in an approved container, and only in a well-ventilated area.
F. Follow local codes for closeness to combustible material. - DEADLY EXHAUST GAS –
Exhaust fumes from any gasoline engine contain carbon monoxide, an invisible, odorless and deadly gas that must be mixed with fresh air.
A. Operate only in well-ventilated areas.
B. Never operate indoors including attached garages
C. Never operate the unit in such a way as to allow exhaust gases to seep back into closed rooms (i.e. through windows, walls, floors). - NOISE HAZARD –
Excessive noise is not only tiring, but continual exposure can lead to loss of hearing.
A. Use hearing protection when working around this equipment for long periods of time.
B. Keep your neighbors in mind when using this equipment. - CLEANLINESS –
Keep the generator and surrounding area clean.
A. Remove all grease, ice, snow or materials that create slippery conditions around the unit.
B. Remove any rags or other materials that could create a potential fire hazard.
C. Carefully clean up any gas or oil spills before starting the unit. - SERVICING EQUIPMENT All services, including the installation or replacement of service parts, should be performed only by a qualified technician.
A. Use only factory-approved repair parts.
B. Do not work on this equipment when fatigued.
C. Never remove the protective guards, covers, or receptacle panels while the engine is running.
D. Use extreme caution when working on electrical components. High output voltage from this equipment can cause serious injury or death.
E. Always avoid hot mufflers, exhaust manifolds, and engine parts. They can cause severe burns instantly.
F. The use of the engine-generator set must comply with all national, state, and local codes.
SPECIFICATIONS
GENERATOR
| Model | DP3000HR-01/A |
| Surge Watts | 3,000 |
| Continuous Watts | 2,500 |
| Volts | 120 |
| Amps | 20.8 |
| Generator Manufacturer | Mecc Alte Spa |
| Generator Model Number | S16W-75 |
| Part Number | 16346-017 |
| Rotor Resistance | 2.62 Ohms |
| Stator Resistance | 0.97 Ohms |
| Cap Winding Resistance | 5.46 Ohms |
| Capacitor | 12.5 mF |
| Capacitor Part Number | 16346-801 |
ENGINE
| Engine Manufacturer | Honda |
| Engine Model Number | GX160 |
| Type | UT2VA2 NH1 |
| Code | GCBPT |
| Oil Capacity | 19.5 oz ( 0.61 qts) |
TESTING POLICY
Before any generator is shipped from the factory, it is fully checked for performance. The generator is loaded to its full capacity, and the voltage, current, and frequency are carefully checked. Rated output of generator is based on engineering tests of typical units, and is subject to, and limited by, the temperature, altitude, fuel, and other conditions specified by the manufacturer of applicable engines.
INTRODUCTION
INTENDED USES
This engine generator set has been designed primarily for portable heavy duty commercial use. Both 120 volt, NEMA 5-20R has been provided in the control panel to plug in your loads (lights, portable tools, and small appliances). This portable unit requires large quantities of fresh air for cooling the engine and generator. For safety, long life and
adequate performance, these units should never be run in small compartments without positive fresh air flow.
RESTRICTED USES
DO NOT remove from the cradle assembly. Removal of the generator from the cradle assembly may cause excessive vibration and damage to the engine generator set.
DO NOT operate and/or store the unit outside during inclement weather without adequate protection from the elements. Failure to do so will damage the unit.
DO NOT install and operate this generator in a small compartment., i.e. generator compartments of vehicles, motor homes or travel trailers. These compartments will not allow enough free flow of fresh air to reach the engine generator set for cooling and will cause the unit to overheat, damaging both the engine and generator. Small compartments will also develop hot spots where there is very little airflow and may cause a fire.
PLEASE NOTE There are 3rd party companies making enclosures for generators that have been properly engineered. The use of these 3rd party enclosures is acceptable as long as they have been certified and meet current code. DO NOT attempt to operate at 50 cycles. These units are designed and governed to operate at 60 cycles only.
UNIT CAPABILITIES
GENERATOR CONNECTIONS
DP3000HR-01/A: Rated at 3,000 starting Watts and 2,500 continuous Watts. Generator full output can be drawn from the 120 Volt GFCI NEMA 5-20 receptacles, mounted on the end of the generator.
STARTING ELECTRIC MOTORS
Electric motors require much more current (amps) to start them than to run them. Some motors, particularly low cost split-phase motors, are very hard to start and require 5 to 7 times as much starting current as running current. Capacitor motors are easier to start and usually require 2 to 4 times as much starting current as running current. Repulsion
Induction motors are the easiest to start and require only 1 1/2 to 2 1/2 times as much starting as running current. Most fractional horsepower motors take about the same amount of current to run them whether they are Repulsion Induction (RI), Capacitor (Cap), or Split-Phase (SP) type.
If the electric motor is connected to a hard starting load such as an air compressor, it will require more starting current. If it is connected to a light load, or no load such as a power saw, it will require less starting current. The exact requirement will also vary with the brand or design of the motor.
Self-exciting generators respond to severe overloading differently than utility power. When overloaded, the engine is not able to supply enough power to bring the electric
motor up to operating speed. The generator responds with high initial starting current, but the engine speed drops sharply. The overload may stall the engine. If allowed to
operate at very low speeds, the electric motor starting winding will burn out in a short time. The generator winding might also be damaged.
CAUTION: EQUIPMENT DAMAGE
Running the generator set under these conditions may result in damage to the generator stator as well as the motor winding.
The heavy surge of current required for starting motors is required for only an instant. The generator will not be damaged if it can bring the motor up to speed in a few
seconds of time. If difficulty is experienced in starting motors, turn all other electrical loads off and if possible reduce the load on the electric motor.
PREPARING THE UNIT
UNPACKING
CAUTION: EQUIPMENT DAMAGE
THIS UNIT HAS BEEN SHIPPED WITH OIL. Failure to maintain the engine oil at the proper level will result in serious engine damage.
When you unpack your engine-generator set be sure to remove all the information sheets and manuals from the carton.
- As you receive your unit, it is critical to check it for any damage. If any damage is noted, it is always easiest to refuse the shipment and let WINCO take care of the freight claim. If you sign for the unit, the transfer of ownership requires that you file the freight claim.
- Before proceeding with the preparations of your new generator for operation, take a couple of minutes to ensure the unit you have received is the correct model and review the specification pages in this manual to ensure that this unit meets your job requirements.
LUBRICATION
Before starting the engine, check that the crankcase has
the proper level of good quality oil. The recommended grade oil and quantity of oil required is listed in the engine operators manual and in the Oil Recommendations section of this manual. The engine normally holds 19.5 ounces (0.61 quarts) of oil. Use the dipstick to ensure that you have the correct amount of oil. The full oil level mark on the dipstick is depicted in the following image.
If needed, oil is added to the engine by removing the oil capand adding oil at this point. After filling the crankcase to theproper level, be sure you properly tighten the oil fill cap.
NOTE: This engine generator must be on a level surface before you check or add oil to the system.
The necessity of using the correct oil and keeping the crankcase full cannot be overemphasized. Engine failures resulting from inadequate or improper lubricant are considered abuse and not covered by the generator or engine manufacturer’s warranty.
OIL RECOMMENDATIONS
Outdoor temperatures determine the proper oil viscosity for the engines. Winco recommends our 5W-30 fully synthetic oil to give you excellent protection in cold temperatures
while maintaining excellent performance in warmer weather.
OIL ALERT SYSTEM
This generator is equipped with a low oil shutdown system. This Honda engine uses a float switch mounted inside the engine. If the oil level drops below a certain point the low
oil module on the engine will shut it down. This low oil warning system will automatically stop the engine before the oil level reaches its critical danger point. This feature is designed to prevent costly repairs and downtime.
CAUTION: EQUIPMENT DAMAGE
Allowing the engine to shut down repeatedly on low oil levels may cause excessive wear which can be cumulative.
GASOLINE
When using gasoline, always use fresh, clean, unleaded fuel. The engine is certified to operate on unleaded gasoline with a minimum octane rating of 87 or higher. Gasoline
containing no more the 10% ethanol is acceptable.
CAUTION: EQUIPMENT DAMAGE
Do not use unapproved gasoline, such as E15 or E85. Do not mix oil in the gasoline. Use of unapproved fuels will damage the engine components and void the engine warranty. The use of fuels with a content of ethanol greater than shown above may cause starting and/or performance problems. Always ensure that the fuel is clean and free of all
impurities.
WARNING: FIRE DANGER
Gasoline and its fumes are VERY explosive when proper precautions are not taken.
Never use gasoline that has been stored for an extended period of time as the fuel will lose its volatile properties and you will be left with varnish residue. The varnish-like substance will clog the carburetor and will not burn properly. The use of fuel additives, such as Sta-Bil, or an equivalent will minimize the formation of fuel gum deposits. If a unit has been out of operation for an extended period of time, it is best to drain old fuel from the engine and replace with fresh fuel before attempting to start.
See the engine manual for special instructions for operating this unit at over 5000 feet.
INITIAL START-UP
The throttle control on these generators is preset and locked to operate at 3600 RPM (nominal) with no load speed set at 3690 RPM. Only a trained service technician
should be allowed to adjust this speed setting.
NOTICE: ENGINE START LOCKOUT
This unit will not start if it is low on oil. The lubricating oil level must be at the full mark before the engine will start and run.
BASIC OPERATION
- Check oil level, refill as needed.
- Move the fuel valve and fuel cap vent to the ON position.

- To Start a cold engine, move the choke lever to the CLOSED position. To restart a warm engine, leave the choke lever in the open position.

- Turn the engine switch to the ON position.

- Operate the starter. This engine is recoil start only. Pull the starter grip lightly until you feel resistance, then pull briskly in the direction of the arrow as shown below. Return the starter grip gently. Note: Do not allow the starter grip to snap back against the engine. Return it gently to prevent damage to the starter.

- If the choke rod has been moved to the CLOSED position to start the engine, gradually move it to the OPEN position as the engine warms up.

- The engine should promptly come up to operating speed.
CAUTION: EQUIPMENT DAMAGE
Never permit the choke to remain on after the engine has run for a short time. It is not necessary to choke the engine when it is warm. Avoid over-choking.
STARTING HINTS
- COLD WEATHER
A. Use the proper oil for the temperature expected.
B. Use fresh winter-grade fuel. Winter grade gasoline is blended to improve starting. Do not use summer-grade gasoline. - HOT WEATHER
A. Use the proper oil for the temperature expected.
B. Use only summer blended gasoline. Using gasoline left over from winter may cause the unit to vapor lock.
STOPPING AND STORING
To stop the engine in an emergency, simply turn the engine switch to OFF position. Under normal conditions, use the following procedure.
- Allow the generator to run under no load for at least 2 minute to cool. Turn the engine switch to the OFF position.

- Turn the fuel valve lever to the OFF position.

NOTE: The use of a fuel additive, such as Sta-Bil or equivalent will minimize the formation of gum deposits during storage. The additive may be added to gasoline in the engine’s fuel tank or to gasoline in a storage container.
A. Add the fuel stabilizer to the fuel in the tank and run for 2 minutes to circulate the stabilizer throughout the fuel system.
B. If you choose to remove the remaining fuel from the fuel tank, it must be drained into an approved container.
C. Start the engine and allow it to run until all the fuel in the carburetor and the fuel lines has been used up and the engine stops.
NOTE: Running the engine to use up the fuel in the lines and carburetor will still leave a small amount of fuel in the carburetor. It is best extended storage to treat the fuel before draining.
D. While the engine is warm, drain the oil and refill with fresh oil.
E. Clean dirt and chaff from cylinder, cylinder head fins, blower housing, screen, and muffler areas.
F. Store in a clean and dry area.
OPERATING SPEED
The engine generator must be run at the correct speed in order to produce the proper electrical voltage and frequency.
CAUTION: EQUIPMENT DAMAGE
The output voltage should be checked to ensure the generator is working properly prior to connecting a load to the generator. Failure to do so could result in damage to equipment plugged into the unit and possible injury to the individual.
All engines have a tendency to slow down when a load is applied. When the electrical load is connected to the generator, the engine is more heavily loaded, and as a result, the speed drops slightly. This slight decrease in speed, together with the voltage drop within the generator itself, results in a slightly lower voltage when the generator is loaded to its full capacity than when running no load. The slight variation in speed also affects the frequency of the output current. This frequency variation has no appreciable effect in the operation of motors, lights, and most appliances. However, electronic equipment and clocks will be affected if the correct RPM is not maintained. See Load vs. Output chart. Although individual units and models vary slightly, the normal voltage and frequency of the engine-generator described in this manual are approximate as follows, under varying loads:
| LOAD vs. OUTPUT | |||
| Generator Load | Speed (RPM) | Frequency (Hz) | Voltage |
| None | 3690 | 62. | 125V |
| Half | 3600 | 60.0 | 120V |
| Full | 3510 | 59. | 115V |
The speed of the engine was carefully adjusted at the factory so that the generator produces the proper voltage and frequency. For normal usage, the speed setting should
not be charged. If the generator is being run continuously on a very light load, it is often advisable to lower the operating speed slightly.
Position the throttle lever for the desired engine speed.
CAUTION: EQUIPMENT DAMAGE:
SPEED ADJUSTMENTS SHOULD ONLY BE MADE BY
A QUALIFIED SERVICE TECH. Whenever making any speed adjustments, check the unit with a voltmeter and a frequency meter or a tachometer and be sure the voltage and speed are correct.
Lower voltage may damage both the generator and any load connected to it. Running the engine at excessively high speeds results in high voltage, which may significantly shorten the life of the appliances being used. Output voltage should be checked periodically to ensure continued proper operation of the generating plant and appliances. If the generator is not equipped with a voltmeter, it can be checked with a portable meter.
CONNECTING THE LOADS
The engine generator covered in this manual was designed for portable use. Do NOT operate indoors. The unit should be stored in a warm, dry location. Move the unit outdoors to a flat, dry location for use.
WARNING: PERSONAL DANGER:
Operating any engine-driven generator without proper air flow can result in personal injury or death. DO NOT operate this unit inside a home or garage, near vents or windows, or anywhere carbon monoxide gas could accumulate.
APPLYING THE LOADS
Allow the engine to warm up for two or three minutes before applying any load. This will allow the engine to reach normal operating temperature and oil to circulate throughout the engine. A short warm-up time will permit the engine to work more efficiently when the load is applied and will reduce the wear in the engine, extending its life.
Receptacles have been provided to allow loads to be connected to the generator. The loads should be added one at a time. If a large motor is being started: or multiple motors are being started, they should be started individually and the largest should be started first.
CAUTION: EQUIPMENT OVERLOAD
Keep the generator load within in the generator and receptacle nameplate rating. Overloading may cause damage to the generator and/or the loads.
Most electric tools and appliances will have voltage and amperage requirements on their individual nameplates.
When in doubt, consult the manufacturer or a local electrician. The nameplate amperage rating for electric
motors can be misleading. See “Starting Electric Motors” in the Unit Capabilities.
These engine-generator sets are inherently self-regulating based on engine speed. The engine governor will automatically adjust itself to the load. No harm to
the generator will result if it is operated with no load connected. Proper utilization of the receptacles located on the control panel is necessary to prevent damage to either receptacles or the generator. The generator is a limited source of electrical power, therefore, pay special attention to the receptacle and generator ratings. The nameplate
rating can be obtained through a single receptacle as long as the receptacle’s amperage rating is not exceeded.
GROUNDING
Proper grounding of your generator is application dependent. Carefully evaluate your planned use of your generator to understand which grounding you require.
If you are not sure what to do, contact a competent professional to assist you. The NFPA 70 250:34-35 are good technical references.
STANDARD PORTABLE GENERATOR
Your WINCO portable generator ships with a bonded neutral. You can safely use this generator without external grounding as long as all loads are powered through the receptacle panel.
VEHICLE-MOUNTED GENERATOR
Your WINCO portable generator ships with a bonded neutral. When mounted to a vehicle to safely distribute power it is necessary that the generator frame is bonded to the vehicle frame. The generator should only supply equipment that is cord and plug connected through receptacles mounted on the generator or the vehicle.
PERMANENTLY INSTALLED GENERATORS
This WINCO portable generator ships with a bonded neutral and overcurrent protection. NFPA 70 refers to this as a “separately derived system.” When connecting it to a
building a transfer switch specifically designed for GFCI and bonded neutral generators is required.
WIRING
Plug your tools such as drills, saws, blowers, sump pump, and other items to be powered directly into the generator receptacles. Before plugging in all the tools and cord sets, recheck the rating of the generator set. Be sure it can handle the intended load and is compatible with the voltage, phase, and current ratings. ‘Hard wiring’ this unit directly into a temporary construction site electrical system is NOT A SIMPLE DO-IT-YOURSELF JOB. For your safety, all wiring must be done by a qualified electrician and conform
to the National Electric Code and comply with all state and local codes and regulations. Check with local authorities before proceeding.
WARNING: PERSONAL DANGER
A fully isolated, double pole double throw manual transfer switch must be installed any time a generator is being connected to an existing distribution system.
- These engine-generator sets are designed for portable heavy-duty commercial use. Receptacles are provided on the control panel to permit 120 Volt portable appliances and tools to be plugged directly into them. On this size generator, no provisions have been made for plugging into an existing building wiring. Because of the 120V receptacle
is a GFCI design, connecting to any wiring system with a neutral to-ground jumper in it will cause the GFCI to trip. Consult a licensed electrician for wiring and connecting it as a temporary service.
CAUTION: EQUIPMENT DAMAGE
Failure to properly limit and balance the load applied to the generator will cause the generator to produce low voltage and may damage the engine generator set. It may also cause severe damage to the loads connected to the generator at that time. Improper loading of the generator set constitutes abuse and will not be covered by a warranty.
YOUR GEN
The WINCO YourGen meter allows you to see useful information about your generator from the front panel by displaying RPMs, Voltage, frequency, load, hours, and
maintenance reminders. It also has the ability to display warnings if any parameter gets outside of the normal operating range. 
Cycle Button (
)
During normal operation, the display will toggle through on fixed delay. If you want to see any specific item, you can press the cycle button to move it to that setting. Once
the display is selected, the delay before it starts toggling is approximately 5 seconds. This button is also used to reset maintenance reminders.
RPM –
The meter will display the RPMs of the engine. This number is calculated based upon frequency and is not directly measured from the engine. The engine generator must be run at the correct speed in order to produce the proper electrical voltage and frequency.
CAUTION: EQUIPMENT DAMAGE
The output voltage should be checked to ensure the generator is working properly prior to connecting a load to the generator. Failure to do so could result in damage to equipment plugged into the unit and possible injury to the individual.
Operating Speed: All engines have a tendency to slow down when a load is applied. When the electrical load is connected to the generator, the engine is more heavily loaded, and as a result, the speed drops slightly. This slight decrease in speed, together with the voltage drop within the generator itself, results in a slightly lower voltage when the generator is loaded to its full capacity than when running no load. The slight variation in speed also affects the frequency of the output current. This frequency variation has no appreciable effect in the operation of motors, lights, and most appliances. However, electronic equipment and clocks will be affected if correct RPM is not maintained. See Load vs. Output chart.
Although individual units and models vary slightly, the normal voltage and frequency of the engine-generator described in this manual are approximate as follows, under varying loads:
| LOAD vs. OUTPUT | |||
| Generator Load | Speed (RPM) | Frequency (Hz) | Voltage |
| None | 3690 | 62.5 | 120V Recpt |
| Half | 3600 | 60.0 | 120V |
| Full | 3510 | 59.5 | 120V |
The speed of the engine was carefully adjusted at the factory so that the generator produces the proper voltage and frequency. For normal usage, the speed setting shouldnot be changed. If the generator is being run continuously on a very light load, it is often advisable to lower the operating speed slightly.
The engine will govern itself at full speed. Intentionally overriding the governor and operating the generator at low voltage may damage both the generator and any load connected to it. Running the engine at excessively high speeds results in high voltage, which may significantly shorten the life of light bulbs and appliances being used, aswell as possibly damage the engine.
CAUTION: EQUIPMENT DAMAGE SPEED ADJUSTMENTS SHOULD ONLY BE MADE BY A QUALIFIED SERVICE TECH. Whenever making any speed adjustments, check the YourGen meter and be sure the voltage and speed are correct. Output voltage should be checked periodically to ensure continued proper operation of the generating plant and appliances.
Hz This is the measured frequency of the generator set.
See the table in the RPM section above for an explanation of voltage and frequency ranges under load.
V1 – Output voltage of Line 1 (L1 on panel) to neutral. See the Load vs. Output table for an explanation of voltage and frequency ranges under load.
V2 – Output voltage of Line 2 (L2 on panel) to neutral. See the Load vs. Output table for an explanation of voltage and frequency ranges under load.
The V1-V2 Output voltage of Line 1 (L1) and Line 2 (L2). See the Load vs. Output table for an explanation of voltage and frequency ranges under load.
Hours This displays the total running hours of the generator set.
When the generator is turned off, the hours will remain displayed. The display is run on a CR2032, ten-year battery. Once the unit is running, the battery connected to the unit will then supply the power to the YourGen meter.
Load Bars – These bars indicate how much load is being used on Line 1 (L1).
It is good practice to monitor the YourGen Meter when applying load.
120 Volt receptacles are provided for connection to various loads.
DP3000HR-03/A: Rated at 3,000 starting Watts and 2,500 continuous Watts. Generator full output can be drawn from the 120 Volt GFCI NEMA 5-20 receptacles, mounted on the end of the generator.
Change Oil Warning After the first 50 hours, the engine oil should be changed. The YourGen meter will light up the oil icon (
) and the word ‘change’ will flash. The engine will not shut down with this warning on, but this warning should not be ignored. Once the oil has been changed, press and holds the cycle button for approximately 5 seconds until the warning has been removed from the display to reset the warning. The meter will then remind you of oil changes on the appropriate schedule for your generator. It is important to remember that the engine manufacturer recommends changing the oil on a calendar schedule even if the total number of operational hours have not been reached.
Certain operating environments may also require more frequent oil changes.
Alarms –
The display will start blinking and toggle to the first parameter that is out of specification. The panel will remain flashing until the fault condition returns to within the
acceptable range, see the following table.
| Acceptable Range | |
| Frequency | 57-63 Hz |
| Voltage | 110VAC-130VAC |
Battery –
When the unit is off, the YourGen meter will display the hours continuously using a coin cell back-up battery inside the meter. Once the unit is running, the meter will get
power from the main unit battery.
| Voltage | 3.0V DC |
| Battery Type | CR2032 |
| Lifetime | 10 Years |
The battery has a 10 year lifetime, in the event you need to change the battery, follow these instructions:
The battery is located in the control box near potentially live AC terminals. To prevent electrocution while changing the battery disable the unit by disconnecting the main battery, spark plug wire and then open the receptacle panel. Locate the backside of the YourGen meter. Gently pry the back plate off using the slot located on top.
Once open, the battery will be located at the top. Using a needle nose plier, carefully pull out the battery.
Replace the battery having the POSITIVE (+) side down. Ensure the battery is secured between the battery connections.
Replace the back plate of the meter and close the receptacle panel using the screws to secure it. Reconnect the unit’s main battery.
ENGINE CARE
MAINTENANCE SCHEDULE
If major engine service or repair is required, contact an authorized engine service center. The manufacturer of these engines has established an excellent world-wide engine service organization. Engine service is very likely available from a nearby authorized dealer or distributor. See following table.
| REGULAR SERVICE PERIOD (3) Perform at every indicated month or operating hour interval. whichever comes first. | Each Use | First Month or 20 Hrs | Every 3 Months or 50 Hrs | Every 6 Months or 100 Hrs | Every Year or 300 Hrs | Refer to Page | |
| ITEM “N.. | |||||||
| Engine oil | Check level | 9 | |||||
| Change | C | 9 | |||||
| Reduction case oil (applicable types) | Check level | 9 — 10 | |||||
| Change | U | 10 | |||||
| Air filter | Check | 10 | |||||
| Clean | (1) | 0 *(1) | 11 — 12 | ||||
| Replace | 0 * * | ||||||
| Sediment cup | Clean | 0 | 12 | ||||
| Spark plug | Check-adjust | 0 | 12 | ||||
| Replace | 0 | ||||||
| Spark arrester (applicable types) | Clean | 0 | 13 | ||||
| Idle speed | Check-adjust | C (2) | 13 | ||||
| Valve clearance | Check-adjust | C (2) | Shop manual | ||||
| Combustion chamber | Clean | After every 500 Hrs. (2) | Shop manual | ||||
| Fuel lank & filter | Clean | :-; (2) | Shop manual | ||||
| Fuel tube | Check a | Every 2 years (Replace if necessary) (2) | Shop manual | ||||
- Internal vent carburetor with dual element type only.
- Cyclone type every 6 months or 150 hours.
CHECKING THE OIL LEVEL
The oil level must always be checked before the engine is started. Refer to page 5 of this manual for instructions on checking the oil level. Take care to remove any dirt or debris from around the oil plug before removing. Be sure the oil level is maintained.
CHANGING THE OIL
Refer to the Maintenance Schedule Chart for required oil change intervals.
Outdoor temperatures determine the proper oil viscosity for the engines. Winco recommends our 5W-30 fully synthetic oil to give you excellent protection in cold temperatures
while maintaining excellent performance in warmer weather.
- Start the engine and warm it up, stop the engine and remove the spark plug wire to prevent it from accidentally being started.
- Allow the used oil to drain completely, then reinstall the oil drain plug and a new washer, and tighten the oil drain plug securely.
Dispose of used motor oil in a manner that is compatible with the environment. Do not throw it in the trash, pour it in the ground, or pour it down a drain. - With the engine in a level position, fill with the recommended oil to the upper limit mark on the dipstick.
The Oil Alert system will automatically stop the engine before the oil level falls below the safe limit.
CAUTION: EQUIPMENT DAMAGE: Running the engine with a low oil level can cause engine damage. This type of damage is not covered under warranty. - Install the oil filler cap/dipstick and tighten it securely.
NOTE: This engine requires 19.5 ounces (0.61 quarts) of oil if it is completely drained. Use caution when refilling the engine as some residual oil may have remained in the engine. Always use the dipstick when filling the engine with oil to prevent overfilling. - After warming up the engine, recheck the oil level and refill as necessary to bring it to the proper level.
AIR FILTER
Check the maintenance schedule for the recommended service period. Service more often under dusty conditions.
WARNING: EQUIPMENT DAMAGE
Never start or run the engine with the air filter removed. This will allow dirt to enter the engine, causing rapid engine wear. This type of damage is not covered under warranty.
- Remove the wing nut from the air cleaner cover and remove cover.
- Remove the wing nut from the air filter cover and remove the paper filter element.
- Remove the foam filter from the paper filter.
- Inspect both air filter elements and replace them if they are damaged. Always replace the paper air filter element at scheduled intervals.

- Clean the air filter elements if they are to be reused.
Paper air filter element: Tap the filter element several times on a hard surface to remove dirt, or blow compressed air [not exceeding 30 psi through the filter element from the inside. Never try to brush off dirt; brushing will force dirt into the fibers. Foam air filter element: Clean in warm soapy water, rinse, and allow to dry thoroughly. Or clean in a nonflammable solvent and allow to dry. Dip the filter element in clean engine oil, then squeeze out all excess oil. The engine will smoke when started if too much oil is left in the foam. - Wipe dirt from the inside of the air cleaner case and cover, using a moist rag. Be careful to prevent dirt from entering the air duct that leads to the carburetor.
- Place the foam air filter element over the paper element, and reinstall the assembled air filter. Be sure the gasket is in place beneath the air filter. Tighten the air filter wing nut securely.
- Install the air cleaner cover, and tighten the wing nut securely.
SEDIMENT CUP
DANGER: PERSONAL INJURY
Gasoline is highly flammable and explosive, and you can be burned or seriously injured when handling fuel.
- Remove the fuel valve to the OFF position, then remove the fuel sediment cup and O-Ring.
- Wash the sediment cup in a non-flammable solvent, and dry thoroughly.

- Place the O-Ring in the fuel valve and install the sediment cup. Tighten the sediment cup securely.
- Move the fuel valve lever to the ON position, and check for leaks. Replace the O-Ring if there is any leakage.
SPARK PLUG
Replace annually or every 300 hours of operation. Always replace with the same spark plug that came in the engine and check gap before installing. Spark plug gap is 0.030”.
Poor spark will also occur if spark plug wire does not fit firmly on spark plug. If this happens, reform the terminal to fit firmly on spark plug tip.
CARBON CANISTER
Designed to collect, store, and dispose of fuel vapors created in the fuel tank/fuel system. The canister should last the life of the unit as long as it stays dry.
GENERATOR CARE
Proper care and maintenance of the generator is necessary to ensure a long trouble-free life.
EXERCISING THE GENERATOR
The generator should be operated every three to four weeks. It should be operated for a period of time sufficient to warm the unit up and to dry out any moisture that has
accumulated in the windings. If left, this moisture can cause corrosion in the winding. Frequent operation of the engine generator set will also ensure that the set is operating
properly should it be needed in an emergency.
GENERATOR MAINTENANCE
Any major generator service, including the installation or replacement of parts, should be performed only by a qualified electrical service technician. USE ONLY FACTORY
APPROVED REPAIR PARTS.
A. Bearing – The bearing used in these generators is a heavy-duty, double-sealed ball bearing. They require no maintenance or lubrication.
B. Receptacles – Quality receptacles have been utilized. If a receptacle should become cracked or otherwise damaged, replace it. Using damaged or cracked
receptacles can be both dangerous to the operator and destructive to the equipment.
CLEANING
Remove dirt and debris with a cloth or brush. DO NOT use a high-pressure spray to clean either the engine or the generator. The high-pressure spray could contaminate the
fuel system and the generator components.
- Keep the air inlet screen on both the engine and generator free of any dirt or debris to ensure proper cooling. At least yearly, remove the blower housing on
the engine and clean the chaff and dirt out of the engine cooling fins and fly wheel. Clean more often if necessary. Failure to keep these areas clean may cause overheating and permanent damage to the unit. - Periodically clean muffler area to remove all grass, dirt, and combustible debris to prevent a fire.
- On engine mufflers equipped with spark arresters, the spark arrester must be removed every 50 hours for cleaning and inspection. Replace if damaged.
TROUBLESHOOTING
| Problem | Possible Causes |
| Won’t start | Low oil level Fouled spark plug Out of fuel Start switch in OFF position Fuel Valve turned off Choke Open |
| Voltage too low | Engine speed is too low Generator overloaded Defective stator Defective rotor (field) Defective capacitor |
| Circuit breaker trips | Defective load Defective receptacle Excessive load |
| Voltage too high | Engine speed is too high |
| Generator overheating | Overloaded Insufficient ventilation |
| No output voltage | Short in load (disconnect) Tripped or defective circuit breaker Broken or loose wire Defective receptacle No residual magnetism (in generator) Defective stator Defective rotor (field) Shorted capacitor Shorted diodes on rotor GFCI receptacle tripped |
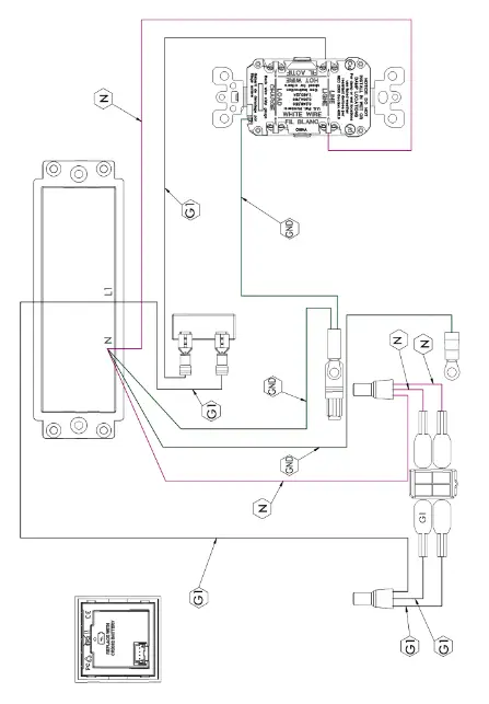
CONTROL PANEL WIRING DIAGRAM
WINCO warrants to the original purchaser for 36 months or 1000 hours, whichever occurs first, that goods manufactured or supplied by it will be free from defects in workmanship and material, provided such goods are installed, operated and maintained in accordance with WINCO written instructions and applicable codes.
WINCO’s sole liability, and Purchaser’s sole remedy for a failure under this warranty, shall be limited to the repair of the product. At WINCO’s option, material found to be defective in material or workmanship under normal use and service will be repaired or replaced. For warranty service, return the product within the warranty period, to your nearest WINCO Authorized Service Center or to WINCO in Le Center Minnesota.
Duration Consumer, Commercial and Rental
Parts & Labor: 24 Months
Parts Only: 24-36 Months
EXCLUSIONS:
- Normal maintenance consumables or labor.
- This warranty does not cover travel time, mileage or labor for removal or re-installation of WINCO product from its application.
- Normal wear and tear.
- Costs of rental equipment.
- WINCO does not warrant engines. Engines are covered exclusively by the warranties of their respective manufacturers.
- WINCO does not warrant component parts that are warranted by their respective manufacturers.
- WINCO does not warrant modifications or alterations which were not made by WINCO.
- WINCO does not warrant products which have been subjected to misuse and/or negligence or have been involved in an accident. Proof of proper maintenance must be furnished upon request.
THERE ARE NO EXPRESS WARRANTIES OTHER THAN THOSE DESCRIBED HEREIN. THERE ARE NO OTHER WARRANTIES, EXPRESSED OR IMPLIED, OR OTHERWISE CREATED, INCLUDING BUT NOT LIMITED TO WARRANTIES OF MERCHANTABILITY, OR WARRANTIES OF FITNESS FOR A PARTICULAR PURPOSE.
WINCO is liable for the repair or replacement of the product only and is not liable for incidental or consequential damages as permitted by your state. This warranty gives you specific legal rights which may vary from state to state.
CALIFORNIA EVAPORATIVE EMISSION CONTROL WARRANTY STATEMENT
YOUR WARRANTY RIGHTS AND OBLIGATIONS
The California Air Resources Board is pleased to explain the evaporative emission control system’s warranty on your model 2020 generator. In California, new equipment that uses small off-road engines must be designed, built, and equipped to meet the State’s stringent anti-smog standards. WINCO must warrant the evaporative emission control system on your generator for the period listed below provided there has been no abuse, neglect or improper maintenance of your equipment leading to the failure of the evaporative emission control system. Your evaporative emission control system may include parts such as: a carburetor, fuel tank, fuel cap, fuel lines (for liquid fuel and fuel vapors), fuel line fittings, fuel line clamps, carbon canisters, and carbon canister mounting brackets.
MANUFACTURER’S WARRANTY COVERAGE
The evaporative emission control system is warranted for two years. If any evaporative emission-related parts on your equipment are defective, the parts will be repaired or replaced by WINCO.
OPM-130/B
WINCO INC.
225 S. CORDOVA AVE
LE CENTER, MN 56057
507-357-6821
OPM-130/A
www.wincogen.com







Dispose of used motor oil in a manner that is compatible with the environment. Do not throw it in the trash, pour it in the ground, or pour it down a drain.


















