WINCO EC22000VE-A Portable Generator

SAVE THESE INSTRUCTIONS
This manual contains important instructions that should be followed during installation and maintenance of the generator. Read and understand all instructions in the manual before starting and operating the generator.
USING THIS MANUAL
Congratulations on your choice of a WINCO generator. You have selected a high-quality, precision-engineered generator designed and tested to give you years of satisfactory service.
To get the best performance from your new generator, it is important that you carefully read and follow the operating instructions in this manual.
Should you experience a problem please follow the
“Troubleshooting Tables” near the end of this manual. The warranty listed in the manual describes what you can expect from WINCO should you need service assistance in the future.
TESTING POLICY
Before any generator is shipped from the factory, it is fully checked for performance. The generator is loaded to its full capacity, and the voltage, current, and frequency are carefully checked.
Rated output of generator is based on engineering tests of typical units, and is subject to, and limited by, the temperature, altitude, fuel, and other conditions specified by the manufacturer of applicable engines.
SPECIFICATIONS
EC18000VE
| EC18000VE | |
| Starting Watts | 18,000 |
| Running Watts | 15,000 |
| Volts | 120/240 |
| Phase | 62.5 |
| PF | 1.0 |
| Amps 120/240V | 125/62.5 |
| CB Size | 60 Amp |
| Hertz | 60 |
| ENGINE | |
| Manufacturer | Briggs & Stratton |
| Model | Vanguard 543477 2141 G1 |
| Size | 895 CC/OHV |
| Fuel Consumption Full Load Half Load No Load | 2.69 Gal/Hr 1.62 Gal/Hr 0.88 Gal/Hr |
| Starting | Electric Key Start |
| Voltage | 12V |
GENERATOR
- Generator Manufacturer Mecc Alte
- Generator Model Number S20F-230/A
- Part Number 16428-002
- Rotor Resistance 8.04 Ohms
- Stator Resistance 0.0056 Ohms
- Auxiliary 1.173 Ohms
- Exciter Stator 10.6 Ohms
- Exciter Rotor 0.417 Ohms
- Capacitor :
- 31.5μ 425 VAC 300323-112
- 35μ 425 VAC 300323-212
- Generator Manufacturer Mecc Alte
- Generator Model Number ECP28-3L/2
- Part Number 64887-002
- Rotor Resistance 5.848 Ohms
- Stator Resistance 0.086 Ohms
- Auxiliary 1.087 Ohms
- Exciter Stator 10.6 Ohms
- Exciter Rotor 0.417 Ohms
ENGINE
- Spark Plugs 491055
- Air Filter 692519
- Air Filter Pre-Cleaner 692520
- Oil Filter 842921
- Fuel Filter 845125
- Spark Plug Gap 0.030 in
- Intake Valve Clearance 0.004 – 0.006 in
- Exhaust Valve Clearance 0.007 – 0.009 in
- Oil Capacity 78 – 80 oz (2.4 – 2.5 qts)
- Spark Plugs 491055
- Air Filter 692519
- Air Filter Pre-Cleaner 692520
- Oil Filter 842921
- Fuel Filter 845125
- Spark Plug Gap 0.030 in
- Intake Valve Clearance 0.004 – 0.006 in
- Exhaust Valve Clearance 0.007 – 0.009 in
- Oil Capacity 78 – 80 oz (2.4 – 2.5 qts)
SAFETY
IMPORTANT SAFETY INSTRUCTIONS
SAVE THESE INSTRUCTIONS
This manual contains important information that should be understood and followed before the installation, operation and maintenance of the generator. Failure to follow the safety instructions in this manual could result in serious injury or death. Keep this manual available for future reference.
CALIFORNIA PROPOSITION 65
WARNING: This product contains crude oil, gasoline, diesel fuel and other petroleum products, Antifreeze to which can expose you to chemicals including toluene and benzene, Ethylene glycol (ingested) which are known to the State of California to cause cancer, birth defects or other reproductive harm and developmental issues.
For more information go to www.P65Warning.ca.gov.
ANSI SAFETY DEFINITIONS
DANGER:
DANGER indicates an imminently hazardous situation which, if not avoided, will result in death or serious injury. This signal word is to be limited to the most extreme situations.
WARNING:
WARNING indicates a potentially hazardous situation which, if not avoided, could result in death or serious injury.
CAUTION:
CAUTION indicates a potentially hazardous situation which, if not avoided, may result in minor or moderate injury. It may also be used to alert against unsafe practices.
- ELECTRICAL SHOCK
The output voltage present in this equipment can cause fatal electric shock. This equipment must be operated by a responsible person.- Do not allow anyone to operate the generator without proper instruction.
- Guard against electric shock.
- Avoid contact with live terminals or receptacles.
- Use extreme care if operating this unit in rain or snow.
- Use only three-pronged grounded receptacles and extension cords.
- Be sure the unit is properly grounded to an external ground rod driven into the earth.
- FIRE HAZARD
Gasoline and other fuels present a hazard of possible explosion and/or fire.- Do not refuel when the engine is running or hot.
- Keep fuel containers out of reach of children.
- Do not smoke or use open flame near the generator set or fuel tank.
- Keep a fire extinguisher nearby and know its proper use. Fire extinguishers rated ABC by NFPA are appropriate.
- Store fuel only in an approved container, and only in a well ventilated area.
- Follow local codes for closeness to combustible material.
- DEADLY EXHAUST GAS
Exhaust fumes from any gasoline engine contain carbon monoxide, an invisible, odorless and deadly gas that must be mixed with fresh air.- Operate only in well ventilated areas.
- Never operate indoors including attached garages
- Never operate the unit in such a way as to allow exhaust gases to seep back into closed rooms (i.e. through windows, walls, floors).
- NOISE HAZARD
Excessive noise is not only tiring, but continual exposure can lead to loss of hearing.- Use hearing protection when working around this equipment for long periods of time.
- Keep your neighbors in mind when using this equipment.
- CLEANLINESS
Keep the generator and surrounding area clean.- Remove all grease, ice, snow or materials that create slippery conditions around the unit.
- Remove any rags or other materials that could create a potential fire hazard.
- Carefully clean up any gas or oil spills before starting the unit.
- SERVICING EQUIPMENT
All service, including the installation or replacement of service parts, should be performed only by a qualified technician.- Use only factory approved repair parts.
- Do not work on this equipment when fatigued.
- Never remove the protective guards, covers, or receptacle panels while the engine is running.
- Use extreme caution when working on electrical components. High output voltage from this equipment can cause serious injury or death.
- Always avoid hot mufflers, exhaust manifolds, and engine parts. They can cause severe burns instantly.
- The use of the engine-generator set must comply with all national, state, and local codes.
INTRODUCTION
INTENDED USES
The EC18000VE engine generator set has been designed primarily for heavy duty commercial use. A 240 volt receptacle is provided in the control panel to plug in your loads. The EC22000VE is hard-wire connectible only. These units are dual wound generators, therefore the 120 volt loads must be equally split with 1/2 of the rated capacity available on each of the two 120 volt circuits.
These units require large quantities of fresh air for cooling the engine and generator. For safety, long life and adequate performance, these units should never be run in small compartments without positive fresh air flow.
RESTRICTED USES
DO NOT install and operate this generator in a small compartment., i.e. generator compartments of vehicles, motor homes or travel trailers. These compartments will not allow enough free flow of fresh air to reach the engine generator set for cooling and will cause the unit to overheat, damaging both the engine and generator. Small compartments will also develop hot spots where there is very little air flow and may cause a fire.
PLEASE NOTE There are 3rd party companies making enclosures for generators that have been properly engineered. The use of these 3rd party enclosures is acceptable as long as they have been certified and meet current code.
DO NOT attempt to operate at 50 cycles. These units are designed and governed to operate at 60 cycles only.
UNIT CAPABILITIES
GENERATOR CONNECTIONS
The diagram below represents this 15,000 watt (rated output) generator. A & B represent the 120 volt output legs of this generator. Up to 7500 watts at 120 volts (45 Amps) can be drawn from the receptacles attached to either A or B output legs. This generator is capable of producing 62.5 Amps of 240 volt current at C. Check the appliance or tool nameplates for the current and voltage to insure compatibility. Remember that power taken from C reduces the power available at equally both A and B and vice versa.
Check the appliance or tool nameplates for the current and voltage to ensure compatibility. Remember the power utilized from C reduces the power available from both A and B and vice versa. The EC22000 utilizes the same format with A and B being 9500 Watts and C being 19,000 Watts.

STARTING ELECTRIC MOTORS
Electric motors require much more current (amps) to start them than to run them. Some motors, particularly low cost split-phase motors, are very hard to start and require 5 to 7 times as much starting current as running current. Capacitor motors are easier to start and usually require 2 to 4 times as much starting current as running current. Repulsion Induction motors are the easiest to start and require only 1 1/2 to 2 1/2 times as much starting as running current.
Most fractional horsepower motors take about the same amount of current to run them whether they are Repulsion Induction (RI), Capacitor (Cap), or Split-Phase (SP) type.
If the electric motor is connected to a hard starting load such as an air compressor, it will require more starting current. If it is connected to a light load, or no load such as a power saw, it will require less starting current. The exact requirement will also vary with the brand or design of the motor.
Self-exciting generators respond to severe overloading differently than utility power. When overloaded, the engine is not able to supply enough power to bring the electric motor up to operating speed. The generator responds with high initial starting current, but the engine speed drops sharply. The overload may stall the engine. If allowed to operate at very low speeds, the electric motor starting winding will burn out in a short time. The generator winding might also be damaged.
CAUTION: EQUIPMENT DAMAGE
Running the generator set under these conditions may result in damage to the generator stator as well as the motor winding.
The heavy surge of current required for starting motors is required for only an instant. The generator will not be damaged if it can bring the motor up to speed in a few seconds of time. If difficulty is experienced in starting motors, turn all other electrical loads off and if possible reduce the load on the electric motor.
PREPARING THE UNIT
UNPACKING
CAUTION: EQUIPMENT DAMAGE
THIS UNIT HAS BEEN SHIPPED WITHOUT OIL. Failure to maintain the engine oil at the proper level will result in serious engine damage.
When you unpack your engine-generator set be sure to remove all the information sheets and manuals from the carton.
- As you receive your unit, it is critical to check it for any damage. If any damage is noted, it is always easiest to refuse the shipment and let WINCO take care of the freight claim. If you sign for the unit, the transfer of the ownership requires that you file the freight claim
- Before proceeding with the preparations of your new generator for operation, take a couple of minutes to ensure the unit you have received is the correct model and review the specification pages in this manual to ensure that this unit meets your job requirements.
VENTILATION
These engine generator sets use large amounts of fresh air for cooling. When designing plans for your installation, special attention must be paid to the flow of hot air from both the engine and the generator. Both the engine and the generator must be supplied with a constant flow of fresh air from the outside to ensure they don’t overheat. Some provision must be made to remove the hot air out the enclosure. Ambient temperature around the unit should not exceed 104°F. Engine or generator failures resulting from inadequate ventilation are considered abuse and not covered by the generator or engine manufacturer’s warranty.
The engine exhaust from this engine must be vented to the outside. When venting hot exhaust through any type of flammable wall be sure to use exhaust thimbles to prevent fires.
WARNING:
Failure to properly vent out the exhaust out of an enclosure can and will kill you. Carbon monoxide is both invisible and orderless, it can build up very rapidly in any enclosure not properly vented.
GASOLINE
When using gasoline, always use fresh, clean, unleaded fuel. The engine is certified to operate on unleaded gasoline with a minimum octane rating of 87 or higher. Gasoline containing no more the 10% ethanol is acceptable.
CAUTION: EQUIPMENT DAMAGE
Do not use unapproved gasolines, such as E15 or E85. Do not mix oil in the gasoline. Use of unapproved fuels will damage the engine components and void the engine warranty. Use of fuels with content of ethanol greater than shown above may cause starting and/or performance problems.
Always ensure that the fuel is clean and free of all impurities.
WARNING: FIRE DANGER
Gasoline and its fumes are VERY explosive when proper precautions are not taken.
Never use gasoline that has been stored for an extended period of time as the fuel will lose its volatile properties and you will be left with varnish residue. The varnish like substance will clog the carburetor and will not burn properly.
The use of fuel additives, such as Sta-Bil, or an equivalent will minimize the formation of fuel gum deposits. If a unit has been out of operation for an extended period of time, it is best to drain old fuel from the engine and replace with fresh fuel before attempting to start.
FUEL SUPPLY
The EC units provide flexibility in where they get gasoline from. Whether you are using our optional fuel tank, or supplying your own, there are some important factors to consider. The fuel pump on the unit is only capable of about 30” of lift in ideal circumstances. Tank size, tank location, hose size, hose routing, and hot spots all play a role in a successful fuel tank installation. Preferred fuel installations use 1/4” hose that run straight to the engine with no drops or twists from an adequately (15 gallons) sized fuel tank.
- The fuel lift from the bottom of the tank to the fuel outlet on the generator must not exceed 30”. If a greater lift is required, it may be necessary to provide an additional electric fuel pump to ensure the engine get a sufficient flow of fuel.
- EPA regulations require the installation of a carbon canister on the tank vent line. This is to prevent the escape of fuel vapors in to the atmosphere.
- You need to have a primer bulb in the fuel line to prime the fuel from the tank to the fuel pump. The vacuum fuel pump on the engine will not draw the fuel up from the tank until the line has been properly primed.
- In all cases the minimum fuel line size must be 1/4” or larger line. And the fuel line must be certified for use with unleaded gasoline.
LUBRICATION
Before starting the engine, fill the crankcase to the proper level with a good quality oil. The recommended grade oil and quantity of oil required is listed in the engine operator’s manual and under the service tab in this manual. This unit was shipped with most of the oil removed. The engine normally holds 78 – 80 oz (2.4 – 2.5 qts) of oil. Since there is some trapped in the engine, when filling the crankcase the first time, use the dipstick to ensure that you do not over fill the crankcase. The full oil level mark on the dipstick is depicted in the following image.

Oil is added to the engine by removing the oil cap and adding oil at this point. After filling the crankcase to the proper level, be sure you properly tighten the oil fill cap.
NOTE: This engine generator must be on a level surface before you check or add oil to the system.
The necessity of using the correct oil and keeping the crankcase full cannot be overemphasized. Engine failures resulting from inadequate or improper lubricant are considered abuse and not covered by the generator or engine manufacturer’s warranty.
OIL RECOMMENDATIONS
Outdoor temperatures determine the proper oil viscosity for the engines. Winco recommends our 5W-30 fully synthetic oil to give you excellent protection in cold temperatures while maintaining excellent performance in warmer weather.

OIL ALERT SYSTEM
This generator is equipped standard with the Briggs & Stratton low oil pressure shutdown system. The low oil shutdown system is designed to prevent severe damage caused by an insufficient amount of oil in the crankcase. However, if the unit is repeatedly allowed to shutdown on low oil pressure, progressive damage will be done to the engine, shortening the engine’s life. The engine switch will remain in the “ON” position when the unit is shutdown by the low oil pressure system.
CAUTION: EQUIPMENT DAMAGE
Allowing the engine to shutdown repeatedly on low oil level may cause excessive wear which can be cumulative.
BATTERY INSTALLATION
You will need to connect this unit to a battery to operate it. Cables have not been provided as length are going to vary depending on your installation. These engines are
all negative ground. The positive battery cable must be connected to the open large terminal on the start solenoid (This terminal may have a small 16 GA. wire on it for the charging circuit). The negative cable should be attached to a good ground on the engine. This is usually one of the starter mounting studs.
A twelve volt battery, rated at 300 CCA or larger is recommended for this electric start generator set. Follow the battery manufacturer’s recommendations for servicing and charging prior to use.
A 12 Volt battery, BCI group 26 rated at 500 CCA or larger is recommended for this electric start engine-generator set. Follow the battery manufacturers recommendations for servicing and charging prior to use. Connect the battery to the electric start system using the cables provided.
CAUTION: EQUIPMENT DAMAGE
These electric start engines are NEGATIVE GROUND. Use extreme caution when connecting the battery. Connect the NEGATIVE battery terminal to GROUND.
For your safety, always connect the positive battery cable to the “bat+” terminal first. Then connect the negative battery cable to the “Bat-” terminal. Make sure all connections are clean an tight. Reverse the sequence when disconnecting, disconnect the negative cable first. These engines produce enough direct current to keep the battery charged under normal operating conditions, but were not intended to be used as a battery charger.
WARNING: PERSONAL INJURY
Lead acid batteries produce explosive hydrogen gas when charging. Keep sparks, flames, and burning cigarettes away from the battery. Ventilate the area when charging or using the battery in an enclosed space. Lead acid batteries contain sulfuric acid, which causes severe burns. If acid
contacts eyes, skin, or clothing, flush well with water. For contact with the eyes, get immediate medical attention.
BATTERY CHARGING
Units have a small flywheel charger built into the engine flywheel assembly for recharging the starting battery. This flywheel charger generates a small AC current that passes through a diode assembly to produce DC charging current of about 1 to 3 Amps. This circuit is not designed to be used as a battery charging circuit to recharge dead batteries.
INITIAL START UP
The throttle control on these generators is preset and locked to operate at 3600 RPM (nominal) with no load speed set at 3690 RPM. Only a trained service technician should be allowed to adjust this speed setting.
NOTICE: ENGINE START LOCKOUT
This unit will not start if it is low on oil. The lubricating oil level must be at the full mark before the engine will start and run.
BASIC OPERATION
CAUTION: EQUIPMENT DAMAGE:
Always start the unit with the circuit breaker open, never start with the load applied. Always keep the battery charged, especially during cold weather operation.
- Turn on the fuel supply
- Using the primer bulb, make sure the fuel is pumped up the the fuel pump on the engine.
- Move the choke to the full “ON” position for starting. A warm engine will require less choking than a cold one.

- Turn the key to the start position. Thart starter life is improved by using shorter start cycles. Do not operate the starter more than 15 seconds during each minute. Repeat as necessary.
- When the engine starts, release the key and open the choke gradually.
- The engine should promptly come up to operating speed.
CAUTION: EQUIPMENT DAMAGE
Never permit the choke to remain on after the engine has run for a short time. It is not necessary to choke the engine when it is warm. Avoid over-choking.
STARTING HINTS
- COLD WEATHER
- Use the proper oil for the temperature expected.
- Use fresh winter grade fuel. Winter grade gasoline is blended to improve starting. Do not use summer grade gasoline.
- HOT WEATHER
- Use the proper oil for the temperature expected.
- Use only summer blended gasoline. Using gasoline left over from winter may cause the unit to vapor lock.
STOPPING AND STORING
- Move the key to the “OFF” position.
- Turn off the fuel supply valve.
- Before extended storage (over 30 days) certain precautions must be taken to ensure the fuel doesn’t deteriorate and clog the fuel system.
NOTE: The use of a fuel additive, such as Sta-Bil or equivalent will minimize the formation of gum deposits during storage. The additive may be added to gasoline in the engines fuel tank or to gasoline in a storage container.
- Add the fuel stabilizer to the fuel in the tank and run for 2 minutes to circulate the stabilizer throughout the fuel system.
- Remove the remaining fuel from the fuel tank, it must be drained into an approved container.
- Start the engine and allow it to run until all the fuel in the carburetor and the fuel lines has been used up and the engine stops.
NOTE: Running the engine to use up the fuel in the lines and carburetor will still leave a small amount of fuel in carburetor. It is best extended storage to treat the fuel before draining.
- While the engine is warm, drain the oil and refill with fresh oil.
- Remove the spark plug, pour approximately 1/2 oz.(15cc) of engine oil into the cylinder and crank slowly to distribute the oil. Replace the spark plug.
- Clean dirt and chaff from cylinder, cylinder head fins, blower housing, screen, and muffler areas.
- Store in a clean and dry area.
OPERATING SPEED
The engine-generator must be run at the correct speed in order to produce the proper electrical voltage and frequency.
CAUTION: EQUIPMENT DAMAGE
The output voltage should be checked to ensure the generator is working properly prior to connecting a load to the generator. Failure to do so could result in damage to equipment plugged into the unit and possible injury to the individual.
All engines have a tendency to slow down when a load is applied. When the electrical load is connected to the generator, the engine is more heavily loaded, and as a result, the speed drops slightly. This slight decrease in speed, together with the voltage drop within the generator itself, results in a slightly lower voltage when the generator is loaded to its full capacity than when running no load. The slight variation in speed also affects the frequency of the output current. This frequency variation has no appreciable effect in the operation of motors, lights, and most appliances. However, electronic equipment and clocks will be affected if correct RPM is not maintained. See Load vs. Output chart.
Although individual units and models vary slightly, the normal voltage and frequency of the engine-generator described in this manual are approximately as follows, under varying loads:
LOAD vs. OUTPUT | |||
| Generator Load | Speed (RPM) | Frequency (Hz) | Voltage |
| None | 3690 | 61.5 | 125V |
| Half | 3600 | 60.0 | 120V |
| Full | 3510 | 58.5 | 115V |
The speed of the engine was carefully adjusted at the factory so that the generator produces the proper voltage and frequency. For normal usage, the speed setting should not be charged. If the generator is being run continuously on a very light load, it is often advisable to lower the operating speed slightly.
CAUTION: EQUIPMENT DAMAGE
SPEED ADJUSTMENTS SHOULD ONLY BE MADE BY A QUALIFIED SERVICE TECH.
Whenever making any speed adjustments, check the unit with a voltmeter and a frequency meter or a tachometer and be sure the voltage and speed are correct. Lower voltage may damage both the generator and any load connected to it. Running the engine at excessively high speeds results in high voltage, which may significantly shorten the life of appliances being used. Output voltage should be checked periodically to ensure continued proper operation of the generating plant and appliances. If the generator is not equipped with a voltmeter, it can be checked with a portable meter. Frequency can be checked by using an electric clock with a sweep second hand. Timed against a wrist watch or a stop watch, the clock should be correct within +/- 2 seconds per minute.
CONNECTING THE LOADS
Failure to properly limit and balance the load applied to the generator will cause the generator to produce low voltage and may damage the engine generator set. It may also cause severe damage to the loads connected to the generator at the time. Improper loading of the generator set constitutes abuse and will not be covered by warranty.
A 60 Amp receptacle (NEMA 14-60) has been provided to allow the connection of loads to the generator on the EC18000VE. This receptacle is a 4-wire, full load receptacle protected by a 60 Amp breaker mounted in the control box on top of the generator.
With the EC22000VE, the load wiring must be wired directly in the 80 Amp breaker mounted in the control box on top of the generator. When wiring directly to the circuit breaker in the box, be sure to connect a neutral wire and ground wire to the appropriate locations in the control box.
Your individual loads must be protected by individual circuit breakers mounted in some type of distribution panel. This location will also be where you will install your neutral to ground bond. You must wire four separate wires from the generator (2-hot, 1- neutral, and 1-ground) to the distribution panel.
APPLYING THE LOADS
Allow the engine to warm up for two or three minutes before applying any load. This will allow the engine to reach normal operating temperature and oil to circulate throughout the engine. A shot warm-up time will permit the engine to work more efficiently when the load is applied and will reduce the wear in the engine, extending its life.
Receptacles have been provided to allow loads to be connected to the generator. The loads should be added one at a time. If a large motor is being started: or multiple motors are being started, they should be started individually and the largest should be started first.
CAUTION: EQUIPMENT OVERLOAD
Keep the generator load within in the generator and receptacle nameplate rating. Overloading may cause damage to the generator and/or the loads.
Most electric tools and appliances will have the voltage and amperage requirements on their individual nameplates. When in doubt, consult the manufacturer or a local electrician. The nameplate amperage rating for electric motors can be misleading. See “Starting Electric Motors” in the Unit Capabilities.
These engine-generator sets are inherently self regulating based on engine speed. The engine governor will automatically adjust itself to the load. No harm to the generator will result if it is operated with no load connected. The generator is a limited source of electrical power, therefore, pay special attention to the receptacle and generator ratings.
GROUNDING
All units must be grounded. Different installations will require different grounding requirements. Depending on your installation, ensure that the ground meets your governing codes.
WIRING
For your safety, all wiring must be done by a qualified electrician and conform to the National Electric Code and comply with all state and local codes and regulations. Check with local authorities before proceeding.
CAUTION: EQUIPMENT DAMAGE
Failure to properly limit and balance the load applied to the generator will cause the generator to produce low voltage and may damage the engine generator set. It may also cause severe damage to the loads connected to the generator at that time. Improper loading of the generator set constitutes abuse and will not be covered by warranty.
ENGINE CARE
MAINTENANCE SCHEDULE
If major engine service or repair is required, contact an authorized engine service center. The manufacturer of these engines has established an excellent world-wide engine service organization. Engine service is very likely available from a nearby authorized dealer or distributor. See
following table.

CHECKING THE OIL LEVEL
The oil level must always be checked before the engine is started. Refer to page 5 of this manual for instructions on checking the oil level. Take care to remove any dirt or debris from around the oil plug before removing. Be sure the oil level is maintained.
CHANGING THE OIL
Refer to the Maintenance Schedule Chart for required oil change intervals.
Outdoor temperatures determine the proper oil viscosity for the engines. Winco recommends our 5W-30 fully synthetic oil to give you excellent protection in cold temperatures while maintaining excellent performance in warmer weather.
- Start the engine and warm it up, stop the engine and remove the spark plug wire to prevent it from accidentally being started.
- This engine has an oil drain valve for your convenience. Attach a neoprene hose and drain the oil into an approved container.

- Remove the oil filter and dispose of it properly.
- Before you install the new oil filter, clean the filter mounting base and coat the seal of the new oil filter will clean engine oil.
- Install the oil filter by hand until the gasket contacts the oil filter adapter, then tighten the oil filter 1/2 to 3/4 turns.
- Replace oil drain bolt making sure the sealing washer is in place.
- Remover the oil filter plug and refill with new oil. Make sure to use the proper grade oil based on your operating temperature.
NOTE: This engine requires 78 to 80 ounces (2.4 to 2.5 quarts) of oil if it is completely drained. Use caution when refilling the engine as some residual oil may have remained in the engine. Always use the dipstick when filling the engine with oil to prevent overfilling. - Replace filter plug.
- Start the engine and warm it up.
- After warming up the engine, recheck the oil level and refill as necessary to bring it to the proper level.
DUAL ELEMENT AIR FILTER
Clean and/or replace the foam pre-cleaner and the air filter annually or every 100 hours. Service more often under dusty conditions.
WARNING: EQUIPMENT DAMAGE
Never start or run the engine with the air filter removed.

- Loosen snaps (A) and remove cover (B).
- Remove the nut (D) and the retainer (E).
- Remove the air filter (F).
- Remove the pre-cleaner (G) from the air filter.
- To loosen debris, gently tap the air filter on a hard surface. If the air filter is excessively dirty replace with a new filter. You can use pressurized air (not to exceed 30 psi) to clean the filter. Always blow the compressed air from inside to the outside.
- Wash the pre-cleaner in liquid detergent and water.
Then allow it to thoroughly air dry. DO NOT oil the precleaned. - Install the pre-cleaner to the air filter.
- Install the air filter and secure the retainer and nut.
- Install and secure the cover.
SPARK PLUG
Replace annually or every 300 hours of operation. Always replace with the same spark plug that came in the engine and check gap before installing. Spark plug gap is 0.030”. Poor spark will also occur if spark plug wire does not fit firmly on spark plug. If this happens, reform the terminal to
fit firmly on spark plug tip.
CARBON CANISTER
Designed to collect, store, and dispose of fuel vapors created in the fuel tank/fuel system. The canister should last the life of the unit as long as it stays dry.
GENERATOR CARE
Proper care and maintenance of the generator is necessary to ensure a long trouble free life.
EXERCISING THE GENERATOR
The generator should be operated every three to four weeks. It should be operated for a period of time sufficient to warm the unit up and to dry out any moisture that has accumulated in the windings. If left, this moisture can cause corrosion in the winding. Frequent operation of the enginegenerator
set will also ensure that the set is operating properly should it be needed in an emergency.
GENERATOR MAINTENANCE
Any major generator service, including the installation or replacement of parts, should be performed only by a qualified electrical service technician. USE ONLY FACTORY APPROVED REPAIR PARTS.
- Bearing – The bearing used in these generators is a heavy duty, double sealed ball bearing. They require no maintenance or lubrication.
- Receptacles – Quality receptacles have been utilized. If a receptacle should become cracked or otherwise damaged, replace it. Using damaged or cracked receptacles can be both dangerous to the operator and destructive to the equipment.
CLEANING
Remove dirt and debris with a cloth or brush. DO NOT use high pressure spray to clean either the engine or the generator. The high pressure spray could contaminate the fuel system and the generator components.
- Keep the air inlet screen on both the engine and generator free of any dirt or debris to ensure proper cooling. At least yearly, remove the blower housing on the engine and clean the chaff and dirt out of the engine cooling fins and fly wheel. Clean more often if necessary. Failure to keep these areas clean may cause overheating and permanent damage to the unit.
- Periodically clean muffler area to remove all grass, dirt, and combustible debris to prevent a fire.
- On engine mufflers equipped with spark arresters, the spark arrester must be removed every 50 hours for cleaning and inspection. Replace if damaged.
TROUBLESHOOTING
| Problem | Possible Causes |
| Won’t start | Low oil level Fouled spark plug Out of fuel Start switch in OFF position Fuel Valve turned off Plugged fuel filter Blown fuse in key switch |
| Voltage too low | Engine speed is too low Generator overloaded Defective stator Defective rotor (field) Defective capacitor (EC18000VE) |
| Circuit breaker trips | Defective load Defective receptacle Excessive load |
| Voltage too high | Engine speed is too high |
| Generator overheating | Overloaded Insufficient ventilation |
| No output voltage | Short in load (disconnect) Tripped or defective circuit breaker Broken or loose wire Defective receptacle No residual magnetism (in generator) Defective stator Defective rotor (field) Shorted capacitor Shorted diodes on rotor GFCI receptacle tripped |
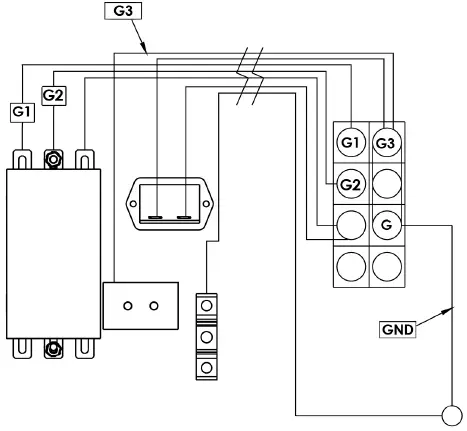
RECEPTACLE WIRING DIAGRAM
EC18000VE

DISTRIBUTION WIRING DIAGRAM
EC22000VE
120/240 SINGLE PHASE

120/208 & 120/240 THREE PHASE

277/480 THREE PHASE
Wire Gen End For Series Star

EC22000VE AC WIRING
1-PHASE 120/240

3-PHASE
120/208 LOW WYE

3-PHASE
120/240 DELTA

3-PHASE
277/430 HIGH WYE

WINCO warrants to the original purchaser for 24 months that goods manufactured or supplied by it will be free from defects in workmanship and material, provided such goods are installed, operated and maintained in accordance with WINCO written instructions and applicable codes.
WINCO’s sole liability, and Purchaser’s sole remedy for a failure under this warranty, shall be limited to the repair of the product. At WINCO’s option, material found to be defective in material or workmanship under normal use and service will be repaired or replaced. For warranty service, return the product within the warranty period, to your nearest WINCO Authorized Service Center or to WINCO in Le Center Minnesota.
Duration Consumer, Commercial and Rental
Parts & Labor: 24 Months
Parts Only: 24 Months
EXCLUSIONS:
- Normal maintenance consumables or labor.
- This warranty does not cover travel time, mileage or labor for removal or re-installation of WINCO product from its application.
- Normal wear and tear.
- Costs of rental equipment.
- WINCO does not warrant engines. Engines are covered exclusively by the warranties of their respective manufacturers.
- WINCO does not warrant component parts that are warranted by their respective manufacturers.
- WINCO does not warrant modifications or alterations which were not made by WINCO.
- WINCO does not warrant products which have been subjected to misuse and/or negligence or have been involved in an accident. Proof of proper maintenance must be furnished upon request.
THERE ARE NO EXPRESS WARRANTIES OTHER THAN THOSE DESCRIBED HEREIN. THERE ARE NO OTHER WARRANTIES, EXPRESSED OR IMPLIED, OR OTHERWISE CREATED, INCLUDING BUT NOT LIMITED TO WARRANTIES OF MERCHANTABILITY, OR WARRANTIES OF FITNESS FOR A PARTICULAR PURPOSE.
WINCO is liable for the repair or replacement of the product only and is not liable for incidental or consequential damages as permitted by your state. This warranty gives you specific legal rights which may vary from state to state.
CALIFORNIA EVAPORATIVE EMISSION CONTROL
WARRANTY STATEMENT
YOUR WARRANTY RIGHTS AND OBLIGATIONS
The California Air Resources Board is pleased to explain the evaporative emission control system’s warranty on your model 2020 generator. In California, new equipment that uses small off-road engines must be designed, built, and equipped
to meet the State’s stringent anti-smog standards. WINCO must warrant the evaporative emission control system on your generator for the period listed below provided there has been no abuse, neglect or improper maintenance of your equipment leading to the failure of the evaporative emission control system.
Your evaporative emission control system may include parts such as: carburetor, fuel tank, fuel cap, fuel lines (for liquid fuel and fuel vapors), fuel line fittings, fuel line clamps, carbon canisters, and carbon canister mounting brackets.
MANUFACTURER’S WARRANTY COVERAGE
The evaporative emission control system is warranted for two years. If any evaporative emission related parts on your equipment are defective, the parts will be repaired or replaced by WINCO.




















