
DHW cylinder

SWPC
Assembly and operating instructions
- Read and strictly follow this installation and operating instructions to ensure a long life and reliable cylinder operation.
- The manufacturer reserves the right to make changes to the product which are not present in this manual instruction.
- The manufacturer of this cylinder will not be liable for any damages due to the failure to follow the installation and operation instructions.
- The cylinder must not be installed in rooms where the temperature may drop below 0°C.
- The cylinder installation and the initial start-up, as well as all electrical and hydraulic work must be performed by a qualified professional installer.
- The cylinder is designed for vertical installation only (screw on feet).
- The device must be installed in such a place and in such a way in order not to flood the room in case of an emergency water leak.
- Connections to the water supply system, central heating system, and solar collectors must be made in accordance with the diagram in this installation instruction. Failure to follow the installation instruction invalidate the warranty and may cause cylinder damage.
- A connection to the water supply system must be made in accordance with legally binding norms.
- A cylinder is a pressure appliance designed for connection to the water supply system where the water pressure doesn’t exceed 0,6 MPa. If the water pressure exceeds 0,6 MPa, the pressure-reducing valve before the cylinder must be fitted.
- A small leak from the safety valve through the outlet pipe may occur- it’s a normal operating state of the appliance. The outlet pipe has to remain open. Do not clog
it, as a clogged outlet may lead to the breakdown of the cylinder. - Do not use the cylinder if you suspect that the safety valve may be faulty.
- The tank is equipped with magnesium anode- additional protection against corrosion. The anode is an operating part, therefore, it is exposed to wear. The condition of the magnesium anode should be controlled every 12 months. The anode must be replaced once every 18 months.
- The rated temperature of water in the cylinder should not exceed 80°C.
The cylinder is suitable for fitting an immersion heater with a thermostat (GRW-1,4/230; GRW-2,0/230; GRW-3,0/230 or GRW-4,5/400). The immersion heater must be fitted in lieu of cork 1½″.
The maximum length of the immersion heater is 450mm.
Connection with central heating system
The cylinder must be fitted to the central heating system by pipe unions 1¼″. Cut-off valves must be installed before the pipe unions. A flow rate of heating water must be high enough to maximize cylinder efficiency (see ‚Technical data table). It concerns the forced circulation installation (with a central heating water pump). Model SWPC is equipped with a double heating coil.

Connection with water installation
Connection with water installation must be performed according to binding norms of hydraulic installation. A cylinder is a pressure appliance designed for connection with water installation where the water pressure doesn’t exceed 0,6 MPa. If the water pressure exceeds 0,6 MPa, the pressure-reducing valve before the cylinder must be fitted.
Please follow the water connection instructions below:
– install the T-connection with 6 bar* safety valve to the fitting of the cold water inlet [ZW]. It’s forbidden to install a cut-off valve (or any flow reducer) between storage and the
safety valve and on its outlet. The safety valve must be installed in such a place as to quickly let you notice the outgoing water,
– install the cylinder equipped with the safety valve with water installation,
– install the cut-off valve on the cold water supply pipe.
Hot water outlet should be led to the connection in the upper part of the cylinder. Every cylinder is equipped with a connection intended for its installation to the DHW circulation.
*Please note: use the safety valve matched to the heat’s source. Installing a safety valve with inadequate capacity can result in an excessive pressure increase in the cylinder and
as a result a leakage. In this case, the warranty does not cover the damage caused.
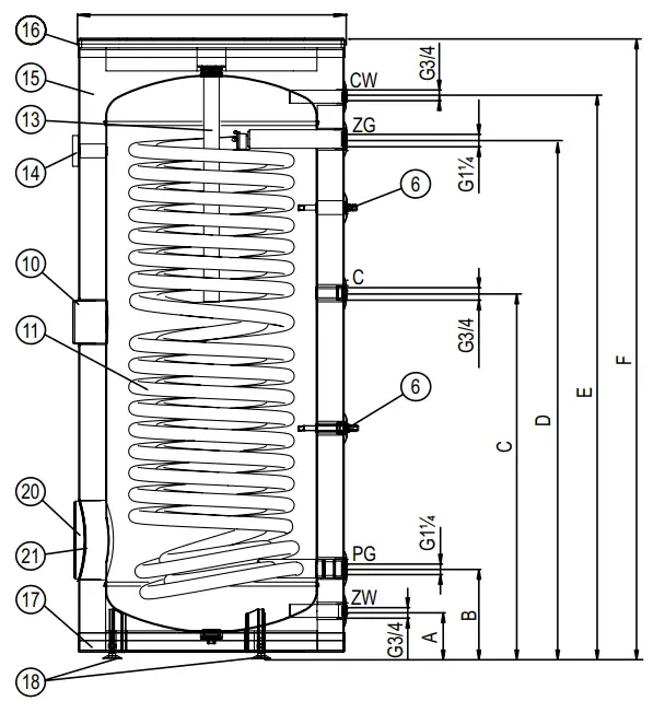
Construction of SWPC cylinders (300l)

[6] – sensor pipe
[10] – immersion heater connection (cork 1½″)
[11] – heating coil
[13] – magnesium anode
[14] – thermometer
[15] – thermal insulation
[16] – upper lid
[17] – bottom lid
[18] – feet
[20] – access hole
[21] – access hole cover
ZW – cold water
CW – hot water
C – circulation
ZG – heating medium supply of coil
PG – heating medium return of coil
A-F – dimensions specified in the diagram
Dimensions SWPC
| 300 | |
| A | 127 |
| B | 237 |
| C | 953 |
| D | 1354 |
| E | 1464 |
| F | 1615 |
Start-up
Before the start-up close the draining connection e.g. by screwing the valve in and make sure that the installation procedures have been carried out in accordance with the regulations included in this manual. The cylinder must be filled with water:
– turn on the valve on the cold water supply pipe,
– turn on the hot water outlet valve (water outflow without the air bubbles indicates that the storage is full), turn off the outlet valves.
– Turn on the valves connecting the cylinder with the central and the solar collector heating system. Check for water and heating medium leaks. Check out the safety valve performance in accordance with the valve manufacturer’s instructions.
Cylinder emptying
In order to empty the cylinder:
- turn off the valves that connect the cylinder with the central heating system,
- turn off the valve on the cold water inlet,
- turn on the drain valve.
Operation
Follow the guidelines below for safety and trouble-free cylinder operation:
- Check out the safety valve performance once every 14 days. Do not use the cylinder if the water does not come out (it indicates that the valve is broken).
- Clean the inside of the cylinder periodically. The frequency of cleaning depends on the degree of water hardness. The cleaning should be done by a qualified person. Tightening torque value of access hole cover [21] screws must be 18-22Nm.
- The wear condition of the anode must be inspected annually.
- The anode must be replaced once every 18 months.
– anode rod replacement [13]: take off the upper lid [16], take out an insulation ring, turn off the cut-off valve on cold water supply pipe, turn on the hot water valve (mixer tap), turn the drain valve on, drain as much water as you can easily screw out the anode rod (avoiding room flooding), screw off the cork and screw out the anode rod, - Heat up the water above 70°C periodically for hygiene reasons.
- Failures or malfunctions notify the seller.
- Insulate the outlet pipe and heating coil connection pipes to minimize heat loss (recommended).
The above activities are beyond the scope of warranty service (should be done by the user).
Technical data
| Domestic Hot Water Cylinder | SWPC | ||
| Storage capacity | I | 300 | |
| Rated pressure | Cylinder | MPa | 0,6 |
| Coil | 1 | ||
| Rated temperature | °C | 80 | |
| The surface area of coil | m2 | 4,22 | |
| Capacity of coil | dm’ | ∼27 | |
| Rated power of coil | kW | 120* / 36** | |
| Efficiency of coil | I/h | 3000* / 900** | |
| Weight (without water) | kg | 146 | |
| Magnesium anode M8 040 | mm | 590 | |
*80/10/45°C
**55/10/45°C}
heating water temp./ supply water temp./ domestic water temperature; flow rate of heating water through the coil – 2,5m3/h.
KOSPEL Reparatur – Hotline 0241 910504 50
Technische Unterstützung (kostenlose) 0 800 18 62 155*
*nur aus dem deutschen Festnetz erreichbar
KOSPEL Sp. z o.o. 75-136 Koszalin, ul. Olchowa 1, Poland
tel. +48 94 31 70 565
[email protected] www.kospel.pl
Made in Poland


















