LG PHLTA DHW Tank Module Instruction Manual

Safety Precautions
To prevent injury to the user or other people and property damage, the following instructions must be followed. Incorrect operation due to ignoring instruction will cause harm or damage. The seriousness is classified by
the following indications.
⚠ WARNING This symbol indicates the possibility of death or serious injury.
⚠ CAUTION This symbol indicates the possibility of injury or damage.
⚠ WARNING
Installation
ELB(Earth Leakage Circuit Breaker)should be Installed for safety.
Entrust installation of the product to the service center because improper installation may cause fire, an electric shock, explosion, and physical injury.
Use the original parts in order to prevent fire, an electric shock, explosion, and product breakdown.
Keep combustible and/or inflammable materials away from the product in order to prevent fire or product breakdown.
Do not disassemble, repair, or modify the product at your discretion in order to prevent fire or an electric shock.
Do not install the product in wet and humid areas in order to prevent product breakdown.
Do not drop water on to the product. It may cause an electric shock or product breakdown.
If the product was submerged under water, ask the service center for instruction. It may cause fire or an electric shock unless you do that.
For electrical work, contact the dealer, seller, a qualified electrician, or Authorized Service Center.
⚠ CAUTION
Make sure children or senor citizens use the product under proper observation in order to prevent safety accident.
Do not subject the product to shock. It will cause product breakdown.
Do not pick the product with a sharp tool. It may cause product breakdown with the damage to its parts.
Do not clean the product with strong cleanser such as solvent. Use soft clothes in order to prevent fire or product deformation.
Do not touch the product with a wet hand. Do not pull the lead cable. It may cause product breakdown or an electric shock.
Part Description

Installation Method
How to Install Sanitary Water Tank Kit
Follow below procedures
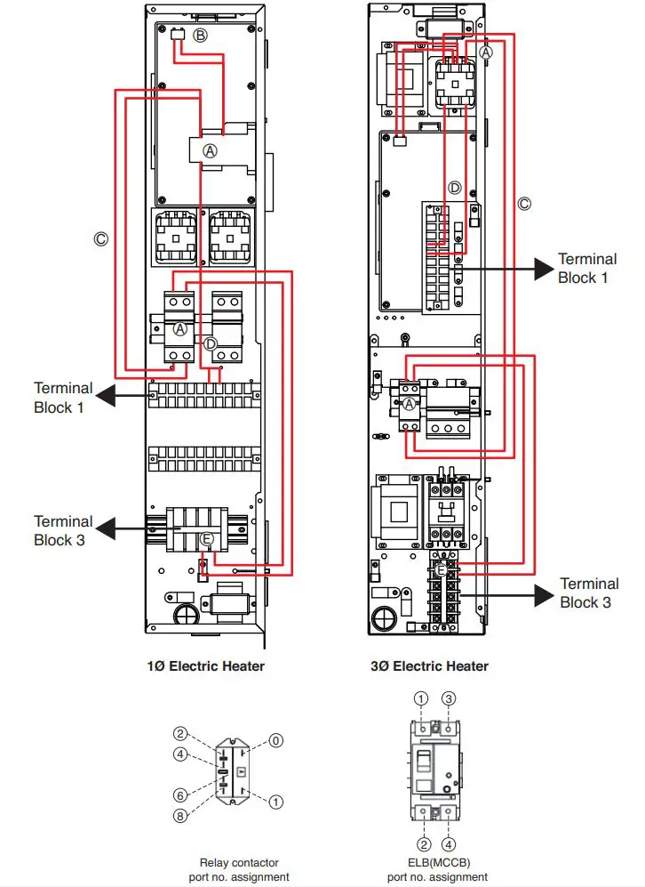
Step 1 ~ Step 5. Step 1. Find magnetic switch and ELB(MCCB) in the kit. Fit them into the indoor unit control box with enclosed a braket and screws. (symbol at picture)
Step 2. Connect `CN_B/HEAT(A)’ (White Connector) of the indoor unit PCB with magnetic switch contact using enclosed cable (symbol at the picture). Connect magnetic switch contactor port no. A1 and A2.
Step 3. Connect magnetic switch contactor port no. L1 and L3 with ELB(MCCB) port no. 2 and 4.(symbol at the picture).
⚠ CAUTION
Check Polarity
- Connect magnetic switch contact port no. L1 to ELB(MCCB) port no. 2
- Connect magnetic switch contact port no. L3 to ELB(MCCB) port no. 4
Step 4. Connect Magnetic switch contactor port no. T1 and T3 with terminal block 1 port 6 and 7. (symbol at the picture).
Check Polarity
- Connect magnetic switch contact port no. T1 to terminal block 1 port 6
- Connect magnetic switch contact port no. T3 to terminal block 1 port 7
Step 5. 1Ø Electric Heater Connect ELB(MCCB) port no. 1 and 3 with block 3 Port 3 and 4.(symbol E at the picture).
3Ø Electric Heater Connect ELB(MCCB) port no. 1 and 3 with block 3 Port 1 and 2.(symbol E at the picture).
Check Polarity
- Connect ELB port no. 1 to terminal block 3 port 3
- Connect ELB port no. 3 to terminal block 3 port 4
- Connect MCCB port no. 1 to terminal block 3 port 1
- Connect MCCB port no. 3 to terminal block 3 port 2

Step 6. Find sanitary water tank sensor. Connect it to ‘CN_TH4’ (Red Connector) of the indoor unit PCB. The sensor wire should be passed through sensor holes. The sensor should be mounted correctly to the sensor hole of sanitary water tank.
⚠ CAUTION
Sensor mounting
Insert sensor into sensor socket and bolt it tightly.

















