DAH solar DHP60 Series PV Module

Basic Information
Summary
- Firstly,thanks for choosing DAH Solar PV modules. In order to ensure the PV modules to be installed correctly and to have power output stability,please read the following operation instructions carefully before installing and using. Please remember that you are using a electricity generation product, in order to avoid any accident, it should adopt relative security measures.
- Make sure that the current and voltage values which generated after the connection of the module are within the range of the current and voltage values of the other devices connected to the PV array. The maximum permitted system voltage (DC) of the modules is 1500V DC.
If installed on the rooftop, modules must be installed on fireproofing material,please consult your local building department to determine which roofing material to use. - PV module application class is A: Hazardous voltage (IEC 61730: higher than 50V DC; EN 61730: Higher than 120V), hazardous power (higher than 240W), according to EN IEC61730-1 & -2 standards, the quality of PV modules can meet the safety requirements and safety level II.
Application Products
This document is applicable to the series of DAH solar module as listed below:
| PV Module | Rated Power(W) | Dimension | Installation hole pitch |
| DHP60-xxxW | 260-280 | 1650*991*32*35 | 860;1360;941 |
| DHM60-xxxW | 275-305 | 1650*991*32*35 | 860;1360;941 |
| DHP72-xxxW | 315-335 | 1956*991*32*35 | 1176;1676;941 |
| DHM72-xxxW | 330-365 | 1956*991*32*35 | 1176;1676;941 |
| DHM72-xxxW | 325-370 | 1956*991*32*35 | 1176;1676;941 |
| DHM60xxxW | 275-310 | 1650*991*32*35 | 860;1360;941 |
| DHM72X-xxxW | 370-390 | 1979*1002*32 | 1689;1189 |
| DHM60X-xxxW | 310-325 | 1665*1002*32 | 1375;875 |
| HCM72-xxxW | 350-390 | 2000*991*32 | 1760;1160 |
| HCM60-xxxW | 290-325 | 1678*991*32 | 1388;888 |
| HCM78X9-xxxW | 415-455 | 2172*1002*32 | 1882;1332 |
| HCM72X9-xxxW | 385-420 | 2010*1002*32 | 1720;1220 |
| HCM60X9-xxxW | 320-350 | 1686*1002*32 | 1406;906 |
| DHM-72L9-xxxW | 430-465 | 2094*1038*30/35 | 1300;1040 |
| 2108*1048*30/35 | 1300;1040 | ||
| DHM-66L9-xxxW | 405-425 | 1924*1038*30/35 | 1300;1040 |
| DHM-60L9-xxxW | 360-385 | 1755*1048*30/35 | 1300;1040 |
| 1765*1048*30/35 | 1300;1040 | ||
| DHM-72X10-xxxW | 525-555 | 2279*1134*30/35 | 1400;1140 |
| 2256*1134*30/35 | 1400;1140 | ||
| DHM-66X10-xxxW | 485-505 | 2094*1134*30/35 | 1300;1040 |
| 2074*1134*30/35 | 1300;1040 | ||
| DHM-60X10-xxxW | 440-460 | 1910*1134*30/35 | 1400;1140 |
| 1891*1134*30/35 | 1400;1140 | ||
| DHM-54X10-xxxW | 400-415 | 1722*1134*30/35 | 1300;1040 |
| DHP72-xxxW | 310-335 | 1956*991*32 | 1670;1170 |
| DHP60-xxxW | 260-280 | 1650*991*32 | 1360;860 |
| HCP78X9-xxxW | 370-415 | 2172*1002*32 | 1882;1332 |
| HCP72X9-xxxW | 340-380 | 2010*1002*32 | 1720;1220 |
| HCP60X9-xxxW | 285-320 | 1686*1002*32 | 1046;906 |
| DHM-T72X10-xxxW | 525-555 | 2279*1134*32 | 1400;1140 |
| DHM-T60X10-xxxW | 440-460 | 1910*1134*32 | 1400;1140 |
| DHM-72X10/FS-xxxW | 525-555 | 2279*1134*32 | 1400;1140 |
| 2256*1134*32 | 1400;1140 | ||
| DHM-66X10/FS-xxxW | 485-505 | 2094*1134*32 | 1300;1040 |
| 2074*1134*32 | 1300;1040 | ||
| DHM-60X10/FS-xxxW | 440-460 | 1910*1134*32 | 1400;1140 |
| 1891*1134*32 | 1400;1140 | ||
| DHM-54X10/FS-xxxW | 400-415 | 1722*1134*32 | 1300;1040 |
| DHM-T72X10/FS-xxxW | 525-555 | 2279*1134*32 | 1400;1140 |
| DHM-T60X10/FS-xxxW | 440-460 | 1910*1134*32 | 1400;1140 |
| DHM-66L9/FS-xxxW | 405-420 | 1924*1038*32 | 1300;1040 |
Warning
- When Module exposed to sunshine or other lights, it can produce DC, in this case it may cause electric shock hazard if touch electrical parts.
- Focus sunlight on to PV module via mirror or lenses is prohibited.

- Temples glass and backsheet have protective effect,broken PV modules have electrical risks(electric shock and burnt),this kind of modules can not be fixed or repaired,should be replaced in time.
- Under nominal outdoor condition,the current and voltage produced by module are different with datasheet. The parameters in datasheet is tested under STC condition,there fore when determining other components rated voltage,wire capacity,fuse rate,controller capacity and PV module power output relative datas of PV system,please refer to the short circuit current and open circuit voltage of the PV module,and design and install the system in 125% of the value as well.
- n case to lower electric shock or burnt risk,it’s better to cover the PV modules by opaque material when installing.
- PV array installation job should be operated under isolating sunlight condition,installation and maintenance also should be handled by professionals.
- If batteries bank equipped in the PV system,it should comply with battery supplier’s suggestion.
- PV modules shall not replace rooftop and wall material,partial replacement is also not allowed.
- Don’t install PV modules in the area where may has combustible gases.
- Touch PV module’s electrical part by hand directly is prohibited,should use insulating tools to handle the electrical connecting.

- Don’t dismantle any components of DAH Solar PV module personally.
- Please read and well understand all the installation instructions before Installation, connection and maintenance.
- Don’t lift modules by junction box or connecting cables.
- All the modules system should be connected to ground,if without special stipulations,please refer to International Electrical Standard or other International Standards.
- After modules delivered to installing site,all the components should be unpacked carefully.
- Please do not stand,sit,lying on modules,it may damage modules and also have injured risks.

- Same size and specification models modules can only be connected together.
- During delivery please make sure transport tools or modules are not subjected to large vibrations,vibrations may cause modules damage or cells microcrack inside of modules.
- During all the delivery,don not allow modules to fall onto ground from transport tools,house or hand,this will damage modules or cells inside.
- Do not wipe the module with corrosive chemicals.
- When loads are working,please do not disconnect the modules.
Installation
Installation Safety ;
- Please wear protective headcoats, insulated gloves, and rubber insulated shoes during installation job.
- Keep the PV module packed until installation.
- To avoid unnecessary touching of the PV module during installation. The surface of modules may over heated, it has risk of burnt and electric shock.
- Do not install in raining, snowing or windy weather conditions.
- Due to the risk of electric shock, please do not proceed the installation work if junction box was wet.
- Use insulated and dry tools, do not use wet tools.
- Do not throw any objects during installation (such as PV module or tools).
- Make sure that combustible gasses are not generated or present near the installation
- Correctly connect the male and female connect ors , inspect the wiring status, all the cables must not be separated from the PV module.
- Do not touch junction box and the end of the connectors(male and female) with bare hands during installation or under sunlight, regardless of whether the PV module is connected to or disconnect from the system.
- Do not expose the PV module to excessive loads on the surface of the PV module.
- Do not strike or put excessive loads on the glass or back sheet, this may break the cells or cause micro crack.
- Do not use sharp tools to wipe the glass of PV module. It would leave scratches on the module.
- Do not drill holes on the frame of PV module.
- For BIPV (building integrated photovoltaics) or rooftop mounting structure installation, please try to follow the from t op to bottom and/or from left to right principle, and do not step on the module, that will damage the module and would be dangerous for personal safety.
Installation Condition
Climatic Condition
- Recommended installation a mbient temperature is between 40 ° C to 85 ° C ( 4 ° F to 185 ° F).
- Do not install PV modules in a flooded risk area.
Note: The PV module mechanical load (including the wind and snow pressure) is based on the installation method and installation site. D uring the collection of mechanical load, it must be calculated by a professional installer according to the requirements of system design.
Installation Site Selection
In general, the PV modules should be installed in the place with the maximum sunlight throughout the year In the northern hemisphere, modules should be placed toward south as the first choice ,while in the southern hemisphere, it should be placed toward north. If the angle of the modules deviate 30 angle away from the S outh (or North direction, the power output will lose about 10% to 15%; if modules angle deviat e is 60 degrees, lose rate is about 20% to 30% of power output.
The installation site should avoid s hadows of tree, building and other obstacles.
Module manufacturer have already installed the bypass diode to minimize the loss,but the shadow will still reduced output power.
When the PV system equipped with batteries bank, it must be installed correctly,which can protect the system operation and ensure the safety of user during their using; Please f ollow the recommendations of the battery manufacturer regarding installation instructions, operation and maintenance; T o ensure that the battery is working properly, which should avoid direct sunlig ht, rain and snow erosion, mean while maintaining good ventilation;
Most kinds of battery charging could release hydrogen which explosion easily happen.
It must avoid a fire or make a spark around the batteries bank. I f the battery installed outdoors, which must the placed in a specially designed area with insulation and ventilation.
Do not install the PV modules close the naked light or flammable materials.
Do not install the PV modules in places where it would be immersed in water or continually exposed to water from a sprinkler or fountain etc.
Angle Selection
The angle of the PV modules refers to the angle between module surface and the ground (Figure
- the output power will be maximum when modules are facing the sun in vertical.

If connect to the independent PV system, modules angle should be based on season and sunshine condition to obtain the maximum power output. Normally, if module s power output could be satisfied during the lowest sunshine intensity of a year, then this install ation angle can meet the demands of the whole year; For gridtie PV system, the installation angle selection of the modules should be based on annual power output maximization.
Instruction of Installation Methods
PV modules can be mounted to the substructure using either cor
rosion proof M8 bolts placed
through the mounting
holes on the rear of the module or specially designed module clamps.
Regardless of the fixing method the final installation of the modules must ensure that:
- A clearance of at least 120mm(recommended) is provided between modules frame and the surface of the wall or roof. If other mounting means are employed this may affect the UL Listing or the fire class ratings.
- The minimum distance between two modules is 10mm(0.4in).
- The mounting method does not block the module drainage holes.
- Panels are not subjected to wind or snow loads exceeding the maximum permissible loads, and are not subject to excessive forces due to the thermal expansion of the support structures.
Screws installing method’
20~24mm 0.79 0.94in )。
The frame of each module has 4 φ 9*14mm mounting holes, a minimum of four symmetrically positioned bolts are required for installation of one module ideally placed to optimize the load handling capability, to secure the modules to supporting structure.
Secure the module in each fixing location with an M8 bolt and a flat washer, spring washer and nut as shown in Figure 1 and tighten to a torque of 16~20 N.m(140 180lbf.in.).
All parts in contact with the frame should use flat stainless steel washers of min imum 1.8mm thickness with an outer diameter of 20 24mm(0.79 0.94in).

Figure 1. PV module installed with Bolt fitting method
- Aluminum Frame
- M8 Stainless Bolt
- Flat Stainless Washer
- Spring Stainless Washer
- HEX Stainless Nut
Clamps Mounting Methods
- The clamp must overlap the module frame by at least 7mm but no more than 11mm.
- Use at minimum 4 clamps to fix modules on the mounting rails.
- Modules clamps should not come into contact with the front glass and must not deform the frame.
- Be sure to avoid shadowing effects from the module clamps.
- The module frame is not to be modified under any circumstances.
- When choosing this type of clamp mounting method, use at least four clamps on each module, two clamps should be attached on each long sides of the module (for portrait orientation) or each short sides of the module (for landscape orientation). If the length of the clamp is more than 40mm, the clamping area of the clamp shall be larger than the length of the clamp itself
Depending on local wind and snow loads, additional clamps may be required to ensure that modules can bear the load.The distance between the four clamps on the long side of the 54/ 60P
PV module is not less than 300mm; the distance from the four clamps on the long side of the 72P
PV module to the short frame is not less than 340mm the distance from the four clamps on the long side of the 78P PV module to the short frame is not less than 360mm.
When choosing l ateral installation method, distance from the four clamps on the short side of the assembly to the long side is 250 ~ 300mm Long side direction shall have beam penetration - Applied torque should refer to mechanical design standard according to the bolt customer is using, ex: M 8 16 20N.m(140 180lbf.in)

All mentioned clamp mounting methods here are only for reference, DAH Solar will not be responsible for the system design and installation. The mechanical loads and its safety must be operated and completed by the professional solar system installer and experienced installation team.
- Please ensure the following points before the clamps mounting:
- Before the mounting, please check the safety performance of the junction box. Any body like insects or other things on the surface of solar panels, please remove it.
Please check and ensure the PV modules serial number are correct. - DAH Solar PV module (only for the component model involved in this specification) (snow /wind load) product specification load 3600 PPA load, back design load of 1600 PPA, safety factor 1.5 times. If modules installed in the snowy and strong windy environment, the special protection actions should be taken to meet the installation requirements.
- Before the installation, please read carefully the operation instructions of PV system. Using multi-connecting cables to make the PV modules in series or parallel s , which is determined by the customers requirements on the solar system power, current, voltage etc.
- Please connect similar current-level modules for series connection, and output voltage should not be higher than permitted s ystem maximum voltage. Module number of each series depends on the system design, inverter type and the installation environment.
- The max-rated fuse current of each series is marked on the label of each module and also in the specification sheet. The rated fuse current refers to the highest reverse current that each module can bear. Based on the max fuse current and installation requ irements of the local electrical performance, please match and choose the suitable fuse to protect the PV modules in series or parallels.
- Opening the connector of control system and connect the cables from the PV arrays to the connector in accordance with the installation indication of the PV control systems. The cross-sectional area and cable connector capacity must satisfy the maximum short circuit of PV system (For a single component, we recommended the cross-sectional area of cables is 4mm ² and the rated current of connectors is more than 10A), otherwise the connecting cables and connectors will be overheating. Please pay attention that the temperature limit of the cables is 85
- The electrical connections must be properly in accordance with local and national electrical rules.
- All PV modules are included with the bypass diodes. Please notice that the diodes, cables and junction boxes maybe damaged caused by the wrong installation.
Maintenance
PV modules
need to be inspected and maintenance regularly, especially during the warranty period. In order to make sure modules reaching the excellent performance,DAH Solar adopts following maintenance measures:
- Appearance Inspection
Please kindly check the PV modules carefully, ensure the modules are without appearance faultiness. Especially pay attention to following points:- Double glass protector works as the protection during the transportation on, it does not belongs to appearance-controlling buyers can tear them off or save by themselves;
- Module s glass damaged or not
- Whether have scratches of sharp objects hit panels surface
- Whether solar panel is blocked by obstacle and other objects or not;
Whether have corrosion near grid finger of solar cell. This is caused by the damage of laminates surface during the installation or transportation , steam filter int o in side of laminates. - Checking
whether the fixed screws are loose or damaged between modules and brackets or not, and then adjust it or repair it in time.
- Cleaning
- Dust or dirt on the modules glass will decrease power output. Clean modules preferably once per year if possible (depend on site conditions) . Using a soft cloth dry or damp are workable. Mineral water is not recommended for cleaning,to any dirt on glass after cleaning job.
- Dust or dirt on the modules glass will decrease power output. Clean modules preferably once per year if possible (depend on site conditions) . Using a soft cloth dry or damp are workable. Mineral water is not recommended for cleaning,to any dirt on glass after cleaning job.
- In order to reduce or avoid potential electric shock or burnt , DAH Solar suggest to do the clea rness during the earlier morning or dusk with lower temperature, especially in the areas with high temperature.
- Do not try to clean the panel which has broken glass or uncovered wires.
This may lead to the danger of electric shock.
- Connector & Wires Inspection
It is recommended that the following preventive mai ntenance be carried out every six months- Inspect the sealant gel to make sure there is no flaw or chink
- Inspect whether have aging phenomenon of modules.Includes potential broken caused by the bites of rodent , climate aging, and all the connectors are connected tighten, have corrosion phenomenon or not. Inspect the grounding connection in good condition or not.
Electrical Installation
Electrical performance parameter of module ,such as nominal value of Isc、Voc and Pmas has ±3% random error compared with value of STC. The standard Testing Environment of module is :Irradianc e 1000/m2 、 Cell temperature 25℃ 、 Spectrum AM 1.5 。
Normally ,the current and voltage of module, will be a little higher compared with the
value under STC, so when confirmed the associated parameters of solar system
accessories,such as rated voltage 、 cable capacity 、 fuse capacity and module power, The corresponding short circuit current and open circuit voltage should be amplified by 1.25 times
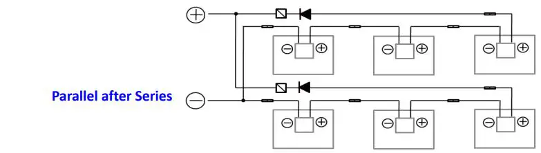
Series, parallel circuit electrical diagram



![]()
The maximum number of modules per series string must be calculated according to the requirements.The value of the Voc in the local expected minimum temperature cannot exceed the maximum system voltage value specified of the module(According to IEC61730 safety test, the maximum system voltage of DAH Solar Module is DC1500V.
In Australia installations should be in accordance to AS/NZS 3000 and AS/NZS 5033.) and Other DC electrical components require values.
The Voc correction factor can be calculated according to the following formula:CVoc=1- βVoc×(25-T),T is The minimum ambient temperature expected for the installation of the system,β(% /℃) is The temperature coefficient of the selected module Voc(According to the corresponding Module Data sheet)
If the reverse current which probably exceed the maximum fuses current of module passed through the module,the modules must be protected by an equivalent current protection device.If the number of parallel is more than or equal to 2 strings, there must be equipped an over current protection device on each series of modules
Grounding
In design of modules, the anodized corrosion resistant aluminum alloy frame is applied for rigidity support. For safety utilization and to protect modules from lightning and static electricity damage, the module frame must be grounded.
The grounding device must be in full contact w ith inner side of the aluminum alloy and penetrate surface oxide film of the frame.
Do not drill additional grounding holes on module frame.
The grounding conductor or wire may be copper, copper alloy, or any other material acceptable for application as an electrical conductor per respective National Electrical
Codes. The grounding conductor must then make a connection to ground with a suitable ground electrode.
Holes marked with a grounding mark on the frame can only be used for grounding but not for mounting.
Frameless double glass modules have no exposed conductor, and therefore according to regulations it did not need to be grounded.
Disclaimer
The conditions of installation, operation, using and maintenance of the modules shown in this manual are beyond the controlling range of DAH Solar,lead to any personal injury or property lose during the installation, operation, using and maintenan ce,and any non DAH Solar product defect caused disputes, DAH Solar does not bear any legal responsibility.
Intellectual Property:DAH Solar is not responsible for any infri ngement of intellectual property rights or other rights of third parties due to the use of component products,The customer does not obtain any intellectual property rights or relevant use authorization for use of the products, whether express or implied
DAH Solar reserves the right to modify the manual, PV products, specifications or product information ,The modification of any information may be due to business requirements, technical level or other objective environment, but it does not represent the negation of the original information.
Information of this manual is reliable knowledge and experience of DAH Solar,including but not limited to all the above information and advice, but all the above information and related suggestions, whether express or implied, does not represent the only, proprietary methods, also does not pose any safety and quality warranty.
















