dahua Integrated Solar Power System

Foreword
General
This manual introduces the functions and operations of the integrated solar power system (hereinafter referred to as the “System”).
Models
The solar power system DH-PFM378-B100-WB and li-battery PFM372-L45-4S14P.
Safety Instructions
The following categorized signal words with defined meaning might appear in the manual.
| Signal Words | Meaning |
| Indicates a potential risk which, if not avoided, may result in property damage, data loss, lower performance, or unpredictable result. | |
| Provides methods to help you solve a problem or save you time. | |
| Provides additional information as the emphasis and supplement to the text. |
About the Manual
- The manual is for reference only. Slight differences might be found between the manual and the product.
- We are not liable for losses incurred due to operating the product in ways that are not in compliance with the manual.
- The manual will be updated according to the latest laws and regulations of related jurisdictions. For detailed information, see the paper user’s manual, use our CD-ROM, scan the QR code or visit our official website.
The manual is for reference only. Slight differences might be found between the electronic version and the paper version. - All designs and software are subject to change without prior written notice. P roduct updates might result in some differences appearing between the actual product and the manual. Please contact customer service for the latest program and supplementary documentation.
- There might be errors in the print or deviations in the description of the functions, operations and technical data. If there is any doubt or dispute, we reserve the right of final explanation.
- Upgrade the reader software or try other mainstream reader software if the manual (in PDF format) cannot be opened.
- All trademarks, registered trademarks and company names in the manual are properties of their respective owners.
- Please visit our website, contact the supplier or customer service if any problems occur while using the device.
- If there is any uncertainty or controversy, we reserve the right of final explanation.
Important Safeguards and Warnings
This section introduces content covering the proper handling of the Device, hazard prevention, and prevention of property damage. Read carefully
before using the Device, comply with the guidelines when using it, and keep
the manual safe for future reference.
Operation Requirements
- Prevent liquids from splashing or dripping on the device. Make sure that there are no objects filled with liquid on top of the device to avoid liquids flowing into it.
- Do not disassemble the device.
- Transport, use and store the device under allowed humidity and temperature conditions.
- Only use the device within the rated power range.
- Make sure that the power supply of the device works properly before use.
- Do not pull out the power cable of the device while it is powered on. Installation and Operation
- Install the device in a well-ventilated place, and do not block the ventilator of the device.
- Observe all safety procedures and wear required protective equipment provided for your use while working at heights.
- Do not expose the device to direct sunlight or heat sources.
- Do not install the device in humid, dusty or smoky places.
- Strictly abide by local electrical safety standards, and make sure that the voltage in the area is steady and conforms to the power requirements of the device.
- Use the power adapter or case power supply provided by the device manufacturer.
- Keep the System in its original packing box until you are ready to install it.
- Do not install or use the System if it is damaged.
Overview
Introduction
T his off-grid integrated solar power system consists of solar panel, lithium battery pack, maximum power point tracking (MP P T ) charge controller, and mounting bracket. The System can be used in places that do not have a power supply and network connection. It is specifically applicable for use in the following scenarios:
- Supplying power for surveillance devices installed in places such as on small construction sites, mobile toilets, mobile waste stations, street vendor markets, and temporary traffic control zones.
- Supplying power for surveillance devices installed in public places such as in parks, office areas, and residential buildings to prevent potential damage to infrastructure and landscaping.
Features
- All-in-one design that is easy to install, remove, and maintain.
- Outdoor waterproof structure.
- RS-485 communication port and standard Modbus protocol that meet the communication requirements of various scenarios.
- MPPT controller helps significantly improve the energy utilization efficiency of the S ystem, and raise charging efficiency by 10%–30%compared with conventional PWM method.
- Comprehensive electronic protection: Current limiting, short circuit,
and reverse current protection of the solar panel; reverse connection, overcurrent, overdischarge, and overtemperature protection of the lithium battery; overload and short circuit protection for devices that consume power.
Packing List
After opening the packing box, check whether there is any obvious damage to the System, and make sure that you have received all the items included in the packing list.
Figure 2-1 Packing list (DH-PFM378-B100-WB)
Table 2-1 Checklist
| No. | Item Name | Quantity |
| 1 | M6 × 10 | 2 |
| 2 | M6 × 25 | 4 |
| 3 | M6 × 40 | 6 |
| 4 | M12 × 40 | 4 |
| 5 | S5.0L | 1 |
| 6 | S10.0L | 1 |
| 7 | U-shaped hoop | 2 |
| 8 | Mounting plate of pole mount bracket | 1 |
Design
Appearance

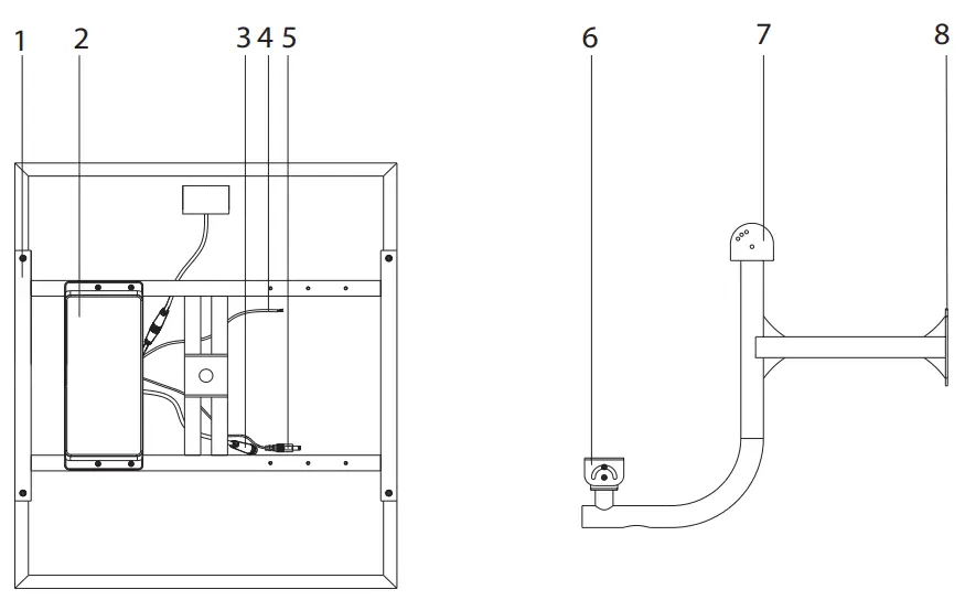
Table 3-1 Component description (DH-PFM378-B100-WB)
| No. | Name | Description |
| 1 | Solar panel xing bracket | Used for xing the solar panel, battery and controller |
| 2 | Controller holder | Holds the controller |
| 3 | Male circular connector | Connector pin |
| 4 | RS-485 control line | Used for communication between the integrated solar power system and other equipment |
| 5 | DC power output interface | Powers other equipment |
| 6 | Mounting bracket of bullet camera | Used for xing the bullet camera |
| 7 | Universal joint | Used for connecting the solar panel |
| 8 | Bracket base | Used to connect the pole bracket |
Table 3-2 Component description (PFM372-L45-4S14P)
| No. | Name | Description |
| 1 | Female circular connector | Connector socket. |
| 2 | Battery box | Holds batteries. |
Dimensions
DH-PFM378-B100-WB

3.2.2 PFM372-L45-4S14P

Installation
Installation Preparation Installation Site Requirements
- Make sure the installation site meets the requirements of electrical and relevant fire prevention codes.
- Choose an installation site that is exposed to sunlight all year round, and make sure there are no objects impeding the System from receiving direct sunlight.
- If there are any objects blocking the sunlight on at the installation site. Then make sure the lowest installation position of the System is at
least 1 meter (3.28 feet) above the objects, otherwise the System might undergo reductions in power generation and battery power loss, which will eventually result in battery damage. - Avoid selecting sites, such as public facilities with underground cables and optical cables, for installation. This is to ensure smooth installation of the System.
- Make sure the back side of the System is well-ventilated.
Tools
The tools on the packing list come packaged with the system. Below is a separate list of tools not included in the packaging that are necessary for installation.
Table 4-1 Tools
| No. | Name | No. | Name |
| 1 | Insulated gloves | 6 | Compass |
| 2 | Protective gloves | 7 | Screwdriver |
| 3 | Clamp meter | 8 | Spirit level |
| 4 | Insulated shoes | 9 | Insulating tape |
| 5 | Ladder |
Cables
We recommend you ground all the devices, and prepare the cables for grounding connection.
Select cables that comply with requirements on cables for the surveillanc industry. C able length depends on pole length and the height of drilled holes . Refer to the following table to select the appropriate cables for grounding.
Select them according to your actual situation.
Table 4-2 Grounding cable requirements
| Cable Type | Description |
|
Grounding cable | It is recommended to use stranded bare copper flexible cables with ground impedance less than 4 0 and a cable length of no more than 10 meters (32.81 feet). Use green wires with the yellow stripe for the protective ground. |
Installation Procedure
Step 1 Open the package, and put the system on a flat surface.
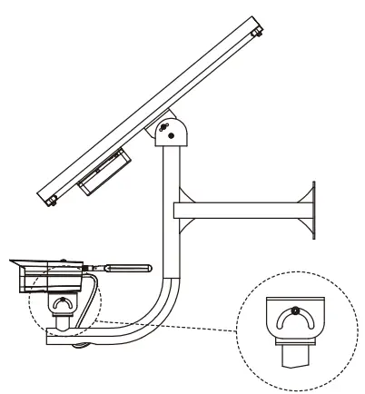
Step 2 Assemble and fix the solar panel and the camera elbow mounting bracket with screws and spanners.
For the universal joint, pay attention to adjust the position of the xing screw hole according to the applicable angle(20°, 40°, 60°).
Step 3 The system controller comes pre-installed to the back of the solar panel. Pass the DC power cable and RS485 control cable through the elbow, and then pull it out from the outlet hole of the camer installation position, exposing its length.
Step 4 Install the camera and connect it to the power and RS-485 cables.
Attach to camera on the bracket, and adjust the angle and direction of the camera as needed. Note that the antenna angle should also be adjusted.
Step 5 Attach the lithium battery (PFM372-L45-4S14P) to the solar power system (DH-PFM378-B100-WB).
- Put the battery into the System, align the screw holes, and then fasten the M6 screws with a S5.0L wrench.
- Align two circular connectors, and then firmly connect them.

Figure 4-5 Fasten the connectors
Step 6 Install the pole mount bracket.
- Attach the mounting plate to the vertical pole by passing the vertical pole through the U-shaped hoop.
- Screw the upper two M12 bolts into the mounting plate.
Step 7 Install the whole solar power module onto the pole mount bracket.
- Hang the whole solar power module on the mounting plate.

- Screw in four M12 bolts.

Step 8 Installation is now complete. Confirm the orientation of the whole module, the angle of the solar panel and the orientation of the camera.
Daily Maintenance
Notes
- Tools: Ladder, screwdriver, multimeter, bucket, mop, and insulated gloves.
- Attention:
- Do not expose the System to rain, especially during maintenance.
- Wear insulated gloves during maintenance.
- Maintenance interval: Twice a year.
Instructions
- It is recommended to check off the following items to ensure the long-term high performance of the System:
- Check whether the insulation layers of all exposed cables were damaged by the sunlight, contact with objects around the cable, dry rot, or suffered destruction by insects or rats. If damaged, perform maintenance or
replace the cable immediately. - Check whether the terminal blocks have signs of corrosion, insulation damage, burning or discoloration, and whether they are tight.
- Check whether there is dirt, nesting insects, or corrosion. If yes, regularly clean the System.
- For areas with special weather conditions, it is recommended to perform maintenance that will keep the S ystem working properly. F or dry, dusty and rainless areas, dust forming on the System can influence its power generation efficiency. F or cold, snowy, and frozen areas, snow and ice covering the System can lead to a decline in the power generated and even failure of the S ystem. You need to regularly clean away the dust and snow from the System.
- Regularly check on the plant growth around the System. If any plants have grown to shade the S ystem, clear them away immediately.
- Replace the batteries every 3–5 years, depending on the actual conditions of the battery. Aged batteries perform less efficiently.
Appendix 1 Lightningand Surge Protection
The S ystem adopts T V S lightning protection technology. It can effectively prevent the System from taking in damage from various types of pulse signals below 6000V, such as sudden and indirect lightning strikes. However, you still need to take the necessary precautions in accordance with your local electrical safety code when installing the System in outdoor environments.
- The distance between the signal transmission cable and high-voltage device (or high-voltage cable) must be at least 50 m.
- Outdoor cable layout should run under the eaves if possible.
- For open fields, please use a sealing steel tube under the land to implement cable layout. Make sure that each end of the steel tube is grounded in an equipotential way.
- Open floor cable layout is forbidden. Areas vulnerable to thunderstorms and near high sensitive voltage (such as near a high-voltage transformer substation), install an additional high-power thunder protection device or lightning rod
- The thunder protection and earth grounding of outdoor devices and cables, must be arranged based on thunder protection of the entire building, and must conform to your local or industry standard.
- Equal-potential wiring should be used in the system. The grounding device must meet anti-jamming demands and must also conform to your local electrical safety code. The grounding device must not cause short circuits to the N (neutral) line of high voltage power grid or be mixed with other wires. When connected to the ground alone, grounding resistance of the system must not be more than 4Ω. And cross-sectional areas of grounding cables must be no less than 25 mm2.
Appendix figure 1-1 Lightning protection
CONTACT
- Address: No.1199 bin’an Road, Binjiang District, Hangzhou, P. R. Chinal
- Postcode:310053
- Website: www.dahuasecurity.com
- Emailt: [email protected]
- Tel:+86-571-87688883 |
- Fax:+86-571-87688815





















