Colly 800 Hand Power Sweeper

Operating manual with spare parts list
Hand power sweeper Colly 800
This manual is a translation of the original manual. Read and conform safety instructions before use! Keep the leaflet for later use or any subsequent owners.
www.kraenzle.com
Dear customer,
We would like to congratulate you on the purchase of your new hand power sweeper and thank you for your confidence in our products. Your choice has fallen on an absolute quality product!! The Kränzle hand power sweepers stand out with their back-compatible sweeping, easy operation and space-saving storage.
The following pages explain the Colly 800 to facilitate handling of the hand power sweeper. Read and conform safety instructions before use! Keep the leaflet for later use or any subsequent owners.
Explanatory symbols Explanatory symbols used in the operating manual
Note on using the hand power sweeper. may cause excessive wear of the Colly 800 at unintended use. Warning! Failure to observe this note may result in serious injuries!
Explanatory symbols affixed on the packaging
This symbol denotes recyclable packaging materials which must not be disposed of as household waste. Information on proper disposal will be gathered from the recycling directives issued by your local authority.
Technical data

Technical | Colly 800 |
Drive | Manual |
Area sweeping capacity | 2000 m²/h at 2.5 km/h |
Side brushes | 2 foldable side brushes mit height-adjustable |
Drive wheels | Ø 300 mm |
Sweeper roller | Ø 254 mm |
Working width | 800 mm |
Bristles | Combined hard/soft star-shaped |
Waste bin volume | 30 liters |
Push bar | Adjustable and foldable |
Exhaust air filter | 2 x 6000 mm², PPI 45 fi lter |
Dimensions L / W / H (with side brushes) | 980 mm x 850 mm x 390 mm (push-bar |
Space needed when standing | 750 mm x 400 mm |
Weight | 19 kg |
Ord. no. | 50079 |
Safety notes – This is prohibited!
The hand power sweeper must be inspected for proper condition and operating safety before any use. If the condition is not impeccable, the hand power sweeper must not be used.
The person who operates the device must use it as intended and move it under consideration of the local situation. The user also must ensure that the device cannot harm any third parties in operation. Special attention must be paid to children!
Substances that are toxic, carcinogenic or flammable, such as arsenic, asbestos, barium, beryllium, lead, pesticides, or other substances harmful to health must not be cleaned up with this device.
The hand power sweeper is not intended for cleaning up any liquids, flammable or glowing objects such as cigarettes, matches, ash or similar.
There is a danger of crushing and shearing at the push bar, the waste bin, the side brushes and the belts. Use resilient gloves. This also applies when removing glass, metal or other pointed and sharp-edged materials from the waste bin.
Empty the waste bin of the hand power sweeper after every use.
The hand power sweeper must be used in dry conditions. It must not be used or stored outdoors in wet conditions.
If used in elevated positions where there is a risk of the unit falling to the ground, it must be secured against rolling away or tipping over.
The hand power sweeper is not designed for use by persons with restricted physical, sensory or mental abilities (including children)!
Description of the hand power sweeper
Construction: Colly 800
Please see construction scheme for more details.
1. Ergonomically shaped and adjustable push bar
2. PPI 45 filter
3. Impact-resilient waste bin
4. Handle for easy lifting of waste bin
10 5. Folding side brush arms
6. Hand wheel for continuously height-adjustable side brushes
7. Side brushes
8. Sweeping roller with combined hard/soft star-shaped bristles
9. Pedestals for space-saving storage
10. Large wheels fitted with rubber tyres
11. Swivel castors
Description of the hand power sweeper This is what you have purchased:
1. Kränzle Hand power sweeper Colly 800
2. 2 side brushes with left and right side arms
3. 6 Phillips screws
4. Operating manual Spare parts list
General rules
Intended Use
The hand power sweeper Colly 800 is only built for the common application of sweeping indoor and outdoor areas such as production sites, storage halls, parking places, and pedestrian passages, and to collect dry material.
Any other use above and beyond is considered as improper use. The manufacturer shall not be responsible for any damages resulting from any such improper use. Intended use shall also include compliance with manufacturer specified maintenance intervals (refer to maintenance).
The power sweeper Colly 800 is intended for use on flat surfaces.
With the side brushes adjusted to the local situation, you can easily move the sweeper across the surface to be cleaned. This should be done at normal walking speed (approx. 2.5 km/h). The sweeping performance depends on the speed at which the hand power sweeper is pushed.
The machine must not be used to remove hazardous dusts (refer to safety notes).
Disposal of the old device – Mounting
Please dispose of devices via suitable collection systems at the end of their service lives. The devices contain valuable recyclable materials that should be reused.
1. The side brushes must be installed after unpacking. Take the hand power sweeper from its packaging. First fold up the push bar and then the two side brush arms. The side brush arms can be folded up individually as well if necessary.
2. The packaging includes a separate box. It contains the two side brushes and 6 Phillips screws. Attach a side brush to each side brush arm with three Phillips screws each. Use a suitable screwdriver (PZ2) for this.
Functional details / Putting into operation
Setting the push bar
1. First fold the push bar up.
2. The push bar can be set to the desired working height. This is easier on your back.
Setting the side brushes
1. The hand wheel at the side brush arm sets the optional pressure against the ground for each side brush. It must be adjusted to the local situations until a good sweeping result is achieved.
2. The side brushes are pre-set to 7.5 mm in the factory.
Functional details / Putting into operation
2. Turning the hand wheel clockwise lifts the side brush and reduces pressure on the ground.
3. Turning the hand wheel counterclockwise lowers the side brush and increases pressure on the floor.
If the pressure of the side brush is set too high, pushing requires a greater strength and the bristles of the side brush wear more quickly. The best sweeping result is achieved at 2.5 km/h. This is the normal walking speed of a pedestrian.
Dustpan principle
The Colly 800 works with a sweeping roller and two side brushes. When moving forward, the sweeping roller and the side brushes are powered. The smoothly moving Kränzle Colly 800 takes up, e.g., dust, cigarette stubs, leaves, smaller plastic and metal parts, in its large waste bin securely thanks to its double bristle sets (alternating hard and soft bristles).
1. The two side brushes turn inwards while moving and send the swept-up material to the sweeping roller. A caster makes the Kränzle Colly 800 easily steerable, always keeps it at an even distance from the ground and ensures a completely even sweeping effect this way.
Functional details / Putting into operation
2. The sweeping roller turns contrary to the travelling direction and transports the swept material into the waste bin (dustpan principle).
3. The sweeping roller space is sealed against the floor with rubber lips on all sides. This keeps swirled-up dirt in the sweeper.
4. The hand power sweeper is equipped with two PPI 45 air filters. They filter the air that enters the waste bin with the dirt.
Moving to the place of deployment
The integrated freewheel will engage when reversing the Kränzle Colly 800. This deactivates the sweeping function. The sweeping roller and the two side brushes will no longer be powered then.
Always observe the safety notes when using the hand power sweeper.
The Colly 800 must not be placed and operated in puddles. The hand power sweeper must be used in dry conditions.
Navigating stairs
1. Up the stairs: Simply pull the hand power sweeper up the steps behind you.
2. Down the stairs: Carefully push the Colly down the steps before you.
Emptying the waste bin
1. The waste bin can be removed easily for emptying. The practical carry handle avoids contact with the swept-up material. The waste bin is designed to be placed upright on its feet.2. To empty the waste bin, best hold it handle-down so that the rubber lip points towards you. Then pour the dirt over one corner of the waste bin. Dispose of the swept-up material according to its contents.
Taking out of operation
Checking the sweeping rollers
Always check if any thread, wires or ribbons have wound around the sweeping roller after use. They must be removed in order to ensure smooth movement, as well as proper operation of the sweeping roller.
space-saving storage
It can be stowed away space-savingly in just a few steps to protect the bristles: Simply empty the container with the swept material, fold over the push bar and place the Kränzle Colly 800 vertically.
Small repairs – do it yourself
Cleaning/replacing the filters
1.You can easily remove the two PPI 45 filters (left and right). For this, pull the lower tab up and pull the filters out of the hand power sweeper with their filter housing.
2. The filters can be removed from the filter housing and cleaned with compressed air. Replace the filters only with Kränzle genuine spare parts.
Replacing the side brushes
1. Fold up the side brush arms and loosen the three screws with a suitable screwdriver (PZ2). Replace the worn side brush with a new one and attach it again with the screws. Use only genuine Kränzle spare parts.
Maintenance
After each use
- Empty and clean the waste bin
- Clean the hand power sweeper
- Check the side brushes for wear
- Check the sweeping roller for winding and wear
Compliance with this maintenance work recommended by us ensures that you always have a functional device ready to use.
If you are not in a postion to carry out the specified operations yourself, please contact the nearest Kränzle service partner.
Please provide the device number indicated on the rating plate if you have any questions or want to order spare. Remove the waste bin. The rating plate is attached to the frame.
Warranty
The warranty obligation of Josef Kränzle GmbH & Co. KG towards the dealer from whom you have purchased this Kränzle hand poweer sweeper (= product) applies to material faults only such as material and manufacturing defects.
Defects attributable to long and frequent use of the product, typically arising due to the age of the hand power sweeper and intensity of its use are defined as normal wear in respect of product components. Purchaser’s rights to assert claims for such defects are ruled out. In particular the belts, side brushes with bristles and cogs are wear parts.
The product is to be operated in conformity with this operating manual. The operating manual is deemed to be part of the warranty provisions.
Changes to the safety devices of the product and wrong operation or non-intended use may cause damage to the product that is not a defect of material.
If use of other than genuine Kränzle spare parts is the cause of a defect of our product, this may void all warranty claims. Only use of genuine Kränzle spare parts that are adjusted to the respective Kränzle hand sweeping machine ensures safe and interference-free operation of the Kränzle hand power sweeper.
With regard to legal warranty claims, the limitation periods of the respective countries shall apply.
Where warranty claims apply to any other defects, please contact your local dealer, presenting the accessories together with your purchase receipt, or the nearest authorised service centre. This can also be found on the internet under www.kraenzle.com.
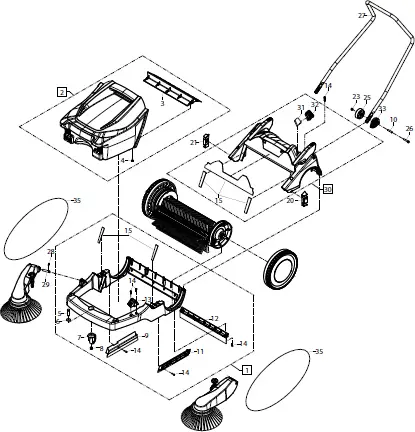
Ersatzteilliste Komplettgerät Spare parts list complete assembly

Position No | Description | Stck. Qty. | Bestell-Nr. Item no. |
1 | Grundrahmen kpl. | 1 | 505010 |
2 | Behälter komplett | 1 | 505012 |
3 | Kehrleiste | 1 | 505029 |
4 | Kunststoff schraube 5,0 x 14 | 5 | 505075 |
5 | Sechskantschraube M10 x 45 | 1 | 50180 |
6 | Scheibe Ø 10,5 DIN 9021 | 1 | 50182 |
7 | Lenkrolle | 1 | 501641 |
8 | Elastic-Stop-Mutter M10 | 1 | 40139 |
9 | Staubleiste rechts | 1 | 505024 |
10 | Adapterbuchse | 2 | 505060 |
| 11 | Staubleiste links | 1 | 505025 |
12 | Staubleiste hinten | 1 | 505026 |
13 | Lagerbock Seitenbesen links | 1 | 505061 |
14 | Kunststoff schraube 6,0 x 30 | 19 | 43423 |
15 | Behälterabdichtung Colly (5-Teilig) | 1 | 505066 |
20 | Riemenführung links | 1 | 505063 |
21 | Riemenführung rechts | 1 | 505064 |
23 | Elastic-Stop-Mutter M8 | 2 | 41410 |
24 | Gelenkschale | 2 | 505068 |
26 | Sechskantschraube M8 x 45 | 2 | 42815 |
27 | Schubbügel | 1 | 505051 |
28 | Sicherungsscheibe 10 DIN6799 | 2 | 50133 |
29 | Gelenkbolzen Seitenbesenarm | 2 | 505050 |
30 | Abdeckrahmen | 1 | 505011 |
31 | Schaumstoffi lter | 2 | 505071 |
32 | Entlüftungsrahmen links, rechts | 1 | 505070 |
33 | Arretierplatte rechts, links | 1 | 505069 |
35 | Rundriemen für Seitenbesen | 2 | 505057 |
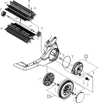
Spare parts list left wheel and sweep rollers

Spare parts list left wheel and sweeprollers
| Position No | Description | Stck. Qty. | Item no. |
| 1 | Rad Ø300 mit Lager | 1 | 505013 |
| 2 | Getriebeabdeckung links | 1 | 505016 |
| 3 | Radkappe | 1 | 505031 |
| 4 | Sicherungsscheibe 10 DIN 6799 | 2 | 50133 |
| 5 | Lager 6001 2Z | 2 | 50156 |
| 6 | Mitnehmer Kehrwalze | 7 | 50111 |
| 7 | Riemenantrieb links | 1 | 505022 |
| 8 | Achse M8 x 1 | 1 | 505058 |
| 10 | Zahnrad z=12 | 1 | 505020 |
| 11 | Lager 6003-RS | 1 | 51039 |
| 12 | O-Ring 190 x 2,0 | 1 | 505067 |
| 13 | Unterlegscheibe 8,4 DIN 125 | 1 | 50186 |
| 14 | Elastic-Stop-Mutter M8 x 1 | 1 | 14152 |
| 15 | Fadenfänger | 2 | 505030 |
| 16 | Bolzen 5 x 50 | 1 | 505072 |
| 17 | Welle Kehrwalze | 1 | 505053 |
| 18 | Kunststoff schraube 5,0 x 14 | 2 | 434261 |
| 19 | Kunststoff schraube 6,0 x 30 | 6 | 43423 |
| 20 | Kehrwalze (2 Halbschalen) | 1 | 505014 |
Spare parts list right wheel

| Position No | Description | Stck. Qty. | Item no. |
| 1 | Rad Ø300 mit Lager | 1 | 505013 |
| 2 | Getriebeabdeckung rechts | 1 | 505015 |
| 3 | Radkappe | 1 | 505031 |
| 4 | Sicherungsscheibe 10 DIN 6799 | 2 | 50133 |
| 5 | Lager 6001 2Z | 2 | 50156 |
| 6 | Mitnehmer Kehrwalze | 7 | 50111 |
| 7 | Riemenantrieb rechts | 1 | 505021 |
| 8 | Achse M8 x 1 | 1 | 505058 |
| 10 | Zahnrad z=12 | 1 | 505020 |
| 11 | Lager 6003-RS | 1 | 51039 |
| 12 | O-Ring 190 x 2,0 | 1 | 505067 |
| 13 | Unterlegscheibe 8,4 DIN 125 | 1 | 50186 |
| 14 | Elastic-Stop-Mutter M8 x 1 | 1 | 14152 |
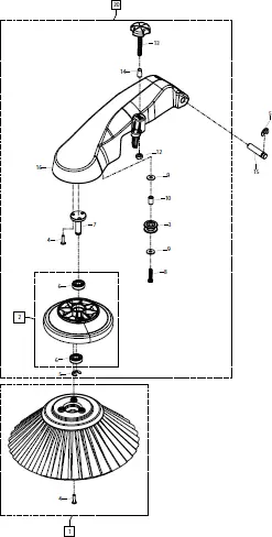
Spare parts list left sidebrush

Spare parts list left sidebrush
| Position No | Bezeichnung Description | Stck. Qty. | Bestell-Nr. Item no. |
| 1 | Seitenbesen | 1 | 505018 |
| 2 | Antriebsrad Seitenbesen | 1 | 505019 |
| 3 | Führungsrolle | 1 | 505017 |
| 4 | Kunststoff schraube 5,0 x 16 | 6 | 505075 |
| 5 | Sicherungsscheibe 10 DIN 6799 | 2 | 50133 |
| 6 | Lager 6001 2Z | 2 | 50156 |
| 7 | Lagerbolzen Seitenbesen | 1 | 505055 |
| 8 | Kunststoff schraube 6,0 x 30 | 1 | 43423 |
| 9 | Unterlegscheibe 6,4 DIN 9021 | 2 | 50174 |
| 10 | Buchse Führungsrolle | 1 | 505059 |
| 12 | Mutter M8 DIN 934-8 | 1 | 14127 |
| 13 | Stellschraube M8 | 1 | 505054 |
| 14 | Kappe Stellschraube M8 | 1 | 505065 |
| 15 | Gelenkbolzen Seitenarm | 1 | 505050 |
| 16 | Abdeckung Seitenbesen links | 1 | 505062 |
| 20 | Seitenbesenarm links kpl. ohne Seitenbesen | 1 | 505090 |
Spare parts list right sidebrush

| Position No | Description | Stck. Qty. | Item no. |
| 1 | Seitenbesen | 1 | 505018 |
| 2 | Gelenkschale | 1 | 505019 |
| 3 | Führungsrolle | 1 | 505017 |
| 4 | Kunststoff schraube 5,0 x 16 | 6 | 505075 |
| 5 | Sicherungsscheibe 10 DIN 6799 | 2 | 50133 |
| 6 | Lager 6001 2Z | 2 | 50156 |
| 7 | Lagerbolzen Seitenbesen | 1 | 505055 |
| 8 | Kunststoff schraube 6,0 x 30 | 1 | 43423 |
| 9 | Unterlegscheibe 6,4 DIN 9021 | 2 | 50174 |
| 10 | Buchse Führungsrolle | 1 | 505059 |
| 12 | Mutter M8 DIN 934-8 | 1 | 14127 |
| 13 | Stellschraube M8 | 1 | 505054 |
| 14 | Kappe Stellschraube M8 | 1 | 505065 |
| 15 | Gelenkbolzen Seitenarm | 1 | 505050 |
| 16 | Abdeckung Seitenbesen rechts | 1 | 505023 |
| 20 | Seitenbesenarm rechts kpl. ohne Seitenbesen | 1 | 505091 |
© Kränzle 14.01.2021 / Ord. no.: 308260 / Subject to technical modifications and errors.
Josef Kränzle GmbH & Co. KG Rudolf-Diesel-Straße 20 89257 Illertissen (Germany)
[email protected]
Made in Germany
www.kraenzle.com
















