BOSCH TR4000, TR4000R DHW Cylinder

Explanation of symbols and safety instructions
Explanation of symbols
Warnings
In warnings, signal words at the beginning of a warning are used to indicate the type and seriousness of the ensuing risk ifmeasures for minimizing danger are not taken. The following signal words are defined and can be used in this document:
- DANGER indicates that severe or life-threatening personal injury will occur.
- WARNING indicates that severe to life-threatening personal injury may occur.
- CAUTION indicates that minor to medium personal injury may occur.
- NOTICE indicates that material damage may occur.
Important information
- The info symbol indicates important information where there is no risk to people or property.
General safety instructions
This appliance is intended for domestic use and the household environment only.
- Install and operate the appliance as described in the text and illustrations. We do not accept liability for damage resulting from failure to heed these instructions.
- This appliance is intended for use up to an altitude of 2000 m above sea level.
- The appliance may only be installed and stored in a frost-free room (due to residual water).
- The appliance is not suitable for supplying water for showering.
WARNING
Risk of electric shock!
Switch off the mains voltage supply immediately if a fault occurs (TR4000 5 ET, TR4000 6 ET, TR4000 6 EB, TR4000 8 ET, TR4000 8 EB) or disconnect the plug from the mains supply (TR4000 4 ET, TR4000R 4 ET). Immediately shut off the cold water supply to the appliance should it leak.
These installation instructions are intended for plumbers, heating engineers and electricians. All instructions must be observed. Failure to comply with instructions may result in material damage and personal injury, including possible loss of life.
- Read the installation instructions (heat source, heating controller, etc.) before installation (
chapter 2). - Observe the safety instructions and warnings.
- Observe national and regional regulations, technical rules and guidelines.
- The appliance may only be connected and put into operation by a qualified professional.
- In order to avoid potential sources of danger, repairs and maintenance may only be undertaken by a suitably qualified specialist. Improper repairs can lead to risk of serious to the user.
- Shut off the water supply before connecting the appliance.
- The electrical connection must be disconnected from the mains supply. Unscrew the fuse or switch off the circuit breaker.
- Never open the appliance without disconnecting the power supply beforehand.
- Only connect the continuous-flow heater to a cold water line.
- Connect the water supply first, circulate water through the appliance and then connect the electrical supply.
- Observe the statutory regulations as well as the connection regulations of the electrical and water utility companies.
- Compliance with the IEC60364-7-701 (DIN VDE 0100 Part 701) must be observed during installation of the appliance or the electrical accessories.
- The continuous-flow heater is a Class I appliance and must be connected to the protective earth.
- Permanently installed appliances must be permanently connected to fixed wiring. The conductor cross-sectionmust comply with the appliance being installed.
Installation instructions
CAUTION
Earthed water pipes may give the appearance of a connected protective earth.
- During installation, an all-pole separator must be fitted with a minimum contact gap of 3 mm, according to chapter 4.
- Ensure that the inlet water pressure, maximum and minimum, is according with the value specified by the manufacturer (
chapter 4). - The water inlet of this appliance shall not be connected to inlet water obtained from any water heating system.
- The continuous-flow heater is suitable for connection to DVGW-tested plastic pipes.
- After installation, electrically live parts must be touch protected.
- The appliance should be disconnected from the electrical mains supply when working on the water supply. After service work is complete, proceed as during the first-time appliance start-up.
- The electrical mains supply and the water supply must be shut off before all work on the appliance.
- No changes may be made to the appliance.
- The warm water pipe may be hot. Please inform and instruct children appropriately.
- If the power cord of this unit is damaged, it must be replaced by the manufacturer, an authorised servicing agent or a similarly qualified person so as to avoid danger.
- Do not use aggressive or abrasive cleaning detergents!
- Do not use a steam cleaner.
- The appliance is only to be descaled by a suitably qualified specialist.
Safety of electrical devices for domestic use and similar purposes
The following requirements apply in accordance with 60335-1 in order to prevent hazards from occurring when using electrical appliances: “This appliance can be used by children of 3 years and older, as well as by people with reduced physical, sensory or mental capabilities or lacking in experience and knowledge, if they aresupervised and have been given instruction in the safe use of the appliance and understand the resulting dangers. Children shall not play with the appliance. Cleaning and user maintenance must not be performed by children without supervision.” “If the power cable is damaged, it must be replaced by the manufacturer, its customer service department or a similarly qualified person, so that risks are avoided.”
- Please read this installation and operating instruction manual carefully, then act accordingly! Store for future reference.
Install the continuous-flow heater as described in the illustrated section. Observe the instructions in the text.
Unpacking
- Inspect the new appliance for transport damage!
- Please dispose of the packaging, and if applicable, the old appliance in an environmentally-friendly manner.
Scope of delivery

Product description
The electronic continuous-flow heater is suitable for closed (pressurised) connections. It heats the water as it passes through the appliance. The continuous-flow heater switches on and heats the water when the warm water tap is opened. It switches off as soon as the tap is closed. The appliance may not be operated with pre-heated water, as otherwise the overtemperature protection will trip. This installation and operating instruction manual describes various appliance types:
Over-sink appliances:
- TR4000 6 EB and TR4000 8 EB: for fixed electrical connection
Undersink appliances:
- TR4000 4 ET and TR4000R 4 ET: with plug connection
- TR4000 5 ET, TR4000 6 ET and TR4000 8 ET: for fixed electrical connection Only for permanently installed appliances: The device is compliant to IEC 61000-3-12.
Preparations for installation
(Fig. 2)

- Shut off the water supply before connecting the appliance. The electrical connection must be disconnected from the mains supply. Unscrew the fuse or switch off the circuit breaker.
For all appliances
A clearance of about 60 mm on all sides of the appliance is required for installation.
- Observe the technical appliance data.
- Break out the installation bracket from the rear of the appliance (A).
Only for TR4000 4 ET and TR4000R 4 ET
- Break out one of the side knock-outs (B1) provided for an incoming electrical supply cable.
- Feed the desired length of the incoming electrical supply cable downwards through the knock-out (B2).
- Important: Connect the unit only to a mains socket with protective contact that is installed according to regulations. Do not use an extension cord. If necessary, equip the unit with a longer cord.
Only for TR4000 5 ET, TR4000 6 ET, TR4000 6
EB, TR4000 8 ET and TR4000 8 EB (fixed electrical connection)
- Press the upper and lower latches (C1), then remove the housing cover (C2).
Wall mounting
(Fig. 3)
Undersink appliances
- Attach mounting template D to the wall.
- Mark the locations for the holes; drill the holes and insert the wall plugs.
- Attach the installation bracket to the wall using the screws (D1).
Only for permanently installed appliances:
- Pass the connection cable through the cable grommet, suspend the appliance in the installation bracket and screw it onto the mounting bracket (D2).
Only for appliances with mains plug:
- Suspend the appliance in the installation bracket and screw it onto the mounting bracket (D3).
Over-sink appliances
- Attach mounting template E to the wall.
- Mark the locations for the holes; drill the holes and insert the wall plugs.
- Attach the installation bracket to the wall (E1).
- Pass the connection cable through the cable grommet, suspend the appliance in the installation bracket and screw it onto the mounting bracket (E2).
2.8 Only for TR4000 5 ET, TR4000 6 ET, TR4000 6 EB, TR4000 8 ET and TR4000 8 EB (fixed electrical connection)
- The variants for feed through of cables using flush mounting electrical connection should be observed on the mounting template.
- The cable grommet must completely enclose the connection cable to guarantee optimum protection against dampness. The opening must be sealed watertight if it is damaged.
- Use the openings provided on the rear for mounting.
Water connection

(Fig. 4)
- The tap and outlet fittings must be approved for operation with closed (pressurized) continuous-flow heater system.
- The appliance is only approved for heating water with a specific electric resistance of ≥ 1 300 Ωcm at 15 °C. Your water utility company can give you information about the specific water resistance.
Installation
- Ensure the axial fit of the connection pipes in the nozzles.
- Tighten the union nuts on the nozzles with an open-end wrench and counter hold with a suitable open-end wrench.
- The T-piece (for the pressurised connection) and flexible connection hose are available commercially.
- Exchange the perlator from the tap fixture with the supplied aerator to change the spray pattern of the tap.
Controlling temperature
The supply temperature (probably lower in winter) and pressure fluctuations can influence the temperature of the water leaving the tap.
- Turn the valve slowly in the closed direction for higher temperatures (F1).
- Add cold water for lower temperatures (F2).
Electrical connection
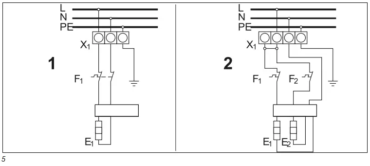
TR4000 5 ET, TR4000 6 ET, TR4000 6 EB, TR4000 8 ET and TR4000 8 EB (fixed electrical connection)
- Connect the appliance on the terminal strip in accordance with the connection schematic.
- Put on the housing cover and push it onto the rear wall of the appliance so that the upper and lower latches engage.
TR4000 4 ET and TR4000R 4 ET
Replacing the Power Supply Cord:
- The power supply cord must be replaced by our customer service only in order to avoid a hazard. The mains plug must be pulled before replacing.
For all appliances
- Vent the continuous-flow heater: Fully open the warm water tap and flush out the appliance for about 1minute (G), until bubbles no longer emerge.

After installation
TR4000 5 ET, TR4000 6 ET, TR4000 6 EB, TR4000 8 ET and TR4000 8 EB (fixed electrical connection)
Switch on the fuses.
Technical data
| Type | TR4000 4 ET TR4000R 4 ET Undersink | TR4000 5 ET Undersink | TR4000 6 ET Undersink | TR4000 8 ET Undersink | TR4000 6 EB Over-sink | TR4000 8 EB Over-sink | |
| Design | pressurised | pressurised | pressurised | pressurised | pressurised | pressurised | |
| Power | [kW] | 3,6 | 4,5 | 6 | 7,2 | 6 | 7,2 |
| Electrical connection | [V] | 230 | 230 | 230 | 230 | 230 | 230 |
| Minimum cable cross-section | [mm²] | 1,5 | 2,5 | 4 | 4 | 4 | 4 |
TR4000 4 ET and TR4000R 4 ET
- Insert the plug into the mains socket.
First start-up

Initial rinsing
- Open the warm water tap and allow water to flow for at least 1minute (flow-rate at least 2 litres per minute). Only then (for safety reasons) will the appliance begin to heat.
Info: The appliance will not heat if the dispensed water flow is interrupted prematurely. Open the warm water tap again and allow water to flow for at least 1minute.
Tip: Should the appliance not start because of a reduced flowrate, remove the perlator, aerator or similar before starting and repeating the process.
Important: If the continuous-flow heater does not have sufficient water flow due to low water line pressure in your domestic plumbing system:
- Switch off the circuit-breakers/fuses or remove the mains plug.
- Remove the flow-rate limiter (H1–H4).
Controlling temperature
The supply temperature (probably lower in winter) and pressure fluctuations can influence the temperature of thewater leaving the tap (see Fig. 4, left: pressurised [closed], right: unpressurised [open]).
- Turn the valve slowly in the closed direction for higher temperatures (F1).
- Add cold water for lower temperatures (F2).
- Hand over the installation and operating instructions to the user and explain how the appliance operates.
| Type | TR4000 4 ET TR4000R 4 ET Undersink | TR4000 5 ET Undersink | TR4000 6 ET Undersink | TR4000 8 ET Undersink | TR4000 6 EB Over-sink | TR4000 8 EB Over-sink | |
| Rated current | [A] | 15,7 | 19,1 | 26 | 31,3 | 26 | 31,3 |
| Fuse protection | [A] | 16 | 20 | 32 | 32 | 32 | 32 |
| Water connection thread | [Inch] | G 3/8 | G 3/8 | G 3/8 | G 3/8 | G 1/2 | G 1/2 |
| Supply temp. max. | [°C] | 20 | 20 | 20 | 20 | 20 | 20 |
| Warm water output at supply temp. of 12 °C to 38 °C | [l/min] | 1,9 | 2,4 | 3,2 | 3,9 | 3,2 | 3,9 |
| Protection type | IP | 24 | 24 | 24 | 24 | 24 | 24 |
| Switch on flow pressure (without flow rate limiter) | [bar] | < 0,3 | < 0,3 | < 0,3 | < 0,3 | < 0,3 | < 0,3 |
| Switch on flow | [l/min] | 1,8 | 1,8 / 1,9 | 1,8 / 2,1 | 1,8 / 2,3 | 1,8 / 2,1 | 1,8 / 2,3 |
| Switch off flow | [l/min] | 1,6 | 1,6 / 1,7 | 1,6 / 2,0 | 1,6 / 2,2 | 1,6 / 2,0 | 1,6 / 2,2 |
| Flow limit at | [l/min] | 2 | 2 | 3 | 4 | 3 | 4 |
| Weight | [kg] | 1,1 | 1,1 | 1,1 | 1,1 | 1,1 | 1,1 |
| Application area in water: specific electric resistance at 15 °C | [Ωcm] | ≥ 1 300 | ≥ 1 300 | ≥ 1 300 | ≥ 1 300 | ≥ 1 300 | ≥ 1 300 |
| Rated pressure | [MPa (bar)] | 1,0 (10,0) | 1,0 (10,0) | 1,0 (10,0) | 1,0 (10,0) | 1,0 (10,0) | 1,0 (10,0) |
| Plug-in ready | P | – | – | – | – | – | |
| Fixed connection | – | P | P | P | P | P | |
| Energy efficiency class | A | A | A | A | A | A | |
| Load profile | XXS | XXS | XXS | XXS | XXS | XXS | |
| Annual energy consumption | [kWh] | 475 | 477 | 474 | 475 | 474 | 475 |
| Daily energy consumption | [kWh] | 2,180 | 2,190 | 2,170 | 2,180 | 2,170 | 2,180 |
| Sound power level | [dB] | 15 | 15 | 15 | 15 | 15 | 15 |
| Hot water heating energy efficiency | [%] | 39 | 39 | 39 | 39 | 39 | 39 |
The temperature of the water leaving the tap is dependent on the flow of water:

Operating instructions
Please read and observe the detailed safety instructions at the start of these instructions!
- Important: The appliance may never be exposed to frost!
WARNING
Risk of electric shock!
Switch off the mains voltage supply immediately if a fault occurs (TR4000 5 ET, TR4000 6 ET, TR4000 6 EB, TR4000 8ET, TR4000 8 EB) or disconnect the plug from the mains supply (TR4000 4 ET, TR4000R 4 ET).
- Immediately shut off the cold water supply to the appliance should it leak.
Operation
The electronic continuous-flow heaters of this series operate automatically.
Switching on
- Open the tap fully. The electronic continuousflow heater switches on. The water is heated as it flows through the appliance. The over-sink appliances TR4000 6 EB and TR4000 8 EB feature an automatic operation indicator. The operation indicator lights yellow at half power and red at full power, dependent on the water flow rate.
Switching off
- Close the tap, and the appliance will switch off.
Regulating water temperature
- Open the tap fully, and the appliance switches on.
- Now increase the temperature of the water by reducing the flow of water.
Info: In winter, the temperature of the water supply may be lower, so that the temperature of the water leaving the tap will not be reached. Please proceed as described under “Water connection”.
Cleaning
Do not use aggressive or abrasive cleaning detergents! Do not use a steam cleaner.
- Clean appliance externally with amild cleaning agent.
- Clean the dirt and lime scale deposits in the aerator filter.
Maintenance
Repairs and maintenance may only be carried out by an authorised customer service representative to avoid potential sources of danger.
- The electrical mains supply and the water supply must be shut off before all work on the appliance.
Customer Service
We ask you to always provide the E-No. and the FD-No. of your appliance when calling in a customer service engineer. You will find the number between both water connection nozzles of the continuous-flow heater.
Environmental protection and disposal
Environmental protection is a fundamental corporate strategy of the Bosch Group. The quality of our products, their economy and environmental safety are all of equal importance to us and all environmental protection legislation and regulations are strictly observed. We use the best possible technology and materials for protecting the environment taking into account economic considerations.
Packaging
Where packaging is concerned, we participate in country-specific recycling processes that ensure optimum recycling. All of our packaging materials are environmentally compatible and can be recycled.
Used appliances
Used appliances contain valuable materials that can be recycled. The various assemblies can be easily dismantled. Synthetic materials are marked accordingly. Assemblies can therefore be sorted by composition and passed on for recycling or disposal.
Old electrical and electronic appliances
This symbol means that the product must not be disposed of with other waste, and instead must be taken to the waste collection points for treatment, collection, recycling and disposal. The symbol is valid in countries where waste electrical and electronic equipment regulations apply, e.g. “European Directive 2012/19/EC on old electronic and electrical appliances”. These regulations define the framework for the return and recycling of old electronic appliances that apply in each country. As electronic devices may contain hazardous substances, it needs to be recycled responsibly in order to minimize anypotential harm to the environment and human health. Furthermore, recycling of electronic scrap helps preserve natural resources.
For additional information on the environmentally compatible disposal of old electrical and electronic appliances, please contact the relevant local authorities, your household waste disposal service or the retailer where you purchased the product. You can find more information here: www.weee.bosch-thermotechnology.com/
Guarantee
The guarantee conditions for this appliance are as defined by our representative in the country in which it is sold. Details regarding these conditions can be obtained from the dealer, from whom the appliance was purchased, or directly from ourrepresentative in the country. Furthermore, the guarantee conditions can also be found on the Internet at the website
Attention!
Repairs must only be carried out by an authorised technician. Improper repairs can lead to risk of serious injury to the user. If your appliance does not operate as required, it is often due to a very minor problem. Please check whether you can remedythe fault yourself by using the following guidelines. You will save yourself the costs of an unnecessary visit by customer service personnel.
A fault, what to do?
Data Protection Notice
- If the fault could not be eliminated, please call customer service.
| Fault | Cause | Solution | Who |
| The appliance does not start (heat), no water flows. | The fuse in the house electrical installation has tripped/blown. | Check the fuse in the house electrical installation. | Customer |
| Power failure or initial start- up. | Starts rinsing: Open the warm water tap and allow water to flow for at least 30 seconds (flow-rate at least 2 litres per minute). Only then (for safety reasons) will the appliance begin to heat. Should the appliance not start because of a reduced flow-rate, remove the perlator, shower head or similar before start and repeat the process. | Customer | |
| The air sensor in the appliance detects air in the water and momentarily switches the heating element off. | |||
| The desired water temperature leaving the tap is no longer reached. | The supply temperature has reduced. | Reduce the water flow on the taps until the desired water temperature is reached. | Customer |
| Water flow-rate is too low. | The filter in either the water tap or the showerhead is clogged. | Remove the filter and either clean it or descale it. | Customer |
| The filter in the corner regulating valve is clogged. | Remove, clean and reinstall the filter. Circulate water through the appliance. If necessary, repeat this procedure until the filter is free of particles. | Servicing expert |
Data Protection Notice
We, Bosch Thermotechnology Ltd., Cotswold Way, Warndon, Worcester WR4 9SW, United Kingdom process product and installation information, technical and connection data, communication data, product registration and client history data to provide product functionality (art. 6 (1) sentence 1 (b) GDPR), to fulfill our duty of product surveillance and for product safety and security reasons (art. 6 (1) sentence 1 (f) GDPR), to safeguard our rights in connection with warranty and product registration questions (art. 6 (1) sentence 1 (f) GDPR) and to analyze the distribution of our products and to provide individualized information and offers related to the product (art. 6 (1) sentence 1 (f) GDPR). To provide services such as sales and marketing services, contract management, payment handling, programming, data hosting, and hotline services we can commission and transfer data to external service providers and/or Bosch-affiliated enterprises. In some cases, but only if appropriate data protection is ensured, personal data might be transferred to recipients located outside of the European Economic Area. Further information are provided on request.You can contact our Data Protection Officer under DataProtection Officer, Information Security and Privacy (C/ISP), Robert Bosch GmbH, Postfach 30 02 20, 70442 Stuttgart, GERMANY. You have the right to object, on grounds relating to your particular situation or where personal data are processed for direct marketing purposes, at any time to processing of your personal data which is based on art. 6 (1) sentence 1 (f) GDPR. To exercise your rights, please contact us via [email protected] To find further information, please follow the QR-Code.
Bosch Thermotechnik GmbH Junkersstrasse 20-24 D-73249 Wernau www.bosch-thermotechnology.com















