
CKZ 80 H CKZ 100 H
CKZ 200 H
Instruction manual for authorized service personnel
GENERAL INSTRUCTIONS
- This manual is an integral and essential part of the appliance. It should be preserved with care and must accompany the appliance, even if the product is transferred to another owner or user and/ or moved to another installation site.
- Please read the instructions and warnings contained in this manual carefully; they provide important information for the safe installation, operation and maintenance of this new appliance.
- Installation is the responsibility of the buyer and should be performed by qualified personnel in accordance with the instructions contained herein.
- Using this appliance for purposes other than those specified is strictly forbidden.
The manufacturer shall not be held responsible for any damage due to improper, incorrect and unreasonable use or due to failure to comply with the instructions set out in this manual. - Installation, maintenance and all other interventions must be carried out by qualified personnel in full conformity with the applicable legal regulations and the instructions provided by the manufacturer.
- Incorrect installation may lead to personal injury or property damage and may harm animals; the manufacturer shall not be held responsible for such damage.
- Keep all packaging material (clips, plastic bags, polystyrene foam, etc.) out of reach of children, as it may present a potential hazard.
- Children, inexperienced persons, persons with limited physical, sensory or mental abilities or lacking the necessary know-how and expertise may not operate the appliance unless adequately supervised or instructed on its use by a person responsible for their safety.
- Children must be supervised at all times, to ensure that they do not play with theappliance.
- Do not touch the appliance while barefoot or with wet hands or feet.
- All repairs should be performed exclusively by qualified personnel, using authentic spare parts only. Failure to comply with the above instructions could compromise safety and will exempt the manufacturer from all liability.
- No flammable items should be left in the vicinity of the appliance.
- Proper use of the appliance also includes complying with the use and installation instructions and with the supplementary documentation, in addition to the inspection and maintenance terms.
- Any other improper use is forbidden.
GENERAL SAFETY INSTRUCTIONS
Key to symbols: Failure to comply with this warning may result in personal injury or even death.
Failure to comply with this warning may result in serious damage to property, plants or animals.
Obligatory observance of general safety measures and appliance specifications.
Do not perform procedures which involve opening the appliance.
Electrocution through exposure to live components. Personal injury caused by burns due to overheated components, or wounds caused by sharp edges or protrusions.
Do not perform procedures which involve removing the appliance from its installation space.
Electrocution through exposure to live components.
Flooding caused by water leaking from disconnected piping.
Do not start or stop the appliance simply by plugging it into the electricity mains supply or unplugging it.
Electrocution through contact with a damaged cable or plug, or socket.
Do not damage the power supply cable.
Electrocution from non-insulated live wires.
Do not leave anything on top of the appliance.
Personal injury caused by an object falling off the appliance as a result of vibration.
Damage to the appliance or items underneath it caused by the object falling off as a result of vibrations.
Do not climb onto the appliance.
Personal injury caused by the appliance falling over.
Damage to the appliance or any objects underneath it caused by the appliance falling away from its installation space.
Do not climb onto chairs, stools, ladders or unstable supports to clean the appliance.
Personal injury caused by falling from a height or cuts (stepladders shutting accidentally).
Do not attempt to clean the appliance without first turning
it off and unplugging it or turning off the corresponding switch.
Electrocution through exposure to live components.
Install the appliance on a solid wall which is not subject to vibration.
Noisy operation.
When drilling holes in the wall for installation purposes, take care not to damage any electrical wiring or existing piping
Electrocution caused by exposure to live wires. Explosions, fires or poisoning caused by gas leaking from damaged pipes.
Damage to existing installations. Flooding due to water leaking from damaged pipes.
Protect all connection pipes and wires in order to prevent them from being damaged.
Electrocution through exposure to live wires.
Flooding due to water leaking from damaged pipes.
Make sure that the installation site and any systems to which the appliance must be connected comply with current legislation.
Electrocution through contact with incorrectly-installed live wires.
Damage to the appliance caused by improper operating conditions.
Use suitable manual tools and equipment (in particular, make sure that each tool is in good working condition and that its handle is securely fastened); use them correctly and make sure they do not fall from a height. Replace them once you have finished using them.
Personal injury caused by flying splinters or fragments, inhalation of dust, knocks, cuts, puncture wounds and abrasions.
Damage to the appliance or surrounding objects caused by falling splinters, knocks and incisions.
Use suitable electrical equipment (make sure in particular that the electricity supply cable and the socket are in good condition and that the rotating or moving parts are attached correctly); use this equipment correctly; do not obstruct passageways with the power supply cable and make sure no equipment could fall from a height.
Disconnect it and replace it safely after use .
Personal injury from electrocution, flying splinters or fragments, inhalation of dust, shocks, cuts, pricks, abrasions, noise andvibration.
Damage to the appliance or surrounding objects caused by falling splinters, knocks and incisions.
Make sure that all portable ladders are positioned securely, and that they are of adequate strength. Make sure that the steps are intact and not slippery.
Never move portable ladders when someone is on them. Provide constant supervision at all times.
Personal injury caused by falling from a height or cuts (stepladders shutting accidentally).
Make sure that all materials, components, equipment, etc. used during installation are not liable to fall from a height
Personal injury or death caused by collapsing and/or falling parts.
Make sure that any rolling ladders are positioned securely, that they are suitably sturdy, that the steps are intact and not slippery. Make sure that the ladders are fitted with handrails on either side of the ladder and parapets on the landing.
Personal injury caused by falling from a height.
During all work carried out at a certain height (generally with a difference in height of more than two metres), make sure that parapets surround the work area or that individual harnesses designed to prevent falls are used.
Make sure that the space potentially involved in any accidental fall is free from dangerous obstacles, and that any impact upon falling is cushioned by semi-rigid or deformable surfaces.
Personal injury caused by falling from a height.
Make sure that adequate levels of hygiene and sanitation are maintained in the place of work, in terms of lighting, ventilation, solidity of structures and emergency exits.
Personal injury due to impact, tripping and wounds. erno
During all work procedures, wear individual protective clothing and equipment.
Personal injury from electrocution, flying splinters or fragments, inhalation of dust, shocks, cuts, pricks, abrasions, noise and vibration.
All procedures inside the appliance must be performed with the necessary caution in order to avoid abrupt contact with sharp parts.
Personal injury caused by cuts, puncture wounds and abrasions.
Do not use insecticides, solvents or aggressive detergents to clean the appliance.
Damage to the plastic and painted parts.
Do not use the appliance for anything other than normal domestic use.
Damage to the appliance caused by operation overload. Damage caused to objects treated inappropriately.
Do not allow children or untrained individuals to operate the appliance. Damage to the appliance caused by improper use.
Perform all electrical connections using wires with a suitable cross section.
Fire caused by overheating due to electrical current passing through undersized cables.
Protect the appliance and all areas in the vicinity of the work area using suitable material.
Damage to the appliance or surrounding objects caused by falling splinters, knocks and incisions.
Handle the appliance with care, using suitable protection.
Damage to the appliance or surrounding objects caused by shocks, knocks, incisions and crushing.
Organise the removal of all debris and equipment in such a way as to make movement easy and safe, avoiding thecreation of any piles that could yield or collapse.
Damage to the appliance or surrounding objects caused by shocks, knocks, incisions and crushing
Reset all the safety and control functions affected by any work performed on the appliance and make sure they operatecorrectly before restarting the appliance.
Damage or shutdown of the appliance caused by out-of control operation. Prior to operating on roofs, structures,surfaces, etc., make sure that these are stable and suitable for the scheduled operations.
Personal injury or death caused by collapsing parts and/or falling from a height.
SPECIFIC SAFETY INSTRUCTIONS FOR THIS APPLIANCE
Before handling, empty all components which may contain hot water, performing bleeding where necessary.
Personal injury from burns.
Descale the components, in accordance with the instructions provided on the safety data sheet of the product used.
Provide adequate ventilation in the room, wear protective clothing, avoid mixing different products, and protectthe appliance and surrounding objects.
Personal injury caused by acidic substances coming into contact with skin or eyes; inhaling or swallowing harmful chemical agents.
Damage to the appliance or surrounding objects due to corrosion caused by acidicsubstances.
Avoid operating on the product in the event of high insolation levels.
Personal injury caused by burn and scalding.
TRANSPORT, STORAGE AND RECYCLING INSTRUCTIONS
The appliance must be transported in accordance with the pictograms on the packaging.
The appliance must be transported and stored in dry conditions and freezing conditionsmust be avoided. EU directive 2012/19/EU- D.Lgs.49/2014 requires selective collection and recycling of used electrical and electronic devices.
The “crossed-out wheeled bin” symbol on the appliance indicates that the product must be disposed of separately from standard household waste at the end of its useful life, and must be brought to a waste sorting centre for electrical and electronic devices or returned to the seller when a replacementappliance is purchased.
DECLARATION OF CONFORMITY
This product conforms to 2014/68/UE art. 4.3
USER RECOMMENDATION
Before installing the appliance, please read the instructions in this manual carefully. Failure to comply with them will invalidate the warranty.
The purchaser is responsible for installing the product.
The CKZ primary water tank is not a domestic hot water tank. It is used as a primary heating water storage tank between a boiler and a plate exchanger. It is designed solely for use in a closed circuit.
Installation, start-up, maintenance and repairs must only be carried out by a qualified professional in accordance with industry practice and applicable national standards. It is essential to comply with all prescriptions relating to domestic hot watertanks, as well as the instructions supplied by the manufacturer.
To prevent burns, use suitable mixing devices to avoid exceeding a temperature of 50°C at the catchment points.
If the appliance is inactive for a prolonged period (e.g. during winter holidays) in an unheated area, water may freeze in the appliance and the pipes. Ensure that the installation is protected from freezing.
If any accessories are installed on the unit, they must only be original parts from the manufacturer. To clean the exterior of the unit, it is recommended to use a damp cloth and cleaning products intended for this purpose.
The use of abrasive products or solvents is strongly discouraged.
No inflammable objects must be kept near the appliance.
ATTENTION!
The appliance can be used by children older than 8 years and by people with reduced physical, sensory or mental abilities, or who lack adequate experience and the necessary knowledge, provided they are supervised or have been instructed on the safe use of the appliance and on the potential risks connected with it.
Children must not play with the appliance. Any cleaning and maintenance performed by the user must not be effected by unsupervised children.
LIMITED WARRANTY
The costruction’s company guarantees his own products which are supplied with identification code.
Claims for fault must happen in 8 days in writing or trough the guarantee-card, with the approval by our point of sale. In case of contestations, after our examination of the
defect and their causes, the guarantee consists in the repairing by loco or in the substitution of the product, free of freight-charge, upon restitution of the item with manufacturing defect.
The installation costs are excluded, except agreements.
The guarantee is subjected to the following conditions:
- Claims must happen before the manufacture to complement or assignment to a third party.
- Installation of water-heating must be made from qualified firm/installer.
- Water-heaters by Ariston are subjected for use and maintenance as normally required, temperature and pressure working must be strictly observed as well the examination and replacement of magnesium anode (best every 6 months), Langelier water index between 0 and +0,4, hardness within 10°F and 25°F.
From the guarantee are excluded damages due through:
- Faulty montage, making ready for use out of specification or improper use of waterheater.
- Defects caused from no force majeure (impact in case of montage or in building site or by conveyance).
- Intake of parcels, that are rest of material of montage, or damages caused from no controlled and no closed gaskets.
- The contestations don’t entitle deduction of purchase price or a part of it or for compensation with other requires.
- We exercise the right to reject requires of guarantees if buyer doesn’t respectthe obligation of current payments.
Further requires of compensation, in special way for directs and indirect damages to people or things, can’t be acknowledged.
PRODUCT DESCRIPTION
Description of appliances
CKZ primary water tanks are steel tanks with no internal corrosion protection. The water circuit must be closed.
These tanks are used as buffer tanks for various applications.
Appliance specifications
The specifications for CKZ appliances are available in Appendix A.
INSTALLATION
Installing the appliance
Ensure that the support component can withstand the weight of the water tank when full.
- Install a retention container with drainage beneath the tank if it is positioned in a suspended ceiling or attic, or above a living space.
- A drainage function equipped with a funnel and connected to the main drain is required.
- The bottom connection allows the tanks to be fully drained.
- All unused connectors must be capped
- To prevent leaks, ensure that the hoses are not placed under any mechanical stress!

Hydraulic connection
Before making the hydraulic connections, the supply pipes must be thoroughly cleaned to prevent the introduction of metal or other particles.
The installation must be carried out in accordance with the standards in force. Ensure a deaerator or purge device is always placed at the highest point on the primary water tank (non supplied).
STARTING UP
Fill the appliance
- Check the water pressure using the pressure gauge. This should be a minimum of 1 bar when cold and a maximum of 3 bar when hot.
- Check that the primary tank is completely purged.
- Check the sealing of the connectors on the primary tank.
– APPENDIX A –
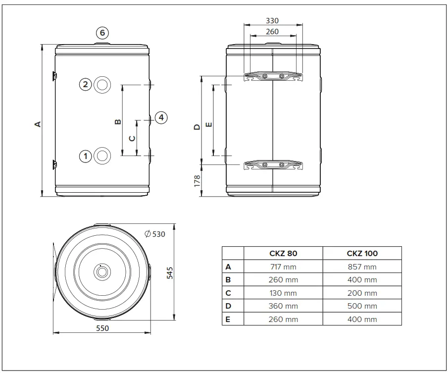
CKZ 80 H – CKZ 100 H
OVERALL VIEW

| MODEL… H | 80-100 | 200 | |
| 1- 2 3-5 | secondaria – Primary | F 1 1/2″ | F 1 1/2″ |
| 4 | Sensor | F 1/2″ | F 1/2″ |
| 6 | Air evacuation | F 1 1/2″ | F 1 1/2″ |
| 7 | Drain | n.a. | F 1/2″ |
| 8 | Thermometer | n.a. | F 1/2″ |
APPENDIX A
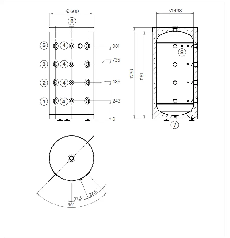
CKZ 200 H
VERALL VIEW
APPENDIX A
PRODUCT FICHE
| Supplier’s name | NNA | |||
| Model | CKZ … H | 80 | 100 | 200 |
| Energy efficiency class | C | C | C | |
| Tank material | Acciao non porcellanato Not enamelled steel | |||
| Nominal capacity | I | 79 | 93 | 197 |
| Out 0(insul.) | mm | 530 | 530 | 600 |
| – Height(insul.) | mm | 717 | 857 | 1230 |
| Max working pressure Pression de service max | bar | 6 | ||
| – Max. work. T – | 95 | |||
| Therm. Disp. | , | 61 | 63 | 76 |
| Tank weight | Kg | ‘1 | 36 | 48 |
Technical Assistance Service –
NNA
Viale Aristide Merloni, 45
60044 Fabriano (AN) Italy
T. 0732 6011 – F. 0732 602331
0222



















