HWT300 Water Tank
Instruction Manual
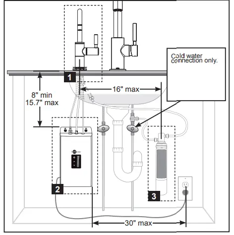
For this installation, you will need:
Insinkerator® Digital Instant Hot Water Tank HWT300-F2000S or HWT300.
For optimal dispenser performance, use of filter is strongly recommended.
Instant Hot Water Dispenser

Instant Hot Water Dispenser
Model Number: ________________
Date of Purchase: _______________
To find model number, look on the water line label underneath sink.
Register Online
www.brizo.com/customer-support/product-registration
To reference replacement parts and access technical documents, product info, and cleaning and care instructions, visit www.brizo.com
Read all instructions prior to installation.
CAUTION
Failure to read these instructions prior to installation may result in personal injury or property damage. Manufacturer assumes no responsibility for product failure due to improper installation.
HOT! This system can dispense near boiling water. Care and supervision should be taken to avoid scalding.
Final Installation
FAUCET
WARNING: To avoid the risk of damage to tube material, which can cause property damage and hot water burns or other personal injury, do not use silicone lubricants on tubes.
The use of substitute tubing is not permitted, as it can adversely affect performance and voids the warranty.
- Slide base down.
- Slide (5/16″ Clear Silicone) Vent Line up underneath the base and secure it to the white fitting, as shown.
- Slide base back up, securing it to the faucet body. Ensure Brizo logo is facing forward.
- Insert (7/16” Clear Silicone) Supply Line onto gray fitting, as shown.
- Slide gasket onto the tubes, with paper backing oriented up.
- Remove paper backing to expose adhesive and install gasket.
- Insert faucet into sink, ensuring it is centered in the hole.
- Install mounting hardware with supplied wrench until snug.
- Adjust final position of faucet above sink if necessary.
- Tighten hardware until faucet resists movement, being careful not to overtighten.
NOTICE
To avoid risk of property damage, follow instructions for proper installation. Failure to follow these instructions may result in risk of property damage caused by leaking at this connection. Do not use pipe dope or other sealants on water line connections.
Faucet fittings are 1/4″ compression.
- Ensure all fittings and end connections are free of debris.
- Loop tubing if it is too long. Note: Minimum tube bend diameter is 8″.
- Secure metal nut to adapter.
- Start nut by hand. Turn nut until it feels snug then tighten nut at least 2 more turns with a wrench.
TANK

- Install tank.
REFER TO INSINKERATOR INSTANT HOT WATER TANK MANUAL FOR INSTRUCTIONS AND TROUBLESHOOTING - Install tubes as shown.
- The inlet tube should make a “click” sound when secure.
CAUTION: Do not plug in the hot water tank until all water connections are made and checked for leaks.
FILTER

NOTICE
When cutting the supply tubing the installer accepts the responsibility to do so in a way that allows a leak-free joint to be created. Manufacturer is not responsible for tubing that is cut too short or cut in a way that will not allow for a leak-free joint.
Do not use pipe dope or other sealants on water line connections.
- Determine proper length between cold water supply and filter.
- Cut cold water supply to length prior to final connection to filter. NOTE:
Ensure tubing is cut straight and burr-free. If tube bend is required, minimum bend diameter is 8″.
Potential Problems and Remedies
- Tubing is not cut perpendicular to the axis of the tube: carefully make an additional cut, being careful not to cut the tube too short.
- Tubing is cut too short: buy a coupling union and a replacement supply line that mate together from a store.
CONNECTIONS

- Make connections to cold water supply.
- Check all connections for leaks.
- Run faucet for 4 minutes prior to turning on tank.
TROUBLESHOOTING
| PROBLEM | POSSIBLE CAUSE | WHAT TO DO |
| Water and steam spits forcefully from spout without turning on the dispenser. | Unit is boiling. May be normal during initial set-up. | Depress or twist hot water dispenser handle to release some water from the tank. Adjust water temperature using digital display up/down arrows on tank front. Remember that at higher altitudes, water boils at lower temperatures. |
| Water is not hot. | The unit is unplugged. The electric outlet is inoperative. The power button is not on. | Make sure the unit is connected to a correctly earthed electric outlet. Make sure the circuit breaker or fuses are functioning correctly. Check that the outlet is not switched off. |
| Water is too hot or not hot enough. | Thermostat is not adjusted to your needs. | Adjust the thermostat, then depress or twist hot water dispenser handle for 20 seconds to bring in fresh water to be heated at the new setting. Allow 5-7 minutes for water to reach new temperature. |
| Water comes out of the vent instead of spout. | Outlet tube from tank is blocked. | Check that outlet tube is not kinked, twisted or pinched. Unscrew spout end piece and clean out any debris. |
| Water is dripping from the spout/vent intermittently. | The tank expansion chamber is not draining properly due to low water pressure. The spout is blocked. Did not use recommended tank. | Unplug the unit. If the dripping does not stop after a few minutes, check the supply valve to ensure that it is fully open and there are no obstructions in the water line reducing the pressure below 15 psi (103 kPa) (ie, a poorly mounted saddle valve, a clogged water filter or a partially opened shut-off valve). Unscrew spout end piece and dean out any debris. Use a tank model that is listed in the installation materials. |
| Water is dripping from the spout/vent constantly. | Debris in the water line may be in the dispenser valve seat, causing a slow water leak. | Unscrew spout end piece and clean out any debris. Depress or twist hot water dispenser handle 7-10 times to flush dispenser and lines. |
| Divided stream. | Debris in the end piece. | Unscrew spout end piece and clean out any debris. |
| Water discoloration/rusty appearance. | Corrosion of unit. | Unplug and drain unit as described in the Care and Use section of the InSinkErator manual. If the water discoloration remains after draining and refilling the unit, discontinue use and contact InSinkErator. |
| Excessive splashing when in use. | Using with handle fully open. | Open handle partially and adjust until splashing subsides. Faucet will function without handle being fully open. Please note there is a slight delay between handle adjustment and water exiting faucet. |
Limited Warranty on Brizo® Faucets
Parts and Finish. All parts (other than electronic parts, air switch power modules, batteries, and parts not supplied by Brizo Kitchen and Bath Company) and finishes of Brizo® faucets purchased from authorized Brizo sellers are warranted to the original consumer purchaser to be free from defects in material and workmanship for as long as the original consumer purchaser owns the home in which the faucet was first installed. For commercial purchasers, (a) the warranty period is ten (10) years for multi-family residential applications and (b) five (5) years for all other commercial uses, in each case from the date of purchase. For purposes of this warranty, the term “multi-family residentialapplication” refers to the purchase of the faucet from an authorized Brizo seller by a purchaser who owns but does not live in the residential dwelling in which the faucet is initially installed, such as in a rented or leased single unit or multi-unit detached home (duplex or townhome), or a condominium, apartment building or community living center. The following installations are not considered multi-family residential applications, are excluded from the 10-year warranty, and are subject to the 5-year warranty: industrial, institutional or other business premises,such as a dormitory, hospitality premises (hotel, motel, or extended stay location), airport, educational facility, long- or short-term healthcare facility (hospital, rehabilitation center, nursing, assisted or staged-care living unit), public space or common area.
Electronic Parts and Batteries (if applicable). Electronic parts (other than air switch power modules and batteries), if any, in Brizo® faucets purchased from authorized Brizo sellers are warranted to the original consumer purchaser to be free from defects in material and workmanship for five (5) years from the date of purchase or, for commercial users, for one (1) year from the date of purchase. No warranty is provided on batteries.
Air Switch Power Module. The electronic power module of Brizo® air switches purchased from authorized Brizo sellers is warranted to the original consumer purchaser to be free from defects in material and workmanship for two (2) years from the date of purchase or, for commercial users, for one (1) year from the date of purchase.
What We Will Do. Brizo Kitchen & Bath Company will repair or replace, free of charge, during the applicable warranty period (as describedabove), any part or finish that proves efective in material and/or workmanship under normal installation, use, and service. Brizo Kitchen & Bath Company may, in its sole discretion, use new, refurbished or recertified parts or products for such repair or replacement. If repair or replacement is not practical, Brizo Kitchen & Bath Company may elect to refund the purchase price in exchange for the return of the product.These are your exclusive remedies.
What Is Not Covered. Because Brizo Kitchen and Bath Company is unable to control the quality of Brizo products sold by unauthorized sellers, unless otherwise prohibited by law, this warranty does not cover Brizo products purchased from unauthorized sellers (visit Brizo.comto see a list of our Authorized Online Resellers).
Any labor charges incurred by the purchaser to repair, replace, install or remove this product are not covered by this warranty. Brizo Kitchen& Bath Company shall not be liable for any damage to the product resulting from reasonable wear and tear, outdoor use, misuse (includinguse of the product for an unintended application), freezing water, abuse, neglect, or improper or incorrectly performed assembly, installation,maintenance or repair, including failure to follow the applicable care and cleaning instructions. Customized components purchased by theconsumer or commercial user and installed into a Brizo product, and any damage resulting from removal or improper installation of suchcomponents, are not covered by this warranty.
Brizo Kitchen & Bath Company recommends using a professional plumber for all installation and repair of faucets. We also recommend thatyou use only genuine Brizo® replacement parts.
What You Must Do To Obtain Warranty Service or Replacement Parts. A warranty claim may be made and replacement parts may be obtained by calling 1-877-345-BRIZO (2749) or by contacting us by mail or online as follows (please include your model number and date of purchase):
In the United States and Mexico: Brizo Kitchen & Bath Company
55 E. 111th Street
Indianapolis, IN 46280
Attention: Warranty Service
https://www.brizo.com/customer-support/contact-us
In Canada:
Masco Canada Limited, Plumbing Group
Technical Service Centre
350 South Edgeware Road
St. Thomas, Ontario, Canada N5P 4L1
https://www.brizo.com/customer-support/contact-us
Proof of purchase (original sales receipt) from the original purchaser must be made available to Brizo Kitchen & Bath Company for all warranty claims unless the purchaser has registered the product with Brizo Kitchen & Bath Company. This warranty applies only to Brizo® faucets installed in the United States of America, Canada, and Mexico.
Limitation on Duration of Implied Warranties. Please note that some states/provinces (including Quebec) do not allow limitations on how long an implied warranty lasts, so the below limitations may not apply to you. TO THE MAXIMUM EXTENT PERMITTED BY APPLICABLE LAW, ANY IMPLIED WARRANTY, INCLUDING THE IMPLIED WARRANTIES OF MERCHANTABILITY AND OF FITNESS FOR A PARTICULAR PURPOSE, IS LIMITED TO THE STATUTORY PERIOD OR THE DURATION OF THIS WARRANTY, WHICHEVER IS SHORTER.
Limitation of Special, Incidental or Consequential Damages. Please note that some states/provinces (including Quebec) do not allow the exclusion or limitation of special, incidental, or consequential damages, so the below limitations and exclusions may not apply to you. TO THE MAXIMUM EXTENT PERMITTED BY APPLICABLE LAW, THIS WARRANTY DOES NOT COVER, AND BRIZO KITCHEN & BATH COMPANY SHALL NOT BE LIABLE FOR ANY SPECIAL, INCIDENTAL, OR CONSEQUENTIAL DAMAGES (INCLUDING LABOR CHARGES TO REPAIR, REPLACE, INSTALL OR REMOVE THIS PRODUCT), WHETHER ARISING OUT OF BREACH OF ANY EXPRESS OR IMPLIED WARRANTY, BREACH OF CONTRACT, TORT, OR OTHERWISE.
BRIZO KITCHEN & BATH COMPANY SHALL NOT BE LIABLE FOR ANY DAMAGE TO THE FAUCET RESULTING FROM REASONABLE WEAR AND TEAR, OUTDOOR USE, MISUSE (INCLUDING USE OF THE PRODUCT FOR AN UNINTENDED APPLICATION, FREEZING WATER, ABUSE, NEGLECT OR IMPROPER OR INCORRECTLY PERFORMED ASSEMBLY, INSTALLATION, MAINTENANCE OR REPAIR, INCLUDING FAILURE TO FOLLOW THE APPLICABLE INSTALLATION, CARE AND CLEANING INSTRUCTIONS. Notice to residents of the State of New Jersey: The provisions of this warranty, including its limitations, are intended to apply to the fullest extent permitted by the laws of the State of New Jersey.
Additional Rights. This warranty gives you specific legal rights, and you may also have other rights which vary from state/province to state/province.
This is Brizo Kitchen & Bath Company’s exclusive written warranty, and the warranty is not transferable.
If you have any questions or concerns regarding our warranty, please contact us as provided above or visit our website at www.brizo.com.
© 2022 Masco Corporation of Indiana


















