Buderus SU300.5 Hot Water Tank

Explanation of symbols
Key to symbols
Warnings
Warnings in this document are framed and identified by a warning triangle which is printed on a grey background.
Keywords indicate the seriousness of the hazard in terms of the consequences of not following the safety instructions.
- NOTICE indicates that material losses may occur.
- CAUTION indicates that minor to medium injury may occur.
- WARNING indicates that serious injury may occur.
- DANGER indicates possible risk to life.
Important information
Important information in cases where there is no risk of personal injury or material losses is identified by the symbol shown on the left. It is bordered by horizontal lines above and below the text.
Additional symbols
| Symbol | Meaning |
| ▶ | a step in an action sequence |
| à | a reference to a related part in the document or to other related documents |
| • | a list entry |
| – | a list entry (second level) |
General safety instructions
General information
These installation and maintenance instructions are intended for contractors.
Failure to observe the safety instructions can result in serious injuries.
- Read and follow the safety instructions.
- Observe these installation and maintenance instructions to ensure trouble-free operation.
- Install and commission heat sources and their accessories according to the relevant installation instructions.
- Never use open vented expansion vessels.
- Never close the safety valve.
Product information
Intended use
The DHW cylinder is designed for heating and storing potable water. Observe all regulations, guidelines and standards regarding potable water that are applicable in your country.
Heat the DHW cylinder via the solar circuit exclusively using solar fluid.
Only install this DHW cylinder in sealed unvented systems.
Any other use is considered inappropriate. Any damage resulting from inappropriate use is excluded from liability.
| Potable water requirements | Unit | ||
| Water hardness, min. | ppm | 36 | |
| grain/US gallon | 2.1 | ||
| °dH | 2 | ||
| pH value, min. – max. | 6.5 – 9.5 | ||
| Conductivity, min. – max. | μS/cm | 130 – 1500 |
Data plate
The data plate is located at the top of the rear of the DHW cylinder and includes the following details:
| Pos. | Description |
| 1 | Model designation |
| 2 | Serial number |
| 3 | Actual content |
| 4 | Standby heat loss |
| 5 | Volume heated by immersion heater |
| 6 | Year of manufacture |
| 7 | Corrosion protection |
| 8 | Max. DHW cylinder temperature |
| 9 | Max. flow temperature, heat source |
| 10 | Max. flow temperature, solar |
| 11 | Connected electrical load |
| 12 | Heating water heat input |
| 13 | Heating water throughput for heating water heat input |
| 14 | With 40 °C drawable volume, heated electrically |
| 15 | Max. operating pressure, DHW side |
| 16 | Highest design pressure |
| 17 | Max. operating pressure, heat source side |
| 18 | Max. operating pressure, solar side |
| 19 | Max. operating pressure, DHW side, CH |
| 20 | Max. test pressure, DHW side, CH |
| 21 | Max. DHW temperature with electric heating |
Standard delivery
- DHW cylinder
- Installation and maintenance instructions
Specification
| Unit | SM300.5 | SM400.5 | |
| General data | |||
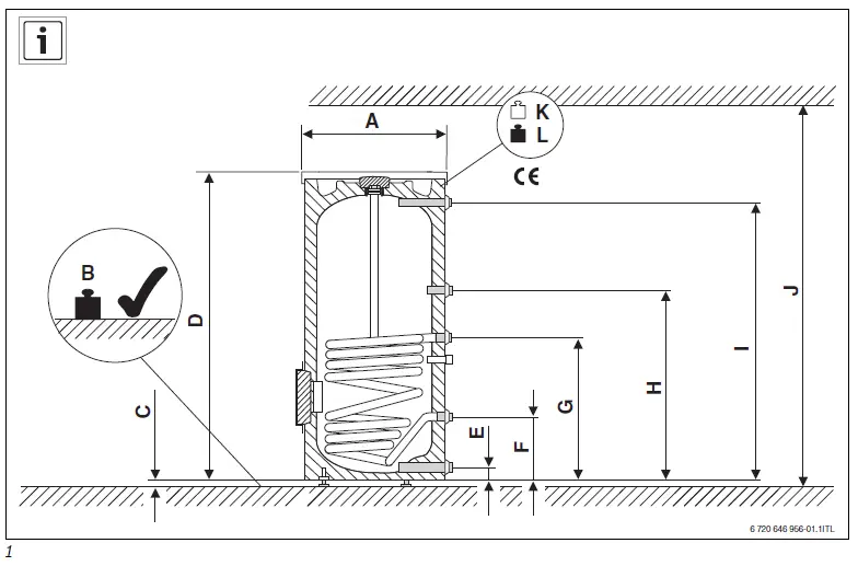
| Dimensions | à Fig. 1,![]() | ||
| Height when tilted | mm | 1655 | 1965 |
| Minimum room height for anode replacement | mm | 1850 | 2100 |
| Connections | à Table 6, page 37 | ||
| Connection size, DHW | DN | R1″ | R1″ |
| Connection size, cold water | DN | R1″ | R1″ |
| Connection size, DHW circulation | DN | R¾ “ | R¾ “ |
| Internal diameter, test port, cylinder temperature sensor | mm | 19 | 19 |
| Weight (dry, excl. packaging) | kg | 105 | 119 |
| Total weight when filled | kg | 405 | 509 |
| Cylinder capacity | |||
| Available capacity (total) | l | 300 | 390 |
| Available amount of DHW1) DHW outlet temperature 2): 45 °C 40 °C | l l | 429 500 | 557 650 |
| Standby heat loss to DIN 4753 part 83) | kWh/24h | 1,94 | 2,12 |
| Maximum throughput, cold water inlet | l/min | 30 | 39 |
| Maximum DHW temperature | °C | 95 | 95 |
| Max. operating pressure, DHW | bar (positive) | 10 | 10 |
| Highest design pressure (cold water) | bar (positive) | 7,8 | 7,8 |
| Maximum DHW test pressure | bar (positive) | 10 | 10 |
| Indirect coil | |||
| Contents | l | 8,8 | 12,1 |
| Surface area | m2 | 1,3 | 1,8 |
| Performance factor NL to DIN 47084) | NL | 7,8 | 12,5 |
| Continuous output (at 80 °C flow temperature, 45 °C DHW outlet temperature and 10 °C cold water temperature) | kW l/min | 36,5 897 | 56 1376 |
| Heat-up time at rated output | min | 12 | 19 |
| Maximum heat input 5) | kW | 36,5 | 56 |
| Maximum heating water temperature | °C | 160 | 160 |
| Max. heating water operating pressure | bar (positive) | 16 | 16 |
| Connection size, heating water | DN | R1″ | R1″ |
| Pressure loss diagram | à Fig. 2, ![]()
| ||
- Without solar heating or reheating; selected cylinder temperature 60 °C
- Mixed water at the draw-off point (at 10 °C cold water temperature)
- Distribution losses outside the buffer cylinder are not taken into account.
- The performance factor N L=1 to DIN 4708 for 3.5 occupants, standard bath tub and kitchen sink. Temperatures: cylinder 60 °C, outlet 45 °C and cold water 10 °C. Measured at max. heat input. The NL drops with reduced heat input.
- Limit to the stated value for heat sources with higher heat input.
Product datasheet on energy consumption
The following product data complies with the requirements of EU Regulations 811/2013 and 812/2013 as supplement to the Directive 2010/30/EU.
| Product number | Product typ | Storage volume (V) | Standing loss (S) | Water heating energy efficiency class |
| 7 735 500 680 8 718 541 326 8 718 541 331 | SU300.5 SU300/5 SU300/5 W | 300,0 l | 70,0 W | B |
| 7 735 500 681 8 718 541 335 8 718 541 338 | SU400.5 SU400/5 SU400/5 W | 380,9 l | 88,3 W | C |
Product description
| Pos. | Description |
| 1 | DHW outlet |
| 2 | Cylinder flow |
| 3 | Sensor well for temperature sensor, heat source |
| 4 | DHW circulation connection |
| 5 | Cylinder return |
| 6 | Cold water inlet |
| 7 | Inspection apertures for service and cleaning at the front |
| 8 | Indirect coil for reheating by the boiler, enamelled smooth tube |
| 9 | Cylinder, enamelled steel |
| 10 | Fitted magnesium anode without electrical insulation |
| 11 | PS casing lid |
| 12 | Casing, painted sheet metal with rigid polyurethane foam insulation, 50 mm |
Regulations
Observe the following directives and standards:
- Local regulations
- EnEG (in Germany)
- EnEV (in Germany)
Installation of, and equipment for, heating and water heating systems: - DIN and EN standards
- DIN 4753-1 – Water heaters …; requirements, identification, equipment and testing
- DIN 4753-3 – Water heaters …; corrosion protection on the water side through enamel coating; requirements and testing (product standard)
- DIN 4753-6 – Water heating systems …; cathodic corrosion protection for enameled steel cylinders; requirements and testing (product standard)
- DIN 4753-8 – Water heaters …, part 8: Thermal insulation of DHW cylinders up to 1000 l nominal capacity – requirements and testing (product standard)
- DIN EN 12897 – Water supply – regulation for… DHW cylinders (product standard)
- DIN 1988 – Technical rules for potable water installations
- DIN EN 1717 – Protection of potable water against contamination…
- DIN EN 806 – Technical rules for potable water installations
- DIN 4708 – Central DHW heating systems
- DVGW
- Code of practice W 551 – Potable water heating systems and pipework; technical measures to inhibit the growth of legionella bacteria in new systems;…
- Code of Practice W 553 – Sizing DHW circulation systems… .
Transport
- When handling, prevent DHW cylinders from falling.
- Move packed DHW cylinder with a sack trolley and strap ( Fig. 4,

- Move unpacked DHW cylinder with a transport net; during handling, protect connections against possible damage.
Installation
The DHW cylinder is delivered as a fully assembled unit.
- Check that the DHW cylinder is complete and undamaged.
Siting
Installation site requirements
NOTICE: System damage through inadequate load bearing capacity of the supporting surface or unsuitable substrate.
- Ensure that the installation area is level and offers sufficient load-bearing capacity.
- Site the DHW cylinder on a plinth if there is a risk that water may collect at the installation site.
- Site the DHW cylinder in dry internal areas that are free from the risk of frost.
- Observe the minimum room height ( Table 4, page 36) and minimum wall clearances inside the installation room
Fig. 6,
Positioning the DHW cylinder
- Stand the DHW cylinder upright and level it ( Fig. 6 to Fig. 8,



- Remove protective caps.
- Apply Teflon tape or Teflon string ( Fig. 9,

Hydraulic connection
WARNING: Risk of fire through soldering and welding!
- Take appropriate safety measures when soldering and welding as the thermal insulation is flammable. For example, cover up the thermal insulation.
- Check cylinder casing after completion for perfect condition.
WARNING: Risk to health through contaminated water!Work carried out without due care for cleanliness contaminates the potable water.
- Install and equip the DHW cylinder hygienically in accordance with national standards and guidelines.
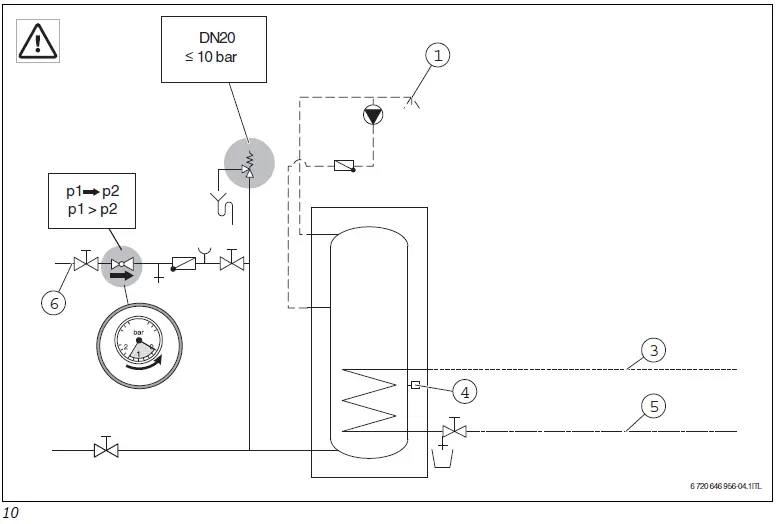
Connecting the DHW cylinder on the water sideB
System example with all recommended valves and stopcocks Fig. 10,
- Use installation material that is heat-resistant to 160 °C (320 °F).
- Never use open vented expansion vessels.
- Use metal connection fittings in DHW heating systems with plastic lines.
- Size the drain line in accordance with the connection.
- To facilitate blow-down, never install bends in the drain line.
- Keep primary lines as short as possible and insulate them.
- If using a non-return valve in the cold water supply: Install a safety valve between the non-return valve and the cold water inlet.
- Install a pressure reducer if the static system pressure is in excess of 5 bar.
- Seal all superfluous connections.
Commissioning
Installing a safety valve (on-site)
- Install a type-tested safety valve that is approved for potable water (DN 20) in the cold water supply Fig. 10,
- Observe the safety valve installation instructions.
- Terminate the discharge pipe where it will be easily visible in the frost-protected area above a drain.
- The discharge pipe must be at least equal to the outlet cross-section of the safety valve.
- The discharge pipe must be able to discharge at least the flow rate that is feasible at the cold water inlet Table 4,
- Attach a notice with the following text to the safety valve: “Never close the discharge pipe. During heating, water may be discharged for operational reasons.”
If the static system pressure exceeds 80 % of the safety valve response pressure: - Install a pressure reducer upstream Fig. 10
| Mains pressure (static pressure) | Safety valve response pressure | Pressure reducer | |
| in the EU | outside the EU | ||
| < 4.8 bar | ³ 6 bar | Not required | |
| 5 bar | 6 bar | max. 4.8 bar | |
| 5 bar | ³ 8 bar | Not required | |
| 6 bar | ³ 8 bar | max. 5.0 bar | Not required |
| 7.8 bar | 10 bar | max. 5.0 bar | Not required |
Table 7 Selection of a suitable pressure reducer
Installing the DHW temperature sensor
Fit one DHW temperature sensor respectively at test port [7] (for the solar thermal system) and [3] (for the heat source) for capturing and monitoring the DHW temperature at the DHW cylinder Fig3
- Install the DHW temperature sensor ( Fig. 11,
Ensure that the sensor area has contact with the sensor well surface area over its full length.
Immersion heater (accessory)
- Install the immersion heater in accordance with the separate installation instructions.
- When installation of the cylinder is complete, inspect the earth conductor (including metal connection fittings).
Commissioning
NOTICE: Risk of system damage through excessive pressure!
Excessive pressure can result in tension cracks in the enamel coating.
- Never close the blow-off line of the safety valve.
- Commission all assemblies and accessories as specified in the manufacturer’s technical documentation.
Commissioning the DHW cylinder
Check the DHW cylinder for leaks using potable water only.
On the DHW side, the test pressure must not exceed 10 bar (150 psi) positive pressure.
- Flush the DHW cylinder and pipework thoroughly prior to commissioning ( Fig. 13,

Instructing users
WARNING: Risk of scalding at the hot water draw-off points!
There is a risk of scalding at the hot water draw-off points if the DHW temperature is set above 60 °C and during thermal disinfection.
- Advise users that they should only draw off mixed water.
- Explain the operation and handling of the heating system and DHW cylinder, making a particular point of safety-relevant features.
- Explain the function and checking of the safety valve.
- Hand all enclosed documents over to the user.
- User recommendation: Arrange an inspection/maintenance contract with an approved heating contractor. Have the DHW cylinder inspected and, if required, serviced annually in accordance with the service intervals stated ( Table 8
- Highlight the following for the user:
- Water may be discharged from the safety valve during heat-up.
- The safety valve discharge pipe must always be kept open.
- Service intervals must be observed ( Table 8,
- Recommendation in the case where there is a risk of frost and when the user is briefly away: Keep the DHW in operation and select the lowest possible DHW temperature.
Shutting down
- If an immersion heater has been fitted (accessory), isolate the DHW cylinder from the power supply ( Fig. 15

- Switch off the temperature controller at the control unit.
WARNING: Scalding from hot water!
- Let the DHW cylinder cool down sufficiently.
- Drain the DHW cylinder ( Fig. 15 and 16,

- Decommission all assemblies and accessories of the heating system as specified in the manufacturer’s technical documentation.
- Close the shut-off valves ( Fig. 17,

- Depressurize the indirect coils.
- Drain and blow out the indirect coils ( Fig. 18,

- To prevent corrosion, dry out the interior and keep the inspection aperture covers open.
Environmental protection/disposal
Environmental protection is a fundamental principle of the
Bosch Group.
Quality of products, efficiency and environmental protection are equally important objectives for us. All legislation pertaining to the environment is strictly observed.
Packaging
We are dedicated in adhering to country-specific disposal standards as they relate to packaging to ensure optimum recycling. All packaging materials are environmentally compatible and can be recycled.
Used appliances
Used appliances contain materials that should be recycled.
The assemblies are easy to separate and the types of plastic used are identified. This allows the various assemblies to be appropriately sorted for recycling or disposal.
Maintenance
- Let the DHW cylinder cool down sufficiently prior to any maintenance work.
- Carry out cleaning and maintenance procedures in the specified intervals.
- Remedy all faults immediately.
- Only use genuine spare parts.
Maintenance intervals
Service the appliance in accordance with throughput, operating temperature and water hardness ( Table 8).
The use of chlorinated DHW or a water softener unit reduce the service intervals.
| Water hardness in °dH | 3 – 8.4 | 8.5 – 14 | > 14 |
| Calcium carbonate concentration in mol/ m³ | 0.6 – 1.5 | 1.6 – 2.5 | > 2.5 |
| Temperatures | Months | ||
| At a standard throughput (< cylinder content/24 h) | |||
| < 60 °C | 24 | 21 | 15 |
| 60 – 70 °C | 21 | 18 | 12 |
| > 70 °C | 15 | 12 | 6 |
| At a higher throughput (> cylinder content/24 h) | |||
| < 60 °C | 21 | 18 | 12 |
| 60 – 70 °C | 18 | 15 | 9 |
| > 70 °C | 12 | 9 | 6 |
Table 8 Service intervals in months
You can check the local water quality with your water supply utility. Depending on the composition of the water, it can make sense to deviate from the reference values listed.
Maintenance work
Checking the safety valve
- Check the safety valve annually.
Descaling/cleaning the DHW cylinder
In order to improve the cleaning effect, heat up the indirect coils prior to cleaning them with a water jet. The thermal shock effect separates deposits (e.g. lime scale build-up) more readily.
- Disconnect the DHW cylinder on the DHW side from the pipework.
- Close the shut-off valves and isolate the immersion heater from the power supply (if installed) ( Fig. 15,
- Drain the DHW cylinder (Fig. 16,
- Check the DHW cylinder interior for contamination (lime scale deposits, sediment).
- In the case of soft water:
Check the cylinder interior regularly and clean out any sediment deposits. - In the case of hard water or severe contamination:
Regularly descale the DHW cylinder in line with the actual amount of limescale using chemical cleaning methods (e.g. with a suitable descaling agent based on citric acid). - Clean out the DHW cylinder interior with a water jet
( Fig. 20,
- Remove the residues with a wet & dry vacuum cleaner with plastic suction hose.
- Close the inspection aperture with a new gasket
( Fig. 21,








Ensure that the sensor area has contact with the sensor well surface area over its full length.
























