
TG 30 – 200 N
TG 30-200 N Electric Hot Water Tank
Dear buyer, we thank you for purchase of our product.
PRIOR TO INSTALLATION AND FIRST USE OF THE ELECTRIC WATER HEATER, PLEASE CAREFULLY READ THESE INSTRUCTIONS.
THIS APPLIANCE IS NOT INTENDED FOR USE BY PERSONS (INCLUDING CHILDREN) WITH REDUCED PHYSICAL, SENSORY OR MENTAL CAPABILITIES, OR LACK OF EXPERIENCE AND KNOWLEDGE UNLESS THEY HAVE BEEN GIVEN SUPERVISION OR INSTRUCTION CONCERNING THE USE OF THE APPLIANCE BY A PERSON RESPONSIBLE FOR THEIR SAFETY.
CHILDREN SHOULD BE SUPERVISED TO ENSURE THAT THEY DO NOT PLAY WITH THE APPLIANCE.
This water heater has been manufactured in compliance with the relevant standards and tested by the relevant authorities as indicated by the Safety Certifi cate and the Electromagnetic Compatibility Certificate. The technical characteristics of the product are listed on the label affixed between the inlet and outlet pipes. The installation must be carried out by qualifi ed staff. All repairs and maintenance work within the water heater, e.g. lime removal or inspection/replacement of the protective anticorrosion anode, must be carried out by the authorized maintenance service provider.
BUILDING-IN
The water heater shall be built-in as close as possible to the outlets. When installing the water heater in a room with a bathtub or shower, take into account the requirements defi ned in IEC Standard 60364-7-701 (VDE 0100, Part 701). It has to be fitted to the wall using appropriate rag bolts with a minimum diameter of 8 mm. The wall with feeble charging ability must be on the spot where the water heater shall be hanged suitably reinforced. The water heater may be fixed upon the wall only vertically. We recommend the distance between the water heater and the ceiling is large enough to allow simple replacement of the MG anode (see dimension G in the Installation Drawing), in order to avoid unnecessary dismounting of the heater during the servicing intervention.
TECHNICAL PROPERTIES OF THE APPLIANCE
| Type | TG 30 N | TG 50 N | TG 80 N | TG 100 N | TG 120 N | TG 150 N | TG 200 N |
| Model | TG 30 N | TG 50 N | TG 80 N | TG 100 N | TG 120 N | TG 150 N | TG 200 N |
| Volume [ I ] | 30 | 50 | 80 | 100 | 120 | 150 | 200 |
| Rated pressure [ MPa] | 0,6 | ||||||
| Weight / Filled with water [ kg ] | 20/50 | I 24/74 | 30/110 | 34/134 | I 38/158 | I 44/194 | 70/270 |
| Anti-corrosion protection of tank | Enameled / Mg Anode | ||||||
| Connected power [ W ] | 2000 | ||||||
| Voltage [ V— ] | 230 | ||||||
| Heating time to 75°C 1) [ h ] | 105 | 155 | 305 | 355 | 435 | 545 | 740 |
| Quantity of mixed water at 40°C [ I] | 50 | 89 | 145 | 200 | 236 | 298 | 399 |
| Energy consumption 2) [kWh/24h ] | 0,90 | 1,32 | 1,85 | 2,20 | 2,60 | 3,20 | 2,80 |
- Time for heating of the whole volume of the heater with an electric immersion heater by entering the temperature of cold water from the water supply at 15°C.
- Energy consumption to maintain a stable temperature of water in the water heater is 65°C at a surrounding temperature of 20°C, measured according to EN 60379.
| A | B | C | D | E | F | G | |
| TG 30 N | 459 | 275 | 173 | – | 454 | 461 | 80 |
| TG 50 N | 561 | 365 | 185 | – | 454 | 461 | 130 |
| TG 80 N | 766 | 565 | 190 | – | 454 | 461 | 180 |
| TG 100 N | 926 | 715 | 200 | – | 454 | 461 | 260 |
| TG 120 N | 1081 | 865 | 205 | – | 454 | 461 | 260 |
| TG 150 N | 1296 | 1065 | 220 | – | 454 | 461 | 260 |
| TG 200 N | 1505 | 1050 | 444 | 800 | 500 | 507 | 260 |

Connection and installation dimensions of the water heater [mm]
CONNECTION TO THE WATER SUPPLY
The water heater connections for the in-fl owing and out-fl owing water are color-coded. The connection for the supply of cold water is colored blue, while the hot water outlet is colored red.
The water heater may be connected to the water supply in two ways. The closed-circuit pressure system enables several points of use, while the open-circuit gravity system enables a single point of use only. The mixer taps must also be purchased in accordance with the selected installation mode.
The open-circuit gravity system requires the installation of a non-return valve in order to prevent the water from draining out of the tank in the event of the water supply running dry or being shut down. This installation mode requires the use of an instantaneous mixer tap. As the heating of water expands its volume, this causes the tap to drip. The dripping cannot be stopped by tightening it further; on the contrary, the tightening can only damage the tap.
The closed-circuit pressure system requires the use of pressure mixer taps. For safety reasons, the supply pipe must be fitted with a return safety valve or alternatively, a valve of the safety class that prevents the pressure in the tank from exceeding the nominal pressure by more than 0.1 MPa. The outlet opening on the relief valve must be equipped with an outlet for atmospheric pressure.
The heating of water in the heater causes the pressure in the tank to increase to the level set by the safety valve. As the water cannot return to the water supply system, this can result in dripping from the outlet of the safety valve. The drip can be piped to the drain by installing a catching unit just below the safety valve. The drain installed below the safety valve outlet must be piped down vertically and located in an environment that is free from the onset of freezing conditions.
In case the existing plumbing does not enable you to pipe the dripping water from the return safety valve into the drain, you can avoid the dripping by installing a 3-liter expansion tank on the inlet water pipe of the boiler.
In order to provide correct operation of the relief valve, periodical inspections of the relief valve must be carried out by the user. To check the valve, you should open the outlet of the return safety valve by turning the handle or unscrewing the nut of the valve (depending on the type of valve). The valve is operating properly if the water comes out of the nozzle when the outlet is open.

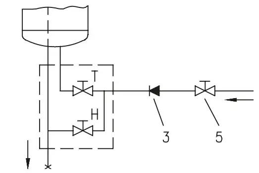
Closed (pressure) system
Legend:
- Safety valve
- Test valve
- Non-return valve
- Pressure reduction valve +
- Closing valve

- Checking fi tting
- Funnel with outlet connection
H – Cold water
T – Hot water
Between the water heater and return safety valve, no closing valve may be built-in because with it the function of the return safety valve would be impeded.
The water heater may be connected to the water network in the house without a reduction valve if the pressure in the network is lower than 0.5 MPa (5 bar). If the pressure exceeds 0.5 MPa (5 bar), a reduction valve must be installed. Prior to the electric connection, the water heater must obligatorily be filled with water. By first fi filling, the tap for the hot water upon the mixing tap must be opened. When the heater is fi filled with water, the water starts to run through the outlet pipe of the mixing tap.
CONNECTION OF THE WATER HEATER TO THE ELECTRIC NETWORK
Before connecting to the power supply network, install a power supply cord in the water heater, with a min. diameter of 1,5 mm2 (H05VV-F 3G 1,5 mm2 ). For it the protection plate must be removed from the water heater.
The connection of the water heater to the electric network must be performed according to standards for electric installation. Install a disconnect switch (separating all poles from the power supply network) between the water heater and the permanent power connection, in compliance with national regulations.

Legend:
- Thermostat and bipolar thermal fuse
- Electric heater
- Connection terminal
- Pilot lamp
L – Live conductor
N – Neutral conductor
– Earthing conductor
CAUTION: Prior to each reach in the inner of the water heater it must absolutely be disconnected from the electric network!
USE AND MAINTENANCE
After the connection to the water and electric network, the water heater is ready for use. The temperature of water in the appliance is automatically controlled by the thermostat which is adjusted by the manufacturer. The adjustment can be modifi ed by turning of the adjustment screw upon the thermostat in the inner of the water heater. The adjustment range reaches between 20°C and 75°C. We do not recommend any change of the manufacturer’s adjustment, thus this ensures the most economical consumption of electric energy and the smallest excretion of limestone.
The operation of the electric immersion heater is shown by the pilot light. On the casing of the water heater, a bimetal thermometer is mounted, pointing clockwise (to the right) whenever there is hot water in the water heater.
When the heater shall not be used for a longer time, it must be disconnected from the electric network. At any risk of freezing of water in the water heater, the water must be emptied from it. Water is discharged from the heater via the inlet pipe. To this purpose, a special fi tting (T-fiting) shall be mounted between the relief valve and the heater inlet pipe, or a discharge tap. The heater can be discharged directly through the relief valve, by rotating the handle or the rotating valve cap to the same position as for checking the operation. Before discharge, make sure the heater is disconnected from the power supply, and open the hot water on the connected mixer tap. After discharging through the inlet pipe, there is still some water left in the water heater. The remaining water will be discharged after removing the heating flange, through the heating flange opening.
The external parts of the water heater may be cleaned with a mild detergent solution. Do not use solvents and abrasives.
Regular preventive maintenance inspections ensure faultless performance and the long life of your heater. The first of these inspections should be carried out by the authorized maintenance service provider about two years from installation in order to inspect the wear of the protective anticorrosion anode and remove the lime coating and sediment as required. The lime coating and sediment on the walls of the tank and on the heating element is a product of the quality, quantity, and temperature of water flowing through the water heater. The maintenance service provider shall also issue a condition report and recommend the approximate date of the next inspection.
Never try to repair any possible faults of the water heater by yourself, but information about it at the nearest authorized service workshop.
Gorenje Tiki, d.o.o.
SI-1521 Ljubljana
Magistrova 1
Slovenija
Telefon: +386 1 500 56 00
Fax: +386 1 500 57 02
http://www.gorenjetiki.si



















