Buderus SM80/5, SM100/5 indirect Fired Water Heater

Safety Considerations and Symbol Descriptions
Explanation of symbols
Warnings
Warnings in this document are identified by a warning triangle printed against a grey background. Keywords at the start of a warning indicate the type and seriousness of the ensuing risk if measures to prevent the risk are not taken.
The following keywords are defined and can be used in this document:
- DANGER indicates a hazardous situation which, if not avoided, will result in death or serious injury.
- WARNING indicates a hazardous situation which, if not avoided, could result in death or serious injury.
- CAUTION indicates a hazardous situation which, if not avoided, could result in minor to moderate injury.
- NOTICE is used to address practices not related to personal injury.
Important Information
This symbol indicates important information where there is no risk to people or property. It is separated by horizontal lines above and below the text.
Additional symbols
| Symbol | Function |
| ▶ | Sequence of steps |
| à | Cross-reference to another part of the document |
| • | Listing/list entry |
| – | Listing/list entry (2nd level) |
Safety instructions
Read all instructions before installing. Perform the steps in the indicated sequence. Have the DHW tank inspected by a trained service technician at least once every year. Failure to comply with these instructions can result in severe, possibly fatal, personal injury as well as damage to property and equipment.
Installation and servicing
- Risk of fire from soldering and brazing!
Take appropriate protective measures when soldering and brazing as the insulation is flammable, for example, cover the insulation. - Ensure that only a licensed contractor installs or services the DHW tank.
- Use installation material with adequate temperature stability.
Forbidden:
Connection of the potentiostat for an impressed current anode to the magnesium anode installed in a storage tank is absolutely forbidden! This would destroy the tank! The warranty would be voided.
Installation and commissioning
- The electrical connection must be connected by a electrician. The wiring diagram must be followed.
- Do not install this device in rooms with a high moisture level (e.g. bathrooms, saunas).
Function
- To ensure that the tank functions properly, heed these installation and maintenance instructions.
- Never close the blow-off line of the T&P safety valve. For safety reasons, water may escape during heating.
Danger from electric shock
- Make sure that only certified electricians perform the electrical work.
- Before performing electrical work, disconnect the power and secure the unit against unintentional reconnection.
- Ensure the system has been disconnected from the power supply.
Risk of scalding at the hot water draw-off point
- When the DHW tank is in operation, temperatures in excess of 122 °F (50 °C) can occur. To limit the temperature at the tap, install a thermostatic DHW mixing valve.
- Water heated for washing the laundry, dishes and for other cleaning purposes can cause scalding and permanent injuries.
Children, elderly, and handicapped persons are more likely to be permanently injured by hot water. Never leave such individuals in the tub or shower unattended under any circumstances. Children must not be allowed to operate hot water faucets themselves or to fill a bathtub. - If the building has occupants in the above groups who operate hot water faucets, or state laws / local ordinances stipulate specific water temperatures, take the following precautions:
- Use the lowest possible temperature setting.
- To prevent scalding, install a tempering device, such as an automatic mixing valve, at hot water tap or water heater. Select and install the automatic mixing valve in accordance with the valve manufacturer’s recommendations and instructions.
- Water exiting from drain valves can be extremely hot. To avoid injuries:
- Check that all connections are tight.
- Direct exiting water away from people.
- Measures must be taken to protect against excessive temperature and pressure! Installation of a T&P safety valve is required.
The chart below shows the relationship between water temperature and time until there is a risk of scalding. It can be used as the basis for determining the safest water temperature for your application.
Product Information
| Temperature | Time to severe scalding |
| 120 °F (48 °C) | longer than 5 minutes |
| 125 °F (51 °C) | 1.5 to 2 minutes |
| 130 °F (54 °C) | approx. 30 seconds |
| 135 °F (57 °C) | approx. 10 seconds |
| 140 °F (60 °C) | less than 5 seconds |
| 145 °F (62 °C) | less than 3 seconds |
| 150 °F (65 °C) | approx. 1.5 seconds |
| 155 °F (68 °C) | approx. 1 second |
Table 2 Approximate time-temperature relationship until there is a risk of scalding 1
- Source: Moritz, A.R. and Henriques, F.C., Jr. (1947). Studies of thermal injury.
II. The relative importance of time and surface temperature in the causation of cutaneous burns, Am J of Pathol, 23, 695-720.
To protect against corrosion and ensure compliance with the rules for electrical safety, observe the following points:
- Use metal fittings for drinking water heating systems with plastic piping.
- Use only original accessories from the manufacturer.
- When installation of the tank is complete, inspect the ground conductor (including metal fittings).
Maintenance
Customers are advised to:
- Sign a maintenance and inspection contract with an authorized contractor. Inspect and maintain the DHW tank as necessary on a yearly basis. Service as needed.
- Use only original spare parts.
Flooding
- After a flood, do not use the appliance if any part has been submerged. Damage to appliances that have been submerged can be quite severe and pose numerous safety risks.
- An appliance that was subject to flooding must be replaced.
Instructions for the owner and operator
- Highlight the following for the user:
- Water may be discharged from the T&P safety valve during heat-up.
- The blow-off line on the T&P safety valve must always be kept open.
- Check that the T&P safety valve operates properly at least once yearly.
- The tank must be inspected annually and maintained as required.
Product Information
Scope of delivery
- DHW tanks
- Tank components
- Installation and Maintenance Instructions

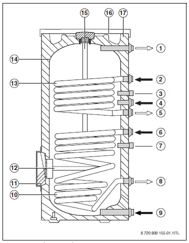
Fig. 1 Tank components
- Tee 1″ x 1″ x 3/4″ (2x)
- Temperature and pressure relief valve
- Recirculation connection cap 3/4″
- Drain valve
- Bracket for aquastat, screws for aquastat bracket (4x)
- Compensating spring for aquastat or cylinder temperature sensor
- Quarter-circle spacers for aquastat or tank temperature sensor (2x)
Designated use
The DHW tank can be operated in a solar thermal system with a boiler as a back-up, or for high output only with a boiler. (Operation of the two heat exchangers in series or parallel.) The tank is designed for heating and storing drinking water. Please observe national, regional, and local codes, regulations, guidelines and standards for drinking water. When operated as part of a solar system, the solar thermal system must be filled with solar antifreeze to prevent frost damage.
The tank can be used only in closed loop systems and is not suitable for drain-back solar thermal systems. Any other purpose is considered improper use. Any resulting damage is excluded from the manufacturer’s warranty.
Product Information
| Temperature | Time to severe scalding |
| 120 °F (48 °C) | longer than 5 minutes |
| 125 °F (51 °C) | 1.5 to 2 minutes |
| 130 °F (54 °C) | approx. 30 seconds |
| 135 °F (57 °C) | approx. 10 seconds |
| 140 °F (60 °C) | less than 5 seconds |
| 145 °F (62 °C) | less than 3 seconds |
| 150 °F (65 °C) | approx. 1.5 seconds |
| 155 °F (68 °C) | approx. 1 second |
Fig. 2 SM80/5, SM100/5
Data plate
The data plate is located at the top rear of the DHW tank.
Pressure drop curve of heating coil
Pressure drop curve of bottom heat exchanger

Fig. 3 Pressure drop curve of bottom heat exchanger
- SM80/5
- SM100/5
Example: - \8 gpm, 2.2feed of head
Pressure drop curve of top heat exchanger

- SM80/5
- SM100/5
Example: - 8 gpm, 1.4 feed of head
If the two heat exchangers are piped in series, the pressure drops are cumulative.
If they are operated in parallel, a separate pump is recommended for each heat exchanger. Otherwise, flow setters are needed to regulate the flow through the two heat exchangers.
Ensure that in any case the pumps meet the load.
Technical Data
| SM80/5 | SM100/5 | ||||||
| Lower heat exchanger connected to boiler | Upper heat exchanger connected to boiler | Both heat exchangers in series with the boiler | Lower heat exchanger connected to boiler | Upper heat exchanger connected to boiler | Both heat exchangers in series with the boiler | ||
| Tank capacity | |||||||
| Available capacity (total) | gal | 75.4 | 96.9 | ||||
| (l) | (285) | (366) | |||||
| Maximum flow rate | gpm | 7.5 | 9.7 | ||||
| (l/min) | (28) | (37) | |||||
| Maximum permissible DHW temperature | °F | 203 | 203 | ||||
| (°C) | (95) | (95) | |||||
| Maximum permissible DHW operating pressure | psi | 150 | 150 | ||||
| (bar) | (10.3) | (10.3) | |||||
| Stand-by heat loss (at 149 °F (65 °C) DHW | °F/h | 0.7 | 0.6 | ||||
| temperature, 68 °F (20 °C) room temperature) | (K/h) | (0.39) | (0.33) | ||||
| Storage tank performance | |||||||
| Cold water inlet temperature | °F | 50 | 50 | ||||
| (°C) | (10) | (10) | |||||
| Domestic hot water outlet temperature | °F | 140 | 140 | ||||
| (°C) | (60) | (60) | |||||
| DHW temperature rise | °F | 90 | 90 | ||||
| (°C) | (50) | (50) | |||||
| Heat exchanger flow temperature | °F | 176 | 176 | ||||
| (°C) | (80) | (80) | |||||
| Heat exchanger flow rate | gpm | 11.4 | 11.4 | 11.4 | 14 | 14 | 14 |
| (l/h) | (2600) | (2600) | (2600) | (3180) | (3180) | (3180) | |
| Heat exchanger pressure drop | f o h | 2.5 | 1.8 | 3.2 | 5.8 | 3.5 | 10.2 |
| (mbar) | (74) | (53) | (95) | (175) | (106) | (305) | |
| Continuous rating | gph | 185 | 135 | 298 | 265 | 153 | 376 |
| (l/h) | (700) | (510) | (1128) | (1005) | (578) | (1422) | |
| gpm | 3.1 | 2.2 | 5.0 | 4.4 | 2.5 | 6.3 | |
| (l/min) | (12) | (9) | (19) | (17) | (10) | (24) | |
| Amount that can be drawn off in the first hour | gph | 257 | 135 | 362 | 356 | 153 | 462 |
| (l/h) | (973) | (510) | (1370) | (1348) | (578) | (1750) | |
| Maximum heat input | btu/hr | 112 398 | 78 187 | 178 797 | 169 083 | 87 856 | 235 434 |
| (kW) | (33) | (22.9) | (52.4) | (49.5) | (25.7) | (69) | |
| Heat exchanger | |||||||
| Content | gal | 2.3 | 1.6 | 3.8 | 3.1 | 1.9 | 4.9 |
| (liter) | (8.7) | (6.1) | (14.4) | (11.7) | (7.2) | (18.5) | |
| Surface area | ft2 | 13.99 | 9.69 | 23.68 | 19.38 | 10.76 | 30.14 |
| (m2) | (1.3) | (0.9) | (2.2) | (1.8) | (1) | (2.8) | |
| Maximum heating water temperature | °F | 230 | 230 | ||||
| (°C) | (110) | (110) | |||||
| Max. operating pressure, heat exchanger | psi | 232 | 232 | ||||
| (bar) | (16) | (16) | |||||
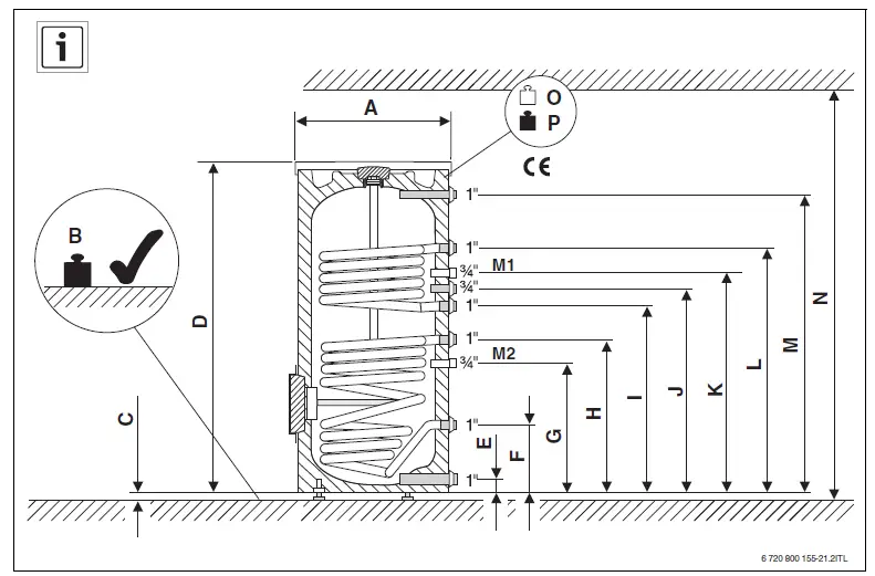
Physical and connection dimensions

Fig. 5 Physical and connection dimensions
| SM80/5 | SM100/5 | |||
| A | Diameter | inch (mm) | 26-3/8 (670) | 26-3/8 (670) |
| B | Minimum floor weight carrying capacity | lb (kg) | 899 (408) | 1135 (515) |
| C | Clearance off floor | inch (mm) | 3/8 – 3/4 (10 – 20) | 3/8 – 3/4 (10 – 20) |
| D | Overall height | inch (mm) | 58-7/8 (1495) | 72-1/4 (1835) |
| E | Height, cold water inlet | inch (mm) | 3-1/8 (80) | 3-1/8 (80) |
| F | Height, solar return | inch (mm) | 12-1/2 (318) | 12-1/2 (318) |
| G | Height, sensor well for temperature sensor (solar) | inch (mm) | 24-21/64 (618) | 31-7/32 (793) |
| H | Height, solar supply | inch (mm) | 28-1/2 (722) | 35-3/8 (898) |
| i | Height, tank return | inch (mm) | 32 (813) | 40-5/8 (1033) |
| J | Height, recirculation connection | inch (mm) | 35-1/2 (903) | 45 (1143) |
| K | Height, sensor well for temperature sensor (heat source or aquastat) | inch (mm) | 39-7/8 (1013) | 50-5/16 (1278) |
| V | Boiler flow connection height | inch (mm) | 44 (1118) | 54-1/2 (1383) |
| M | Height, hot water outlet | inch (mm) | 53-3/8 (1355) | 66-3/4 (1695) |
| N | Minimum room height for anode replacement | inch (mm) | 72-7/8 (1850) | 82-3/4 (2100) |
| O | Empty weight | lb (kg) | 260 (118) | 298 (135) |
| P | Total weight when filled | lb (kg) | 899 (408) | 1135 (515) |
Standards, regulations and directives
Observe all local regulations and standards applicable to installation and operation of the system in your country!
All electrical components must be approved for the USA and Canada.
Moving the tank
WARNING: Risk of injury from carrying heavy loads and inadequately securing loads for transport.
- Use suitable means of transportation, e.g. a dolly with strap.
- Secure the load against falling.
Where possible, do not remove the DHW tank from its packaging until it has reached the installation location. This ensures protection during handling.
- Position the dolly at the back of the packed DHW tank.
- Secure the DHW tank to the means of transportation with a strap.
- Transport the DHW tank to the installation location.
- Only remove the DHW tank from the packaging at the installation location.

Installation
The DHW tank is delivered fully assembled.
- Check DHW tank for completeness and damage.
Tank installation
Requirements for installation location
NOTICE: Risk of damage from inadequate load-bearing capacity of the supporting substructure or unsuitable floor surface!
- Ensure that the installation area is level and offers sufficient load-bearing capacity.
- NOTICE: If leaks can result in property damage or a drain pan is required by law:
- Install an adequate drain pan.
- Follow the installation instructions of the drain pan manufacturer.
Follow drain pan manufacturer’s instructions.
- Place the DHW tank on a plinth if there is a risk that water may collect at the installation site.
- The installation site must be a dry and frost-free room.
- Observe minimum room height ( Tab. 6, page 8) and minimum wall clearance in installation room (Fig. 7, page 10).
- Maintain a distance of 2″ (51 mm) from heated pipes and combustible surfaces.

Fig. 7 Recommended minimum wall clearances
Positioning the tank
- Unpack the tank by removing the wrap, wooden boards and foam pad on the top.
- Lay the foam pad on the floor to serve as a mat.

Fig. 8 Unpacking the DHW tank
- Carefully lay the tank on the foam pad [1].
- Cut out the protections in the foam bottom [2].

Fig. 9 Lay the DHW cylinder on its side and expose the adjustable foot - Unscrewing the adjustable foot[3].
- Position the DHW tank on a level floor with adequate load-bearing capacity.

Fig. 10 Positioning the tank - Maintain minimum wall clearances.
- Using the adjustable foot, align the DHW cylinder vertically.
- Remove the caps from the connections.

Fig. 11 Remove caps - Use Teflon tape or Teflon cord to seal the connections. Do not use hemp to seal the connections.
Water connections
WARNING: Risk of fire from soldering and brazing!
- Take appropriate protective measures when soldering and welding as the insulation is flammable, for example, cover the insulation.
- Check tank jacket for damage after completing work.
DANGER: Risk of injury from contaminated water!Work carried out without due care for cleanliness contaminates the drinking water.
- Install in accordance with national standards and guidelines.
NOTICE: Water damage
- Connect the drain to the bottom tank connection prior to filling the tank.
- Seal off all unused tank connections.
NOTICE: Risk of corrosion from damage to the enamel coating!
- Attach connections to the DHW tank only “hand-tight”.
Connecting the tank on the water side
Example of system with all recommended valves (Fig. 12, page 12).
- When selecting the expansion vessel for the hot water side, take the content of the heat exchanger and DHW tank into consideration.
- Route the connection cables for the tank temperature sensors at the back of the tank through the insulation to the heating appliance or controller.
- Install piping runs so that natural circulation is prevented. If necessary, install check valves.
- Install connection cables free of stress.
- Attach piping to the tank connections on-site.
- Check all connections for leaks.

Fig. 12 Installation (illustrative)
- Storage tank
- Shutoff valve
- P&T safety valve (combined with hot water outlet)
- Check valve
- Tank primary pump
- Recirculation pump (optional)
- Air eliminator (in main supply)
- Drain valve
- Expansion vessel
- Thermostatic DHW mixing valve
- Tank primary pump
- Solar pump station
- [AW] DHW outlet
- [EZ] Recirculation inlet
- [VS1] Tank supply (solar)
- [RS1] Tank return (solar)
- [VS2] Tank supply (boiler)
- [RS2] Tank return (boiler)
- [EK] Cold water inlet
- [EL] Tank drain
Installing a T&P safety valve (on-site)
- Install a listed T&P safety valve that is approved for drinking water ( ¾ “)in the DHW outlet.
- This DHW tank must be installed with a new T&P safety valve.
- The T&P valve must be sized no smaller than the rated tank capacity.
- Observe the safety valve installation instructions.
- T&P discharge pipe:
- The blow-off line must be at least equal to the outlet cross-section of the safety valve.
- Route the blow-off line from the T&P valve directly to an adequate drain (maximum length 6 ft (2 m) with no more than two 90°-elbows).
- The discharge line must terminate at an adequate drain in order to prevent property damage from spillage.
- Check that the T&P safety valve operates properly at least once annually.
- Never plug the blow-off line. During heating, water may be discharged for operational reasons at any time.
Fitting the B-kit

Fig. 13 Connecting the DHW tank components
- Tee 1″ x 1″ x 3/4″ (2x) with T&P safety valve
- 3/4″ cap for recirculation connection
- Bracket with Aquastat
- Tee with fill and drain valve
Installing the DHW water temperature sensor (accessory) or Aquastat (accessory)
DANGER: Risk of fatal injury from electric shock.
- Isolate the system electrically prior to commencing work on the system.
Connect the electrical power and set the temperature on the DHW temperature sensor or the aquastat as shown in the respective aquastat or control manufacturer’s instructions. Install a tank temperature sensor or an aquastat on the DHW tank to measure and monitor the hot water temperature.
Installing the DHW temperature sensor
- Take the tank temperature sensor from the scope of delivery of the control panel (accessories).
- Insert the sensor set until it bottoms out inside the sensor well [5]. This automatically pushes back the plastic spiral [3] that holds the sensor set together.
The compensating spring [4] ensures contact between the sensor well and sensor surfaces, and a reliable temperature reading.
Always ensure that the full length of the sensor surface is in contact with the sensor well.

Fig. 14 Installing the DHW temperature sensor
- Quarter-circle spacer
- Temperature sensor
- Plastic spiral
- Compensating spring
- Sensor Well
- Push sensor retaining clip [1] from the side onto sensor well [2].
- Route the sensor lead to the boiler or control panel and ensure the cable is not strained. This piping must not be in contact with any hot boiler parts.
- In the case a sensor is being used without a compensating spring, the empty space in the sensor well must be filled with a sufficient amount of heat-conducting paste.
Fig. 15 Installing the sensor retainer
- Sensor retainer
- Sensor Well
Installing the aquastat
- Remove cover from the aquastat. To do so, undo the screw on the top.
- If necessary, remove any unnecessary attachments. Attach bracket [3] to aquastat [2] by means of two self-tapping screws [1].
Fig. 16 Screw the bracket onto the aquastat

- Self-tapping screws
- Aquastat
- Holder
- Feed the temperature sensor [4] with the compensating spring [3] into the sensor well [5].
- Attach bracket [6] to DHW cylinder by means of 4 self-tapping sheet metal screws [1].
- Replace the cover of the aquastat [2].
Fig. 17 Installing the aquastat

- Self-tapping screws
- Aquastat
- Compensating spring
- Temperature sensor
- Sensor Well
- Holder
Connecting the KS solar pump station
WARNING: Risk of equipment damage from very high operating temperatures and pressures!
- Use pressure- and temperature-resistant piping materials.
- Do not use any galvanized piping, pipe connections or graphite seals.
- Do not use any plastic piping or connections of any kind.
- When using soldered connections in the entire solar circuit, use high-temperature solder (melting point 455 °F (235 °C)).
To ensure proper operation of the solar thermal system, air must be bled adequately from the entire system. For information on bleeding the solar thermal system, refer to the installation instructions for the KS solar pump station.
- Attach the KS solar pump station [4] to the lower heat exchanger in the DHW tank at the VS1 (solar supply) and RS1 (solar return) connections.
- Attach the reheating device to the upper heat exchanger in the DHW tank at the VS2 (storage tank supply) and RS2 (storage tank return) connections.
- Use piping and pipe connections made of copper, brass and non-galvanized steel for the connection between the KS solar pump station [4] and DHW tank [5].

Fig. 18 Connecting the KS solar pump station (schematic illustration)
- Collector supply connection
- Collector return connection
- Oil-/gas-fired boiler
- olar pump station
- DHW tanks
Grounding the piping




Fig. 15 Installing the sensor retainer

















