NTI S20W Indirect Water Heaters

HAZARD SYMBOLS AND DEFINITIONS
Danger Sign: Indicates a hazardous situation which, if not avoided, will result in serious injury or death.
Warning Sign: Indicates a hazardous situation which, if not avoided, could result in serious injury or death.
Caution Sign plus Safety Alert Symbol: Indicates a hazardous situation which, if not avoided, could result in minor or moderate injury.
Caution Sign without Safety Alert Symbol: Indicates a hazardous situation which, if not avoided, could result in property damage.
Notice Sign: Indicates a hazardous situation which, if not avoided, could result in property damage.
WARNING
This Indirect Water Heater must be installed by a licensed and trained Heating Technician, or the Warranty is Void. Failure to properly
install this unit may result in property damage, serious injury to occupants, or possibly death.
INTRODUCTION
Trin & Stor Specifications
NTI’s Indirect Water Heaters: “S” Series consists of a high-performance stainless-steel tank and heat exchanger coil.
Table 1-1 Indirect Water Heater Specifications

Indirect Water Heater Characteristics

Trin & Stor System Contents

Parts and Service – See Table 1-3 for a list of components included with each tank. For inside sales or technical support, contact NTI by email at [email protected] or call toll free 1-800-688-2575.
Warranty Registration – Trin & Stor tanks have a Limited Lifetime Warranty. A separate Warranty Card is shipped with the tank and packaged with the manual kit. The warranty card explains the coverage options, terms and conditions, actions required to register the warranty, and what to do in the case of a warranty service problem.
I.O.M. Checklists
The various Installation, Operation and Maintenance (IOM) Checklists contained in this manual are meant to be read in conjunction with the details, drawings, and safety information to ensure a complete and proper installation.
Pre-Installation Checklist
Inspection and Preparation
- Remove packaging. Inspect for damage during shipping.
- Verify package contents as per Table 1-3.
- Review system specifications and characteristics.
- Read the Water Chemistry and Warranty requirements.
Locating the Tank
- Solid foundation, dry location, near boiler.
- Leave room to service water heater and controls.
- Sufficient room for boiler piping and servicing boiler.
- Area free of flammable liquids or combustible vapors.
- Install where leaks will not damage property.
- Locate in room where temperature never drops below 50oF (10oC).
Building Interface Requirements
Penetrations through which piping, or wiring is passed shall not:
- Reduce or impair the function or structural integrity of the enclosure.
- Work shall be performed in accordance with applicable standards, ordinances, and local codes.
Water Damage Protection
- If the area around the tank location is susceptible to water damage, install a catch pan c/w drain under the tank.
- Make provisions to protect the surrounding area from water damage should a leak occur from the tank, fitting connections, or relief valve.
General Installation Requirements
Generalized instruction and procedures cannot anticipate all situations. For this reason, only a qualified installer should perform the installation.
Users Responsibility – This manufacturer anticipates the proper installation and care in use of the product. As with any hot water system, there is a risk of property damage and personal injury inherent in the use. NTI cannot supervise the installation and therefore makes it a specific condition for the warranty that the customer will supervise the installation and use of the product to be sure they are performed in accordance with the instructions and I.O.M. Checklists in this manual. It is the User’s responsibility to maintain the appliance by having it inspected on an annual basis, serviced as required, and to use the product for the purpose it was intended.
Installers Responsibility – A qualified installer is a licensed person who has appropriate training and a working knowledge of the applicable codes, regulations, tools, equipment, and methods necessary to install an indirect water heater. The Installer assumes all responsibility for a safe installation and that it meets the requirements of this document, as well as National and local codes.
Consider the following when selecting a location for the Indirect Water Heater: all tanks will eventually leak at some unpredictable time, so take precautions and use a catch pan with a drain beneath the water heater to contain potential leaks or install the tank in a location not susceptible to water damage. Do not install near a wood stove where excessive heat could melt the water heater’s plastic jacket. Boiler supply piping, floor drain locations, relief valve discharge will also need to be considered before selecting a location.
IMPORTANT
Scope of Instruction – This document pertains to the correct installation and operation of the NTI Trin & Stor Indirect Water Heater line. This manual DOES NOT provide installation instructions for heating system boilers; therefore, installers must refer to the boiler manufacturers instructions for boiler installation procedures.
IMPORTANT
Emergency Situation – Should the water heater be subject to flood, fire or other damaging conditions turn the power and water to the heater off. DO NOT place water heater in operation again until it has been thoroughly checked by qualified service personnel.
NOTICE
Raised Tank – Support the entire tank bottom with ¾” plywood (min) if elevating off the floor with blocks.
NOTICE
Code Requirements – The installation of your NTI Trin & Stor Indirect Water Heater must conform to the requirements in this manual, as well as National and local codes.
CAUTION
Safe Location – DO NOT install indirect water heater close to any high temperature appliances or wood stoves as the water heater jacket is combustible. DO NOT install where there is a risk of property damage in the event of an eventual leak at some unpredictable time.
WARNING
Annual Service – Failure to have the Indirect Water Heater properly serviced and inspected on a regular basis by a qualified service technician may result in property damage, serious injury or death.
WARNING
Flammable Vapors – DO NOT install this appliance in any location where gasoline, flammable vapors or air-born contaminants are likely to be present.
WARNING
Warranty Requirements – Improper installation, use, neglect, or abuse of this product may not only jeopardize the safe operation of this appliance but also void the warranty.
DANGER
Read and understand this manual prior to proceeding with the installation of the Trin & Stor Indirect Water Heater and the potential hazards associated with DHW. Failure to follow the instructions outlined in this document will result in property damage, serious injury or death.
Safe Temperatures for Potable Water
Two factors used to determine safe hot water temperatures are Legionella and scalding. Potable water needs to be stored at temperatures hot enough to limit the growth of Legionella yet be cool enough to prevent scalding. Since both hazards present a potential risk to the user, they must be monitored and controlled. Table 1-4 indicates how water temperature affects Legionella bacteria and contributes to scald injury. Use of a thermostatic mixing valve in the indirect water heater plumbing system can help protect against both hazards. By storing potable water at higher temperatures, bacteria growth is controlled, while still providing high temperature water for dishwasher applications and low temperature water for bathing. Before proceeding, read the following carefully and take all necessary precautions to avoid potential illness and/or injury that can result from Legionella or scalding hazards.
WARNING
Legionella Hazard – This bacteria is naturally occurring in surface water and ponds. It can also be found in man-made water systems around the world such as water storage tanks, water distribution systems, fountains, hot tubs, humidification systems, refrigeration systems and grocery produce misters. Health authorities agree that Legionella bacteria most often enter the lungs due to aspiration when contaminated water spray is breathed in as opposed to ingesting drinking water contaminated with the bacteria. Typical illnesses attributed to Legionella include flue like symptoms (Pontiac Fever) and a potentially fatal type of pneumonia (Legionnaires’ disease). Failure to follow instructions may result in illness or death.
Contributing Factors to Legionella – Experts acknowledge that Legionella is an identified risk in most water systems. Although eradicating Legionella is improbable, precautions can be taken to control and monitor conditions that promote bacteria growth. According to the World Health Organization (WHO); American Society of Heating, Refrigeration, and Air-conditioning Engineers (ASHRAE); Canada Safety Council (CSC); and Centers for Disease Control (CDC), contributing factors to the growth of Legionella in potable water systems include:
- Minerals and nutrients present in the source water and systems materials
- Stagnation or low flow characteristic of dead ends in distribution piping systems and storage tanks
- Scale, corrosion, and bio film
- Tepid water in cold water lines
- Water storage temperatures optimal for bacteria growth
- Chlorine concentration
Scald Hazard – Hotter water increases the risk of scald injury. There is a hot water scald potential if the storage tank thermostat is set too high. Before changing the temperature setting on the tank thermostat, refer to the thermostat manufacturers recommended settings. Failure to follow these instructions may result in serious injury or death.

A scald injury can occur when hot steam or liquid makes contact with one or more layers of skin. Scald severity (degree of burn) is directly impacted by exposure time and temperature. Refer to Table 1-4. The following basic precautions are common sense:
- Young children and elderly adults burn more quickly and should use cooler water.
- Never leave a child alone while drawing water in a bathtub.
- Test the water temperature before bathing or showering.
- Turn cold water on first, then add hot water until the temperature is comfortable.
WARNING
Thermostatic Mixing Valve – When the system requires water at temperatures higher than required for other uses, such as high temperature applications typically greater than 46oC (115oF), a means such as a thermostatic mixing valve shall be installed to temper the water for those uses in order to reduce scald hazard potential. Anit-scald devices such as a thermostatic mixing valve allows potable water to be stored at a higher temperature to limit bacteria growth and allows water at the tap to be delivered at a lower temperature to prevent scalds. Failure to follow these instructions may result in serious injury or death.
WARNING
S20W must always be installed with a thermostat mixing valve to protect against scalding, regardless of the temperature setpoint at the boiler. Failure to properly install and set the mixing valve will result in serious injury or death.
IMPORTANT
Legislation and Guidelines – At the time this document was written, standards and guidelines regulating the prevention of Legionella in the United States and Canada were mostly voluntary. The American Society of Heating, Refrigerating and Air-Conditioning Engineers, Inc. (ASHRAE) is currently in the process of converting its guideline entitled “Minimizing the Risk of Legionellosis Associated with Building Water Systems” (ASHRAE Guideline 12-2000) into an official standard. Consult with your local authorities as to recommended guidelines for controlling Legionella in potable water systems.
NOTICE
Storing water at temperatures >140°F with the use of a thermostat mixing valve may not be permitted in some States, so check with the applicable authorities having jurisdiction (AJH). In Canada, recent changes to the National Plumbing Code requires that domestic hot water be stored at or above 140oF and then mixed down to safe temperatures at the tank outlet.
General Guidelines – In the absence of a National standard or local codes, the following are general guidelines for “good practice” on maintaining, monitoring and operating your potable water system:
- Store domestic hot water at temperatures > 61oC (140oF).
- Store and distribute cold water at temperatures below 20oC (68oF).
- System supply for uses other than high temperature applications typically greater than 46oC (115oF) shall be equipped with a thermostatic mixing valve on the hot water outlet to reduce potential scald hazards.
- Clean aerators and nozzles on water fixtures on a regular basis to reduce scale build-up.
- Clean storage tanks and remove sediment. Flush storage tanks and piping systems regularly for 10-30 minutes at high water temperatures (depending on guidelines used) to rid the system of sediment and scale that develops, typically in the bottom of storage tanks where water temperature is coolest; and piping runs where water can stagnate.
- Abandoned water lines should be capped off at the distribution main, not at the most convenient place.
- Avoid dead-ends in piping system. If unavoidable, provide a drainage port in these areas at the lowest point to flush out stagnant water regularly.
- Insulate Domestic Hot Water piping and recirculation lines to R-2.6.
- Insulate the last 5 feet of the cold-water line entering the tank to R-2.6.
- Keep pipe runs as short as possible to avoid unnecessary heat loss.
- Recommend annual water testing of water in your tank and piping system(s) to monitor water conditions.
- Keep a maintenance record of when your indirect water heater and storage tank were cleaned, piping systems flushed and who did the service work.
How Water Temperature relates to Legionella and Scald Hazard

WATER HEATER PIPING
WARNING
Failure to follow the instructions provided in this section will void your NTI warranty and may result in property damage, fire, serious injury or death.
Domestic Side Piping
The various series of NTI Trin & Stor indirect water heaters are dimensioned and connection ports marked in Figures 2-1 and 2-2. Dimensioned drawings are to be read in conjunction with Table 2-3, 2-4 and 2-5 which identify the connection type and port size and illustrates typical domestic water piping for a single indirect water heater. Basic system components are identified in Table 2-2 and their function described in detail below. For multiple Indirects, pipe the tanks in parallel using equal pipe lengths between each tank and a common tee to ensure equalized draw.
Energy Efficiency – Although the NTI Trin & Store Indirect Water Heater is an energy-efficient appliance, insulating long pipe runs can improve the system efficiency by conserving energy and reducing standby losses.
System Preparation – Prior to connecting plumbing to the indirect water heater, flush the entire system to ensure it is free of impurities that may be harmful to the system or indirect water heater. Check the water composition of the domestic water supply prior to filling the tank to ensure the water characteristics are within the range specified in Table 2-1. Water used in the tank must meet the water chemistry limits specified in Table 2-1. Levels outside the limits may corrode the tank and shorten its life resulting in damage to the tank and voiding the warranty. If levels are outside the acceptable limits, consult a qualified water treatment expert about treatment options for domestic water.
NOTICE
Damage to tanks resulting from water chemistry levels outside the ranges specified in Table 2-1 can cause corrosion, shorten the life of the tank, and will void the warranty.
Water Chemistry Requirements

Many solder fluxes can severely corrode stainless steel. Once piping connections are completed, flush the water heater by drawing at least three (3) times the tank’s volume through the water heater prior to heating water in the tank. Failure to flush the tank will void the warranty..
System Components – As a minimum, a properly installed system will include the following major components identified in Table 2-2. It is the responsibility of the installing contractor and system designer to consider all aspects of a proper system design including compliance with local codes, including additional components required for prevention of thermal siphoning (i.e., heat traps), isolation valves, drain and purge valves, etc.
Domestic Side Major Component Checklist

Indirect Water Heater – NTI Trin & Stor Indirect Water Heaters are equipped with a single-walled internal heat exchanger coil. To maintain the efficient and reliable operation of the heat exchanger, and to avoid heat exchanger failure, it is critical to ensure the rules and guidelines in this section are followed.
NOTICE
Locate the water heater in an area where leakage from the tank or plumbing connections will not result in water damage to adjacent areas or lower floors. If such a location is unavoidable, install a suitable catch pan with a drain under the appliance. This manufacturer is not responsible for any water damage that may occur in connection with the indirect tank or any of its components.
Temperature and Pressure Relief Valve – NTI Trin & Stor Indirect Water Heaters come standard with a factory supplied temperature and pressure relief valve sized to ASME specifications and compliant with Standard ANSI Z21.22•CSA 4.4 Relief Valves for Hot Water Supply Systems. The field installed relief valve and discharge piping is to be mounted on the Indirect Water Heater in accordance with Figures 2-3 and 2-4 must be accessible for servicing or replacement. No valve is to be placed between the Relief Valve and the Indirect Water Heater or Relief Valve and discharge pipe. Install discharge piping as shown in Figures 2-3 and 2-4 in accordance with Installation Checklist 2-1.
CAUTION
T&P Normal Operation – The relief valve is not intended for constant duty such as repeated operation due to normal system expansion. If this occurs, correct the situation by installing a properly sized domestic expansion tank as per the expansion tanks manufacturer’s instructions.
WARNING
Location – Do not conceal, plug, or remove the relief valve from its designated point of installation. Failure to comply may result in property damage, personal injury, or death.
Tank Sensor – designed for installation into the Thermal-Well of the Trin & Stor Indirect Water Heater; the Tank Sensor provides a temperature reading of the tank to an NTI boiler, eliminating the need for a separate controller. The Tank Sensor incorporates a UL353 rated thermal cutoff switch designed to open at a temperature of 90ºC (194ºF). Tank Sensor installation instructions are detailed in Section 3.0.
Drain Valve – The Indirect water heater requires a field supplied drain valve to facilitate emptying the tank for inspection and servicing. Refer to Tables 2-4 and 2-5 and Figures 2-3 and 2-4 for drain port size and type.
System Backflow Preventor – Check if a backflow preventor (BFP) is required by local codes. Most plumbing codes require a thermal expansion control device be installed if a backflow preventor, pressure reducing valve or check valve is installed on a domestic supply line. If a backflow prevention device is used, then an expansion tank is mandatory (not optional) and must be installed downstream of any device used to control system thermal expansion. When using multiple indirects, check if a single BFP is required on the domestic supply or if each tank requires its own backflow preventor and respective expansion tank. See Figures 2-3 and 2-4.
DHW (Potable Water) Expansion Tank – This manufacturer recommends installing an expansion tank in the domestic hot water system for the purpose of absorbing the increase in water volume caused by rising water temperature. If required by local codes, the expansion tank must be suitable for use with potable water and be sized in accordance with the water volume of the system and the firing rate of the boiler connected to the indirect water heater. Refer to the expansion tank manufacturer’s literature for proper sizing information.
Isolation Valves – Ensure any valves installed between the expansion tank and indirect tank inlet are left in the OPEN position during normal operation. Failure to follow these instructions may result in discharge of the Relief Valve and result in property damage or personal injury.
Thermostatic (Anti-Scald) Mixing Valve – A mixing valve is recommended (mandatory with S20W) on branches supplying low temperature water to endpoint plumbing fixtures when domestic hot water is stored above 46°C (115°F).
WARNING
Thermostatic (Anti-Scald) Mixing Valve – When the system requires water at temperatures higher than 46°C (115°F), a mixing valve shall be installed to temper the water and reduce the risk of scalding. NOTICE the installation of mixing valve is mandatory with model S20W. Failure to follow these instructions may result in serious injury or death.
Boiler System Piping
The NTI Trin & Stor line of high efficiency Indirect Water Heaters are intended to be heated by an external hot water boiler where hot water supplied from the boiler is connected to ports 4 and 5 on the indirect tank and circulated through an internal heat exchanger coil in the tank. See Figures 2-4 and 2-5. The tanks are specifically designed for low temperature applications [<100oC (210oF)] and are NOT intended to be used as a pool heating system or in conjunction with steam boilers or other high temperature appliances where water temperatures could potentially exceed 100oC (210oF). Refer to the Installation and Operation Manual included with the boiler for detailed instructions on connecting boiler system piping to the indirect water heater.
High Temperature Applications – Trin & Stor Indirect Water Heaters are not to be used for high temperture applications [greater than 100oC (210oF)] or in conjunction with steam producing systems as this will void the warranty. Failure to follow these instructions may damage the tank resulting in property damage, serious injury or death.
Installation Checklist
- Install domestic side pipingas per National and local codes. Refer to Figures 2-3 and 2-4.
- Do not over tighten brass threads on water supply connectinos.
- Do not apply heat to the cold-water inlet on the indirect water heater.
- Mark the water supply for future reference.
- Install a mixing valve on the hot water outlet of the water heater as shown in Figures 2-3 and 2-4.
- Install boiler water connections (if used) as per the boiler manufacture’s instructions.
- Cap (plug) any unused connection ports, such as domestic hot water recirculation.
- Install T&P relief valve on tank in accordance with local codes and Figures 2-1 through 2-4.
- Ensure no valve is installed between the relief valve and indirect water heater or discharge pipe.
- Ensure discharge piping material used is rated to withstand temperatrues up to 250°F (120°C).
- Direct discharge to a safe area (drain) where hot water or steam will not cause damage or injury.
- Terminate discharge pipe 6”-12” above the floor. Do not connect discharge pipe directly to a drain.
- Typical discharge pipe diameter ¾”. Maximum pipe length is 15 feet with 2 or less elbows.
- Cut discharge end of pipe at a 45° angel to reduce the risk of being blocked or capped.
- Install drain valve in the location and orientaion shown in Figures 2-3 and 2-4.
- Verify with local codes if a backflow preventor or thermal expansion control device is required.
- Install a domestic expasion tank downstream of the backflow preventor (control device).
- Install the domestic expasion tank on the cold-water supply of the domestic side piping.
- Flush the tank thoroughly before filling to heat water. Fill heat exchager coild with heating fluid.
- Insulate the last 5 feet of the cold-water line and all domestic hot water piping to R-2.6.
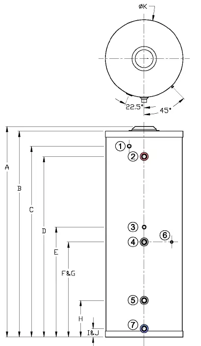
Figure 2-1 Indirect Water Heater Dimensions

“S” SERIES
- RELIEF VALVE CONNECTION
- HOT WATER OUT CONNECTION
- RECIRCULATION CONNECTION (OPTIONAL)
- BOILER WATER IN CONNECTION
- BOILER WATER OUT CONNECTION
- AQUASTAT CONNECTION (LOWER)
- cOLD WATER IN/ DRAIN CONNECTION
Table 2-3 Indirect Water Heater Dimensions

Table 2-4 Indirect Water Heater Connections

Figure 2-2 Indirect Water Heater Dimensions

S20W
- Relief Valve
- DHW Recirc (3/4″ NPT-M)
- To Boiler Return (1″ NPT-M)
- From Boiler Supply (1″ NPT-M)
- Cold Water Inlet/Drain (3/4″ NPT-M)
- Hot Water Outlet (3/4″ NPT-M)
- Tank Sensor Well
Table 2-5 Indirect Water Heater Dimensions

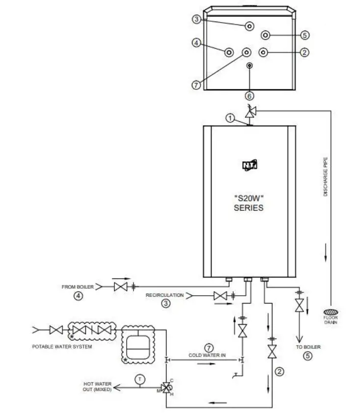
Figure 2-3 IWH Domestic Plumbing Schematic

- RELIEF VALVE CONNECTION
- HOT WATER OUT CONNECTION
- RECIRCULATION CONNECTION (OPTIONAL)
- BOILER WATER IN CONNECTION
- BOILER WATER OUT CONNECTION
- AQUASTAT CoNNECTION (LOWER)
- cOLD WATER IN/DRAIN CcONNECTION


Figure 2-4 IWH Domestic Plumbing Schematic

s20W
- Relief Valve
- Hot Water Outlet (3/4″ NPT-M)
- DHW Recirc. (3/4″ NPT-M)
- From Boiler Supply (1″ NPT-M)
- To Boiler Return (1″ NPT-M)
- Tank Sensor Well
- Cold Water Inlet/Drain (3/4″ NPT-M)

Figure 2-5 Wall Mounting Procedure for S20W
Mounting to a Concrete Wall

- Position the upper wall mounting bracket (NTI P/N 86938) on the concrete wall. Ensure the bracket is level. Then use the bracket as a template to mark four (4) drilling holes on the wall – two (2) on each side of the bracket (shown below).
- Drill and plug the wall. Then secure the upper mounting bracket using the provided Fischer S 10x50screws. Ensure the bracket is level.
- Install the lower mounting brackets (NTI P/N 86162) on the S20W. Then hang the S20W on the upper mounting bracket. Ensure the S20W is level. Then use the lower bracket to mark the lower bracket drilling holes.
- Drill and plug the wall and secure the lower mounting bracket using field provided screws. Then adjust the lower mounting brackets on the S20W. Ensure the S20W is installed plumb. Tighten the brackets to the S20W.

Mounting to a Wood Studded Wall

- Position the upper wall mounting bracket (NTI P/N 86938) on the wall. Ensure the bracket is level and the drilling holes are on stud. Then use the bracket as a template to mark four (4) drilling holes on the wall – two (2) on each side of the bracket (shown below).
- Then secure the upper mounting bracket using the provided (Fischer S 10×50) screws and field provided washers for wood mounting.
- Install the lower mounting bracket (NTI P/N 86162) on the S20W. Then hang the S20W on the upper mounting bracket. Ensure the S20W is level. Then use the lower bracket to mark the lower bracket drilling holes.
- Secure the lower mounting bracket using field provided screws. Then adjust the lower mounting brackets on the boiler. Ensure the S20W is installed plumb. Tighten the brackets to the S20W.

TANK SENSOR
The follow instructions below show how to install the tank sensor. Refer to boiler IOM for wire connections.
NOTICE
The Tank Sensor is NOT compatible with NTI-Trinity Ti and Ts series boilers; when using a Trin & Stor Indirect Water Heater with one of these boilers, the TPI Control Thermostat, or other thermostat or aquastat must be used. TPI Control Thermostat instructions are included with the TPI.
Installation Instructions “S” Series
- LOCATE THERMAL WELL
- INSERT TANK SENSOR (NTI P/N 84632)
- SECURE TANK SENSOR Hook wire retainer to the back of the Thermal-Well rib; pull to ensure it will not fall-out.
- WIRE TANK SENSOR TO BOILER AND ADJUST BOILER CONTROL SETTINGS – REFER TO BOILER IOM

Installation Instructions S20W
- LOCATE THERMAL WELL

- INSERT TANK SENSOR (NTI P/N 87313)
- SECURE TANK SENSOR Hook wire retainer (NTI P/N 87312) to the back of the Thermal-Well rib; pull to ensure it will not fall-out.
- WIRE TANK SENSOR TO BOILER AND ADJUST BOILER CONTROL SETTINGS – REFER TO BOILER IOM

START UP AND CHECK OUT
Filling the Water Heater
- Thoroughly flush the water heater so that three (3) times the tank’s volume has been drawn through it.
- Verify water connections completed.
- Close drain valve. Open highest hot water faucet.
- Open cold water inlet valve and fill system.
- Fill until a steady stream of water flows from the faucet.
- Close the hot water faucet.
- Ensure the boiler and domestic piping is free of leaks before proceeding to operational checklist.
Operational Checklist
- Ensure all electrical connections are made correctly and no high voltage wires are exposed.
- Verify the Tank Sensor is properly installed and is providing an accurate reading on the boiler display. In lieu of the Tank Sensor ensure the Thermostat is correctly signaling the boiler to operate.
- Verify the boiler control is set to deliver the desired DHW temperature.
- Ensure the tank is filled with water.
- Ensure that the tank’s heat exchanger coil(s) are filled with water or heat transfer fluid.
- Ensure piping system is free of leaks and that air has been purged from system.
- Initiate a call for domestic hot water by opening hot water taps on domestic water fixtures.
- Verify that the boiler starts when there is a demand for hot water and shuts down when the demand is satisfied.
- Verify proper circulator operation and boiler flow rate during a hot water demand. Allow all heating zones to operate long enough to purge any remaining air from the system.
- Check for proper operation of relief valve by opening it manually.
- If T&P relief valve functions continuously during normal thermal expansion, the expansion tank may need to be upsized.
ANNUAL MAINTENANCE AND INSPECTION
Inspection Checklist
Perform a visual inspection of all valves, drains, and system piping for signs of leaks.
Maintenance Checklist
- Verify maximum water temperature at hot water fixtures to verify mixing valve temperature settings.
- Manually operate T&P relief valve by moving lever to open position until hot water is released and allow it to snap close. If closed relief valve continues to leak, close cold-water inlet, drain tank, and replace relief valve.
- If T&P relief valve functions continuously during normal thermal expansion, the expansion tank may need to be upsized.
- Ensure that boiler system is maintained in accordance with their installation manuals.
- Check function of field-installed controls, thermostats, and circulators.
- Check tank PH and chloride levels to determine if water chemistry is within the specified range.
- Any additional procedures required by local codes.
Draining the Water Heater
- Disconnect the power supply to the heat source.
- Close the cold-water supply shut off valve.
- Allow appliance to cool before servicing to avoid burns.
- Open the drain valve and divert water in tank to alternate storage location or floor drain.
- Open highest hot water faucet to allow air to enter the system.
PARTS LIST
Indirect Water Heater

Trin & Stor parts available at any stocking wholesaler. Installers needing technical assistance can contact NTI directly at 1-800-688-2575.
NTI Boilers Inc. 30 Stonegate Dr. Saint John, NB E2H 0A4 Canada Technical Assistance: 1-800-688-2575
- Website: www.ntiboilers.com
- Fax: 1-506-432-1135





















