
Models: SIT030 – SIT119
Gallon Residential Indirect
Water Heater
Instruction Manual
SIT030 Squire 113 Gallon Residential Indirect Water Heater
⚠WARNING
This manual must only be used by a qualified heating installer / service technician. Read all instructions before installing. Perform steps in the order given. Failure to comply could result in severe personal injury, death, or substantial property damage.
CAUTION:
The heat transfer medium must be water or other nontoxic fluid having a toxicity rating or class of 1, as listed in Clinical Toxicology of Commercial Products, 5th edition.
The pressure of the heat transfer medium must be limited to a maximum of 30 PSIG by an approved safety or relief valve.

Hazard definitions
The following defined terms are used throughout this manual to bring attention to the presence of hazards of various risk levels or to important information concerning the life of the product.
⚠ DANGER
DANGER indicates an imminently hazardous situation which, if not avoided, will result in death or serious injury.
⚠ WARNING
WARNING indicates a potentially hazardous situation which, if not avoided, could result in death or serious injury.
⚠ CAUTION
CAUTION indicates a potentially hazardous situation which, if not avoided, may result in minor or moderate injury.
CAUTION
CAUTION used without the safety alert symbol indicates a potentially hazardous situation which, if not avoided, may result in property damage.
NOTICE
NOTICE indicates special instructions on installation, operation, or maintenance that are important but not related to personal injury or property damage.
Please read before proceeding
⚠ WARNING Installer – Read all instructions before installing. Perform steps in the order given. Have this indirect water heater serviced/inspected by a qualified service technician, at least annually.
Failure to comply with the above could result in severe personal injury, death or substantial property damage.
NOTICE
When calling or writing about the appliance
– Please have the indirect water heater model and serial number from the indirect water heater rating plate.
Consider piping and installation when determining appliance location.
Any claims for damage or shortage in shipment must be filed immediately against the transportation company by the consignee.
Factory warranty (shipped with appliance) does not apply to appliances improperly installed or improperly operated.
⚠ WARNING If the information in this manual is not followed exactly, a fire or explosion may result causing property damage, personal injury or loss of life.
This appliance MUST NOT be installed in any location where gasoline or flammable vapors are likely to be present.
WHAT TO DO IF YOU SMELL GAS
- Do not try to light any appliance.
- Do not touch any electric switch; do not use any phone in your building.
- Immediately call your gas supplier from a neighbor’s phone. Follow the gas supplier’s instructions.
- If you cannot reach your gas supplier, call the fire department.
- Installation and service must be performed by a qualified installer, service agency, or the gas supplier.
⚠ WARNING Failure to adhere to the guidelines on this page can result in severe personal injury, death, or substantial property damage.
When servicing the indirect water heater –
- To avoid severe burns, allow the appliance to cool before performing maintenance.
Indirect water heater operation –
- Should overheating occur or gas supply fail to shut off, do not turn off or disconnect electrical supply to circulator. Instead, shut off the gas supply at a location external to the appliance.
- Do not use this appliance if any part has been under water. The possible damage to a flooded appliance can be extensive and present numerous safety hazards. Any appliance that has been under water must be replaced.
The following chart details the relationship of water temperature and time with regard to scald injury and may be used as a guide in determining the safest water temperature for your applications.
APPROXIMATE TIME / TEMPERATURE RELATIONSHIPS IN SCALDS
| 120°F | More than 5 minutes |
| 125°F | 1 1/2 to 2 minutes |
| 130°F | About 30 seconds |
| 135°F | About 10 seconds |
| 140°F | Less than 5 seconds |
| 145°F | Less than 3 seconds |
| 150°F | About 1 1/2 seconds |
| 155°F | About 1 second |
Hot Water Can Scald!
- Water heated to temperatures for clothes washing, dish washing, and other sanitizing needs can scald and cause permanent injury.
- Children, elderly, and infirm or physically handicapped persons are more likely to be permanently injured by hot water. Never leave them unattended in a bathtub or shower.
Never allow small children to use a hot water tap or draw their own bath. - If anyone using hot water in the building fits the above description, or if state laws or local codes require certain water temperatures at hot water taps, you must take special precautions:
- Use lowest possible temperature setting.
- Install some type of tempering device, such as an automatic mixing valve, at hot water tap or water heater. Automatic mixing valve must be selected and installed according to valve manufacturer’s recommendations and instructions.
- Water passing out of drain valves may be extremely hot. To avoid injury:
- Make sure all connections are tight.
- Direct water flow away from any person.
Protection Must Be Taken Against Excessive Temperature and Pressure!
–Installation of a Temperature & Pressure (T&P) relief valve is required.
General information
The Lochinvar SIT series indirect water heater (FIG. 1-1) is designed to generate domestic hot water in conjunction with a hot water boiler using forced boiler water circulation. This indirect water heater consists of a 316L Stainless Steel tank in which a smooth 316L stainless steel coil is located (Table 1A). Boiler water is pumped through the coil and heats the water in the tank. This tank is not intended for use in pool heating applications or for heating any fluid other than water. It is also not intended for use in gravity hot water heating systems.
Operating restrictions:
- Maximum domestic hot water temperature is 194°F.
- Maximum boiler water temperature is 210°F.
- Maximum working pressure for the vessel tank is 150 psig.
Table 1A
Component Materials
| Component | Material |
| Tank | 316L Steel Stainless Steel |
| Coil | 316L Stainless Steel |
| Insulation | Polyurethane |
| Jacket | Polypropylene / ABS |
Single-wall heat exchanger
Uniform plumbing code
Single-wall heat exchangers are permitted if they satisfy all of the following requirements –
- The heat transfer medium is potable water or contains only substances which are recognized as safe by the U.S. Food and Drug Administration.
- The pressure of the heat transfer medium is maintained less than the normal minimum operating pressure of the potable water system.
- The equipment is permanently labeled to indicate that only additives recognized as safe by the FDA shall be used in the heat transfer medium.
Other heat exchanger designs may be permitted where approved by the Administrative Authority.
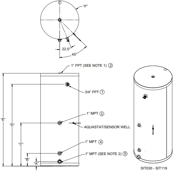
Figure 1-1 Lochinvar SIT Series Indirect Water Heater
| PART NO. | “A” (in.) | “B” (in.) | “C” (in.) | “D” (in.) | “E” (in.) | “F” (in.) | WEIGHT FULL OF WATER (lbs.) |
| SIT30 | 3 1/16 | 8 3/16 | 21 3/4 | 32 1/4 | 39 1/2 | 20 | 393 |
| SIT40 | 3 1/16 | 8 3/16 | 25 1/4 | 48 1/2 | 55 9/16 | 20 | 515 |
| SIT50 | 3 5/8 | 9 1/8 | 24 7/16 | 39 3/4 | 47 1/4 | 24 | 614 |
| SIT65 | 3 5/16 | 9 1/8 | 27 15/16 | 52 1/4 | 59 7/8 | 24 | 820 |
| SIT80 | 3 5/16 | 9 1/8 | 27 15/16 | 61 3/4 | 69 3/8 | 24 | 921 |
| SIT119 | 3 5/16 | 9 3/8 | 31 11/16 | 60 1/4 | 68 3/16 | 28 | 1268 |
NOTES:
- 1-1/2” FPT ON MODELS SIT065 – 119
- 1-1/2” MPT ON MODELS SIT065 – 119
- RELIEF VALVE CONNECTION
- HOT WATER OUTLET
- BOILER WATER IN
- BOILER WATER OUT
- DRAIN/COLD WATER INLET
Pre-installation
- The installation must conform to the instructions in this manual and all applicable local, state, provincial, and national codes, laws, regulations, and ordinances. Installations in Canada must conform to B149.2 Installation Code.
- Be certain the domestic water supply to the tank has physical and chemical characteristics that fall within the limits shown in Table 2A. Where questions exist as to the composition of the water on the job, a qualified water treatment expert should be consulted.
CAUTION Water with characteristics outside the limits shown in Table 2A may severely shorten the life of the tank due to corrosion. Damage to tanks in such cases is not covered under warranty. - Read and understand all installation requirements in this manual.
Table 2A
Water Chemistry Requirements
Water used in the tank must have characteristics falling within the following limits:
| Characteristic | Min. | Max. |
| Ph | 6 | 8.0 |
| Chloride (PPM) | — | 80 |
NOTICE
- Do not use the water heater to directly heat swimming pool or spa water.
- At initial fill and during water heater start-up and testing, check system thoroughly for any leaks. Repair all leaks before proceeding further.
- When water hardness levels are less than 5 gpg or 85.5 mg/l, the following is recommended:
a. Flush and clean existing water heating system prior to installation.
b. Inspect and, if necessary, replace the anodes in any existing tanks.
c. Install a Y-strainer on the inlet of each water heater as detailed in diagram.
d. Limit the run time of the hot water recirculation loop.
e. Filter the hot water recirculation loop to a level of 10 microns.
CAUTION: Check recirculation pump size to verify it is sized for filter addition and upsize if necessary. - When water softener is required, a Template Assisted Crystallization system is recommended.
Locating the tank
- Choose a location for your water heater centralized to the piping system. You must also locate the SIT water heater where it will not be exposed to freezing temperatures.
Additionally, you will need to place the water heater so that the controls, drain, and inlet/outlets are easily accessible.
This appliance must not be installed outdoors, as it is certified as an indoor appliance, and must also be kept vertical on a level surface. - Keep distance between boiler and water heater to a minimum to:
a. reduce piping heat loss
b. provide minimal friction loss - Figure 1-1 on page 4 shows the weights of all the tanks filled with water. Make sure that the location chosen for the tank is capable of supporting it.
CAUTION
This appliance must be placed where leakage from the relief valve, leakage from the related piping, or leakage from the tank or connections, will not result in damage to the surrounding areas, or to the lower floors of the building. A water heater should always be located in an area with a floor drain or installed in a drain pan suitable for water heaters. Lochinvar shall not be held liable for any such water damage. - The tank may be located some distance from the boiler provided the pump is designed to provide the flow called for in Table 3B – Pressure Drop Values, through the coil. Also, the further the tank is from the boiler, the longer the response of the boiler will be to a call from the tank zone. Insulate piping between the boiler and the tank.
⚠ WARNING Failure to properly support the tank could result in property damage or personal injury.
Recommended clearances
The installation location must provide adequate clearances for servicing and proper operation of the water heater. A 12 inch vertical clearance is recommended from the top of the water heater. A zero clearance is allowed for the sides of the water heater. However, boiler and servicing clearances must be figured when locating the water heater.
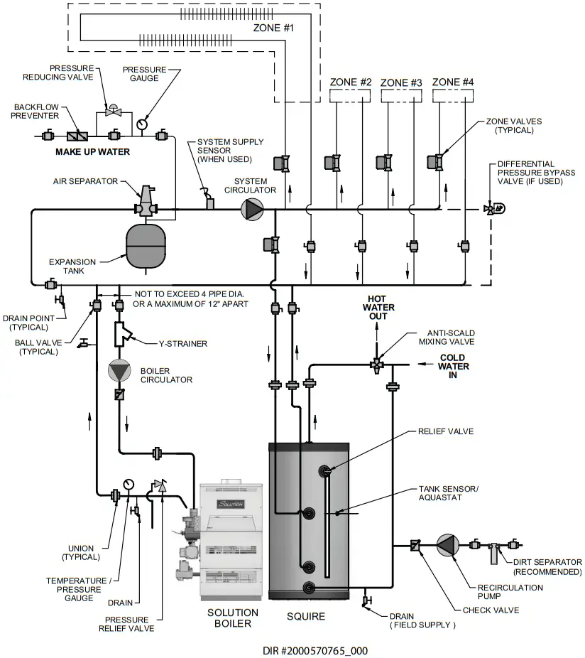
Boiler side piping
Figures 3-1 thru 3-4 show typical boiler side piping for several common situations. Regardless of which system is used it is imperative that the flow rates called for in Table 3B are developed through the coil. This requires properly sized piping and a properly sized pump.
The system shown in FIG’s 3-1 thru 3-4 are described below:
Zone with circulator to Aquastat
This system is like the circulator zone system on a straight heat job except that one of the zones goes to the tank instead of radiation. As on any circulator zone system check valves should be installed in each zone to prevent unwanted circulation through zones which are not calling for heat. Figure 3-1 on page 7 illustrates typical circulator zone piping.
Zone with valve to Aquastat
As with the circulator zone system, this system is just like a standard heating zone system except that one of the zones is connected to the tank coil as shown in FIG. 3-2. The system circulator must be large enough to move boiler water through the coil regardless of the flow rate required through the heating zones.
DHW prioritization
This piping system is designed to provide direct hot water priority over the other zones in the heating system. When there is a Domestic Hot Water (DHW) call for heat, the Knight control will shut off the boiler circulator and activate the domestic hot water circulator. Once the DHW demand is satisfied, the boiler circulator will be readjusted as demand requires. The circulator must be large enough to move the boiler water through the coils. The recommended piping for a DHW priority system is depicted in FIG. 3-3 on page 9.
Multiple tank connections (boiler side)
Multiple tank installations must be done in the “reverse-return” manner. The reason for this is to create the same pressure drop (and therefore, the same flow) through the coil of each tank. The boiler manifold piping must be sized so that each coil has the flow rate called for in Table 3B.
Because the pressure drop through tank coils varies from size to size, it is hard to predict the flow rate that will be developed through each coil when two tanks of different sizes are placed in the same manifold. For this reason it is best not to mix tanks of different sizes in the same zone if their recovery is critical.
Table 3A
Pressure Drop Chart
Table 3B
Pressure Drop Values
| MODEL | WATER INLET (NPT) | WATER OUTLET (NPT) | COIL CONNECTION (NPT) | COIL LENGTH (FT) | SQ FT SURFACE AREA | PRESSURE DROP (FT/HD) | ||||||
| 5 GPM | 8 GPM | 12 GPM | 16 GPM | 20 GPM | 25 GPM | 30 GPM | ||||||
| SIT030 | 1 | 1 | 1 | 24 | 8.0 | .64 | 1.46 | 2.98 | 4.93 | 7.28 | 10.76 | 14.80 |
| SIT040 | 1 | 1 | 1 | 30.8 | 10.0 | .74 | 1.69 | 3.44 | 5.68 | 8.4 | 12.41 | 17.08 |
| SIT050 | 1 | 1 | 1 | 36.5 | 12.0 | .87 | 1.99 | 4.05 | 6.7 | 9.89 | 14.62 | 20.11 |
| SIT065 | 1.5 | 1.5 | 1 | 41.5 | 13.5 | .94 | 2.14 | 4.35 | 7.2 | 10.64 | 15.72 | 21.63 |
| SIT080 | 1.5 | 1.5 | 1 | 41.5 | 13.5 | .94 | 2.14 | 4.35 | 7.2 | 10.64 | 15.72 | 21.63 |
| SIT119 | 1.5 | 1.5 | 1 | 67.3 | 22.0 | 1.38 | 3.15 | 6.41 | 10.6 | 15.66 | 23.14 | 31.84 |
Figure 3-1 Piping Diagram Zoned with Circulators
NOTICE Please note that these illustrations are meant to show system piping concept only, the installer is responsible for all equipment and detailing required by local codes.
NOTICE Please note that the installer is responsible for ensuring DHW prioritization when piped as a zone.
Figure 3-2 Piping Diagram Zoned with Valves
NOTICE Please note that these illustrations are meant to show system piping concept only, the installer is responsible for all equipment and detailing required by local codes.
NOTICE Please note that the installer is responsible for ensuring DHW prioritization when piped as a zone.
Figure 3-3 Knight Boiler Primary / Secondary Piping
NOTICE Please note that these illustrations are meant to show system piping concept only, the installer is responsible for all equipment and detailing required by local codes.
Figure 3-4 Multiple Tank Connections
NOTICE Please note that these illustrations are meant to show system piping concept only, the installer is responsible for all equipment and detailing required by local codes.
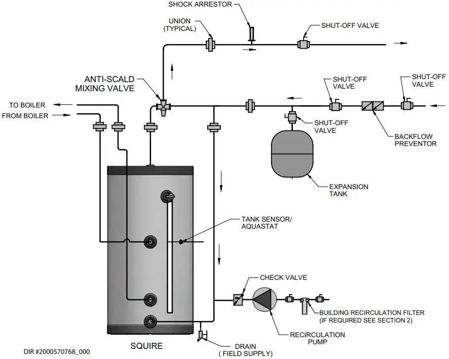
Domestic side (tank) piping
Basic domestic piping
Figure 4-2 on page 14 shows typical domestic water piping for a tank. The function of the components shown are as follows:
a. Shut-off valves (recommended) – Used to isolate the tank for servicing.
b. Backflow Preventer (required by some codes) – Used to prevent water from backing out of the tank and into the main potable water supply in the event that inlet water pressure drops.
c. Expansion Tank (required for thermal expansion) – This expansion tank absorbs the increased volume caused by heating water.
Use an expansion tank designed for use on domestic water systems. Refer to the expansion tank manufacturer’s literature for the proper size expansion tank to use.
NOTICE
If an expansion tank is used, do not put any valves between the expansion tank and tank inlet.
d. Unions (optional) – Used to disconnect the tank in the unlikely event that this is necessary.
e. Drain (required) – Used to drain the tank for inspection or servicing.
Multiple tank domestic water piping
The two pipe reverse return piping uses more pipe than the two pipe direct return piping, but the flow is more balanced and even in the two pipe reverse return piping layout (see FIG. 3-4).
Each tank must have its own T&P valve. It is recommended that each tank be equipped with its own isolation valves, unions, and drains so that one tank may be removed from the system. If local codes require a backflow preventer, check with the appropriate authority to find out whether one backflow preventer may be used for tanks or each tank must be equipped with its own backflow preventer. If each tank must have its own backflow preventer, each tank must also have its own expansion tank. If a common backflow preventer is permitted, an expansion tank must be sized to accommodate the expansion volume of all tanks.
Domestic water piping for distant fixtures
In some cases the furthest fixture may be quite distant from the tank. Such an installation would result in an unacceptable delay before hot water reaches these distant fixtures. Even if all the fixtures are relatively close to the tank, the building owner may want hot water at all fixtures as soon as they are opened.
To prevent delays, return circulation piping with a check valve that allows flow to the inlet of the tank. This should be installed on each branch circuit at the farthest fixture or device, so that hot water is supplied upon demand.
Because hot water is always circulating in the hot water branch, the entire branch should be insulated to prevent excessive heat loss.
Anti-scald valves (mixing valves)
Anti-scald valves used with water heaters are also called tempering valves or mixing valves. An anti-scald valve mixes cold water in with the outgoing hot water to assure that hot water reaching a building fixture is at a temperature low enough to be safe. ASSE1017 and ASSE1070 certified valves are recommended.
Usually, the maximum temperature of the outlet water will stay near the setting of the tank control. In some cases, however, hot water usage patterns can cause the outlet water temperature to rise significantly above the control setting.
The temperature of water going to the fixtures may be more carefully controlled through the use of a thermostatic mixing valve. This device blends a controlled amount of cold water with the hot water leaving the tank so that water at a more constant temperature exits the mixing valve. Anti-scald mixing valve piping is illustrated in FIG.’s 3-1 thru 3-4.
⚠ WARNING
An anti-scald mixing valve does not eliminate the risk of scalding.
- Set the tank thermostat as low as practical.
- Feel water before bathing or showering.
- If anti-scald or anti-chill protection is required, use devices specifically designed for such service. Install these devices in accordance with their manufacturer’s instructions.
Install drain valve
Drain valve and fittings are supplied by others.
Standard Installation
• Install a tee connection at the domestic cold water inlet (FIG. 4-1).
Figure 4-1 Drain Valve Installed
Temperature & pressure (T&P) relief valve
⚠ WARNING
For protection against excessive temperatures and pressure, install temperature and pressure protective equipment required by local codes. This equipment shall not be less than a combination temperature and pressure relief valve certified by a nationally recognized testing laboratory that maintains periodic inspection of production of listed equipment or materials as meeting the requirements for Relief Valves and Automatic Gas Shutoff Devices for Hot Water Supply Systems, ANSI Z21.22 and the Standard CAN1-4.4, Temperature, Pressure, Temperature and Pressure Relief Valves and Vacuum Relief Valves. The combination temperature and pressure relief valve shall be marked with a maximum set pressure not to exceed the maximum working pressure of the water heater. The combination temperature and pressure relief valve shall also have an hourly rated temperature steam BTU discharge capacity not less than shown in Table 4A.
Install the combination temperature and pressure relief valve into the opening provided and marked for this purpose on the water heater.
NOTICE
Verify that the combination temperature and pressure relief valve complies with local codes. If the combination temperature and pressure relief valve does not comply with local codes, replace it with one that does. Follow the installation instructions in this section.
Do not place a valve between the combination T&P relief valve and the tank.
Determine T&P relief valve size by the following specifications, unless they conflict with local codes:
- SIT030/040/050 – 3/4″ NPT with a minimum CSA Rating of 105,000 Btu/hr.
- SIT065/080/119 – 3/4″ NPT with a minimum CSA Rating of 205,000 Btu/hr.
NOTICE
The Lochinvar SIT series water heaters will absorb/store less than 205,000 Btu/hr when domestic water outlet temperature is 210°F and boiler water supply temperature is 240°F. Listed outputs are based on ASME Section VIII Interpretation VIII-1-86-136. Check with local codes for applicability.
Table 4A
Minimum Relief Valve (CSA Rating)
| Model | Btu/hr |
| SIT030 | 105,000 |
| SIT040 | 105,000 |
| SIT050 | 105,000 |
| SIT065 | 205,000 |
| SIT080 | 205,000 |
| SIT119 | 205,000 |
Standard installation
• Install the T&P relief valve in the connection marked “Relief Valve”.
T&P relief valve discharge piping
T&P relief valve discharge piping MUST be:
- made of material serviceable for a temperature of 250°F or greater.
- directed so that hot water flows away from all persons.
- directed to a suitable place for disposal.
- installed so as to allow complete draining of the T&P relief valve and discharge line.
- terminated within 6″ of the floor.
T&P relief valve discharge piping MUST NOT be:
- excessively long. Using more than two (2) elbows or 15 feet of piping can reduce discharge capacity.
- directly connected to a drain. Refer to local codes.
- subject to freezing.
⚠ WARNING Do not install any valve between the T&P relief valve and the tank connection or on the T&P relief valve discharge piping. Improper placement and piping of T&P relief valve can cause severe personal injury, death or substantial property damage.
⚠ CAUTION The T&P relief valve is not intended for constant duty, such as relief of pressure due to repeated normal system expansion. Correct this condition by installing a properly sized expansion tank in a domestic water system. Refer to the expansion tank manufacturer’s installation instructions for proper sizing.
⚠ WARNING
Failure to install and maintain a new, listed 3/4″ X 3/4″ T&P relief valve will release the manufacturer from any claim which might result from excessive temperature and pressures.
Figure 4-2 Recommended Domestic Water Piping
NOTICE
Please note that these illustrations are meant to show system piping concept only, the installer is responsible for all equipment and detailing required by local codes.
Wiring
Indirect water heater sensor setup (Knight boiler)
⚠ CAUTION Label all wires prior to disconnection when servicing controls. Wiring errors can cause improper and dangerous operation.
NOTICE The sensor supplied contains an Auto Reset High Limit (194°F).
Install tank sensor
The tank sensor is a dual sensor which controls the temperature of the tank from the boiler(see FIG. 4-1). The tank sensor has a built-in high temperature limit set at 194°F.
- Install the sensor inside the tank as depicted in FIG. 5-1.
- Connect the wire leads to the DHW Tank Sensor (AUX) connection point on the Knight boiler connection board (see FIG. 5-1).
- The Knight boiler will automatically read the sensor and default the tank temperature setting to 125°F.
- Adjust the tank setpoint program. Reference the Knight Installation and Operation Manual for a detailed explanation of the tank setpoint program.
Connect tank sensor
- Turn OFF the power to the unit. Use wire strippers to strip one inch of insulation from the ends of each wire that will be spliced.
- Splice the two ends of bare wire by twisting them together with a pair of electrical pliers. Turn the pliers three or four times to make a sufficient connection.
- Attach a wire nut at the point where the two wires have been twisted together. Twist the wire nut until it fits snugly, or until it cannot be twisted any more.
- Wrap the wire nut and the two wires with electrical tape to secure the connection. Cover any exposed wiring with electrical tape.
Figure 5-1 Indirect Water Heater Controlled Using Tank Sensor
Indirect water heater controlled using Aquastat and zone circulator / valve
- Install Aquastat to tank. Aquastat control (100208546) can be ordered from your local Lochinvar distributor.
- Connect Aquastat to the zone controller for the Indirect Water Heater Zone.
- Adjust Aquastat to the desired temperature.
Figure 5-2 Wiring for Zone Control
Start-up and check-out
- Make sure the system is free of leaks and that air is purged from the system.
CAUTION Fix any leaks found before proceeding further. Leakage from the boiler piping can result in severe damage to the boiler. - Many soldering fluxes contain Zinc Chloride which can cause severe corrosion damage to stainless steel. After completing all domestic water connections, flush the indirect water heater thoroughly before leaving the installation. This is particularly important if the indirect water heater will be unused for an extended period of time after installation. Flush the indirect water heater by drawing at least three times its volume from the tank.
- Make sure that all electrical connections are made correctly and that no exposed high voltage wiring is present.
- Make sure that each zone valve or circulator operates when, and only when, its thermostat calls for heat. Let each zone operate long enough to purge any remaining air from the system.
- Set the indirect water heater to the desired temperature. Because hot water presents a scald hazard, it is best to set the thermostat at 120°F or lower and raise it only if necessary to provide adequate hot water.
- Re-enable the burner and allow the boiler to operate. Make sure that the boiler shuts down when the indirect water heater is satisfied.
Maintenance
The Lochinvar SIT series indirect water heater is an extremely simple device and as such requires very little maintenance.
There are, however, several items which should be checked out on an annual or as needed basis to ensure a reliable supply of hot water:
- Make sure that the rest of the boiler and domestic water piping is free of leaks.
- If there is an oil lubricated circulator in the system, make sure it is lubricated as called for by the circulator manufacturer.
- Make sure that the boiler is maintained in accordance with the boiler manufacturer’s instructions.
- If a water treatment system is required to keep the water chemistry within the parameters shown in Table 2A (see Section 2 – Pre-Installation), make sure that this system is properly maintained.
Maintenance Schedule
Annual service by a qualified service technician should include the following:
- Any procedure required by local codes.
- Verify system pressure. Air venting procedure may require adding water to bring boiler system up to pressure, typically 12 psig.
- Manually operate T&P relief valve at least once a year. This will release some hot water.
⚠ WARNING Before operating a T&P relief valve, make sure no one is in front of or around the T&P relief valve discharge piping. Hot discharge water can cause severe personal injury or substantial property damage. - Move operating lever to open position for a few seconds and then move it back, allowing it to snap closed. After the T&P relief valve is operated, if it continues to release water, close the cold water inlet to the water heater immediately. Follow the draining instructions, and replace the T&P relief valve. If the T&P relief valve weeps periodically, it may be due to thermal expansion. Do not plug the T&P relief valve or discharge piping.
⚠ DANGER Plugging the T&P relief valve or discharge piping can cause excessive pressure in the water heater, resulting in severe personal injury, death, or substantial property damage.
- Follow instructions on circulator to oil, if required.
- Check mixing valve, valves, pipes, and fittings for leaks.
- Check function of the field-installed controls and valves.
See component manufacturer’s instructions. - Review homeowner’s maintenance responsibilities and their frequencies, including any not listed in the following section.
Homeowner monthly maintenance to include:
- Visually check valves, pipes, and fittings for leaks. Call a qualified service technician to repair leaks.
To Fill the Water Heater
- Close the water heater drain valve by turning the knob clockwise.
- Open the cold water supply shutoff valve.
- Open several hot water faucets to allow air to escape from the system.
- When a steady stream of water flows from the faucets, the water heater is filled. Close the faucets and check for water leaks at the water heater drain valve, combination temperature and pressure relief valve and the hot and cold water connections.
⚠ WARNING Water from opened drain valves, unions and other connections may be extremely hot.
To avoid severe personal injury, death, or substantial property damage:
- Tighten all drain hose connections.
- Direct hot water away from all persons.
To Drain the Water Heater
Should it become necessary to completely drain the water heater, be sure to follow the steps below:
- Disconnect the power supply to the heat source. Consult the plumbing professional or electric company in your area for service.
- Close the cold water supply shutoff valve.
- Open the drain valve on the water heater.
- Open a hot water faucet to allow air to enter the system.
Drain the water heater if it will be shut off and exposed to freezing temperatures. Freezing water will expand and damage the water heater.
- If boiler water contains sufficient antifreeze, then only the domestic water needs to be drained.
- If boiler water does not contain sufficient antifreeze, the boiler water and the domestic water must be drained.
If antifreeze is used in the boiler water, check concentration. Boiler water (including additives) must be practically non-toxic, having a toxicity rating or class of 1, as listed in the “Clinical Toxicology of Commercial Products”. A maximum 50/50 mixture of inhibited propylene glycol is recommended. Follow the antifreeze manufacturer’s instructions.
⚠ WARNING
Do not use automotive, ethylene glycol or petroleum-based antifreeze. Do not use any undiluted antifreeze. This can cause severe personal injury, death, or substantial property damage.
Performance data
Table 8A AHRI Chart
Squire Indirect Water Heater
AHRI Rating
| Indirect Water Heater Model Number | Potable Water Volume Gal. | Heat Source Water Volume Gal. | Standby Heat Loss F/hr | Continuous Draw Rating Gal/hr | First Hour Rating Gal/ hr | Minimum Heat Output Rate from Heat Source Btu/hr | Minimum Heat Source Flow Rate GPM | Tank Heat Source Friction Loss Feet W.C. |
| SIT030 | 27.0 | 1.1 | 1.5 | 156 | 180 | 99,000 | 14.0 | 3.9 |
| SIT040 | 40.0 | 1.6 | 0.9 | 181 | 208 | 115,000 | 14.0 | 4.5 |
| SIT050 | 51.6 | 1.7 | 0.8 | 210 | 255 | 133,000 | 14.0 | 5.3 |
| SIT065 | 67.0 | 1.9 | 0.7 | 263 | 328 | 154,000 | 14.0 | 5.7 |
| SIT080 | 81.5 | 2.1 | 0.6 | 266 | 340 | 160,000 | 14.0 | 5.7 |
| SIT119 | 113.4 | 3.2 | 0.5 | 308 | 418 | 199,999 | 12.1 | 6.5 |
• These ratings were obtained with a heat source output and heat source flow rate as listed in the chart using the parameters of the Domestic Cold Water Inlet at 58°F, Domestic Temperature Rise of 77°F, and a Boiler Temperature Output of 180°F. Other results will be obtained under different conditions.
How to properly Size Your Indirect Water Heater
Use the First Hour Rating (FHR) to properly size your Indirect Water Heater. The First Hour Rating is the amount of hot water in gallons the heater can supply per hour (starting with a tank full of hot water), depending on tank capacity, source of heat, and the size of the burner.
Estimate your peak hour demand as follows:
- Determine what time of day (morning, noon, evening) you use the most hot water in your home. Keep in mind the number of people living in your home.
- Use the worksheet below to estimate your maximum usage of hot water during this one hour of the day — this is your peak hour demand.
Note: The worksheet does not estimate total daily hot water usage.
The worksheet example shows a total peak hour demand of 165 gallons; therefore, this household would need a water heater with a First Hour Rating of no less than 165 gallons.
Fixture Count Guide
To quickly estimate the minimum gallons of hot water required based on a family size number of baths and hot water appliances the First Hour Rating of the Squire must be equal to or exceed the total first hour requirements.
Peak Hour Demand Worksheet
| Description | Fill in the Blank | Example | ||
| 40 Gallons for the first 2 people | Gals. | 40 | Gals. | |
| 10 Gallons for each additional person | Gals. | 20 | Gals. | |
| 20 Gallons for each bath after the first (consecutive bath) | Gals. | 20 | Gals. | |
| 10 Gallons if dishwasher is used | Gals. | 10 | Gals. | |
| 20 Gallons if clothes washer is used | Gals. | 20 | Gals. | |
| TOTAL | Gals. | 110 | Gals. | |
| Heavy Usage Buffer Use if family members take longer than average showers, etc. | x 1.5 | x 1.5 | ||
| First Hour Rating | Gals. | 165 | Gals. | |
Proceed to pages 21 – 23 of this manual to locate your Indirect Water Heater and Boiler in the sizing charts. Using the First Hour Rating calculated in this worksheet, locate your Indirect Water Heater and Boiler along with your First Hour Rating. This will also determine the flow needed between the Indirect Water Heater and Boiler.
Table 8B First Hour Rating – 180°F Boiler Loop Water (Knight Boiler)
Table 8C First Hour Rating – 180°F Boiler Loop Water (Universal Sizing)
Table 8D First Hour Rating 200°F Boiler Loop Water (Knight Boiler)
Table 8E First Hour Rating – 200°F Boiler Loop Water (Universal Sizing)

Revision Notes: Revision A (ECO C05265) initial release.
Revision B (ECO C05399) reflects the addition of the Pressure
Drop Chart and updates made to the Performance Data Charts.
Revision C (ECO C05587) reflects the update of tables 3A and 3B (Pressure Drop charts) on page 6, table 4A on page 13, the update of the “Domestic water piping” paragraph on page 11, and the update of Performance data table 8A on page 19.
Revision D (ECO C05788) reflects new images for section 3 “Boiler
Side Piping” FIG. 3-1 — 3-4, a new image for section 4 “Domestic
Side (Tank) Piping” FIG. 4-2, and the update of the Pressure Drop chart on page 6.
Revision E (ECO C06035) reflects the update of FIG. 1-1 on page 4 to revise listed dimensions.
Revision F (ECO C06300) reflects the update of images and additional CSA cautions on manual cover and “Connect tank sensor” section added to “Wiring” on page 15.
Revision G (ECO C06670) reflects the update of the IBR chart information on page 19.
Revision H (ECO C08396) reflects the addition of the First Hour Ratings of SIT080 at 20GPM for 115°F to Table 8B on page 21.
Revision I (ECO C09691) reflects the update of Table 8A on page 19 to reflect the new AHRI logo and the update of FIG. 3-4 on page 10.
Revision J (ECO C10122) reflects the update of rating information for SIT119 Models within Table 8A on page 19.
Revision K (ECO C10535) reflects the update of SIT080 First Hour
Rating within Table 8A on page 19.
Revision L (ECO #C12382) reflects the addition of the CSA Low Lead Content logo.
Revision M (ECO C12829) reflects the update of coil material information in Table 1A on page 4.
Revision N (ECO C14064) reflects the update of data on pages 4 and 21.
Revision P (Change #500002160 / PCP #3000001833) reflects edits made to FIG 1-1 on page 4 along with edits made to the AHRI Chart (Table 8A) on page 18.
Revision R (PCP# 3000003438 / CN# 500003475) reflects an update to the Temperature & Pressure (T&P) Relief Valve section on page 12 as well as edits made to the data in Table 4A on page 13. SAP numbers have been updated.
Revision T (PCP# 3000005826 / CN# 500006177) reflects changes made to the Performance Data Tables.
Revision U (PCP# 3000030854 / CN# 500020183) reflects the addition of the Notice on page 5 as well as an update to the piping diagrams.
Revision V (PCP #3000052255 / CN #500039114) reflects changes to Table 8A on page 18.
SIT-I-O_MM #100161693_DIR #2000017215_Rev V
07/22 – Printed in U.S.A.
300 Maddox Simpson Parkway
Lebanon, TN 37090
615-889-8900 / Fax: 615-547-1000
www.Lochinvar.com


















