HTP SSC-50 Superstor Contender Indirect Fired Water Heaters

The surfaces of these products contacted by potable (consumable) water contain less than 0.25% lead by weight as required by the Safe Drinking Water Act, Section 1417.
WARNING: This manual must only be used by a qualified installer / service technician. Read all instructions in this manual before installing. Perform steps in the given order. Failure to do so could result in substantial property damage, severe personal injury, or death.
NOTICE: The manufacturer reserves the right to make product changes or updates without notice and will not be held liable for typographical errors in literature.
NOTE TO CONSUMER: PLEASE KEEP ALL INSTRUCTIONS FOR FUTURE REFERENCE.
SPECIAL ATTENTION
The following defined terms are used throughout this manual to bring attention to the presence of hazards of various risk levels or to important product information.
DANGER indicates an imminently hazardous situation which, if not avoided, will result in serious personal injury or death.
WARNING indicates a potentially hazardous situation which, if not avoided, could result in personal injury or death.
CAUTION indicates a potentially hazardous situation which, if not avoided, may result in moderate or minor personal injury.
CAUTION used without the safety alert symbol indicates a potentially hazardous situation which, if not avoided, may result in property damage.
NOTICE is used to address practices not related to personal injury.
Foreword
This manual is intended to be used in conjunction with other literature provided with the SuperStor Contender Indirect Fired Water Heater. This includes all related control information. It is important that this manual, all other documents included in this system, and additional publications be reviewed in their entirety before beginning any work.
Installation should be made in accordance with the regulations of the Authority Having Jurisdiction, local code authorities, and utility companies which pertain to this type of water heating equipment.
Authority Having Jurisdiction (AHJ) – The Authority Having Jurisdiction may be a federal, state, local government, or individual such as a fire chief, fire marshal, chief of a fire prevention bureau, labor department or health department, building official or electrical inspector, or others having statutory authority. In some circumstances, the property owner or his/her agent assumes the role, and at government installations, the commanding officer or departmental official may be the AHJ.
NOTE: The manufacturer reserves the right to modify product technical specifications and components without prior notice.
For the Installer
This water heater must be installed by qualified and licensed personnel. The installer should be guided by the instructions furnished with the water heater, and by local codes and utility company requirements.
Installations Must Comply With:
Local, state, provincial, and national codes, laws, regulations, and ordinances.
WARNING
From the Uniform Plumbing Code 2000 – Section 510 – Protection From Damage
- All water heaters installed in areas where they may be subjected to mechanical damage shall be suitably guarded against such damage by being installed behind adequate barriers or by being elevated or located out of the normal path of a vehicle using any such garage.
- The Administrative Authority may require the use of an approved dielectric insulator on the water piping connections of water heaters and related water heating equipment.
- In seismic zones 3 and 4, water heaters shall be anchored or strapped to resist horizontal displacement due to earthquake motion. Strapping shall be at points within the upper one-third (1/3) and lower one-third (1/3) of its vertical dimensions. At the lower point, a minimum distance of four (4) inches (102 mm) shall be maintained above the controls with the strapping.
- A water heater supported from the ground shall rest on level concrete or other approved base extending not less than three (3) inches (76 mm) above the adjoining ground level.
- When a water heater is located in an attic, attic-ceiling assembly, floor-ceiling assembly, or floor-subfloor assembly where damage may result from a leaking water heater, a watertight pan of corrosion resistant materials shall be installed beneath the water heater with a minimum three-quarter (3/4) inch (20 mm) diameter drain to an approved location.
General Safety Information
This water heater is approved for indoor installation only and is not intended for use as a pool heater. Clearance to combustible materials: 0” top, bottom, sides, and back. Heater must have room for service: 24” front and 6” sides are recommended service clearances. (A combustible door or removable panel is acceptable front clearance.) This water heater has been approved for closet installation and installation on combustible flooring. Do not install directly on carpeting. Install the water heater in a location where temperature and pressure relief valve discharge or a leak will not result in damage to the surrounding area.
WARNING
NOTE: Obey all local codes. Obtain all applicable permits before installing the water heater.
NOTE: Install all system components and piping in such a manner that does not reduce the performance of any fire rated assembly.
Installer – Read all instructions in this manual before installing. Perform steps in the given order.
User – This manual is for use only by a qualified heating installer / service technician. Have this water heater serviced / inspected annually by a qualified service technician.
FAILURE TO ADHERE TO THE GUIDELINES ON THIS PAGE CAN RESULT IN SUBSTANTIAL PROPERTY DAMAGE, SEVERE PERSONAL INJURY, OR DEATH.
NOTE: If the heater is exposed to the following, do not operate until all corrective steps have been made by a qualified serviceman:
1. Fire
2. Damage
3. Water
Failure to follow this information could result in property damage, severe personal injury, or death.
CAUTION
High heat sources (sources generating heat 100oF / 37oC or greater, such as stove pipes, space heaters, etc.) may damage plastic components of the water heater as well as plastic vent pipe materials. Such damages ARE NOT covered by warranty. It is recommended to keep a minimum clearance of 8” from high heat sources. Observe heat source manufacturer instructions, as well as local, state, provincial, and national codes, laws, regulations and ordinances when installing this water heater and related components near high heat sources.
Do not use this water heater for anything other than its intended purpose (as described in this manual). Doing so could result in propertly damage and WILL VOID product warranty.
NOTICE
UNCRATING THE WATER HEATER – Any claims for damage or shortage in shipment must be filed immediately against the transportation company by the consignee.
A. When Servicing the Water Heating System
To avoid electric shock, disconnect electrical supply before performing maintenance.
To avoid severe burns, allow water heater and associated equipment to cool before servicing.
B. Heater Water
Do not use petroleum-based cleaning or sealing compounds in a water heating system. Gaskets and seals in the system may be damaged. This can result in substantial property damage.
Do not use “homemade cures” or “patent medicines”. Damage to the water heater, substantial property damage, and/or serious personal injury may result.
C. Freeze Protection
NOTE: Consider piping and installation when determining heater location. Place the water heater as close to the boiler as possible, in a location not prone to freezing.
CAUTION: Failure of the water heater due to freeze related damage IS NOT covered by product warranty.
WARNING: NEVER use any toxic chemical, including automotive, standard glycol antifreeze, or ethylene glycol made for hydronic (non-potable) systems. These chemicals can attack gaskets and seals in water systems, are poisonous if consumed, and can cause personal injury or death.
D. Water Temperature Adjustment
If the water heater is going to have a set temperature above 120oF, you must use an ASSE 1017 rated mixing valve to avoid severe burns or death from scalding temperatures.
| WARNING: Households with small children, disabled, or elderly persons may require a 120oF or lower temperature setting to prevent severe personal injury or death due to scalding. | |
| Approximate Time / Temperature Relationships in Scalds | |
| 120oF | More than 5 minutes |
| 125oF | 1 1/2 to 2 minutes |
| 130oF | About 30 seconds |
| 135oF | About 10 seconds |
| 140oF | Less than 5 seconds |
| 145oF | Less than 3 seconds |
| 150oF | About 1 1/2 seconds |
| 155oF | About 1 second |
Prepare the Water Heater
Remove all sides of the shipping crate to allow the heater to be moved into its installation location.
COLD WEATHER HANDLING – If the water heater has been stored in a very cold location (BELOW 0oF) before installation, handle with care until the components come to room temperature. Failure to do so could result in damage to the water heater.
A. Locating the Water Heater
CAUTION: All water heaters eventually leak. Locate the water heater where any leakage from the relief valve, related piping, tank, or connections will not result in damage to surrounding areas or lower floors of the building. Any water heater should be installed in such a manner that if it should leak the resulting flow of water will not cause damage to the area in which it is installed. National Plumbing codes require a drain pan for any water heater installation. This drain pan should be sized with a maximum depth of 2”, and a minimum diameter 2” greater than the diameter of the water heater. The drain pan should empty into an open drain line. This drain line should be 3/4” ID minimum, piped to an open drain. Leakage damages ARE NOT covered by warranty. Failure to install a drain pan is the sole responsibility of the owner and/or installer. Reference UPC 2000 (Uniform Plumbing Code) Section 510 – Protection from Damage or IPC 200 (International Plumbing code) Section 504 – Safety Devices. Leakage damages ARE NOT covered by warranty.
In addition, water leak detection devices and automatic water shutoff valves are readily available at plumbing supply houses. IT IS HIGHLY RECOMMENDED BY THE MANUFACTURER TO INSTALL WATER LEAK DETECTION DEVICES AND AUTOMATIC SHUTOFF VALVES IN ANY WATER HEATER INSTALLATION WHERE A LEAKAGE OF WATER COULD RESULT IN PROPERTY DAMAGES.
High heat sources (generating heat 100oF / 37oC or greater, such as stove pipes, space heaters, etc.) may damage plastic components of the water heater as well as plastic vent pipe materials. Such damages ARE NOT covered by warranty. It is recommended to keep a minimum clearance of 8” from high heat sources. Observe heat source manufacturer instructions, as well as local, state, provincial, and national codes, laws, regulations, and ordinances when installing this water heater and related components near high heat sources.
This water heater is certified for indoor use only. DO NOT INSTALL OUTDOORS. Outdoor installations ARE NOT covered by warranty.
Choose a location for the water heater as centralized to the piping system as possible. Also, locate the water heater and domestic water piping where it will not be exposed to freezing temperatures. All piping should be insulated. Additionally, place the water heater so that the drain, controls, and inlets/outlets are easily accessible.
NOTE: To save on heating costs and improve energy efficiency keep the distance between the boiler and water heater to a minimum to reduce heat loss from excess piping and keep friction loss at a minimum. Ensure all piping between the boiler and water heater is properly insulated to minimize heat loss.
The water heater may be located some distance from the boiler provided the circulator meets flow requirements through the coil. The greater the distance from the water heater to the boiler the longer the response will be to a call for hot water.
This water heater must be installed vertical on a level surface.
NOTE: In the State of California, the water heater must be braced, anchored, or strapped to avoid moving during an earthquake. Contact local utilities for code requirements in your area. Visit http://www.dsa.dgs.ca.gov or call 1-916-445-8100 and request instructions.
However, applicable codes shall govern installation. For residential water heaters of a capacity greater than 52 gallons, consult the local building jurisdiction for acceptable bracing procedures.
NOTE: If you do not provide the minimum clearances shown in Figure 1, it might not be possible to service the water heater without removing it from the space.
NOTE: A combustible door or removable panel is acceptable front clearance.
B. Performance and Sizing Guidelines
NOTE: The table below describes the minimum BTU/H required to achieve the listed first hour rating. The mass of the boiler will affect recovery time. More boiler mass equals longer recovery time.

| MODEL | GROSS BOILER OUTPUT | 140oF 90oF Δ T | 127oF 77oF Δ T | 115oF 65oF Δ T |
| SSC-35 | 53,000 | 112 | 125 | 152 |
| SSC-50 | 86,000 | 190 | 213 | 258 |
| SSC-80 | 91,000 | 198 | 221 | 270 |
| SSC-119 | 108,000 | 268 | 300 | 364 |
C. Anode Rod
This water heater is equipped with a magnesium anode rod. Anode rods are sacrificial components that counteract water chemistry to minimize or eliminate tank corrosion.
The anode rod should be inspected annually and replaced as necessary to prolong tank life. Have the supply water quality professionally analyzed, as local water conditions will influence the duration for inspection and replacement of the anode rod.
The use of a water softener may increase the speed of anode consumption. More frequent inspection of the anode is needed when using softened or treated water.
Water with high sulfate and/or mineral content can produce a rotten egg odor in heated water. Chlorinating the water supply may minimize this problem.
NOTE: Failure of a heat exchanger due to lime scale build-up on the heating surface, low pH, or other imbalance IS NOT covered by the warranty.
NOTE: Do not remove the anode rod from an operating water heater. Operating the water heater without the anode rod will shorten the life of the tank and VOID the warranty.
D. Water Chemistry Requirements
CAUTION: Chemical imbalance of the water supply may affect efficiency and cause severe damage to the water heater and associated equipment. HTP recommends having water quality professionally analyzed to determine whether it is necessary to install a water softener. It is important that the water chemistry on both the domestic hot water and central heating sides are checked before installing the water heater, as water quality will affect the reliability of the system. In addition, operating temperatures above 135oF will further accelerate the build-up of lime scale and may shorten the service life of the water heater. Failure of a water heater due to lime scale build-up, low pH, or other chemical imbalance IS NOT covered by the warranty.
The water must be potable, free of corrosive chemicals, sand, dirt, and other contaminates. It is up to the installer to ensure the water does not contain corrosive chemicals or elements that can damage the heat exchanger. Potable water is defined as drinkable water supplied from utility or well water in compliance with EPA secondary maximum contaminant levels (40 CFR Part 143.3). If the water contains contaminants higher than outlined by the EPA, water treatment is recommended and additional, more frequent maintenance may be required.
If you suspect that your water is contaminated in any way, discontinue use of the water heater and contact an authorized technician or licensed professional.
- Water pH between 6.5 and 8.5
- pH levels below 6.5 can cause an increase in the rate of corrosion. pH of 8.5 or higher can potentially cause lime scale build-up
- Maintain water pH between 6.5 and 8.5. Check with litmus paper or have it chemically analyzed by a local water treatment company.
- If the pH is not between 6.5 and 8.5, consult a local water treatment company for solutions.
- Hardness less than 12 grains (200 mg/L) (Residential Use water temperatures below 140oF)
- Hardness less than 7 grains (120 mg/L) (Commercial Use water temperatures of 140oF and greater)
- Hardness levels above the required amounts can lead to lime scale build-up throughout the system. Water below 5 grains/gallon (85 mg/L) may be over softened.
- Consult local water treatment companies for unusually hard water areas (above the required amounts) or for other treatment solutions if water is being over softened (below 5 grains/gallon [85 mg/L]).
- Chloride concentration less than 100 ppm (mg/L)
- Do not fill water heater or operate with water containing chlorides in excess of 100 ppm (mg/L).
- Using chlorinated fresh water should be acceptable as levels are typically less than 5 ppm (mg/L).
- Do not connect the water heater to directly heat swimming pool or spa water.
- Total Dissolved Solids (TDS) less than 500 ppm (mg/L)
- Total dissolved solids are minerals, salts, metals, and charged particles that are dissolved in water.
- The greater the amounts of TDS present, the higher the corrosion potential due to increased conductivity in the water.
- If using softened water to fill the water heater, it is still possible to have high TDS. This water can be corrosive. Consult local water treatment companies for other treatment solutions to reduce this affect.
NOTE: To promote water heater service life, it is strongly recommended to follow the maintenance procedures in this manual.
Piping
A. Plumbing
It is mandatory that all plumbing be done in accordance with federal, local, and state plumbing codes and practices. Failure to properly install the water heater WILL VOID the warranty. It is also necessary to use both thread tape and pipe dope on all mechanical plumbing connections.
CAUTION: When filling the water heater, open a hot water tap to release air in the tank and piping. Failure to do so could lead to improper water heater operation and damage to components.
B. Boiler Connections
CAUTION: Use two wrenches when tightening water piping at the heater. Use one wrench to prevent the heater return or supply line from turning. Failure to prevent piping connections from turning could cause damage to water heater components.
The water heater heat exchanger cannot be used with non-barrier radiant pipe systems. Use with closed loop boiler systems only.
Use a 1” nominal minimum pipe size when piping with zone valves or circulators.
On the water heater, the boiler supply connects to the outlet of the circulator. The circulator inlet is to be connected to the hot outlet side of the boiler. Be sure that the arrow on the circulator is facing the correct flow direction. (See pressure drop sizing for circulator, this manual.) On the tank, the boiler return connects to the return side of the boiler. The return(s) from heating loop(s) should have a flow check or swing check valve installed before the return pipe from the tank.
In a steam boiler, the tank supply must be connected to the boiiler well below the minimum water level. A strainer and drain valve should be installed at the boiler for periodic draining of scale and sludge. Banging and steam bound traps will occur if the boiler water supplied to the heat exchanger has steam or is slightly above the low water cut-off.
C. Domestic Piping Inlet
CAUTION:
- Dielectric fittings must be used on water connections.
- Exercise caution when soldering water heater connections, as outlet and inlet dip tubes are plastic.
- Use both thread tape and pipe dope to connect an NPT female X 3/4” (minimum) pipe adapter. A shut-off valve between the city water supply and tank inlet is recommended for ease of service.
- It may be recommended to use a back flow preventer – check local codes. If a back flow preventer or a no return valve is used, a thermal expansion tank must be installed on the cold water supply between the tank and valve. If the tank is replacing a tankless coil in the boiler, disconnect coil plumbing and use the cold inlet pipe and hot water outlet pipes for the water heater.
- NOTE: DO NOT PLUG OUTLET IN TANKLESS COIL.
D. Hot Water Outlet
CAUTION:
- Dielectric fittings must be used on water connections.
- Exercise caution when soldering water heater connections, as outlet and inlet dip tubes are plastic.
- Use both thread tape and pipe dope to connect an NPT male X 3/4” (minimum) pipe adapter. A shut-off valve between the hot water supply and tank outlet is recommended for ease of service. Use a back flow preventer designed for water heater installations. This valve should be installed on the cold water fill supply line per local codes.
E. Temperature and Pressure Relief Valve
A factory installed temperature and pressure long element relief valve, meeting the requirements for relief valves for water heaters (ANSI Z21.22 / CSA 4.4) has been installed for your safety and convenience. If servicing, make sure that the relief valve is sized to the BTU/hour capacity and storage capacity of the water heater. If the relief valve weeps see expansion tank section for details.
WARNING: To avoid water damage or scalding due to relief valve operation:
- Discharge line must be connected to relief valve outlet and run to a safe place of disposal. Terminate the discharge line in a manner that will prevent possibility of severe burns or property damage should the relief valve discharge.
- Discharge line must be as short as possible and the same size as the valve discharge connection throughout its entire length.
- Discharge line must pitch downward from the valve and terminate at least 6” above the floor drain, making discharge clearly visible.
- The discharge line shall terminate plain, not threaded, with a material serviceable for temperatures of 375oF or greater.
- Do not pipe discharge to any location where freezing could occur.
- No valve may be installed between the relief valve and heater or in the discharge line. Do not plug or place any obstruction in the discharge line.
- Test the operation of the relief valve after filling and pressurizing the system by lifting the lever. Make sure the valve discharges freely. If the valve fails to operate correctly, immediately replace with a new properly rated relief valve.
- Test T&P valve at least once annually to ensure the waterway is clear. If valve does not operate, turn the heater “off” and call a plumber immediately.
- Take care whenever operating relief valve to avoid scalding injury or property damage.
FAILURE TO COMPLY WITH THE ABOVE GUIDELINES COULD RESULT IN FAILURE OF RELIEF VALVE OPERATION, RESULTING IN POSSIBILITY OF SUBSTANTIAL PROPERTY DAMAGE, SEVERE PERSONAL INJURY, OR DEATH.
Do not thread a cap or plug into the relief valve or relief valve line under any circumstances! Explosion and property damage, serious injury, or death may result.
RE-INSPECTION OF T&P RELIEF VALVES: T&P valves should be inspected AT LEAST ONCE EVERY THREE YEARS, and replaced if necessary, by a licensed plumbing contractor or qualified service technician to ensure that the product has not been affected by corrosive water conditions and to ensure that the valve and discharged line have not been altered or tampered with illegally. Certain naturally occuring conditions may corrode the valve and its components over time, rendering the valve inoperative. Such conditions can only be detected if the valve and its components are physically removed and inspected. Do not attempt to conduct an inspection on your own. Contact your plumbing contractor for a re-inspection to assure continued safety.
FAILURE TO RE-INSPECT THE T&P VALVE AS DIRECTED COULD RESULT IN UNSAFE TEMPERATURE AND/OR PRESSURE BUILD-UP WHICH CAN RESULT IN PROPERTY DAMAGE, SERIOUS PERSONAL INJURY, OR DEATH.
F. Scalding
WARNING: An ASSE 1017 or ASSE 1070 temperature limiting or mixing valve is recommended in installations servicing disabled or elderly persons, or children. Mixing valves do not eliminate the risk of scalding.
To avoid scalding:
• Set the water heater set point temperature as low as possible.
• Feel water before bathing or showering.
• If thermostatic valves are required, use devices specifically designed for such purpose. Install these devices in accordance with instructions provided by the manufacturer.
Failure to install a temperature limiting or mixing valve and follow these instructions could result in property damage, severe personal injury, or death due to scalds.
This water heater can deliver scalding water. Be careful whenever using hot water to avoid scalding injury. Certain appliances such as dishwashers and automatic clothes washers may require increased water temperatures. By setting the thermostat on this heater to obtain the increased water temperature required by these appliances you may create the potential for scald injury.
To protect against injury, install a mixing valve in the water system. This valve will reduce point of use discharge temperatures by mixing cold and hot water in branch supply lines. Such valves are available from your local plumbing supplier.
The following table details the relationship of water temperature and time with regard to scald injury and may be used as a guide in determining the safest water temperature for your applications.
| Approximate Time / Temperature Relationships in Scalds | |
| 120oF | More than 5 minutes |
| 125oF | 1 1/2 to 2 minutes |
| 130oF | About 30 seconds |
| 135oF | About 10 seconds |
| 140oF | Less than 5 seconds |
| 145oF | Less than 3 seconds |
| 150oF | About 1 1/2 seconds |
| 155oF | About 1 second |
Table 3 – Approximate Time / Temperature Relationships in Scalds


G. Potable Expansion Tank
A potable hot water expansion tank may be required to offset heated water expansion. If there is a back flow preventer or any other type of no return or check valve in the system a thermal expansion tank IS MANDATORY. The expansion tank must be sized for the entire water volume of the hot water system. A weeping relief valve indicates the need for an expansion tank. See the Typical Expansion Tank example in the Piping section for details.
H. Pressure Drop Sizing For Circulator
The boiler circulator flow rate must meet the requirements found in the pressure drop sizing chart. The chart represents the pipe run, water heater, and heat exchanger ONLY and does not include any flow checks, zone valves, or friction loss through the boiler. That resistance must be added to the value found in the following chart.
| Pressure Drop for Pipe Length of 1” Copper, Six 90o Elbows, and One Tee | ||||||
| Model | 20’ | 30’ | 40’ | 50’ | 60’ | |
| SSC-35 | 8 GPM | 6.28 | 6.53 | 6.78 | 6.28 | 7.28 |
| SSC-50 | 8 GPM | 6.48 | 6.73 | 6.98 | 7.23 | 7.48 |
| SSC-80 | 10 GPM | 6.19 | 6.55 | 6.85 | 7.15 | 7.45 |
| SSC-119 | 12 GPM | 16.19 | 16.79 | 17.39 | 17.99 | 18.59 |
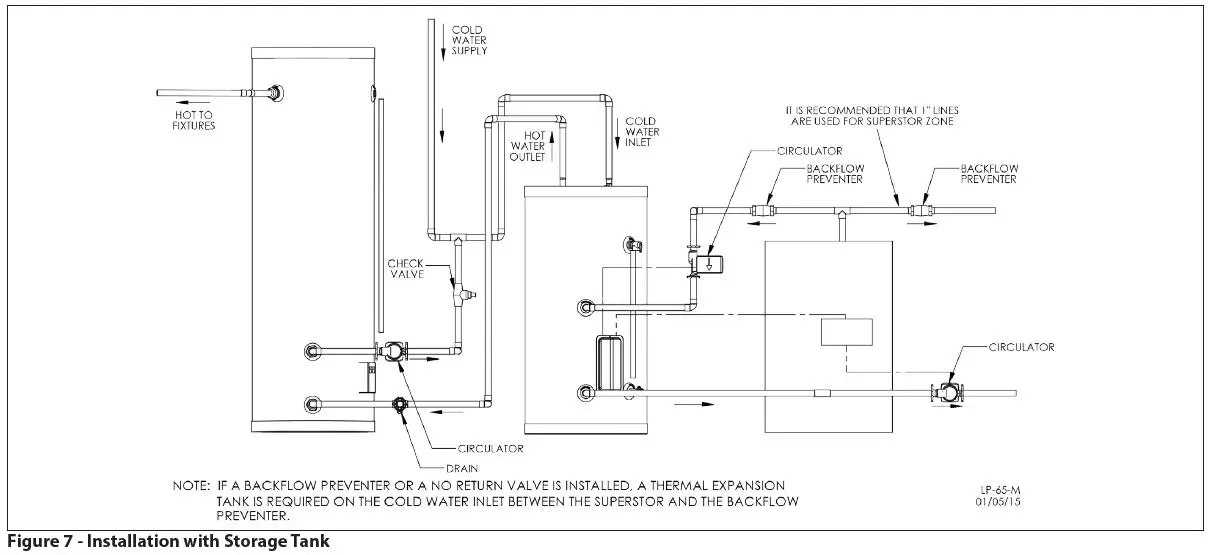
I. Applications


NOTES:
- Minimum pipe size should match connection size. Upsize pipe accordingly if greater flow is required.
- A thermal expansion tank suitable for potable water must be sized and installed within this piping system between the backflow preventer and the cold water inlet.
- All circulators should have an integral flow check.
- Drains and check valve between the heating appliance and water heater will assist in purging air from system.
- This drawing is meant to demonstrate system piping only. The installer is responsible for all equipment and detailing required by local codes. In Massachusetts, you must install a vacuum relief valve per 248 CMR.
- Mixing valve application is optional, but recommended to help prevent scalding.


NOTES:
- Minimum pipe size should match connection size. Upsize pipe accordingly if greater flow is required.
- A thermal expansion tank suitable for potable water must be sized and installed within this piping system between the backflow preventer and the cold water inlet.
- All circulators should have an integral flow check.
- Drains and check valve between the heating appliance and water heater will assist in purging air from system.
- This drawing is meant to demonstrate system piping only. The installer is responsible for all equipment and detailing required by local codes. In Massachusetts, you must install a vacuum relief valve per 248 CMR.
- Mixing valve application is optional, but recommended to help prevent scalding.
Heater Control and Wiring
A. Control
A surface mounted control is provided and mounted inside of the control access compartment. There is an insulation blanket under the control access cover to ensure accurate readings of water temperature. The control is factory set at 120oF for your safety (see scaled danger warning below). The differential is fixed at 3 to 5oF (not adjustable).
B. Wiring
Wiring is to be done in accordance with all applicable local and state codes. Turn off all power related to the boiler before starting any wiring procedures. It is recommended that a disconnect switch be installed between the boiler control and the water heater.
CAUTION: When wiring the water heater and controls be sure to label all wires to ease future maintenance. Wiring errors can cause improper and dangerous operation.
C. Wiring Diagrams



Start-Up and Operation
- Fill the water heater by opening the cold water shut-off valve. Purge air from the system by opening a hot water outlet at a fixture in a kitchen or bathroom. When water flows freely from the outlet, the system is purged.
CAUTION: When filling the water heater, open a hot water tap to release air in the tank and piping to ensure proper water heater operation. Failure to ensure the water heater is full before turning on the system will result in damage to the water heater, and could result in property damage. Such damages ARE NOT covered by warranty. - Check the system for leaks.
CAUTION: Fix any leaks before continuing the installation. Failure to do so could result in property damage or personal injury. - After ensuring there are no leaks within the system, flush the system to clear any soldering residue. Many soldering fluxes contain Zinc Chloride, which can corrode stainless steel.
Draw at least three times the volume of the water heater to properly flush the system. - Initiate a call for hot water. Ensure each zone valve or circulator operates only when its thermostat calls for heat. Purge each zone of air to ensure proper operation.
- Set the water heater to the desired temperature. Boiler high limit should be set at least 20oF higher than the heater temperature. Set the low limit of the boiler control at the minimum setting – this will call the burner on only to satisfy the tank control.
A water heater temperature setting of 120oF is recommended. However, a lower temperature setting may be required to comply with local and state codes for normal operation. The differential is fixed 3 to 5oF. Installation conditions may require a higher or lower temperature setting. A mixing valve in conjunction with a high temperature setting may be used for high demand applications (spas, hot tubs, whirlpools). - When the system is completely flushed, purged of air, and the temperature is set, turn on the boiler. Observe operation. Ensure the boiler shuts down after the indirect water heater set point is satisfied.

Figure 15 – Replacement Parts
| ITEM # | REPLACEMENT PART # | DESCRIPTION |
| 1 | 6075P-002 | HOT WATER OUTLET (SSC-35, SSC-50) |
| 6075P-008 | HOT WATER OUTLET (SSC-80, SSC-119) | |
| 2 | 6075P-001 | COLD WATER DIP TUBE (SSC-35) |
| 6075P-003 | COLD WATER DIP TUBE (SSC-50) | |
| 6075P-009 | COLD WATER DIP TUBE (SSC-80, SSC-119) | |
| 3 | 6075P-043 | MAGNESIUM ANODE ROD |
| 4 | 6060P-187 | ELECTRICAL BOX COVER |
| 5 | 6075P-006 | #8 X 3/4 SELF TAPPING SCREWS (2) |
| 6 | 6060P-965 | INSULATION |
| 7 | 6060P-634 | PLASTIC PROTECTIVE COVER |
| 8 | 6060P-632 | 5/16-18 HEX NUT – THERMODISC MOUNTING CLIP |
| 9 | 6060P-630 | GREEN GROUND WIRE W/RING |
| 10 | 6060P-633 | THERMODISC MOUNTING CLIP (119 GAL MODELS ONLY) |
| 6070P-303 | THERMOSTAT BRACKET | |
| 11 | TD1010 | THERMOSTAT CONTROL |
| 12 | 2500P-0092 | DRAIN VALVE |
| 13 | TP1000 | 3/4″ RELIEF VALVE |
Maintenance and Troubleshooting
Periodic maintenance should be performed by a qualified service technician to ensure all equipment is operating safely and efficiently. The owner should make necessary arrangements with a qualified heating contractor for periodic maintenance of the heater. Installer must also inform the owner that the lack of proper water heater care and maintenance may result in hazardous conditions.
| Annual Maintenance Activities | Date Last Completed | ||||
| Piping | 1st Year | 2nd Year | 3rd Year | 4th Year | |
| Near heater piping | Check heater and system piping for any sign of leakage; make sure pipes are properly supported. | ||||
| System | |||||
| Visual | Do a full visual inspection of all system components. Ensure all components (including boilers, water treatment systems, mixing valves, circulators, etc.) are operating properly and have been maintained. | ||||
| Functional | Test all functions of the system. Perform any maintenance required by local codes. Verify system pressure is in the safe operating range. | ||||
| Temperatures | Check control for temperature accuracy. *Verify safe settings on Mixing Valve (if installed in system). | ||||
| Electrical | |||||
| Smoke and CO Detectors | *Verify devices are installed and working properly. Change batteries if necessary. | ||||
| Circuit Breakers | Check to see that the circuit breaker is clearly labeled. Exercise circuit breaker. | ||||
| Connections | Check wire connections. Make sure they are tight. | ||||
| Anode Rod | |||||
| Remove and visually inspect the anode rod. Anode rod should be replaced when more than 6” of core wire is exposed at either end of the rod. | |||||
| Relief and Drain Valve | |||||
| Relief Valve | Lift and release the relief valve on the water heater. Make certain that the valve operates properly by allowing several gallons to flush through the discharge line. Replace if valve is blocked or does not operate properly. NOTE: TAKE CAUTION WHEN OPERATING RELIEF VALVE. DISCHARGED WATER MAY PRESENT A SCALD RISK. | ||||
| Drain Valve | Open the drain valve and drain a few quarts of water from the bottom of the tank to flush any hard water deposits. Replace if valve is blocked or does not operate properly. NOTE: TAKE CAUTION WHEN OPERATING DRAIN VALVE. DRAINED WATER MAY PRESENT A SCALD RISK. | ||||
| Final Inspection | |||||
| Check for Combustibles | Check area around heater for combustible materials such as gasoline or paint thinner. If combustible materials are found, move away from the heater to a safe location. | ||||
| Checklist | Verify that you have completed the entire checklist. WARNING: FAILURE TO DO SO COULD RESULT IN SERIOUS INJURY OR DEATH. | ||||
| Homeowner | Review what you have done with the homeowner. | ||||
| Initial and Date after Inspection / Service. Continue Inspections Annually beyond the Fourth Year. | |||||
| Troubleshooting | |||||
| No Hot Water | Not Enough Hot Water | ||||
| Problem | Possible Solution | Problem | Possible Solution | ||
| Zone valve not opening | Open manually to replace | Zone valve restriction | 1” full bore replace zone valve | ||
| Circulator not operating | Check or replace | Circulator arrow reversed | Reverse circulator | ||
| Tank control set too low | Raise tank temperature* | Tank temperature too low | Raise tank temperature* | ||
| Boiler control set too low | Raise boiler temperature | Boiler temperature too low | Raise boiler temperature | ||
| Wiring incorrect | Check wiring | Boiler sized too small | Check sizing chart | ||
| Tank control failure | Replace control | Tank sized too small | Check sizing chart | ||
| Zone valve failure | Replace valve | Demand flow rate too high | Install mixing valve. Raise tank temperature | ||
| Circulator failure | Replace circulator | Air trap in loop | Purge air | ||
| Install flow regulator | |||||
|
Air trap in loop |
Purge air | Heat and tank come on together | Check wiring or set indirect as priority over heating | ||
| Draw tank down and lower ther- mostat. Recheck. | |||||
| Not enough space heat | Boiler sized too small. Consult chart. | ||||
| Slow recovery | Circulator head capacity too low | ||||
| T&P Valve Discharges | Hot Tubs, Spas, Multiple Showers, High Demand | ||||
| Problem | Possible Solution | Problem | Possible Solution | ||
| Tank temperature too high | Lower tank temperature | Pressure too low | Check line pressure for restriction | ||
| Water expands when heated | Install expansion tank | Tank recovery slow | Slow startup boiler. See chart | ||
| Water pressure too high | Install pressure reducing valve |
Not enough hot water | Boiler sized too small. See chart | ||
| Check flow rate. Compare to chart | |||||
|
Demand too great. Check flow rates and compare to chart. Install mixing valve and/or flow restricting valve and raise tank and boiler temperature.* | |||||
| Hot Water Has Rotten Egg Odor | |||||
| Problem | Possible Solution | ||||
|
Supply water has high sulfate or mineral content | Check with water quality specialist in your area. Have water supply analyzed. Address water quality issues according to specialist’s recommendations. | ||||
SSC Indirect Fired Water Heater / Solar Water Heater Limited Warranty
For Residential and Commercial Use
HTP warrants each indirect fired water heater to be free from defects in materials and workmanship according to the following terms, conditions, and time periods. UNLESS OTHERWISE NOTED THESE WARRANTIES COMMENCE ON THE DATE OF INSTALLATION. This limited warranty is only available to the original consumer purchaser (hereinafter “Owner”) of the water heater, and is non-transferable.
Residential Use Warranty
(Seven [7] years – Tank, One [1] year – Parts)
“Residential” setting shall mean water heater usage in a single family dwelling, or usage in a multiple family dwelling, provided that the water heater services only one (1) dwelling in which the Owner resides on a permanent basis and operating temperatures do not exceed 140oF.
Commercial Use Warranty
(Five [5] years – Tank, One [1] year – Parts)
Water heaters used in a commercial setting shall mean any usage not falling within the definition of a “residential” setting.
COVERAGE
A. During the first year after the original date of installation in the dwelling, HTP warrants that it will repair or replace, at its option, any defective or malfunctioning component of the water heater. Replacement components will be warranted for ninety (90) days.
B. Should a defect or malfunction result in a leakage of water from the water heater within the above-stated warranty periods due to defective material or workmanship, malfunction, or failure to comply with the above warranty, with such defect or malfunction having been verified by an authorized HTP representative, HTP will replace the defective or malfunctioning water heater with a replacement of the nearest comparable model available at the time of replacement. The replacement water heater will be warranted for the unexpired portion of the applicable warranty period of the original water heater.
C. In the event of a leakage of water of a replacement water heater due to defective material or workmanship, malfunction, or failure to comply with the above warranty, HTP reserves the right to refund to the Owner the published wholesale price available at the date of manufacture of the original water heater.
D. If government regulations, industry certification, or similar standards require the replacement water heater or component(s) to have features not found in the defective water heater or component(s), the Owner will be charged the difference in price represented by those required features. If the Owner pays the price difference for those required features and/or to upgrade the size and/or other features available on a new replacement water heater or component(s), the Owner will also receive a complete new limited warranty for that replacement water heater or component(s).
E. If at the time of a request for service the Owner cannot provide a copy of the original sales receipt or the warranty registration, the warranty period for the water heater shall then be deemed to have commenced thirty (30) days from the date of manufacture of the water heater and NOT the date of installation of the water heater.
F. This warranty extends only to water heaters utilized in water heating applications that have been properly installed by qualified professionals based upon the manufacturer’s installation instructions.
G. It is expressly agreed between HTP and the Owner that repair, replacement, or refund are the exclusive remedies of the Owner.
OWNER RESPONSIBILITIES
The Owner or Qualified Installer / Service Technician must:
- Have a relief valve bearing the listing marks of the American Society of Mechanical Engineers (ASME) installed with the water heater assembly in accordance with federal, state, and local codes.
- Have a vacuum relief valve certified to ANSI Z21.22 – Relief Valves for Hot Water Supply Systems – installed with the water heater assembly in accordance with federal, state, and local codes and in installations prone to vacuum related damages.
- Maintain the water heater in accordance with the maintenance procedure listed in the manufacturer’s provided instructions. Preventive maintenance can help avoid any unnecessary breakdown of the water heater and keep it running at optimum efficiency.
- Maintain all related system components in good operating condition.
- Use the water heater in an open system, or in a closed system with a properly sized and installed thermal expansion tank.
- Use the water heater at water pressures not exceeding the working pressure shown on the rating plate.
- Keep the water heater free of damaging scale deposits.
- Make provisions so if the water heater or any component or connection thereto should leak, the resulting flow of water will not cause damage to the area in which it is installed.
- Have the anode checked every two years. Replace the anode if necessary.
WARRANTY EXCLUSIONS
This limited warranty will not cover:
- Any water heater purchased from an unauthorized dealer.
- Any water heater not installed by a qualified heating installer / service technician, or installations that do not conform to ANSI, CSA, and/or UL standards, as well as any applicable national or local building codes.
- Service trips to teach the Owner how to install, use, maintain, or to bring the water heater installation into compliance with local building codes and regulations.
- The workmanship of any installer. The manufacturer disclaims and does not assume any liability of any nature caused by improper installation, repair, or maintenance.
- Electricity or fuel costs, or increased or unrealized savings for same, for any reason whatsoever.
- Any water damage arising, directly or indirectly, from any defect in the water heater or component part(s) or from its use.
- Any incidental, consequential, special, or contingent damages or expenses arising, directly or indirectly, from any defect in the water heater or the use of the water heater.
- Failure to locate the water heater in an area where leakage of the tank or water line connections and the relief valve will not result in damage to the area adjacent to the water heater or lower floors of the structure, as well as failure to install the water heater in or with a properly sized drain pan routed to an approved drainage location.
- Any failed components of the system not manufactured by HTP as part of the water heater.
- Water heaters repaired or altered without the prior written approval of HTP.
- Damages, malfunctions, or failures resulting from improper installation, or failure to install the water heater in accordance with applicable building codes/ordinances or good plumbing and electrical trade practices; or failure to operate and maintain the water heater in accordance with the manufacturer’s provided instructions.
- Damages, malfunctions, or failures resulting from failure to operate the water heater at pressures not exceeding the working pressure shown on the rating label.
- Failure to operate the water heater in an open system, or in a closed system with a properly sized and installed thermal expansion tank.
- Failure or performance problems caused by improper sizing of the water heater, expansion device, or piping.
- Damages, malfunctions, or failures resulting from vacuum conditions.
- Damages, malfunctions, or failures caused by operating the water heater with modified, altered, or unapproved components, or any component / attachment not supplied by HTP.
- Damages, malfunctions, or failures caused by abuse, accident, fire, flood, freeze, lightning, electrochemical reaction, acts of God and the like.
- Tank failures (leaks) caused by operating the water heater in a corrosive or contaminated atmosphere.
- Damages, malfunctions, or failures caused by operating the water heater with an empty or partially empty tank (“dry firing”), or failures caused by operating the water heater when it is not supplied with potable water, free to circulate at all times.
- Failure of the heater due to the accumulation of solid materials or lime deposits.
- Any damage or failure resulting from improper water chemistry. WATER CHEMISTRY REQUIREMENTS (RESIDENTIAL USE) – Water pH between 6.5 and 8.5. Operating temperatures not exceeding 140oF. Hardness less than 12 grains (200 mg/L). Chloride concentration less than 100 ppm (mg/L). TDS less than 500 ppm (mg/L). (COMMERCIAL USE) – Water pH between 6.5 and 8.5. Hardness less than 7 grains (120 mg/L). Chloride concentration less than 100 ppm (mg/L). TDS less than 500 ppm (mg/L).
- Production of noise, taste, odors, discoloration, or rusty water.
- Water heaters replaced for cosmetic reasons.
- Components of the water heater that are not defective, but must be replaced during the warranty period as a result of reasonable wear and tear.
- Components of the water heater that are subject to warranties, if any, given by their manufacturers; HTP does not adopt these warranties.
- Damages, malfunctions, or failures resulting from the use of any attachment(s) not supplied by HTP.
- Water heaters installed outside the fifty states (and the District of Columbia) of the United States of America and Canada.
- Water heaters moved from the original installation location.
- Water heaters that have had their rating labels removed.
PROCEDURES FOR WARRANTY SERVICE REQUESTS
Any claim for warranty assistance must be made immediately upon finding the issue. First, please consult the HTP Warranty Wizard (http://www.htproducts.com/Warranty-Wizard.html) to check warranty eligibility. You may also contact HTP Technical Support at 1-800-323-9651 for questions or assistance. Warranty coverage requires review and approval of the issue with HTP Technical Support or through the Warranty Wizard prior to a full unit replacement. Any claim for warranty reimbursement will be rejected if prior approval from HTP is not obtained in advance of a full unit replacement. Final determination will be made as part of the warranty claim process. When submitting a warranty claim the following items are required:
- Proof of purchase or installation of the product – Typically a copy of the invoice from the installing contractor, the receipt of the purchase of the product, or an original certificate of occupancy for a new home.
- Clear pictures (or video) of the following:
a. Serial number tag (sticker)
b. The product
c. The product issue / failure whenever possible
d. A picture of the piping near the product
e. For gas fired products, a picture of the venting, including how it exits the building
All claims will be reviewed by HTP within three (3) business days. If additional information is required and requested by the HTP Claims Department you will have thirty (30) days to provide it. When all requested information is provided HTP will respond within three (3) business days. The claim will be automatically closed if requested information is not provided within thirty (30) days. Claims will not be reopened without HTP Warranty Supervisor approval.
During the claims process a product that must be replaced will be given a designation of either a) field scrap, or b) return to HTP. If the product must be returned to HTP, the returned product must arrive at HTP within thirty (30) days of the date of our request to return the product. After receipt of the returned product HTP may require as many as thirty (30) additional days for product testing. NOTE: Any components or heaters returned to HTP for warranty analysis will become the property of HTP and will not be returned, even if credit is denied.
If you have questions about the coverage of this warranty, please contact HTP at the following address or phone number: HTP, 272 Duchaine Blvd., New Bedford, MA, 02745, Attention: Warranty Service Department, 1(800) 323-9651.
SERVICE, LABOR, AND SHIPPING COSTS
Except when specifically prohibited by the applicable state law, the Owner, and not the Manufacturer, shall be liable for and shall pay for all charges for labor or other expenses incurred in the removal, repair, or replacement of the water heater or any component part(s) claimed to be defective or any expense incurred to remedy any defect in the product. Such charges include, but are not necessarily limited to:
1. All freight, shipping, handling, and delivery costs of forwarding a new water heater or replacement part(s) to the owner.
2. All costs necessary or incidental in removing the defective water heater or component part(s) and installing a new water heater or replacement part(s).
3. All administrative fees incurred by the Owner, as well as material required to complete, and/or permits required for, installation of a new water heater or replacement part(s), and
4. All costs necessary or incidental in returning the defective water heater or component part(s) to a location designated by the manufacturer.
LIMITATIONS OF YOUR HTP WARRANTY AND REMEDIES THE FOREGOING WARRANTIES ARE EXCLUSIVE AND ARE GIVEN AND ACCEPTED TO THE FURTHEST EXTENT UNDER APPLICABLE LAW IN LIEU OF ANY AND ALL OTHER WARRANTIES, EXPRESS OR IMPLIED, INCLUDING WITHOUT LIMITATION THE IMPLIED WARRANTIES OF MERCHANTABILITY AND FITNESS FOR A PARTICULAR PURPOSE AND ANY OBLIGATION, LIABILITY, RIGHT, CLAIM OR REMEDY IN CONTRACT OR TORT, WHETHER OR NOT ARISING FROM HTP’S NEGLIGENCE, ACTUAL OR IMPUTED. THE REMEDIES OF THE OWNER SHALL BE LIMITED TO THOSE PROVIDED HEREIN TO THE EXCLUSION OF ANY OTHER REMEDIES INCLUDING WITHOUT LIMITATION, INCIDENTAL OR CONSEQUENTIAL DAMAGES, SAID INCIDENTAL AND CONSEQUENTIAL DAMAGES INCLUDING, BUT NOT LIMITED TO, PROPERTY DAMAGE, LOST PROFIT OR DAMAGES ALLEGED TO HAVE BEEN CAUSED BY ANY FAILURE OF HTP TO MEET ANY OBLIGATION UNDER THIS AGREEMENT INCLUDING THE OBLIGATION TO REPAIR AND REPLACE SET FORTH ABOVE. NO AGREEMENT VARYING OR EXTENDING THE FOREGOING WARRANTIES, REMEDIES OR THIS LIMITATION WILL BE BINDING UPON HTP. UNLESS IN WRITING AND SIGNED BY A DULY AUTHORIZED OFFICER OF HTP. THE WARRANTIES STATED HEREIN ARE NOT TRANSFERABLE AND SHALL BE FOR THE BENEFIT OF THE OWNER ONLY.
NO OTHER WARRANTIES
This warranty gives the Owner specific legal rights. The Owner may also have other rights that vary from state to state. Some states do not allow the exclusion or limitation of incidental or consequential damages so this limitation or exclusion may not apply to the Owner.
These are the only written warranties applicable to the water heater manufactured and sold by HTP. HTP neither assumes nor authorizes anyone to assume for it any other obligation or liability in connection with said water heaters.
HTP reserves the right to change specifications or discontinue models without notice.
| Customer Installation Record Form | |
| The following form should be completed by the qualified installer / service technician for you to keep as a record of the installation in case of a warranty claim. After reading the important notes at the bottom of the page, please also sign this document. | |
| Customer’s Name | |
| Date of Installation | |
| Installation Address | |
| Product Name / Serial Number(s) | |
| Comments | |
| Installer’s Code / Name | |
| Installers Phone Number | |
| Signed by Installer | |
| Signed by Customer | |
IMPORTANT
Customer: Please only sign after the qualified installer/service technician has fully reviewed the installation, safety, proper operation, and maintenance of the system. If the system has any problems please call the qualified installer/service technician. If you are unable to make contact, please call your sales representative.
Distributor / Dealer: Please insert contact details.




















