HTW-TV-050SMART Electric Water Heater Owner’s Manual
SECURITY CHARACTERISTICS
The max inlet pressure is 0.8MPa.
- Following warming sentences:
If the supply cord is damaged. it must be replaced by the manufacturer, its service agent or similarly qualified persons in order to avoid a hazard. - The pressure-relief device is to be operated regularly to remove lime deposits and to verify than is not blocked.
- CAUTION: In order to avoid a hazard due to inadvertent resetting of the thermal cut-out, this appliance must be not supplied through an external switching device, such as a timer, or connected to a circuit that is regularly switched on and off by the utility.
- This appliance can be used by children aged from 8 years and above and persons with reduced physic sensory or mental capabilities or lack of experience and knowledge if they have been given supervision instruction concerning use of the appliance in a sate way and understand the hazards involved. children shall not play with the appliance, cleaning and users maintenance shall not made by children without supervision.
- This electrical water heater must be installed with a mono-directional safety valve at the inlet pipe(blue indicator) when the tank’s pressure is over 0.8 MPa, this will automatically active the safety valve, water will exit at the drain pipe outlet (Diagram1). In any condition, this outlet must not be blocked.
If there is a need to empty the water in the tank, first, close the mains water. Remove the fixed screw nail on the safety valve. lift up the plastic handle (see diagram 2) to let the water flow out naturally.
THE OPERATING PROCEDURES
- Check all the piping connection for leakage before turning on the electric power of the heater.
- Make sure that the tank is fully filled up with water, otherwise it will cause the heating elements to be damaged.
- Turn on the mains electrical power supply and then adjust the temperature knob clockwise for higher temperature and anticlockwise for lower temperature.
- The water heater needs to be turn on for a certain period of time to reach the acceptable temperature.
- During the heating process, it’s normal fo see a slight drip at the safety valve. Please do not cover up the safety valve outlet hole.
- Connect this outlet hole to a discharge pipe. Water may drip from the discharge pipe of the safety valve, therefore this pipe must be exposed to the atmosphere.
- The safety valve is to be operated regularly (preferably at least every six months) to remove lime deposit and to ensure that it is not blocked.
FUNCTION INTRODUCTION
- Display Function: display actual temperature, setting temperature, time, or malfunction code etc through LED digital screen.
- Heating Function: within 30ºC to 75ºC to set heating temperature with three choices of the modes: standard, ECO and SMART mode.
- Safety Function: With anti-dry protection, overheat protection, fault detection and etc to keep safe of the unit when using.
- Re-setting function: The unit possess with essential default control parameter, and the user is available to reset the unit within the prescribed limits.
THE PRODUCT FEATURES
- Unique Profile
- Sapphire golden silicon tank which is rust-proof, erosion-proof and with higher efficiency and having a longer life span.
- Energy saving with minimum heat loss. The water temperature is able to be maintained up to 48 hours after the electricity is switched off.
- Rate power heating: 2500W.
TECHNICAL REFERENCE DATA
Rated Volume | 30L, 50L, 80L, 100L | ||
| Rated power | 2500W | Rated Voltage | 220-240V~ |
| Rated pressure | 0,8MPa | Rated Frequency | 50/60Hz |
| Rated Water Temperature | 75ºC | Heating Efficiency | >90% |
| Water-proof Degree | IPX4 | Structure Mode | Hermetically closed typed water storage style |
PRODUCT STRUCTURE
INSTALLATION INSTRUCTIONS
- The installation for electrical and plumbing work must be carried out by qualified personnel, according to the installation instructions and in compliance to the local authority regulations.
- Unit has to be installed as near as possible to the service points, in order to reduce heat loss along the pipes. To facilitate maintenance, allow a distance of 50cm for easy access to the electrical parts.
- This electrical water heater should be mounted on a solid cement wall, preferably where it is close to the power source’s sockets and water source.
- Please use our company’s fitted accessories to mount this electric water heater.
- Before determining the bolt hole’s position, you should ensure that the heater is more than 200mm from the ground or ceiling board. This will leave space for maintenance when necessary.
- Assembling method: After selecting the proper fixing positions, use the inflating bolt to secure the hanging board firmly, then hook the electric water heater. (Diagram )

PIPE CONNECTION
- All piping parts are BSP 1/2”. Wind some white tape at the thread sector of the inlet pipe (marked blue).
- Fix the safety valve to the inlet pipe and then connect it to the cold water pipe of the mains.
- Install a water drainpipe to the safety valve to drain away water discharge. (drain pipe joint outlet — diagram 5).
- Install the drainpipe in a continuously downward direction and in a frost free environment.
- Connect the hot water pipe (marked red) to the outlet pipe.
- Do not over-tighten the safety valve and all pipes joint as it may cause damage to the joints.
- Make sure all pipes are clean before installing the taps and showers.


DISPLAY INSTRUCTIONS
- Display setting temperature/ actual temperature
- Display exact malfunction code (reference to malfunction and related measures)
Display heating icon - Functional mode icon
- Display thermal insulation icon
- Function button

- Press “
” button. Turn on or turn off the power - Press “ECO” button ,then enter into ‘ECO” heating mode;
- Press “Smart” button, then enter into ‘Smart” Intelligent heating mode;
- Press “Power” button ,then enter into standard heating mode;
- Press button to change setting mode;
FUNCTION OPERATIONAL SPECIFICATION
- Temperature Setting: press
button to adjust temperature setting within 30ºC to 70ºC; - Power Setting : Press “Power” button ,then enter into standard heating mode and the fixed heating power is 1.5KW;
- Intelligent heating Setting: Press “Smart” button, then enter into ‘Smart”
- Intelligent the acting mode; Initially enter into such mode or convert to Smart mode from other one , the unit is with default control parameter setting.
- Eco setting: Press “ECO” button ,then enter into ‘ECO” heating mode; and the setting temperature is not adjustable but fixed at 50 ºC instead.
HEATING MODES
Standard mode: it refers to one cyclic working mode from heating to keeping warm within the range of temperature difference so that keep water at consistent temperature which are at the rang of setting one, and during the heating process, it is available to adjust power.
SMART mode: it refers to one mode that the system can automatically to learn and to keep memory of the users’ habit of using water in one week, and next week it works the same way as that of last week; during this process, it will adjust the heating temperature according to users different demand of water so that to keep energy saving.
ECO mode: it is just suitable for the users with demand of using little water, so that to keep energy saving.
MAINTENANCE
- All maintenance operation must be carried out by a qualified personnel.
- Before contacting the customer service, make sure the suspected failure is not caused by a temporary lack of water.
- To discharge the water completely from the tank, remove the safety valve from the water heater. Before removing the valve, the power of the heater need to be switched off for the tank to cool down (outlet connection must also be disconnected)
ELECTRICAL CONNECTION
- The electrical connection must be done by a qualified electrician.
- The electrical supply is connected directly to the connector provided with the earth connection. The ground wire must be green/yellow in color and attached to the terminal marked by the symbol

- The heater must be connected to the electricity supply that out of reach from the person using the shower.
- All wiring must conform to local requirements. If in doubt, please consult a qualified electrician.
Note: All plumbing connections must be completed before making the electrical connections. Fill the tank with water and turn on the tap to let the water exiting out from the tank until all the air has been expelled out. Electricity on after water tank full of water.
- This appliance can be used by children aged from 8 years and above and persons with reduced physical, sensory or mental capabilities or lack of experience and knowledge if they have been given supervision or instruction concerning use of the appliance ina safe way and understand the hazards involved. Children shall not play with the appliance. Cleaning and user maintenance shall not be made by children without supervision.
- If the supply cord is damaged, it must be replaced by the manufacturer, its service agent or similarly qualified persons in order to avoid a hazard.
- The water may drip from the discharge pipe of the pressure-relief device and that this pipe must be left open to the atmosphere.
- The pressure-relief device is to be operated regularly to remove lime deposits and to verify that it is not blocked.
- A discharge pipe connected to the pressure-relief device is to be installed in a continuously downward direction and in a frost-free environment.
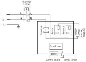
WIRING DIAGRAM
TROUBLESHOOTING GUIDE
Symptom | Cause | Solution |
Indicator light does not light up. |
| Get the professional technician to check the electrical wiring and indicators. |
Water temperature not warm enough |
|
|
No water from the warm water tap | 1. Main water valve not turn on. | 2. Turn on the main water. |
Water leakage |
|
|
Electrical mains tripped | 1. Element short circuit | 1. Replace element. |
HOW TO CONNECT THIS MODEL WITH WIFI
This model is with WIFI control function. Please refer to the relevant APP operation instructions for specific operations. WIFI configuration:
- For ISO system, download “Tuya” APP from Apple Store and install the APP.
- For Android system, download “Tuya” APP from Google play-Smart Life and install the APP.
- Press WIFI button for 3 seconds, WIFI indicator light will flash at a fast pace, and the unit enters EZ network distribution status;
- Press WIFI+STD buttons simultaneously , WIFI indicator light will flash at a slow pace, and the unit connects with the APP;
WIFI CONFIGURATION
There are 2 ways for WIFI configuration:
- EZ Mode: Press WIFI button on the water heater for 3 seconds, its WIFI indicator light will flash at a fast pace, and the unit enters EZ network distribution status. Then press” Confirm indicator rapidly blink” appears in APP.
- AP mode: Simultaneously press WIFI+STD buttons on the water heater, its WIFI indicator light will flash at a slow pace, and the unit enters AP network distribution status. Then chose AP mode from the APP, and press” Confirm indicator slowly blink” appears in the APP.
PACKING LIST
| No. | Name | Unit (piece) |
| 1 | Storage electric water heater | 1 |
| 2 | User manual | 1 |
| 3 | Inflation bolt | 2 |
| 4 | Safety valve | 1 |

IMPORTANT INFORMATION FOR CORRECT DISPOSAL OF THE PRODUCT IN ACCORDANCE WITH EC DIRECTIVE 2002/96/EC.
At the end of its working life, the product must not be disposed of as urban waste. It must be taken to a special local authority differentiated waste collection center or to a dealer providing this service. Disposing of a household appliance separately avoids possible negative consequences for the environment and health deriving from inappropriate disposal and enables the constituent materials to be recovered to obtain significant savings in energy and resources. As a reminder of the need to dispose of household appliances separately, the product is marked with a crossed-out wheeled dustbin.

C/ Industria, 13, Polígono Industrial El Pedregar. 08160 Montmeló. Barcelona (España)
Tel (0034) 93 390 42 20 – Fax (0034) 93 390 42 05
[email protected]
www.htwspain.com

























