AWH1600/51 Electric Water Heater
User Manual
Red this manual before use and retain for future reference
Thank you for purchasing and a good choice of PHILIPS water heater!
Please read the manual and operating conditions carefully before using the device After reading, keep this manual in a safe place for future reference
Notation used
Caution!
Requirements that, if not followed, could result in serious injury or death
Attention!
Requirements that, if not followed, could result in serious injury or serious equipment damage
Note:
- If the power cable is damaged, it must be replaced by an authorized service agent
- The water heater must be installed in accordance with existing local electrical codes
- Misprints may be made in the text and numerical designations of the instructions
- If after reading the instructions you still have questions about the operation of the device, contact the seller or an authorized service center for clarification.
- There is a shield on the product, which contains technical characteristics and other useful information about the device
- In order to improve the quality of products, the manufacturer reserves the right to change the component parts of the product for different shipments, the color scheme and appearance of the device without prior notice, which does not violate the quality standards and legal norms adopted in the country of production / transit / sale
- Indicators and symbols on the display, control panels of the water heater may not match the graphic image in the user manual, it depends on the series of the device
Safety regulations
Attention!
Caution!
- Read this instruction manual carefully before installation and operation If you have any questions, please contact the official dealer of the manufacturer.
- Use the device only for the intended purpose specified in the user manual.
- Do not store gasoline or other volatile or flammable liquids near the water heater – this is very dangerous
- Do not connect or disconnect the water heater from the mains by removing the plug from the socket
- Do not put foreign objects into the openings of the water heater
- It is forbidden to use the water heater by persons who are not familiar with the user manual, as well as children and persons under the influence of drugs, alcohol, people with limited mental, sensory or physical abilities, unless they are supervised by a person responsible for their safety
- Do not use the water heater if there is any damage to the appliance or cable, after a malfunction, if the appliance has been dropped or damaged in any other way
- Before installing the water heater without connecting it to the mains, check and make sure that a ground loop is present in your mains In the absence of a ground loop in your electrical network, the operation of the water heater is life-threatening.
- Before cleaning or servicing, assembling or disassembling individual parts, and before moving the device, disconnect it from the mains
- Do not turn on the water heater if it is not filled with water.
- It is forbidden to turn on the water heater in an electric network through an extension cord
- Do not turn on the water heater if it is not serviceable
- Do not remove the cover of the water heater while it is running
- Always turn off the water heater during thunderstorms
- If strange sounds or smoke come from the water heater, turn off the appliance immediately
- Before cleaning and maintaining the water heater, always disconnect it from the mains Clean and maintain according to the instructions in this instruction manual
- Do not use or allow hazardous chemicals to clean the water heater
- To avoid the risk of electric shock, a damaged electrical cable should only be replaced by a qualified service center.
- Since the temperature of the water in the water heater can reach +75 °C, when using the water heater, do not put any parts of your body under hot water when you turn it on for the first time. To prevent burns, adjust the outlet water temperature correctly
- Do not use the water heater for purposes other than those specified in this instruction manual
- Do not use the water heater in an explosive or corrosive environment
- It is forbidden to make changes to the design of the water heater or modify it
- Any service work must be carried out by authorized service centers Incorrect installation may void your warranty
- To avoid the risk of electric shock, do not place the electric cable near heaters or flammable or combustible substances.
- Do not immerse the body of the water heater in water or other liquids
- When the device is not in use, always unplug the mains plug from the electrical outlet
- Do not sit, stand or place any heavy objects on the water heater
- Do not attempt to repair the water heater yourself To repair the water heater, contact an authorized service center of the manufacturer
- When disconnecting the water heater from the power supply, do not pull on the cord or touch it with wet hands
- Do not install the water heater in places where it can be exposed to direct sunlight, high temperatures, or near sensitive electrical equipment
- Be sure to check that the voltage of the water heater matches the data of the electrical network
- Children are not aware of the dangers that can arise when using electrical appliances Therefore, do not allow them to use or play with the appliance without your supervision Do not leave the power cord within reach of children, even when the appliance is turned off.
- Keep packaging materials (cardboard, plastic, etc ) out of the reach of children as they may be dangerous
Purpose
Electric water heater storage type is designed to heat cold water coming from the water supply The water heater is used for domestic purposes
Principle of operation
Tap water enters the water heater and is evenly distributed throughout the volume of the tank thanks to a specially installed jet divider This contributes to the fact that the water heated with the help of a heating element inside the water heater is gradually displaced by warm masses upward, from where it is taken and supplied
System of device

- Water heater housing
- Inner tank
- Thermal insulation layer
- Dry heating element DRY SHELL (HE)
- Magnesium anode
- Control panel
- Cold water inlet
- Hot water outlet
- Dielectric coupling Static CARE
- Thermometer
Specifications
Main dimensions
| Model/Dimensions, mm | A | B | C | D | E | F |
| AWH1600/51(30DA) | 624 | 595 | 180 | 350 | 10,5 | 103 |
| AWH1601/51(50DA) | 876 | 844 | 450 | 350 | 10,5 | 103 |
| AWH1602/51(80DA) | 935 | 910 | 431 | 420 | 10,5 | 138 |
| AWH1603/51(100DA) | 1106 | 1081 | 602 | 420 | 10,5 | 138 |

| Parameter/Model | AWH1600/51(30DA) | AWH1601/51(50DA) | AWH1602/51(80DA) | AWH1603/51(100DA) |
| Tank capacity, L | 30 | 50 | 80 | 100 |
| Heating element type | Dry heating element DRY SHELL | |||
| Rated input, W | 2000 | |||
| Power supply, V/Hz | 220-240/50 | |||
| Rated current, A | 8,7 | |||
| Rated pressure, MPa | 0,7 | |||
| Minimum pressure of water, Bar | 0,2 | |||
| Maximum pressure of water, Bar | 7,5 | |||
| Maximum temperature of water, °C | 75 | |||
| Heating time, min (Lt= 45 °C) | 47 | 78 | 125 | 156 |
| Ingress protection | IPX4 | |||
| Class of electric protection | ||||
| Net dimensions (WxHxD), mm | 340x624x340 | 340x876x340 | 410x935x410 | 410x1106x410 |
| Packing dimensions (WxHxD), mm | 390x670x390 | 390x920x390 | 455x970x455 | 455x1140x455 |
| Net weight, kg | 13 | 15,2 | 23 | 26 |
| Gross weight, kg | 17,3 | 20,1 | 25 | 30,5 |
Installation
- The water heater should be installed on a solid wall The wall on which the electric water heater is to be installed must be capable of supporting at least twice the weight of the water heater when fully filled with water, and the wall must be free of cracks and other damage Otherwise, it is necessary to take measures to strengthen the fastening or install the water heater on a special support
- If the bathroom is too small, the waterheater can be installed in anotherplace, closed from direct sunlight andinaccessible to moisture However, toreduce heat losses in the pipelines, theinstallation site of the water heatershould be as close as possible to the pointof use of hot water.
Water heater installation methods
The installation method of the water heater for one consumption point is shown in fig. 3.
Attention!
The water heater must be installed on a vertical wall in a strictly vertical position Installing the device in any other position or skew relative to the vertical will inevitably lead to the failure of the water heater, creating an emergency and is considered by the manufacturer as a non-warranty case.
- Power cord with plug and RCD
- Hot water outlet
- Cold water inlet
- Combined safety valve
- Dielectric coupling Static CARE
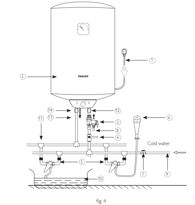
The installation method of the water heater for several consumption points is shown in fig. 4.
| 1 Power cord with plug and RCD 2 Mounted water heater 3 Combined safety valve 4 Cold water inlet tap* 5 Faucet* 6 Shower head* 7. Water main shut-off valve* | 8 Drain tube 9 Water supply 10 Bath* 11 Tee* 12 Inlet pipe 13 Outlet pipe 14 Dielectric coupling Static CARE |
Mounting
- Determine the points for the bolt holes (determined according to the specification of the instrument you have chosen) Drill two holes of appropriate depth in the wall using a drill bit that fits the bolts, install the mounting bracket, and then hang the electric water heater
- Attach the power outlet to the wall The socket requirements are as follows: 220240V / 10A, single-phase, three-wire. It is recommended to place the socket on the right side above the water heater 06 m.
Attention!
The water pressure in the water heater corresponds to the water pressure in the water main If the pressure in the line exceeds 0 7 MPa, then a pressure reducer should be installed in front of the water heater so that the pressure does not exceed 0 7 MPa
Attention!
In places or on a wall where water can enter, the installation height of the electrical outlet must be at least 1 8 m
Water supply connection
- The water heater is connected to a water supply network with a pressure of at least 0 02 MPa, maximum 0 75 MPa
- To connect the water heater to the water supply, pipes with a diameter of G1/2 are used
- When connecting pipes, use rubber seals on the threaded pipe ends to prevent leakage
- Screw the safety valve onto the inlet pipe, marked in blue and with a sign of the direction of water flow, so that the water flow matches the direction of the arrow on the valve body On the pressure relief hole of the safety valve, put a drain pipe to drain water (it may appear when heated) into the sewer
- The safety valve is installed on the cold water pipe (marked with a blue ring) (maximum pressure 0 75 MPa / 7 5 Bar)
If the water pressure in the line exceeds 6 Bar, a pressure reducing valve should be installed - Connect the water heater with the valve mounted to the water supply network – install a shut-off valve at the water supply point
- Connect the desired number of consumption points to the outlet marked in red
- Open the shut-off valve and one of the collapsible valves. After filling the tank, as evidenced by the outflow of water from the collapsible tap, close the collapsible tap and check the tightness of all connections
Electrical connection
- Before connecting, make sure that the power supply at the connection point matches the parameters indicated on the identification plate with the technical data of the device The water heater is designed to be connected to a singlephase 220–240 V electrical network When installing the water heater, the current electrical safety regulations must be observed
- The electrical outlet and plug must be kept dry at all times to prevent electrical leakage Regularly check that the electrical plug is firmly connected to the outlet. The electrical socket must be designed for a rated current of at least 10 A, an electrical cable with a core cross section of at least 3 × 1 5 mm2 (for copper) Carry out the check in the following order: insert the electric plug into the socket, after half an hour of operation, turn off the water heater and remove the plug from the socket, check with your hand if the plug has warmed up If the plug has become hotter than 50°C, replace the outlet with a different one to avoid damage, accidents, or fire due to poor electrical contact. This should be done by a specialist
Attention!
- Do not mount additional devices, such as a shut-off valve, between the safety valve and the inlet pipe
- If the water at the installation site contains a large amount of calcium, manganese or iron salts, then it is necessary to install an appropriate filter in the supply system to reduce the amount of scale in the tank and on the heating element
- Before connecting the storage water heater, make sure that the water heater is properly grounded Proper grounding is important to minimize electric shock and fire hazards.
The power cord is equipped with a plug with a grounding contact The device must be used with a properly grounded power outlet If the outlet you plan to use is not properly grounded or protected by a time delay fuse or circuit breaker, contact a qualified electrician to install the correct outlet - To ensure reliable operation and safe operation of the water heater, before using it for the first time, check that it is correctly connected to an AC 220 V electrical network The connected water heater must be securely connected to the ground loop of your electrical network Using the water heater without grounding is life threatening
RCD (residual current device)
- Prevention of electrical leakage
- Follow the installation instructions when connecting the water heater
- Connect the power plug to the mains, press the button on the front side of the RCD (3), the indicator light will light up
- To test the RCD, press the TEST button (2) The Power indicator (1) will be off.
- To restart the RCD, press button (3)

Exploitation
Turning on the water heater
- Open one of the hot water outlet valves, then open the cold water supply valve The electric water heater will begin to fill with water. When water flows freely from the hot water tap, this means that the water heater is completely filled with water and the hot water outlet tap can be closed
- Insert the electrical plug into the socket
Selecting the power mode
Models of water heaters of this series operate in one power mode of 2000 W and the choice of another mode is not provided
Attention!
During normal operation, the cold water supply tap must be set to the «open» position
Setting the water heating temperature
- The temperature of the water in the water heater can be set between +30 and +75 °C
- Turning the thermostat knob clockwise increases the water heating temperature
- Turning the thermostat knob counterclockwise reduces the water heating temperature
- The water heater automatically maintains the water temperature When the water temperature inside the water heater reaches the temperature set by the user, the heating is automatically turned off, while the «Heating» indicator on the control panel goes out, and the «Warm» indicator lights up When the temperature of the water inside the water heater drops to a certain level, the heating automatically turns on, while the «Heating» indicator on the control panel lights up, and the «Warm» indicator goes out
- By setting the thermostat knob to the “Optimal TEMP” position, you activate the mode that corresponds to the most comfortable water heating temperature (+55 °С (±2)), as well as the most efficient power consumption mode
Shutdown
To turn off the water heater, turn the thermostat knob to the « » position The water heater will stop working
It is recommended to always disconnect the water heater from the electrical mains if you do not plan to use the appliance for some time
Thermometer
Models of the series are equipped with a thermometer (Fig 6) that displays the current level of water heating in the internal tank.

Attention!
During heating, water may start to drip from the opening of the safety valve Water leakage cannot be avoided and must not be prevented, since blocking the valve can lead to rupture of the internal tank (in the event of an equipment failure)
Service
- Check the electrical plug and socket as often as possible Reliable electrical contact must be ensured, as well as proper grounding The plug and socket must not become excessively hot
- If the water heater is not used for a long time, especially in regions with low air temperature (below °C), to prevent damage to the water heater (due to freezing of water in the internal tank), the water from the heater should be drained
- To ensure reliable operation of the water heater for a long time and maintain warranty obligations, it is recommended that regular maintenance by specialists of authorized service centers is recommended, during which the internal tank is cleaned, salt deposits are removed from the electrical heating elements of the water heater, and the condition of the magnesium anode is checked, in case consumption of half or more is replaced The frequency of maintenance of the water heater depends on the hardness of the water in the area Possible intervals from 3 months to a year The frequency of cleaning the tank depends on the hardness of the water Cleaning must be carried out by authorized service centers In the warranty card, a note is required that maintenance is carried out at least once every 12 months
- Preventive work must be carried out with strict observance of the operating instructions and safety precautions by specialists of authorized service centers

- In case of water overheating, the thermal biopolar fuse breaks the electrical circuit on both sides of the heating element In this case, determine the cause of overheating and reset the thermostat manually by pressing the reset button located on the thermostat (or, in case of a malfunction, replace the thermostat)
- Remember to check the operation of the safety valve every 14 days Check method: – move the drain handle to the upper position until you feel the transition of the thread, and then water should flow from the valve hole
After checking the water flow, return the handle to the previous position - Check periodically for scale and blockage Drainage of the valve, in order to avoid clogging, is carried out as follows: if the valve has a lever, then it must be lifted several times, if the valve is without a lever, it must be unscrewed and scale
accumulations removed
Attention!
- Never drain water if its temperature is above 50 °C, as this may cause burns.
- If water does not flow, the valve is damaged In this case, the water heater must not be used and it is recommended to call a service technician
Troubleshooting
| The phenomenon | Reasons | Treatment failure |
| The water temperature is too high | Damage to the water temperature control system. | Contact a repair specialist an authorized center. |
| Water flows from the body of the appliance | 1.Destruction of the inner tank (corrosion). | Contact a repair specialist an authorized center. |
| 2.The seal at the connection point of the heating element is broken. | ||
| Indicator do not light, water does not heat up | 1.Damage to the temperature control device. | Contact a repair specialist an authorized service center. |
| 2.The temperature limiter has been activated or not activated | Turn on the thermal switch, following the instructions for turning it on. | |
| 3.Damage to the temperature limiting device. | Contact a repair specialist an authorized service center. | |
| No water flows from the hot water tap | 1.The water supply is turned off. | Wait until the water supply is restored. |
| 2.Too low water pressure. | Turn on the water heater again when normal water pressure is restored. | |
| 3.Closed cold water tap. | Open the cold water supply tap. | |
| Water leak | The seal at the pipe connection is broken. | Replace joint seal. |
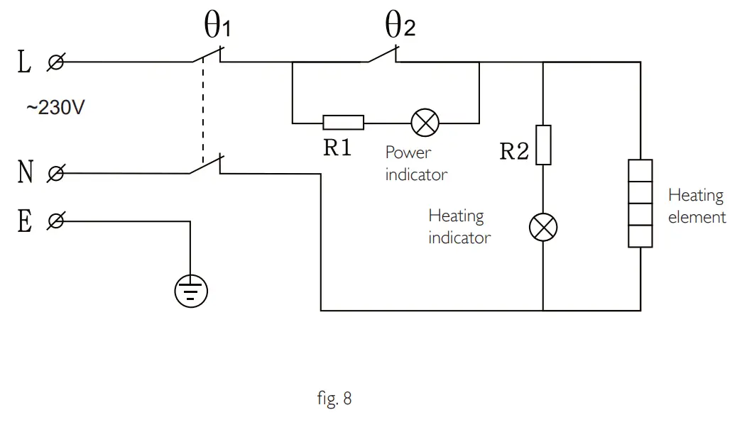
Electrical principal diagram

Transportation and storage
Products should be stored in dry, ventilated warehouses at a temperature not lower than -30°C.
- During transportation and storage, the requirements of handling signs on the packaging of the device must be strictly observed
- During transportation, any possible shocks and movements of the package inside the vehicle must be excluded 3 Temperature requirements: from -30 to +50 °С.
- Humidity requirements: 15 to 85% (no condensation)
Equipment
- Water heater — 1 pc
- Safety valve — 1 pc
- Anchor bolts — 2 pcs
- Dielectric coupling Static CARE – 2 pcs
- User Manual / Warranty card – 1 pc.
- Packing — 1 pc
Service life
The service life of the water heater is 15 years, provided that the relevant installation and operation regulations are observed
Date of manufacture
The date of manufacture is indicated on the device and is determined as follows:
Disposal rules
At the end of its useful life, the device must be disposed of in accordance with the rules, regulations and methods in force at the place of disposal Do not dispose of the device with household waste At the end of the device’s useful life, take it to a collection point for recycling, if this is required by the rules and regulations in your area This will help avoid possible consequences for the environment and human health, and will also encourage the reuse of product components Information about where and how you can dispose of the appliance can be obtained from your local authorities
Product certification
The product meets the requirements:
TR CU 004/2011 «On safety of lowvoltage equipment», TR CU 020/2011
«Electromagnetic compatibility of technical equipment»
TR EEU 037/2016 «On restriction of using hazardous substances in the electrical and radioelectronic articles»
Manufacturer:
AQUASHIELD EUROPE s r o
Hájkova 1, Prague 3 130 00 Czech Republic
Importer in the Russian Federation:
«Kompaniya BIS» LLC
119180, Moscow, B Polyanka str , 2, bld 2,
R I/8,
the Russian Federation
Tel: 8 495 150-50-05,
e-mail: [email protected]
Made in China
COMMISSIONING INFORMATION
| Date of work | Service center name | Full name of the master | Produced works |
WARRANTY
| Model Serial number | |
| Date of manufacture | Guarantee period |
| Date of sale* | Mounting date” |
| Customer | |
| Salesman | |
| The organization that installs the equipment |
Dear Customer!
Thank you for choosing a PHILIPS product
You have made the right choice in favor of quality equipment
This document does not limit the rights of the Buyers defined by law, but supplements and clarifies the provisions stipulated by law. The conditions and rules set out in this warranty card are voluntary unilateral obligations of the Manufacturer to the Buyer and regulate the procedure for their relationship in connection with the quality guarantee provided We ask you to carefully study the terms of the warranty and make sure that the warranty card has been correctly filled out and has the stamp of the Seller In the absence of the Seller’s stamp and the date of sale (or a cash receipt with the date of sale), the warranty period of the product is calculated from the date of manufacture of the product.
Carefully check the appearance of the product and its completeness, present all claims regarding the appearance and completeness of the product to the Seller upon purchase of the product
For installation (connection) of water heaters, we recommend contacting our authorized service centers The Seller/Manufacturer shall not be liable for defects in the product resulting from its improper installation (connection), failure to comply with the requirements of the Installation section of the User Manual Information about service centers authorized to repair and maintain the product can be found on the Philips com website
The warranty period for water heaters is:
- 24 months – unconditional guarantee.
- 48 months for all electrical components and 72 months for tank leakage under the following conditions:
a) Installation of the water heater in accordance with the rules for installation, storage and transportation
b) Annual maintenance by an authorized service center with the replacement of the magnesium anode with a branded one - 60 months for all electrical components and 120 months for tank leakage under the following conditions:
a) Installation of the water heater in accordance with the rules for installation, storage and transportation
b) Annual maintenance by an authorized service center with the replacement of the magnesium anode with a branded one
c) Installing a branded AWH9820 filter with its annual maintenance *
Information about the maintenance performed is recorded in the operation manual
The warranty for the equipment is valid under the following operating conditions:
• use of the product in strict accordance with the instruction manual; compliance with regulations and safety requirements
The warranty periods apply only to products that have been used for domestic purposes, not related to business activities
Warranty obligations apply only to types of breakdowns caused by a proven manufacturing defect of the manufacturer All other types of breakdowns must be eliminated by the forces and at the expense of the Buyer
The product warranty is valid only if the warranty card is filled out correctly and the following information is available:
• model name;
• serial number (located on a special label with the EAN-128 code);
• Date of sale;
Seal of the seller’s company and signature of the representative of the seller’s company
In case of failure of the product during the warranty period, you must contact an authorized service center or the Seller of the product
Warranty repair of the product is carried out in authorized service centers within a period not exceeding 30 (thirty) days
This warranty does not give any right to recover or cover damages resulting from alteration and adjustment of the product without the prior written consent of the Manufacturer
The warranty does not apply to: consumables and component parts of the equipment, the failure and / or scheduled replacement of which during the warranty period is due to the very need for their use These include: various filters, various lamps and light bulbs, fuses, trim parts and housings The magnesium anode is a consumable item and is not covered under warranty
The warranty is not provided in the following cases:
- if the serial number of the product is completely/partially changed, erased, deleted or illegible;
- use of the product not for its intended purpose, not in accordance with its Operating Instructions, including the operation of the product with overload or in conjunction with auxiliary equipment not recommended by the Seller / Manufacturer;
- the presence of mechanical damage on the product (chips, cracks, etc ), exposure to excessive force, chemically aggressive substances, high temperatures, high humidity/dustiness, concentrated vapors, if any of the above caused the product to malfunction;
- repair of the product by unauthorized organizations/persons;
- natural disasters (fire, flood, etc.) and other causes beyond the control of the Seller /Manufacturer and the Buyer;
- defects resulting from the ingress of foreign objects, liquids, insects and their metabolic products, etc into the product;
- improper storage of the product;
- if malfunctions in water heaters have occurred as a result of:
– freezing or just a single excess of the maximum allowable water pressure indicated on the rating plate of the water heater;
– operation without protective devices or devices that do not comply with the technical characteristics of water heaters;
– use of corrosive water;
– corrosion from an electrochemical reaction, untimely maintenance of water heaters in accordance with the operating instructions (including failure to comply with the frequency and timing of maintenance established by the instructions in the amount specified in the instructions)
The buyer is warned that, in accordance with paragraph 11 of the «List of non-food products of good quality, not subject to return or exchange for a similar product of a different size, shape, size, style, color or configuration» Post. Government of the Russian Federation dated 19 01 1998 No 55, he is not entitled to demand the exchange of the purchased product in accordance with Art 25 of the Law “On Protection of Consumer Rights” and Art 502 of the Civil Code of the Russian Federation All necessary information about the purchased product and its consumer properties in accordance with Art 10 of the Law «On Protection of Consumer Rights» is provided to the Buyer in full The buyer received the instruction manual for the purchased product in Russian
The Buyer is familiar with and agrees to the terms of warranty service/features of operation of the purchased product
Visit us:
www.philips.com/water
Specifications are subject to change without notice
© 2022 AquaShieldAll rights reserved.
The Philips trademark and the Philips Shield Emblem are registered trademar ks of Konink lijke Philips N.V. used under license. This product has been manufactured by and is sold under the responsibili ty of Hong Kong AquaShiel d Health Technology Company Limited and Hong Kong AquaShield Health Technology Company Limited is the warranto r in relatio n to this product. Rev A JAN 22.



















