ARISTON BLU1 Electric Water Heaters

GENERAL WARNINGS
- This manual is included in water heater delivery set. It should be kept alongside the appliance even if the latter is transferred to another user and/or moved to another location.
- Read this manual carefully. It provides important safety precautions for installation, use and maintenance of the water heater.
- The appliance is installed at the expense of the user.
- The use of the appliance for purposes other than those specified is strictly forbidden. The manufacturer is not to be held responsible for any damage due to failure to comply with the instructions set in the manual.
- All installation and maintenance works must be carried out by a qualified technician in conformity with the current rules and regulations, as well as the directions provided by the manufacturer.
- Incorrect installation can cause personal injury and property damage. The manufacturer is not to be held responsible for damage due to incorrect installation.
- Keep all packing material (clips, plastic bags, polystyrene foam, etc.) out of children’s reach. The packing material is hazardous for health.
- The appliance is not intended for use by persons (including children) with reduced physical, sensory, or mental capabilities, or lack of experience and knowledge, unless they have been given supervision or instruction concerning use of the appliance by a person responsible for their safety.
- It is strictly forbidden to touch the appliance barefoot or with wet hands and/or feet.
- Repair works should be carried out by a qualified technician using original spare parts produced by manufacturer. Failure to comply with this requirement invalidates all warranties on the part of the manufacturer.
- The temperature of the hot water is adjusted by a thermostat that acts as a protection against overheating.
- Water supply must be done in accordance with paragraph «Hydraulic Connection».
- Electric wiring must be done in accordance with paragraph «Electrical Connection».
- It is strictly forbidden to modify or replace the safety valve with the other one which does not meet the current rules and regulations, if it is not included in the delivery set.
- No inflammable items should be kept near the appliance.
- The water heater is a technically sophisticated electrical appliance for household purposes.
- Whenever electrical water heater installation involves re-equipment (rearrangement) of residential and non-residential premises in residential buildings, installation should be performed only after relevant permissions have been obtained in a proper manner.
- The water heater must be transported in a vertical or a horizontal position (depending on a model) by any covered kind of transport. The water heater must be fixed securely in order to avoid any possible damage, drift or drop inside the vehicle.
- It is forbidden to subject impact loads to the water heater during the cargo handling operations.
- If it is necessary to grab the box by clips during transportation, it is recommended to grab the sides of the packaging where following symbol is printed

- In the warehouse, which stores the product, air temperature must be from +5°C to + 40°C and relative humidity must be less than 80% at +25°C. If the temperature is lower, there must be no condensation.
- The product must be stored in containers in storage areas, protected from exposure to precipitation, in the absence of acids, alkalis and other impurities vapors.
KEY TO SYMBOLS
| Symbol | Meaning |
![]() | Failure to comply with this requirement can result in severe injuries and even death |
![]() | Failure to comply with this requirement can result in damage to property, plants, or animals |
![]() | General requirements and safety precautions for use |
GENERAL SAFETY NORMS
| Ref. | Warning | Risk | Symbol |
| 1 | Do not open the water heater body | Electric shock. Burns due to the contact with overheated components. Injuries due to the contact with sharp edges or protrusions | ![]() |
| 2 | Do not start or stop the water heater by plugging it into or out of the wall outlet. Use the power switch for this purpose | Electric shock in case of cable, plug, or socket damage | ![]() |
| 3 | Do not use the water heater with a damaged power supply cable | Electric shock from live unsheathed wires under voltage | ![]() |
| 4 | Do not leave anything on top of the appliance | Injury from an object falling off the appliance due to its vibrations | ![]() |
| Damage to the appliance or any objects underneath it due to the object falling off following vibrations | ![]() | ||
| 5 | Do not climb onto the appliance | Injury from the falling appliance | ![]() |
| Damage to the appliance or any objects underneath it due to the appliance falling off from its place of installation | ![]() | ||
| 6 | Before cleaning, isolate the appliance from the mains by unplugging it or turning the switch off | Electric shock | ![]() |
| 7 | Install the appliance on a solid wall that is not subjected to any vibrations | Excessive noise | ![]() |
| 8 | Make electrical connections using cables with conductors of suitable section | Incorrect conductor section results in cables overheating. It may cause fire. | ![]() |
| 9 | Make sure all control and protection functions operate correctly before start the appliance | Shutdown or damage of the appliance due to out-of-service or unregulated control system operation | ![]() |
ADDITIONAL SAFETY RULES
| 10 | Before water heater handling, drain hot water | Burns | ![]() |
| 11 | Descale the components in accordance with the instructions provided in the applicable document. Air the room.Work is performed in protective clothing, avoiding mixing different products. The water heater and surrounding objects shall be protected against ingress of cleansers | Injury due to contact of the skin or eyes with acidic substances, inhalation or swallowing of harmful chemical agents. | ![]() |
| Damage to the appliance or surrounding objects due to corrosion caused by acidic substances | ![]() | ||
| 12 | Do not use any insecticides, solvents or aggressive detergents to clean the appliance | Damage to the plastic and painted parts | ![]() |
Congratulations on your purchase of an electric water heater manufactured by Ariston Thermo Group. The appliance is designed in compliance with the European quality standards and conforms to declared technical characteristics. The water heater is easy to use; it demonstrates great consumer properties and durability in operation. We hope that you will be satisfied with its work.
Please, read this manual carefully to ensure proper installation and operation of the water heater.
GENERAL INFORMATION
Delivery set and purpose
- Water heater
- Safety valve
- Bracket
- Installation and operation manual
- Warranty certificate
- Original packing
- «T» piece union and drain tap (optional)
The appliance is designed for installation inside the buildings, in the household and utility premises. It is intended for water heating to a temperature below boiling point, with the option of the hot hot water’s supply (not intended for drinking) at several spots (bathroom, kitchen, and toilet) and further maintenance of the set temperature in the automatic mode. Water heating time depends on the volume of the water heater and the power of the heating element.
Main elements
- Inner tank
- Thermal insulation of polyurethane foam providing minimal heat dispersion
- Heating element
- Temperature controller which allows you to set the desired temperature of the water heating
- Thermostat controlling the temperature of water in the tank
- Safety valve which is installed at the inlet of the water heater and serves to prevent the return of water to the water line and protect the tank from excessive pressure
- Magnesium anode rod providing additional protection of the inner tank from corrosion
TECHNICAL CHARACTERISTICS
| Product range | 30 SLIM | 40 SLIM | 50 SLIM | 65 SLIM | 80 SLIM | 50 | 65 | 80 | 100 | 120 | 150 | |
Weight (kg) | Enamel | 12 | 14 | 17 | 19 | 21 | 15 | 17 | 19 | 23 | 28 | 32 |
| Inox | 9 | 11 | 12 | 14 | 16 | 12 | – | 15 | 17 | 20 | 25 | |
This appliance is conforming with the international standards:
– Electrical safety standards IEC 60335-1 and IEC 60335-2-21.
– EMC Electro-Magnetic Compatibility: EN 55014-1, EN 55014-2, EN 61000 3-2, EN 61000-3-3
The products are compliant according to:
– TP TC 004/2011 «Technical regulations of the Customs Union on safety of low voltage equipment».
– TP TC 020/2011 «Technical regulations of the Customs Union on electro magnetic compatibility».
INSTALLATION
Attention! The installation and set-up of the water heater must be carried out by a qualified technician in conformity with the applicable rules and hygiene and sanitary standards in force and with any provisions set forth in this manual.
Hot-water boiler bonding against the wall
- Water heater mounting is made on the main wall using brackets and fastening hooks. Fastening hooks (not included in the supply) with a diameter of at least 12 mm are recommended. Depending on the model, you will need 2 or 4 of the fastening hooks.
- Prepared fastening must support a weight that is three times higher than the weight of the water heater filled with water.
- The appliance should be installed as close as possible to the point of water intake to limit heat (A in Fig. 1).

- Allow for a clearance of at least 50 cm under the appliance and a clearance of 10 cm from the ceiling for maintenance.
- Fastening of hooks to the wall must prevent inadvertent movement of the bracket of the water heater over them. After installation, be sure to check security of the fastening.
- To prevent the property of the customer and (or) third party from damage caused by failures of hot water supply system, it is recommended to mount the water heater in the premises provided with waterproof floor and sewer drain. Never put objects sensitive to water under the water heater.
- During mounting water heater in the unprotected areas, you must install underneath the protective tray with drainage into the sewer.
Hydraulic connection
Attention! Installation of safety valve Included In the delivery set Is necessary.
Do not install any stop valve between the safety valve and cold water inlet of the water heater and do not block the drain hole of the safety valve.
Demountable connectors should be used for the water heater connection to the water supply system.
Standard connection
- Safety valve (A in Fig. 2) supplied must be installed on the cold water inlet of the water heater (marked with the blue ring).
- Connect the inlet of the safety valve to the cold water line with a tube or flexible hose.
- Connect a tube or flexible hose to the hot water outlet of the water heater (marked with the red ring) for hot water removal to the draw-off point.
- For easy maintenance, it is recommended to install a T-piece with shut-off (B in Fig. 2) between the cold water inlet and safety valve of the water heater.

It will help to drain water from the water heater without safety valve removal. - To facilitate the access of air into the tank when draining water, it is recommended to install an additional T-piece with shut-off valve at the hot water output.
- When water pressure exceeds 5 bar, place before the safety valve a reducer to reduce the pressure.
- The device cannot work with water where hardness is less than 12°F. If water is with hardness above 25°F, it is necessary to use softener to reduce the formation of scale and the probability of failure of the heating element.
The water hardness should not fall below 15°FConnection to open tank filled with water - Water is supplied to the water heater from the tank by gravity. Safety valve is not necessary in this type of connection.
Electrical connection
Attention! Electrical wiring should be done by a qualified technician, ensuring it complies with safety rules. The manufacturer is not to be held responsiable for any damage caused by the incorrect earthing of system or for fault defaults of electricity supply.
- If the product is already equipped with a cable and plug, simply connect it to a power supply source.
- If the water heater is supplied without a power supply cable, use a cable featuring the same characteristics (type H05VV-F 3×1,5 mm2 , Ø 8,5 mm) for connection. Remove the cover. The power supply cable should be threaded through the relevant hole on the cover of the appliance and fixed to the thermostat terminals. Then every wire should be fixed in place by the corresponding screw.
- The water heater must be earthed. Grounding scheme should ensure the absence of electric potential on the body of the water heater. The earth cable (of yellow-green color) should be fixed to the terminal marked by the symbol
.
Fix the power supply cable using the cable clamps.
Make sure that the power supply voltage conforms to the water heater technical characteristics indicated on the data plate.

A Indicating light contacts
B Earthing
C Power supply
STARTING AND OPERATION
Commissioning
- Shut off the hot water supply of the central water supply system. Before connect the appliance to power source, fill the tank up with mains water. To do this, turn on hot water mixer tap and then tap of cold water supplied to the water heater.
- Once the water heater is full, the water will flow from the mixer tap. Check the flange for leakages. Center it and tighten the nuts if necessary.
- Turn the hot water tap on the mixer off.
- Connect the appliance to power source.
Temperature control
- In models equipped with external control, water temperature can be controlled by a handle connected to the thermostat in accordance with marks.
- The temperature is set by using the regulation button clockwise to increase the temperature of heating and counterclockwise to decrease it.
- The indicator lamp is constantly lighting during heating phase, and turns off after reaching the set temperature.
- If an appliance model does not have an external control, temperature can be set by turning the adjusting screw of the thermostat in the range marked by «+» and «-» signs. To do so, disconnect the water heater from the power supply and remove the plastic cover of the appliance.
- It is recommended to install the controller in a position corresponding approximately to 75% of the maximal value. In this case, the appliance is operated in economy mode significantly reducing the rate of scale formation.
MAINTENANCE AND REPAIR WORKS
Attention! Do not try to repair the appliance by yourself. All maintenance and repair works should be carried out by a qualified technician in conformity with the safety norms and with any provisions set forth in this manual.
Water Drain
If there is a possibility that the ambient temperature drops below 0°C in the room where the appliance is installed, drain
water from the water heater.
- Disconnect the appliance from the electrical supply;
- Make sure that the water in the appliance is of safe temperature;
- Turn off the tap of cold water supply to the water heater;
- Turn on the hot water tap on mixer for pressure relief inside the tank;
- Turn on the T-connector stop valve installed at hot water outlet (marked with red ring) for air access into the tank. If it is absent, remove the connections at the water heater outlet;
- Connect drain hose directed into the sewer to the T-connector stop valve installed at the cold water inlet of the water heater (marked with the blue ring) and open it. If there is no T-connector, connect the hose to water heater inlet;
- After draining, make sure there is no water inside the water heater.
Freezing of water inside the water heater leads to irreversible changes and defects.
It invalidates all warranty liability on the part of the manufacturer.
Replacing internal parts
Prior to work, disconnect the appliance from the power supply and drain the water from the water heater.
Remove the appliance cover.
To replace the thermostat pull it straight out ot the cluster and disconnect from power supply.
To replace heating element and magnesium anode (models with an autoclave flange) remove the nut (D in Fig. 3), remove the flange holder (S in Fig. 3) and open the flange (F in Fig. 3) by pressing it inside. Remove the flange by turning it on its axis.
To replace heating element and magnesium anode (models with a flange on the 5 bolts) remove 5 nuts (C in Fig. 4) and remove the flange (F in Fig. 4).
During reassembly, make sure that all components are put back in their original positions.
We recommend replacing the flange gasket every time when reassembling.
Prior to any repair or maintenance procedure, disconnect the unit from power source.
Use original spare parts of the manufacturer only.
Periodical maintenance
Magnesium anode
The magnesium anode rod is an integral part of the protection system of water tank and heating element against corrosion against corrosion.
It’s necessary to check the condition of the magnesium anode rod ANNUALLY.
In case of severe wear, the magnesium anode rod must be replaced.
The warranty for water tank and heating element with the worn with the worn magnesium anode rod (residual volume is less than 30%) is not valid.
The magnesium anode rod should be replaced at least once in 24 months (except for the water heater with the internal tank made of stainless steel).
The magnesium anode rod is a consumable item that cannot be replaced underwarranty.
Safety valve
The safety valve (pressure safety device) must be inspected regularly to check that it is not blocked or damaged. Replace the valve or remove limescale deposits if necessary. If the safety valve is equipped with a lever, regular valve correct operation check procedure can be performed with its help.
The drainage pipe of the safety valve may generate water droplets. It is not a defect; it is due to relief work function of the valve pressure relief that occurs when water is heated in enclosed space of the inner tank.
RCD (Residual Current Device)

If the appliance comes with a residual current device (RCD) located on the power cord, and then after the tankof the water heater is filled with water and the system is checked for leaks, put in the electrical plug of the water heater and do the following:
- Press «RESET» knob on the RCD body, LED will be lit indicating electricity supply.
- Then press «TEST» knob, power will be off, as well as LED.
- Press «RESET» knob again. If the power LED lit up, it means that the appliance is safe to use.
- If you press the «RESET» knob, but LED does not light up, contact the Technical Assistance Centre for advice by a qualified technician.
Heating element
Tubular heating element is intended for water heating in the inner tank, by converting electric energy into thermal energy.
Scale formation on its surface may lead to a deterioration in heat transfer, overheating and failure of the heating element. Regularly inspect and, if necessary, remove the limescale from its surface with a descaling solution.
The warranty on the heating element is not valid if one or several following conditions:

- The water hardness exceeds 25°F;
- The thickness of the scale layer on the surface of the heating element is more than 5 mm;
- The residual volume of the magnesium anode is less than 30% of the original.
Note
- Manufacturer disclaims any liability for any damage due to incorrect plug in and failure to comply with the requirements set forth in this manual.
- Plumbing lines and stop valves must comply with the water supply pipelines.
- Water heater is a sophisticated technical household appliance.
- Hot water with temperature over 50°C may immediately cause severe burns or even death. Children, medically fragile and elderly people are more exposed to the risk of burns.
- Water may drip from the water heater, so do not leave valuable items and equipment under the appliance.
- If there Is a possibility that the temperature drops below 0°C in the room where the appliance is installed, drain the water from the water heater.
- Water heater installation and plug in are performed at customer’s own cost.
- Heat insulation marks on the outer casing of the item are a technological feature of the production process and are noi considered as a defect.
- Any repair or maintenance procedures must be performed only after the heater Is disconnected from the power source.
- Any malfunctions must be repaired by professional repair service centers.
- If a malfunction appeared, disconnect the water heater from the power source, shut off cold water supply and contact service center about it.
- Before making call to the service center, make sure that the problem is not related to water or power outages.
For warranty servicing, please contact the nearest authorized service center.
Do not
- Modify the water heater construction.
- Install the vertical models horizontally, and horizontal models vertically.
- Use the water heater for purposes other than that intended.
- Tilt, move and turn water heater during operation.
- Cover or plug the drain hole of the safety valve.
- Connect the water heater to power source when there is no water in it.
- Remove the plastic cover when the appliance Is connected to power source.
- Switch the water heater on if the earthing is faulty or not arranged.
- Use central heating, cold or hot water line as earthing lines.
- UseT-connectors or extenders and adapters to connect the appliance to power source.
- Switch the water heater on in case of heating element or thermostat breakdown.
- Use water heater without pressure regulator with pressure of water line over 5 bar.
- Connect the water heater to pipes and fittings not rated for operation at temperature of 80°C at maximum pressure level.
- Connect the water heater to water line without a safety valve or with a safety valve with lower technical characteristics than the valve in the delivery set.
- Connect the safety valve tothe hot water outlet of the water heater.
- Install the appliance in non-ventilated rooms with high humidity level.
- Operate the water heater at ambient temperatures below zero.
- Expose the appliance to direct sunlight.
Data and specifications are subject to modification. The manufacturer preserves the right to make any necessary changes without prior notice or replacement.
This product conforms to Directive WEEE 2012/19/EU.
The crossed-out recycled bin symbol indicates that in accordance with the regulations of the applicable law this product should be disposed of separately from normal household waste.
The user is responsible for pro per disposal of equipment thereby promoting environmental protection and ensuring the reusing and recycling of materials used in product manufacturing.
Data plate

- Brand
- Serial number or product code
- Model
- Tank material
Fe+Enamel – enamel steel
Inox or Stainless Steel – stainless steel - Maximum pressure
- Volume
- Rated power
- Voltage
- Current frequency
- Country of origin
- Protection rating
Serial number

Recommendation on the storage water heater installation




Water heater device


- Outer housing
- Bracket
- Inner tank
- Hot water outlet
- Magnesium anode
- Cold water inlet
- Thermal insulation
- Thermostat shell
- Heating element
- Flange
- Thermostat
- RCD (optional)
- Power supply cable (optional)
- Knob (optional)
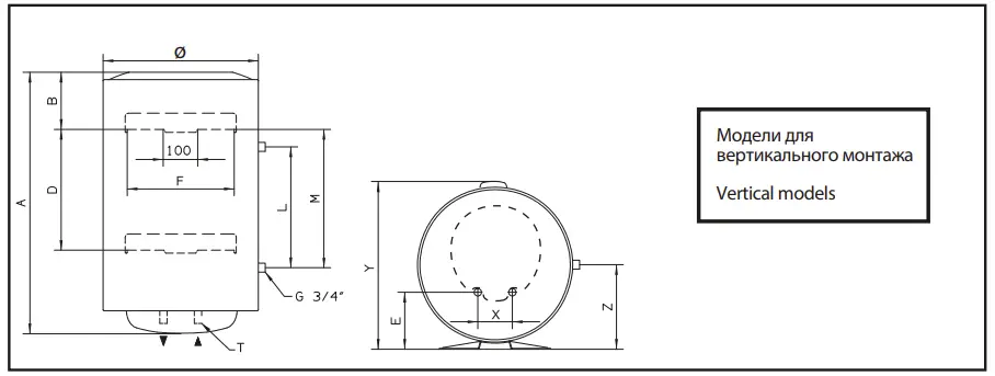
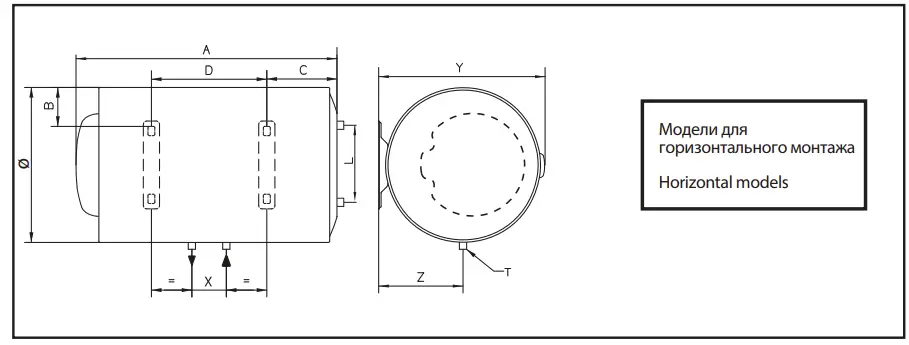
Installation scheme


Dimensions
Ø | MODEL | A | B | C | D | E | F | L | M | X | Y | Z | T |
353 | 30 V | 588 | 145 | – | – | 96,5 | 310 | – | – | 100 | 383 | – | G1/2” |
| 40 V | 719 | 145 | – | – | 96,5 | 310 | – | – | 100 | 383 | – | G1/2” | |
50 V | 837 | 145 | – | – | 96,5 | 310 | – | – | 100 | 383 | – | G1/2” | |
| 65 V | 981 | 145 | – | – | 96,5 | 310 | – | – | 100 | 383 | – | G1/2” | |
80 V | 1178 | 145 | – | – | 96.5 | 310 | – | – | 100 | 383 | – | G1/2” | |
| 30 H | 588 | 64,5 | 141 | 242 | – | 310 | – | – | 100 | 383 | 196,5 | G1/2” | |
40 H | 719 | 64,5 | 141 | 373 | – | 310 | – | – | 100 | 383 | 196,5 | G1/2” | |
| 50 H | 837 | 64,5 | 141 | 491 | – | 310 | – | – | 100 | 383 | 196.5 | G1/2” | |
65 H | 981 | 64,5 | 141 | 635 | – | 310 | – | – | 100 | 383 | 196,5 | G1/2” | |
| 80 H | 1178 | 64,5 | 141 | 832 | – | 310 | – | – | 100 | 383 | 196,5 | G1/2” | |
450 | 50 V | 553 | 163 | – | – | 165 | 310 | – | – | 100 | 480 | – | G1/2” |
| 65 V | 666 | 163 | – | – | 165 | 310 | – | – | 100 | 480 | – | G1/2” | |
80 V | 758 | 163 | – | – | 165 | 310 | – | – | 100 | 480 | – | G1/2” | |
| 100 V | 913 | 166 | – | – | 165 | 310 | – | – | 100 | 480 | – | G1/2” | |
120 V | 1108 | 166 | – | – | 165 | 310 | – | – | 100 | 480 | – | G1/2” | |
| 150 V | 1338 | 164 | – | 944 | 165 | 310 | – | – | 100 | 480 | – | G1/2” | |
50 H | 553 | 113 | 159 | 160 | – | 310 | – | – | 100 | 480 | 245 | G1/2” | |
| 80 H | 758 | 113 | 174 | 335 | – | 310 | – | – | 100 | 480 | 245 | G1/2” | |
100 H | 913 | 113 | 177 | 487 | – | 310 | – | – | 100 | 480 | 245 | G1/2” | |
| 120 H | 1108 | 113 | 177 | 682 | – | 310 | – | – | 100 | 480 | 245 | G1/2” |





Ariston Thermo S.p.A.
Viale Aristide Merloni, 45
60044 Fabriano (AN)
Tel. (+39) 0732.6011ariston.com























