
SuperStor
Solar Supplement

For Residential and Commercial Use
SBN Series and DWSEN Series Models*
* A Suffix of “SBN” Denotes Back-Up Heat Exchanger “DWSEN” Denotes Double Walled Heat Exchanger Models with Back-Up Electric Element
![]()
WARNING
This manual must only be used by a qualified installer/service technician. Read all instructions in this manual before installing. Perform steps in the given order. Failure to do so could result in substantial property damage, severe personal injury, or death.
NOTICE
HTP reserves the right to make product changes or updates without notice and will not be held liable for typographical errors in literature.
The surfaces of these products contacted by potable (consumable) water contain less than 0.25% lead by weight as required by the Safe Drinking Water Act, Section 1417.
NOTE TO CONSUMER: PLEASE KEEP ALL INSTRUCTIONS FOR FUTURE REFERENCE.
SPECIAL ATTENTION BOXES
The following defined terms are used throughout this manual to bring attention to the presence of hazards of various risk levels or to important product information.
DANGER
DANGER indicates an imminently hazardous situation that, if not avoided, will result in serious personal injury or death.
WARNING
WARNING indicates a potentially hazardous situation that, if not avoided, could result in personal injury or death.
CAUTION
CAUTION indicates a potentially hazardous situation that, if not avoided, may result in moderate or minor personal injury.
CAUTION
CAUTION used without the safety alert symbol indicates a potentially hazardous situation that, if not avoided, may result in property damage.
NOTICE
NOTICE is used to address practices not related to personal injury.
Foreword
This manual is intended to be used in conjunction with other literature provided with the Solar Water Heater. This includes all related control information. It is important that this manual, all other documents included with this system, and additional publications, such as Solar Water Heating System Design and Installation Guidelines, SRCC OG-300,
be reviewed in their entirety before beginning any work.
Installation should be made in accordance with the regulations of the Authority Having Jurisdiction, local code authorities, and utility companies that pertain to this type of water heating equipment.
Authority Having Jurisdiction (AHJ) – The Authority Having Jurisdiction may be a federal, state, local government, or individual such as a fire chief, fire marshal, chief of a fire prevention bureau, labor department or health department, building official, or electrical inspector, or others having statutory authority. In some circumstances, the property owner of his/her agent assumes the role, and at government installations, the commanding officer or departmental official may be the AHJ.
NOTE: HTP, Inc. reserves the right to modify product technical specifications and components without prior notice.
For the Installer
WARNING
For your safety, please read through this manual carefully before installation to minimize the risk of fire, property damage, personal injury, or death. Ensure the solar hot water system is properly installed in accordance with this manual before use.
INSTALLATION OR SERVICE IS REQUIRED TO BE PERFORMED BY LICENSED PROFESSIONALS WHERE SOLAR, PLUMBING AND ELECTRICAL WORK IS REQUIRED.
The installer should be guided by the instructions furnished with the tank, as well as local codes and utility company requirements. Preference should be given to codes and requirements where they differ from the furnished instructions. Always use the latest edition of codes.
Additional publications which should guide the installer include Local, state, provincial, and national codes, laws, regulations, and ordinances.
Solar Water Heating System Design and Installation Guidelines, SRCC OG-300, available from Solar Rating & Certification Corporation, 400 High Point Drive, Suite 400, Cocoa, FL 32926-6630, www.solarrating.org.
The latest version of the National Electrical Code, NFPA No. 70.
In Canada refer to Canadian Electrical Code C 22.1, from Canadian Standards Association, 5060 Spectrum Way, Suite 100, Mississauga, Ontario, Canada L4W 5N6.
For Your Records
Write the Product Model and Serial Numbers:
Model # ___________________________________________
Serial # ____________________________________________
These numbers are listed on the product ratings label.
Keep this manual and information for future reference.
Introduction
Your water heater has an internal heat exchanger for use with solar collectors. When there is not sufficient solar energy, the water heater utilizes a backup system to provide hot water. In SBN Series models, an extra heat exchanger is provided to connect to a boiler. In DWSEN Series models, the water heater has an electric heating element.
(Refer to Applications in this manual for piping examples of both models.)
Your system uses a circulation pump to circulate heat transfer fluid (HTF) throughout a closed-loop system. Closed-loop propylene glycol systems provide additional freeze protection for the solar components.
NOTE: System performance and efficiency vary with factors such as household hot water load, ambient air temperature, collector/ roof pitch, collector orientation, and seasonal intensity. Job site conditions will require your installation contractor to supply some or all of the following:
- Plumbing connections
- Piping and insulation
- Valves between your backup water system and the solar system
NOTE: Failure to follow the procedures and instructions in this manual WILL VOID the warranty.
Part 1 – General Safety Information
WARNING
Installer – Read all instructions in this manual before installing.
Perform steps in the given order.
User – This manual is for use only by a qualified heating installer/service technician. Has this water heater been serviced/inspected annually by a qualified service technician?
Failure to adhere to these guidelines can result in substantial property damage, severe personal injury, or death.
NOTE: Obey all local codes. Obtain all applicable permits before installing the water heater.
NOTE: Install all system components and piping in such a manner that does not reduce the performance of any fire-rated assembly.
DO NOT USE THIS WATER HEATER IF ANY PART HAS BEEN SUBMERGED IN WATER. Immediately call a qualified service technician. The water heater MUST BE replaced if it has been submerged. Attempting to operate a water heater that has been submerged could create numerous harmful conditions, such as a potential gas leakage causing a fire and/or explosion, or the release of mold, bacteria, or other harmful particulates into the air. Operating a previously submerged water heater could result in
property damage, severe personal injury, or death.
NOTE: Water heater damage due to flood or submersion is considered an Act of God, and IS NOT covered under product warranty.
NOTE: If the solar water heater is exposed to the following, do not operate. Immediately call a qualified service technician.
- Fire
- Damage
- Submersion in Water
Failure to adhere to these guidelines can result in substantial property damage, severe personal injury, or death.
Only use this water heater as intended and described in this installation manual. Any use other than described will void the warranty and may lead to fire, property damage, personal injury, or death.
CAUTION
Improper installation or use may result in property damage. Such damages ARE NOT covered by warranty.
NOTICE
UNCRATING THE WATER HEATER – Any claims for damage or shortage in shipment must be filed immediately against the transportation company by the consignee.
ALL PIPING AND PLUMBING CONNECTIONS SHOULD BE MADE WITH COPPER PIPE ONLY. No less than ¾” I.D. copper tube of the type meeting local codes must be used for piping. Pipe runs must be solidly attached with proper clamping methods. Soldered connections should be secured with 95/5 lead-free solder. Use only pipe rated for 250º F minimum on both the collector return and supply piping.
A. When Servicing the Solar Water Heater
To avoid electric shock, disconnect the electrical supply before performing maintenance.
To avoid severe burns, allow solar collectors and associated equipment to cool before servicing.
B. Local Installation Regulations
Installation of this solar water heater may be governed by individual local rules and regulations, which must be observed. Always use the latest edition of codes. The installation, adjustment, service, and maintenance of the solar water heater must be done by a licensed professional who is qualified and experienced in the installation, service, and maintenance of solar hot water heaters.
C. Chemical Vapor Corrosion
| Products to Avoid | Areas Likely to Have Contaminants |
| Spray cans containing fluorocarbons | Dry cleaning/laundry areas and establishments |
| Permanent wave solutions | Swimming pools |
| Chlorinated waxes/cleaners | Metal fabrication plants |
| Chlorine-based swimming pool chemicals | Beauty shops |
| Calcium chloride used for thawing | Refrigeration repair shops |
| Sodium chloride is used for water softening | Photo processing plants |
| Refrigerant leaks | Auto body shops |
| Paint or varnish removers | Plastic manufacturing plants |
| Hydrochloric or Muriatic acid | Furniture refinishing areas and establishments |
| Cement and glues | New building construction |
| Antistatic fabric softeners used in clothes dryers | Remodeling areas |
| Chlorine-type bleaches, laundry detergents, and cleaning solvents | Garages and workshops |
| Adhesives used to fasten building products |
Table 1 – Products and Areas Likely to Have Contaminants
NOTE: DAMAGE TO THE WATER HEATER, COLLECTOR, OR RELATED COMPONENTS CAUSED BY EXPOSURE TO CORROSIVE VAPORS IS NOT COVERED BY WARRANTY. (Refer to the limited warranty for complete terms and conditions.)
D. Insulation Blankets
For installation of insulation blankets, refer to Solar Water Heating System Design and Installation Guidelines, SRCC OG-300.
E. Water Temperature Adjustment
An ASSE 1017 rated mixing valve to avoid severe burns or death from scalding temperatures IS REQUIRED PER SRCC OG-300.
Approximate Time / Temperature Relationships in Scalds | |
| 1200F | More than 5 minutes |
| 1250F | 1 1/2 to 2 minutes |
| 1300F | About 30 seconds |
| 1350F | About 10 seconds |
| 1400F | Less than 5 seconds |
| 1450F | Less than 3 seconds |
| 1500F | About 1 1/2 seconds |
| 1550F | About 1 second |
Table 2 – Approximate Time / Temperature Relationships in Scalds
WARNING
Households with small children, disabled, or elderly persons may require a 120º F or lower temperature setting to prevent severe personal injury or death due to scalding.
In addition, to prevent scalding, the high temperature of the potable water must be limited using an ASSE 1016 tempering valve. This valve is usually located between the hot water storage tank and faucets in bathrooms, kitchens, etc. Tempering valves are mandatory under most codes and usually set to a maximum of 120º F. Tempering valves must be rated for high-temperature solar use.

F. Freeze Protection
NOTE: Consider piping and installation when determining water heater location. Place the water heater in a location not prone to freezing.
CAUTION
Failure of the water heater, solar system, or components due to freeze-related damage IS NOT covered by product warranty.
In order to meet health and safety regulations, solar system antifreeze fluid should be food grade polypropylene glycol, FDA rated as “generally recognized as safe” (GRAS). Using proper concentrations of glycol, solar systems can be operated at ambient temperatures as low as -60o F. Freeze tolerance limits are based upon an assumed set of environmental conditions. Refer to the specification sheet included with the glycol for recommended concentrations. A glycol / potable water mix must not exceed 50% unless the manufacturer specifies that a different ratio is recommended for use with solar water heaters. Glycol may need to be changed periodically (every 3-5 years) to prevent it from becoming acidic; please refer to the guidelines provided by the glycol manufacturer regarding a replacement.
NOTE: The use of glycol not recognized as GRAS is allowed in double-wall heat exchanger models ONLY.
Part 2 – Important Information
A. Scope of this Manual
This manual pertains only to the installation and operation of the solar water heater. Details for the installation, operation, and maintenance of the complete solar water heating system, including, but not limited to the solar collector(s), boiler, pump, system controller, valves, and other plumbing components should be provided separately by their respective manufacturers.
NOTE: This manual is primarily a reference document for authorized installation individuals, as the solar water heater is not permitted to be installed by non-authorized persons.
B. Local Standards and Authorized Persons
Installation must be completed in accordance with local standards and regulations.
Installation must also be completed by a qualified tradesperson who holds relevant industry licenses or certificates. The term “authorized person(s)” used throughout this document refers to a suitably qualified professional. Unless otherwise specified, no part of the solar water heater may be inspected, repaired, or maintained by anybody other than an authorized person.
C. Terminology
Solar terminology differs from region to region. To avoid confusion, please note the following:
Supply – The plumbing line running from the outlet of the collector to the tank (or heat exchanger).
Return – The plumbing line running from the tank (or heat exchanger) to the inlet of the collector. This line incorporates the circulation pump.
CAUTION
COLD WEATHER HANDLING – If the water heater has been stored in a very cold location (BELOW 0º F) before installation, handle with care. Failure to do so could result in damage to the water heater.
D. Locating the Solar Water Heater
This water heater is certified for indoor use only. DO NOT INSTALL OUTDOORS. Outdoor installations ARE NOT covered by warranty. To minimize expense, choose a location for the water heater as centralized to the domestic piping system and near the solar collectors as possible. Also, locate the water heater and domestic water piping where it will not be exposed to freezing temperatures. All piping should be insulated to protect against freezing and minimize heat loss. Additionally, place the water heater so that the
drain, controls, and inlets/outlets are easily accessible.
NOTE: If you do not provide the minimum clearances shown in Figure 3, it might not be possible to service the water heater without removing it from the space.
NOTE: A combustible door or removable panel is acceptable for front clearance.
The solar water heater should also be installed in a place where T&P discharge or a leak will not result in damage to the surrounding area. Install a 2” high drain pan with a minimum of ¾” drain line to prevent water damage if leakage should occur. See Figure 3.
WARNING
Filled hot water storage tanks are very heavy and should be located in areas that can structurally support such weight. Failure to properly locate water storage tanks could result in property damage, personal injury, or death.
CAUTION
High heat sources (sources generating heat 100ºF / 37º C or greater, such as stovepipes, space heaters, etc.) may damage plastic components of the water heater as well as plastic vent pipe materials. Such damages ARE NOT covered by warranty. It is recommended to keep a minimum clearance of 8” from high heat sources. Observe heat source manufacturer instructions, as well as local, state, provincial, and national codes, laws, regulations, and ordinances when installing this water heater and related components near high heat sources.

Figure 1 - Recommended Service Clearances
WARNING
This water heater must be installed upright in the vertical position as described in this manual. DO NOT attempt to install this water heater in any other orientation. Doing so will result in improper water heater operation and property damage, and could result in serious personal injury or death.
E. Specifications and Dimensions

SUPERSTORE SBN SERIES SOLAR WATER HEATER (with BACK-UP HEAT EXCHANGER)
SUPERSTORE SOLAR WATER HEATER SPECS | ||||||
| MODEL # | GAL. | HEAT EXCHANGER OUTLET SIZE | INLET/ OUTLET SIZE | DRY WEIGHT | WET WEIGHT | SHIPPING WEIGHT (Ibs) |
| SSU-60SBN | 60 | 1″ NPT | I” NPT | 100 | 492 | 120 |
| “SSU-80SBN | 80 | 1″ NPT | I” NPT | 131 | 656 | 151 |
| –SSU-119SBN | 119 | 1″ NPT | I” NPT | 210 | 1722 | 220 |
SUPERSTORE SOLAR WATER HEATER DIMENSIONS | ||||||||||
| MODEL # | GAL. | DIMENSIONS | ||||||||
| A | B | C | D | E | F | G | H | J | ||
| SSU-60SBN | 60 | 23″ | 52– | 46″ | 5″ | 5″ | 9-1/4′ | 26-1/2″ | 31″ | 46″ |
| ‘SSU-80SBN | 80 | 23″ | 72″ | 64-1/2″ | 5′ | 4-1/2″ | 9-1/4″ | 36-1/7′ | 41-1/2″ | 64-1/2′ |
| ‘SSU-119SBN | 119 | 2r | 74* | 66-II2″ | 7-1/7′ | 7″ | 11-1/4″ | 38-1/2″ | 43-1/2″ | 66-1/2″ |
- DW SOLAR COIL MODELS SPECIAL ORDER, CONSULT FACTORY
SUPERSTORE SOLAR SB SERIES | |||||||||
| MODEL | HX VOLUME GALLONS | HEATED WATER VOLUME OF BACK UP | MAX. OPERATING PRESSURE OF COIL | RECOVERY OF BACK UP IN MINUTES | BOILER OUTPUT FOR TEST RECOVERIES | FIRST DRAW • | |||
| SOLAR | BOILER | 65 ° RISE | 90° RISE | 65° RISE | 90° RISE | ||||
| SSU-60SBN | 1 GAL | 1 GAL | 35 GAL | 150 PSI | 11 MIN | 16 MIN | 104.000 BTU/HR | 40 GAL | 28 GAL |
| SSU-805BN | I GAL | 1 GAL | 49 GAL | 150 PSI | 14 MIN | 19 MIN | 114.000 BTU/ HR | 60 GAL | 40 GAL |
| SSU-119SBN | I GAL | I GAL | 64 GAL | 150 PSI | 22 MIN | 31 MIN | 121,000 BTU/HR | 90 GAL | 60 GAL |
* AMOUNT OF WATER DRAWN OUT OF STORAGE TANK WITHOUT ANY ENERGY INPUT
All tank dimensions are approximate.
LP-196
01/24/20

SUPERSTAR SEN SERIES SOLAR WATER HEATER (with BACK-UP ELECTRIC ELEMENT)
SUPERSTORE SOLAR WATER HEATER SPECS | ||||||
| MODEL # | GAL. | HEAT EXCHANGER OUTLET SIZE | INLET/ OUTLET SIZE | DRY WEIGHT | WET WEIGHT | SHIPPING WEIGHT (Ibs) |
| SSU-60DWSEN | 60 | 1″ NPT | 1″ NPT | 90 | 492 | 115 |
| ‘SSU-80DWSEN | 80 | 1″ NPT | I” NPT | 121 | 656 | 146 |
| *SSU-119DWSEN | 119 | 1″ NPT | 1″ NPT | 200 | 1722 | 215 |
SUPERSTAR SOLAR WATER HEATER DIMENSIONS | ||||||||
| MODEL # | GAL | DIMENSIONS | ||||||
| A | B | C | D | E | F | G | ||
| SSU-60DWSEN | 60 | 23″ | 52″ | 46″ | 5″ | 5″ | 9-1/4″ | 464 |
| · SSU-80DWSEN | 80 | 23″ | 72″ | 641/2″ | 5″ | 4-1/2″ | 9-1/4″ | 64-1/2″ |
| · SSU-119DWSEN | 119 | 27″ | 74″ | 66-1/2″ | 7-1/2″ | 7′ | 11-1/4″ | 66-1/2′ |
- DW SOLAR COIL MODELS SPECIAL ORDER, CONSULT FACTORY
| SUPERSTORE SOLAR SE SERIES | |||||||
| MODEL | SOLAR HX VOLUME GALLONS | WATER VOLUME OF BACK UP | MAX. OPERATING PRESSURE OF COIL | RECOVERY OF BACKUP IN B MINUTES | FIRST DRAW’ | ||
| 65° RISE | 90° RISE | 65° RISE | 90° RISE | ||||
| SSU-60DWSEN | I GAL | 35 GAL | 150 PSI | 74 MIN | 102 MIN | 40 GAL | 28 GAL |
| SSU-800WSEN | I GAL | 49 GAL | 150 PSI | 104 MIN | 143 MIN | 60 GAL | 40 GAL |
| SSU-119DWSEN | I GAL | 64 GAL | 150 PSI | 135 MIN | 187 MIN | 90 GAL | 60 GAL |
- AMOUNT OF WATER DRAWN OUT OF STORAGE TANK WITHOUT ANY ENERGY INPUT All tank dimensions are approximate.
LP-195
01/24/20
Figure 2 – SSU SBN and DWSEN Series Water Heater Dimensions and Specifications
Part 3 – Piping
The design and installation of the solar water heating system should be done by qualified individuals. It is important that good design and installation practices be followed to assure that your system will operate properly. Failure to follow installation guidelines for your solar water heating system could cause component failure and possible safety issues.
A. Potable Water Piping
CAUTION
It is very important that you do the potable piping before you pipe into your solar system. Failure to do so may damage your water heater.
Do not introduce HTF into any fittings on the heater except those clearly marked for that purpose.
It is mandatory that all plumbing be done in accordance with local and state codes or the warranty will be void. It is also necessary to use both thread tape and pipe dope on all mechanical connections. The potable water piping is located on the side of your solar water heater and marked Hot and Cold. It is recommended that unions or flexible copper connectors be used so the heater can be easily serviced. Install a shut-off valve on the cold feed near the solar water heater to isolate the tank for future service.
Provide clear access to the water heater, pump, expansion tank, mixing valve, time clock, and other key components. The components on the potable side of the system may require future service or maintenance, so it is recommended that the connections be made with brass unions. You must use copper and brass fittings in plumbing the solar storage tank and expansion tank. The use of galvanized fittings, nipples, dielectric unions, CPVC, PVC, or other plastic pipes is prohibited.
Hard copper connections to the city cold water supply line and home hot water feed lines are recommended.
The gaskets in standard water heater flex hose connectors can become brittle and compressed over time and begin leaking on the water heater. If not detected in a timely manner, a drip or leak may cause serious damage to the tank’s electrical components, or, in extreme cases, cause the tank to leak from the outside in.
CAUTION
Never use dielectric unions or galvanized steel fittings on any domestic water connections or auxiliary connections. Only use copper or brass fittings. A Teflon thread sealant must be used on all connections.
B. Water Chemistry Requirements
CAUTION
Chemical imbalance of the water supply may affect efficiency and cause severe damage to the appliance and associated equipment. Water quality must be professionally analyzed to determine whether it is necessary to treat the water. Various solutions are available to adjust water quality. Adverse water quality will affect the reliability of the system. In addition, operating temperatures above 135º F will accelerate the build-up of limescale and possibly shorten appliance service life. Failure of an appliance due to limescale build-up, low pH, or other chemical imbalance IS NOT covered by the warranty.
The water must be potable, free of corrosive chemicals, sand, dirt, and other contaminants. It is up to the installer to ensure the water does not contain corrosive chemicals or elements that can damage the heat exchanger. Potable water is defined as drinkable water supplied from a utility or well water in compliance with EPA secondary maximum contaminant levels (40 CFR Part 143.3). If the water contains contaminants higher than outlined by the EPA, water treatment is recommended and additional, more frequent maintenance may be required.
If you suspect that your water is contaminated in any way, discontinue the use of the appliance and contact an authorized technician or licensed professional.
- Water pH between 6.5 and 8.5
• pH levels below 6.5 can cause an increase in the rate of corrosion. the pH of 8.5 or higher can potentially cause limescale build-up
• Maintain water pH between 6.5 and 8.5. Check with litmus paper or have it chemically analyzed by a local water treatment company.
• If the pH is not between 6.5 and 8.5, consult a local water treatment company for solutions. - Hardness less than 12 grains (200 mg/L) (Residential Use – water temperatures below 140º F)
- Hardness less than 7 grains (120 mg/L) (Commercial Use – water temperatures of 140º F and greater)
• Hardness levels above the required amounts can lead to limescale build-up throughout the system. Water below 5 grains/ expansion gallons (85 mg/L) may be over softened.
• Consult local water treatment companies for unusually hard water areas (above the required amounts) or for other treatment solutions if water is being over softened (below 5 grains/gallon [85 mg/L]). - Chloride concentration less than 100 ppm (mg/L)
• Do not fill appliance or operate with water containing chlorides in excess of 100 ppm (mg/L).
• Using chlorinated fresh water should be acceptable as levels are typically less than 5 ppm (mg/L).
• Do not connect the appliance to directly heat the swimming pool or spa water. - Total Dissolved Solids (TDS) less than 500 ppm (mg/L)
• Total dissolved solids are minerals, salts, metals, and charged particles that are dissolved in water.
• The greater the amounts of TDS present, the higher the corrosion potential due to increased conductivity in the water.
• If using softened water to fill the appliance, it is still possible to have high TDS. This water can be corrosive. Consult local water treatment companies for other treatment solutions to reduce this effect.
*NOTE: To promote appliance service life, it is strongly recommended to follow the maintenance procedures in this manual.
C. Solar Heat Exchanger Piping
Set up the primary balance of the system components following the piping detail in Figure 5.
Run ½” type M or larger copper pipes, or flex line sets, to and from the collector following the direction of supports, penetrations, and other relative items.
Only copper, cast iron, or brass are to be allowed in the collector piping loop due to transient operating temperatures that may reach as high as 300º F. PEX, PVC, CPVC, and other polymers are expressly prohibited in the piping network of closed-loop systems.
When making a connection to the heat exchanger, use Teflon tape and joint compound to prevent leaks. The connections to the heat exchanger are 1” NPT. Do not apply heat directly to the heat exchanger thread connection when sweating fittings.
Line pressure and temperature gauge shall be installed in the collector supply and return lines to allow for a simple diagnostic check of proper system operation. On a sunny day, the hot water return line should be approximately 5 – 12º F warmer than the water in the collector supply line. Compare the temperature readings in the two-line thermometers. The ¾” cold water supply line to the storage tank must be insulated with a minimum 7/8” x ½” pipe insulation to a minimum distance of 5’ behind the storage tank, or to the wall if closer than 5’.
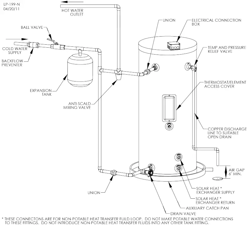
D. Potable Water Piping Application

Figure 3 – Potable Water Piping Application. Meant to demonstrate the piping concept only. The installer is responsible for all equipment and detailing per local codes.
E. Tank Sensor Placement
Make sure the sensor is secured on the stud located in the lower section of the water heater. Secure the sensor by packing Armaflex insulation behind it. This will also help the sensor react to temperature changes.
Non-toxic freeze protection fluid must be used to protect the system from freezing. Use a mixture appropriate for your climate. Do not use a higher glycol to water concentration than necessary, as this will adversely impact heat transfer efficiency. See the manufacturer’s datasheet for recommended concentrations. A copy of this sheet must be left with the end-user of the solar system.
The collector loop must be charged with HTF. The use of regular tap water as a mixing agent is prohibited. Use potable water as a mixing agent ONLY. Regularly scheduled maintenance must be established to monitor and maintain the proper pH level of HTF in the system to protect the heat exchanger and other components in the system.
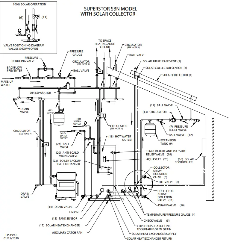
F. Applications

Figure 4 – Solar Water Heater with Boiler Back-Up
FIGURE NOTES:
- This drawing is meant to show the system piping concept only. The installer is responsible for all equipment and detailing by local codes.
- Antifreeze, non-potable HTF shall be used for the solar heat exchanger circuit only. Never introduce an antifreeze solution to any connection other than the solar loop.
- If there is a check valve on the cold water feed line, a thermal expansion tank suitable for potable water must be sized and installed within this piping system between the check valve and the cold water inlet of the solar water heater.
- An ASSE 1017 mixing valve is required per SRCC OG-300.
- A minimum of 12 diameters of straight pipe must be installed upstream of all circulators.
- Make sure the tank is fully purged of air before power is turned on to the backup heat source.
- Circulators shown in the above hydronic piping should have an integral flow check or alternately use a stock pump with an external spring-type check valve. (Due to extreme temperatures, circulators with integral flow checks are not to be used in solar systems. If the circulator comes equipped with an integral flow check, remove it.)

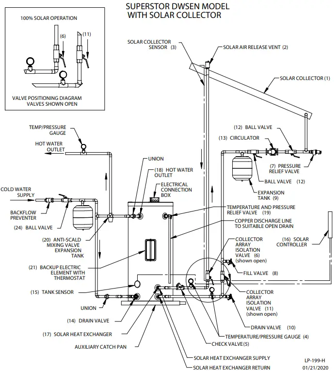
Figure 5 – Solar Water Heater with Electric Back-Up
FIGURE NOTES:
- This drawing is meant to show the system piping concept only. The installer is responsible for all equipment and detailing by local codes.
- Antifreeze, non-potable HTF shall be used for the solar heat exchanger circuit only. Never introduce an antifreeze solution to any connection other than the solar loop.
- If there is a check valve on the cold water feed line, a thermal expansion tank suitable for potable water must be sized and installed within this piping system between the check valve and the cold water inlet of the solar water heater.
- An ASSE 1017 mixing valve is required per SRCC OG-300.
- A minimum of 12 diameters of straight pipe must be installed upstream of all circulators.
- Make sure the tank is fully purged of air before power is turned on to the backup heat source.
- Circulators shown in the above hydronic piping should have an integral flow check or alternately use a stock pump with an external spring-type check valve. (Due to extreme temperatures, circulators with integral flow checks are not to be used in solar systems. If the circulator comes equipped with an integral flow check, remove it.)
G. Boiler Heat Exchanger Connection (SBN Models Only)
The boiler heat exchanger connections are located in front of the solar water heater. Use a 1” minimum pipe size when connecting zone valves or circulators.
The inlet of the circulator must be connected to the hot outlet side of the boiler. Be sure the direction of the arrow on the circulator is facing toward the flow direction from the boiler to the boiler inlet of the water heater. On the water heater, the boiler return must be connected to the return side of the boiler. The return from the heating loop should have a flow check or swing check valve installed before the return pipe from the boiler heat exchanger.
H. Boiler Tank Control (SBN Models Only)
Insert the boiler tank control into the control well provided in the front of the water heater. Wire the boiler tank control to the boiler control or relay center. Additional
equipment may be needed in order to wire the controller to the existing system. Controls also have the ability to monitor and display solar collector temperature and upper and lower tank temperature. See Figure 8 for installation detail.

Figure 6 – Sensor Installation Detail
I. Circulator Sizing
The circulator pump must be sized for the related piping and pressure drop of the heat exchanger, and for situations specific to your solar system. The following graph represents the pressure drop of the solar heat exchanger. Consult the solar panel manufacturer for flow requirements to assist in pump selection.
J. Boiler Heat Exchanger (SBN Models Only)
To assure the correct flow through the boiler backup heat exchanger, refer to Figure 9 to correctly size the circulator to the boiler or auxiliary heat exchanger. HTTP recommends a flow rate of 1 GPM for every 10,000 BTU based on a 20º F temperature difference between the supply and return of the heat exchanger.

Figure 7 – Pressure Drop through the Solar Heat Exchanger
Example: Boiler is 100,000 BTU / 10,000 BTU = 10 GPM flow rate. The heat exchanger at 10 GPM will require a circulator that will operate at 8 feet of friction.
K. Electrical Connection (DWSEN Models Only)
CAUTION
The tank must be full before the unit is turned on. The heating element will be damaged if energized for even a short period of time while the tank is dry. This damage IS NOT covered by warranty.
Installation, attachment, or use of any unapproved devices in conjunction with this water heater WILL VOID the warranty. The use of unauthorized energy-saving devices may shorten the life of the water heater and possibly endanger property and life. The manufacturer disclaims any responsibility for any loss or injury resulting from the use of such unauthorized devices.
WARNING
Be sure to ground the water heater. The preferred way to ground is with rigid metal conduit between the main panel and the water heater junction box with approved end fittings (check codes on the use of flexible conduit). If making a separate ground, a green ground wire is provided in the water heater junction box. Replace the junction box cover and insulation after you have made the wiring connections.
Do not use DWSEN model water heaters with any voltage other than shown on the model rating plate. Failure to follow these instructions could result in property damage, serious personal injury, or death.
This unit is factory wired to a junction box on top of the water heater. A 4 x 4 x 2 junction box is located on top of the unit for field wiring connection. These heaters are equipped and wired as standard 240 volt AC. The voltage requirement and dedicated wattage load for the heater are specified on the rating label. A minimum 30 amp circuit is required to connect the water heater. Consult your local power company to determine if your electrical service is adequate for the additional load of the heater.
Refer to the wiring diagrams below for field connections. 240V electrical installation should be done by a qualified licensed electrician or by your local electric utility. All wiring must conform to the local code and the National Electric Code. Grounding can be accomplished by using approved conduit and fittings or other approved conductive material. A grounding wire is provided on the junction bracket. This grounding wire must be used in the installation.

Figure 8 – DWSEN Series Electrical Connection Detail
L. Filling the Water Heater
WARNING
When filling the water heater, open a hot water tap to release air in the tank and piping. The tank must be full of water before the heater is turned on. Failure to ensure the water heater is full before turning it on will result in damage to the water heater and could result in property damage, serious personal injury, or death. Such damages ARE NOT covered by a water heater warranty.
After the water and electrical connections have been made and the tank has been filled with water and purged of air, turn on the power to the heater. The heater is now operational.
M. Thermostat Adjustment
The thermostat is located in the front of the heater. The access cover must be removed to adjust the factory default setting of 119º F. This temperature is satisfactory for average household use.
If an adjustment is necessary, turn off the power to the heater, remove the black access cover and insulation. The thermostat protective cover should not be removed. Set the temperature indicator to the desired temperature, replace insulation and access cover. Turn on power to the heater.
N. Combination Thermostat and High Limit Control ECO
This heater is equipped with a combination thermostat and high limit safety. If for any reason the water temperature becomes excessively high, the “High Limit Control (ECO)” breaks the circuit to the heating element. Once the switch opens it must be reset manually. However, THE CAUSE OF THE OVERHEATING CONDITION MUST BE CORRECTED FIRST. Refer to the Troubleshooting section for possible causes. To reset, press the red reset button as shown in Figure 11. Replace the insulation and black access cover before restoring power to the system.
WARNING
The cause of the high-temperature condition must be investigated by a qualified service technician and corrective action must be taken BEFORE placing the water heater back in service. Failure to do so could result in property damage, severe personal injury, or death.
O. Heating Element Replacement Procedure
WARNING
If heating elements need replacement, it is very important to use the same voltage, wattage, and construction. The element sheath must be incoloy and the hex plug must be made of stainless steel.
STEP #1 – Turn off power to the water heater. Use a Phillips Head screwdriver to remove the wires from the element.

Figure 9 – Thermostat Detail
DANGER
Failure to disconnect the power from the water heater before attempting heating element replacement will result in property damage, severe personal injury, or death due to electric shock.
STEP #2 – Run hot water at a faucet in the system. When it runs cold, shut off the faucet. Then shut off the water at the main cold water inlet or, if possible, valve off the water heater from the system. Drain the water from the system, or just the water heater if it can be isolated from the system.
WARNING
Completely drain the water heater before removing and replacing a heating element or elements. Failure to do so will result in a leakage of water and property damage, and could possibly result in moderate to severe personal injury or death.
Water drained from the water heater may be scalding hot. Take care to avoid scalding. Wear gloves and safety glasses, and direct water to a safe drainage location. Failure to comply with this warning could result in property damage, severe personal injury, or death.
CAUTION
DO NOT replace the heating element with a generic heating element.
Only HTTP heating elements are approved for use with this water heater. Failure to follow this warning will result in premature product failure and VOID the warranty.
Step #3 – Remove the element with a 1 1/2” socket wrench or element tool.
Step#4 – Inspect the removed element. Determine whether the replacement element will need a square or circular gasket and washer.

Figure 10 – Heating Element Detail
Step #5 – Ensure thread and opening are completely free of debris. Use a nylon brush to clear away any debris.
Step #6 – Put a small amount of NSF approved lubricant and sealant on the appropriate gasket and/or washer for the installation. Put the gasket and/or washer on the element.
Step #7 – Screw the element clockwise into the tank, and tighten with the 1 1/2” socket wrench or element tool. Be sure gasket seats properly.
Step #8 – Open the main cold water inlet. If the water heater has been isolated from the system, open the valves. Refill the tank with cold water. Open a hot water faucet high in the system to bleed any air pressure from the system. Water will flow freely when air is completely bled.
WARNING
When filling the water heater, open a hot water tap to release air in the tank and piping. The tank must be full of water before the heater is turned on. Failure to ensure the water heater is full before turning it on will result in damage to the water heater and could result in property damage, serious personal injury, or death. Such damages ARE NOT covered by a water heater warranty.
Step #9 – Pressure check the tank for leaks around the element. If no leaks are found, use a Phillips Head screwdriver to connect the wires to the element.
Step #10 – Turn the power back onto the water heater.
CAUTION
Failure to refill the tank before restoring power to the water heater will result in damage to the heating elements and property damage.
Such damages ARE NOT covered by warranty.
Part 4 – Service / Maintenance Procedures
A properly maintained solar water heating system can provide years of dependable, trouble-free service. It is suggested that a routine preventive maintenance program be established and followed by the end-user with the solar contractor. Listed below is the maintenance checklist that outlines the primary components of the solar system that need to be inspected annually.
- HTF Glycol – It is very important that the quality of the glycol is maintained to avoid damage to the collector loop and related components. See the manufacturer’s datasheet for further details.
- Water quality can affect the operation of the solar heat exchanger over time. In very hard water areas, it is recommended to drain a few gallons of water from the bottom of the tank to keep the water heater free of sediment.
- Clean and inspect the solar collector. Dirt or film may settle on the surface and affect performance. Check collector supplier for cleaning procedures.
- Check piping and component insulation for deterioration.
- Check solar tank sensors and the boiler backup aquastat sensors. Assure these sensors are secure and have not moved or loosened.
- Inspect the T&P valve on the water heater. Lift the release handle lever. Make sure discharge is directed to an open drain.
WARNING
Never open the pressure relief valve while the system is in operation or hot water is present. Allow cooling prior to opening.
Failure to do so could result in serious personal injury or death. - The area near the water heater must be kept free of flammable liquids such as gasoline, paint thinners, adhesives, or other combustible materials.
- The electric element may need cleaning. A hissing sound while operating indicates the element has built-up deposits. Cleaning should only be done by a qualified plumbing or heating contractor.
CAUTION
If the heating element needs replacement, it is VERY important to use the same voltage, wattage, and construction. This element must be stainless steel and the hex plug be made of brass. This replacement part is available from HTP and should not be purchased from outside sources.
A. Shutdown Procedures
To isolate the water heater, shut down the supply water shut off valve which isolates the water heater from the pressurized cold water supply.
The collector loop can be isolated from the solar storage tank by closing shut-off valves. If the pressure in this loop drops, or you find a glycol leak, shut these valves and contact your installation contractor. Turn the circulating pump off on your solar control.
B. Vacation Shutdown
Solar water heaters can build up very high temperatures when there is no daily draw on the system. The best way to dissipate heat in the system is to set the control to run the circulator pump 24 hours a day to cool off the storage tank at night. The collector will radiate heat back to the atmosphere at night, preventing the system from stagnating at very high temperatures.
C. Estimated Life of Components
Proper care and maintenance will determine the life expectancy of the individual components of the solar system. Refer to manufacturer’s warranty information to determine coverage of individual components. To obtain warranty service, call your local service or installing contractor.
D. Temperature and Pressure Relief Valve
A temperature and pressure relief (T&P) valve is designed for emergency safety relief and shall not be used as an operating control. A T&P valve functions by discharging water in an emergency. Therefore, it is essential that a discharge line be piped from the valve in order to carry the overflow to a safe place of disposal. The discharge line must be the same size as the valve outlet, must pitch downward from the valve, and terminate at least 6” above a drain where any discharge will be clearly visible.
WARNING
Following the installation of the T&P Relief Valve, the valve lever MUST be operated AT LEAST ONCE A YEAR by the water heater owner to ensure that waterways are clear. Certain naturally occurring mineral deposits may adhere to the valve, blocking waterways and rendering the valve inoperative. When the lever is operated, hot water will discharge if the waterways are clear. PRECAUTIONS MUST BE TAKEN TO AVOID PERSONAL INJURY FROM CONTACT WITH HOT WATER AND TO AVOID PROPERTY DAMAGE. BEFORE operating the lever, check to see that a discharge line is connected to the valve, directing the flow of hot water from the valve to a proper place of disposal. If no water flows when the lever is operated, replacement of the valve is required. TURN THE WATER HEATER “OFF” AND CALL A PLUMBER IMMEDIATELY.
Part 5 – Troubleshooting
Owners are advised to contact the installer whenever in-depth interaction with the solar system is required.
A. Leaks
For leaks in the potable water system or solar storage tank, close the cold water inlet and unplug the solar controller. This will isolate the solar system until repairs can be made.
B. Other Problems
A noisy pump could be an indication of worn bearings, obstructions, or a leak in your system. Call your installer for diagnosis of the problem, repair of the system, and/or replacement of components.
WARNING
For your safety, DO NOT attempt repair of electrical wiring, thermostat, heating element or other operating controls. Refer repairs to qualified service personnel. Failure to do so could result in serious personal injury or death.
C. Operating Suggestions for the User
A properly designed solar hot water system provides solar energy for approximately 70 – 90% of annual hot water needs. Listed below are some suggestions that will maximize the benefits of your solar hot water system.
- Showers – If possible, take showers during the day, or in the early evening. Use low-flow showerheads to reduce water consumption.
- Dishwashing – Run your dishwasher during the day, after showers, to ensure as much hot water as possible is available for showers.
- Laundry – Spread clothes washing over the week instead of washing all at the same time.
- Single Lever Faucets – When using cold water, make sure the lever is all the way over in the cold position. This prevents hot water from inadvertently flowing from the solar storage tank.
WARNING
The risk of scald injury increases as you increase the water temperature.
Use a water tempering or mixing valve and extreme caution when using hot water to avoid scald injury. Consult codes for conformance.
Failure to follow the instructions in this warning statement could result in serious personal injury or death from scalds.
Be sure to disconnect electrical power before performing service.
Failure to do so could result in electrical shock, property damage, serious personal injury, or death.
| Problem | Reason | Remedy |
| No Hot Water | 1. Improper Wiring | Rewire per ring wring Diagram |
| 2. No Power – Blown Fuse or Tripped Circuit Breaker a. Shorted Wiring | a. “Replace or repair b.” Provide adequate circuit or reduce load c.” Rewire per diagram d. “Replace | |
| 3. Manual Reset Limit (KO) Open a. Thermostat Defective b. Thermostat Out of Calibration c. Heat Build-Up Due to Loose Wires d. Defective Limit (ECO) | a. “Replace b. “Lower setting or replace c. “Tighten wire connections d. “Replace | |
| 4. Solar System Incorrectly Installed | “Check installation | |
| 5. Defective Element | “Replace element | |
| 6. Leaking Plumbing or Open Hot Water Faucet(s) | “Ensure all faucet(s) are closed. Check water meter | |
| Not Enough Hot Water | 1. Heater Undersized | Reduce the rate of hot water use |
| 2. Defective Element | “Check amperage, replace the element | |
| 3. Defective Thermostat or Wired Incorrectly | “Check to wire or replace | |
| 4. Solar System Incorrectly Installed | „Check installation | |
| 5. See 86 above in No Hot Water” | See #6 above in “No Hot Water” | |
| Water Too Hot or Not Hot Enough | 1. Thermostat Setting Too High or Low | Change the setting as required |
| 2. Thermostat Out of Calibration | “Replace | |
| 3. Solar System Incorrectly Installed | “Check installation | |
| 4. Grounded Element | “Replace | |
| Noisy Heating Element | Scale Built Upon Element | “Remove and clean |
Table 3 – Troubleshooting – See Water Heater Installation Manual for More Detailed Maintenance Information – ** USER – For your safety, DO NOT attempt repair of electrical wiring, thermostat, or operating controls. Refer repairs to qualified service personnel.
CAUTION
If draining of the water heater is necessary, open the T&P valve or a hot water tap to prevent vacuum buildup in the tank and piping.
Part 6 – Replacement Parts

| ITEM # | REPLACEMENT PART # | DESCRIPTION |
| 1 | TP1900 | 3/4″ RELIEF VALVE (80 AND 119 GAL ONLY) |
| 3 | 8600P-054 | SENSOR CLIP w/NUT |
Figure 11 – Replacement Parts, SBN Models

| ITEM # | REPLACEMENT PART # | DESCRIPTION |
| 1 | TP1400 | 3/4″ RELIEF VALVE |
| 2 | 6060P-1008 | THERMOSTAT |
| 3 | 6060P-630 | GREEN GROUND WIRE |
| 4 | 6070P-303 | THERMODISC BRACKET |
| 5 | 6060P-994 | PLASTIC PROTECTIVE COVER |
| 6 | 6060P-965 | INSULATION |
| 7 | 6060P-187 | ELECTRICAL ENCLOSURE COVER |
| 8 | 6075P-006 | #8 X 3/4 SELF TAPPING SCREWS |
| 9 | 6060P-632 | 5/16-18 HEX NUT |
| 10 | 6060P-938 | ELECTRIC ELEMENT w/O-RING |
| 11 | 8600P-054 | SENSOR CLIP w/NUT |
Figure 12 – Replacement Parts, DWSEN Models
NOTE: If the heating element needs replacement, it is VERY important to use the same voltage, wattage, and construction. Use only HTTP elements. Failure to do so may lead to early element and/or water heater failure and WILL VOID the warranty.
| Customer Installation Record Form | |
The following form should be completed by the installer for you to keep as a record of the installation in case of a warranty claim. After reading the important notes at the bottom of the page, please also sign this document. | |
| Customer’s Name | |
| Date of Installation | |
| Installation Address | |
| Product Name / Serial Number(s) | |
| Comments | |
| Installer’s Code / Name | |
| Installers Phone Number | |
| Signed by Installer | |
| Signed by Customer | |
| Installation Notes | |
IMPORTANT
Customer: Please only sign after the installer has fully reviewed the installation, safety, proper operation, and maintenance of the system. If the system has any problems please call the installer. If you are unable to make contact, please call your sales representative.
Distributor / Dealer: Please insert contact details.
lp-199 Rev. 004 Rel. 008 Date 8.11.21



















