ACV Glass BL & ST Electric Water Heaters Instruction

General Recommendations
NOTES
This manual contains important information with respect to the installation, the starting up and the maintenance of the appliance. This manual must be provided to the user, who will read it carefully and keep it in a safe place.
We accept no liability should any damage result from the failure to comply with the ins-tructions contained in this technical manual.
Essential recommendations for safety
- It is strictly prohibited to carry out any modifications to the appliance without the manufacturer’s prior and written agreement.
- The product must be installed by a qualified engineer, in accordance with applicable local standards and regulations.
- The installation must comply with the instructions contained in this manual and with the standards and regulations applicable to domestic hot water tanks.
- Failure to comply with the instructions in this manual could result in personal injury or a risk of environmental pollution.
- The manufacturer declines all liability for any damage caused as a result of incorrect installation or in the event of the use of appliances or accessories that are not specified by the manufacturer.
Essential recommendations for the correct operation of the appliance
- In case of anomaly, please call your installer for advice.
- Faulty parts may only be replaced by genuine parts.
- Our water heaters are designed and manufactured for the exclusive purpose of heating and storing domestic hot water.
- The domestic hot water heaters must only be heated using hot water in a closed circuit.
General remarks
- The availability of certain models as well as their accessories may vary according to markets.
- The manufacturer reserves the right to change the technical characteristics and features of its products without prior notice. Please check for an updated version of this manual on the website www.acv.com.
- The part number (P/N) and serial number (S/N) of the appliance are indicated on its rating plate and must be provided to ACV in case of warranty claim. Failure to do so will make the claim void.
- I n spite of the strict quality standards that ACV applies to its appliances during production, inspection and transport, faults may occur. Please immediately notify your approved installer of any faults.
Appliance Description
MODELS
“Glass” electric water heaters offer a full range of appliances that can be installed either vertically or horizontally (H-models), on the wall or on the floor (S-models). The enamelled tank offers capacities from 50 to 300 L, with either single or three-phase electrical connection according to the model. The ST Series includes a soapstone heating element while the BL Series is equipped with a shielded heating element. The appliance is protected against corrosion through an anode.
| Vertical wall installation | Vertical floor Horizontal Electrical installation wall supply installation | |
| ST 50 | ● | — — Mono |
| ST 75 | ● | — — Mono |
| ST 100 | ● | — — Mono |
| ST 150 | ● | — — Mono/Tri |
| ST 150 S | — | ● — Tri |
| ST 200 | ● | — — Mono/Tri |
| ST 200 S | — | ● — Tri |
| ST 300 S | — | ● — Tri |
| BL 50 | ● | — — Mono |
| BL 75 | ● | — — Mono |
| BL 100 | ● | — — Mono |
| BL 100 H | — | — ● Mono |
| BL 150 | ● | — — Mono |
| BL 150 H | — | — ● Mono |
| BL 150 S | — | ● — Mono |
| BL 200 | ● | — — Mono |
| BL 200 H | — | — ● Mono |
| BL 200 S | — | ● — Mono |
Technical Characteristics
DIMENSIONS
| A | B | C | D | E | F | G | H | I | |
| GLASS BL 50 | 515 | 521 | 554 | 160 | 440 | — | 340 | 1/2” | 120 |
| GLASS BL 75 | 515 | 695 | 735 | 230 | 440 | — | 530 | 3/4” | 175 |
| GLASS BL 100 | 515 | 845 | 880 | 230 | 440 | — | 605 | 3/4” | 175 |
| GLASS BL 150 | 544 | 1191 | 1225 | 230 | 440 | 800 | 1035 | 3/4” | 175 |
| GLASS BL 200 | 595 | 1270 | 1315 | 230 | 440 | 800 | 1050 | 3/4” | 175 |
| GLASS BL 150S | 231 | 510 | 317 | 595 | 669 | 1035 | — | — | — |
| GLASS BL 200S | 231 | 803 | 317 | 595 | 669 | 1330 | — | — | — |

| A | B | C | D | E | F | G | H | |
| GLASS BL 100H | 563 | 320 | 866 | 900 | 384 | 515 | 273 | 528 |
| GLASS BL 150H | 1028 | 800 | 1170 | 1205 | 384 | 544 | 288 | 557 |
| GLASS BL 200H | 1043 | 800 | 1260 | 1298 | 375 | 595 | 314 | 608 |

| A | B | C | D | E | F | G | H | I | |
| GLASS ST50 | 515 | 521 | 554 | 160 | 440 | — | 340 | 1/2” | 120 |
| GLASS ST75 | 515 | 695 | 735 | 230 | 440 | — | 530 | 3/4” | 175 |
| GLASS ST100 | 515 | 845 | 880 | 230 | 440 | — | 605 | 3/4” | 175 |
| GLASS ST150 | 544 | 1191 | 1225 | 230 | 440 | 800 | 1035 | 3/4” | 175 |
| GLASS ST200 | 595 | 1270 | 1315 | 230 | 440 | 800 | 1050 | 3/4” | 175 |
| GLASS ST150m/tri | 544 | 1191 | 1225 | 230 | 440 | 800 | 1035 | 3/4” | 175 |
| GLASS ST200m/tri | 595 | 1270 | 1315 | 230 | 440 | 800 | 1050 | 3/4” | 175 |

| A | B | C | D | E | F | |
| GLASS ST150S | 231 | 510 | 317 | 595 | 669 | 1035 |
| GLASS ST200S | 231 | 803 | 317 | 595 | 669 | 1330 |
| GLASS ST200S | 231 | 972 | 296 | 660 | 734 | 1500 |
Main characteristics
| ST 50 | ST 75 | ST 100 | ST 150 | ST 200 | ||
| Water capacity | L | 50 | 75 | 100 | 150 | 200 |
| Empty weight | Kg | 25 | 31 | 36 | 50 | 63 |
| Power | W | 1200 | 2400 | 2400 | 2400 | 2400 |
| Voltage | V | 230 Mono | 230 Mono | 230 Mono | 230 Mono | 230 Mono |
| Nominal current (fuse) | A | 10 | 16 | 16 | 16 | 16 |
| Electrical cable section | mm2 | 3×2.5 | 3×2.5 | 3×2.5 | 3×2.5 | 3×2.5 |
| Protection class | IP | X4 | X4 | X4 | X4 | X4 |
| Heating time from 10°C to 60°C (Δ50°C) | 2 h 42 | 2 h 00 | 2 h 41 | 3 h 10 | 5 h 23 | |
| ST 150m/tri | ST 200m/tri | ST 150S | ST 200S | ST 300S | ||
| Water capacity | L | 150 | 200 | 150 | 200 | 300 |
| Empty weight | Kg | 51 | 64 | 64 | 72 | 93 |
| Power | W | 2400 | 2400 | 2400 | 2400 | 3200 |
| Voltage | V | 230 Mono 400 Tri | 230 Mono 400 Tri | 230 Mono 400 Tri | 230 Mono 400 Tri | 230 Mono 400 Tri |
| Nominal current (fuse) | A | 16 | 16 | 16 | 16 | 16 |
| Electrical cable section | mm2 | 3×2.5 4×2.5 | 3×2.5 4×2.5 | 3×2.5 4×2.5 | 3×2.5 4×2.5 | 3×2.5 4×2.5 |
| Protection class | IP | X4 | X4 | X4 | X4 | X4 |
| Heating time from 10°C to 60°C (Δ50°C) | 3 h 10 | 5 h 23 | 4 h 00 | 5 h 23 | 6 h 00 | |
| BL 50 | BL 75 | BL 100 | BL 150 | BL 200 | ||
| Water capacity | L | 50 | 75 | 100 | 150 | 200 |
| Empty weight | Kg | 23 | 28 | 34 | 47 | 63 |
| Power | W | 1200 | 1200 | 1200 | 1800 | 2400 |
| Voltage | V | 230 Mono | 230 Mono | 230 Mono | 230 Mono | 230 Mono |
| Nominal current (fuse) | A | 10 | 10 | 10 | 16 | 16 |
| Electrical cable section | mm2 | 3×1.5 | 3×1.5 | 3×1.5 | 3×12.5 | 3×2.5 |
| Protection class | IP | X4 | X4 | X4 | X4 | X4 |
| Heating time from 10°C to 60°C (Δ50°C) | 2 h 42 | 4 h 00 | 5 h 23 | 5 h 23 | 5 h 23 | |
| BL 100 H | BL 150 H | BL 200H | BL 150S | BL 200S | ||
| Water capacity | L | 100 | 150 | 200 | 150 | 200 |
| Empty weight | Kg | 39 | 52 | 67 | 58 | 71 |
| Power | W | 1200 | 1800 | 2400 | 1800 | 2400 |
| Voltage | V | 230 Mono | 230 Mono | 230 Mono | 230 Mono | 230 Mono |
| Nominal current (fuse) | A | 10 | 16 | 16 | 16 | 16 |
| Electrical cable section | mm2 | 3xA.5 | 3×1.5 | 3×2.5 | 3×1.5 | 3×2.5 |
| Protection class | IP | X4 | X4 | X4 | X4 | X4 |
| Heating time from 10°C to 60°C (Δ50°C) | 5 h 23 | 5 h 23 | 5 h 23 | 5 h 23 | 5 h 23 | |
SAFETY INSTRUCTIONS
General remarks
- Connections (electrical, hydraulic) must be carried out in accordance with applicable standards and regulations, by an approved installer.
- The start-up and commissioning must be carried out by an approved installer.
- If the water drawing off point is far from the tank, installing an auxiliary DHW loop can allow to get hot water more quickly at all times.
Essential instructions for the correct operation of the system
- The appliance must be installed in a dry and protected area.
- Install the appliance to ensure easy access at all times.
- Before fixing the appliance to the wall, make sure that the wall can bear the weight of the appliance filled up with water.
- In the case of hydraulic connection to a water system made of brass, it is compulsory to use reduced dielectric sleeves or equal male-female sleeves made of malleable cast iron. Should the thread of the tubes, which are not provided with such sleeves, be attacked by corrosion, our warranty will be void.
- Make sure to install a pressure reducing valve set at 4.5 bar in the DHW circuit if the supply pressure is higher than 6 bar.
- Do not expose the appliance to pressure exceeding 7 bars, otherwise the appliance will suffer irreparable damages. Install an approved safety group, comprised of a safety valve set at 6 bar, a check valve and a stop valve.
- Make sure that the outlet of the safety unit goes directly to the sewer to avoid any potential damage and that the drain pipe is never obstructed and protected from freezing.
- Do not install the safety group above the tank to avoid water discharge on to the appliance.
- If one or several mixing valves are used, a check valve is to be mounted to the cold water column supplying the mixing valves. A stop valve must be installed on the cold water supply of the appliance.
Installation
Essential instructions for the safety of persons and the environment
- ACV recommends using a pre-set thermostatic mixing valve in order to provide hot water at a maximum of 60°C.
- In order to avoid exposure to extremely hot water that can cause serious burns, never leave children, old people, disabled or handicapped people in the bath or shower alone.
- Never allow young children to turn on the hot water or fill their own bath.
- Adjust the water temperature in accordance with usage and plumbing regulations.
- The risk of developing bacteria exists, including “Legionella pneumophila”, if a minimum temperature of 60°C is not maintained in both the DHW tank and the hot water distribution network.
Essential instructions for the electrical safety
- Only an approved installer is authorized to carry out the electrical connections.
- Make sure that the appliance is connected to the earth.
- Install a 2-way switch and a fuse or circuit breaker of the recommended rating outside the appliance, so as to be able to shut power down when servicing the appliance or before performing any operation on it.
- Shut down external electrical supply of the appliance before performing any operation on the electrical circuit.
- This appliance is not intended for use by persons (including children) with reduced physical, sensory or mental capabilities, or lack of experience and knowledge, unless supervised or unless they have been given instruction concerning the use of the appliance by a person responsible for their safety.
PACKING CONTENTS
- One BL or ST Glass electric hot water tank.
- Multilingual Installation, Operation and Maintenance Instructions
- One Energy label
The installation of a safety group is mandatory, but the safety group IS NOT part of the delivery.
TOOLS REQUIRED FOR THE INSTALLATION

PRINCIPLES OF OPERATION
- This closed-system appliance is intended to produce hot water in households and institutions.
- The hot water can be used for both sanitary and consumption purposes.
- The water temperature of the appliance can be adjusted depending on your needs (65 °C).
- After having achieved the adjusted or preferred temperature, the temperature regulator switches off the heating automatically. In this way there is hot water in the appliance for a long time.
- The insulation in the internal tank prevents the fast cooling of the hot water, therefore, the water remains hot for a long time. Hot water flows out without mixing with cold water.
Essential instructions for the electrical safety
- The protection class of the appliance is: I.
- The covers closing the electric group provide protection against the involuntary touching of the active electric parts under voltage.
- Connection to the mains is to be carried out in accordance with the installation diagram found in this installation manual and on the plate at the bottom of the appliance, by paying attention to the connection to the correct phases.
- It is FORBIDDEN AND DANGEROUS to start-up the appliance without the professional installation by a specialist provided with protection against the electric contacts.
- For the correct operation of the appliance, we recommend the use of a protection relay in the mains of your building.
- CAUTION! Before doing any maintenance or repair tasks, disconnect the appliance from the electric supply. The maintenance and repair works have to be carried out by qualified personnel.
- After repair and maintenance works, the appliance has to be restored to its original condition.
- The repair works must be documented by the technician in order to preserve the validity of the warranty.
CONNECTING SINGLE PHASE APPLIANCES
This procedure is to be carried out by an approved electrician:
- Use three conductors of 2.5 mm2,(one green/yellow for the earth).
- Connect to the mains via terminals A and B or 1 and 2 of the thermo-stat (see page 16).
- Connect the green/yellow conduc-tor to terminal

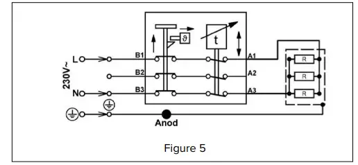
CONNECTING THREE-PHASE APPLIANCES
This procedure is to be carried out by an approved electrician:
- Connect using four conductors of 2.5 mm2, (one green/yellow for the earth.)
- Connection to the mains via termi-nals B1, B2 and B3 of the thermo-stat (see “Figure 3” to “Figure 5”, page 17).
- Connect green/yellow conductor to terminal
- For a 400 V Tri supply without neutral, modify the internal con-nections by following the wiring diagram in “Figure 3”, page 17.
- Regarding a 230 V Tri connection, see diagram in “Figure 4”, page 17.
WIRING DIAGRAMS




ST…M/TRI, ST…S M/TRI


HYDRAULIC CONNECTION
Essential instruction for the safety of persons and the environment
- Refer to the safety instructions for the installation. Failure to comply with these instructions can result in damages to the system, severe injuries or death.
Essential instruction for the correct operation of the system
- The filling circuit of the DHW tank must be equipped with a safety group, comprised at least of a stop valve, a check valve, a safety valve set at 7 bar. Make sure that the circuit between the tank and the safety valve is always open.
General remarks
- In certain countries the domestic kits must be approved.
- The circuit illustrations are basic principle diagrams only.
CONNECTION TO THE DHW CIRCUIT
(Typical wall installation)
Key
- Filling valve
- Pressure reducing valve (set at 4.5 bar)
- Check valve
- Stop valve
- DHW expansion vessel
- Pressure gauge
- Safety valve (set at 7 bar)
- Drain valve
- Grounding
- Stop valve
- Thermostatic mixing valve
- Hot water outlet

SAFETY INSTRUCTIONS TO FILL THE TANK
Essential instruction for the safety of persons and the environment
- The DHW tank must always be filled and pressurised before supplying the appliance with electrical power.
Essential instruction for the correct operation of the system
- Before bringing the appliance into service, check the connections to avoid any risk of leaks during filling.
FILLING THE TANK
General remark
- Connect the safety valve outlet to the sewer.
- To fill the tank, open a hot water tap (2) located at the highest point of the system, as well as the safety valve. This enables bleeding the air from the ap-pliance and the system.
- Open the filling valve (1) and the stop valves (3) to fill the DHW tank.
- Close the hot water tap (2) and safety valve, after the water flow has stabilised and the air has been completely evacuated.
- Check all the connections of the system for leaks.

Starting Up
CHECKS BEFORE STARTING UP
- Check that the safety valve is correctly installed and that the outlet is connect-ed to the sewer.
- Check that the tank is filled with water.
- Check that the air has been correctly bled from the circuit.
- Check that the pipes are correctly connected and there is no leak.
- Check that all electrical connections have been carried out according to the appliance type (single or three-phase) and in compliance with local regulations.
- Check that all electrical connections are secure.
- Make sure that all access covers are closed.
STARTING UP
- Switch on the appliance.
- Turn the control thermostat to define the required temperature (can be adjust-ed between 20°C and 65°C).
General remarks
- In order to prevent the generation of legionella bacteria, the thermostat is factory-set to 65°C.
- The safety temperature limit switch integrated into the thermostat helps avoiding all kinds of incidental overheating.
- During warming up, the expansion of water may cause flow-out from the safety group.
Maintenance
PERIODIC CHECKS BY THE USER
- Visually inspect, on a regular basis, the valves, connections and accessories in order to detect any leaks or malfunction.
- Check that the DHW circuit safety valve is in good operating condition.
- In the event of a problem, please contact your approved installer.
ANNUAL MAINTENANCE
Essential instructions for the correct operation of the appliance
- The discharge pipe of the safety unit must be open to the outside. If the safety unit drips periodically, it may be due to an expansion problem or clogging of the valve.
- For internal inspections, the hand hole can be used. If there is none, use one of the water connections to insert the appropriate inspection equipment. If necessary, drain the tank before inspection.
Essential instruction for the electrical safety
- Shut down external electrical supply of the appliance before performing any operation on the electrical circuit.
Annual maintenance tasks, performed by an approved installer, must include:
- The manual activation of the DHW circuit safety valve. This operation will lead to a discharge of hot water.
- A check of the correct operation of valves, taps, control units and accessories that are possibly installed [refer to the manufacturer’s instructions if necessary].
- Check of the scaling and anode condition (See opposite page).
DESCALING THE APPLIANCE
- Remove the flange.
- Remove the scale appearing in the form of mud or laminae at the bottom of the tank.
Essential instructions for the correct operation of the appliance- If the water is very hard, it is advised to remove the scale from the appliance every year
- Do not try to remove the scale adhering to the side-wall of the tank because it constitutes efficient protection against corrosion.
- Never remove the scale by means of chemical agents (hydrochloric acid or similar).
- Wash the external walls of the tank in order to take off all traces of limestone but never use metal objects for removing the limestone.
- Carefully clean the thermostat and the heating element.
- Check the condition of the anode. If the diameter of the anode is ≤ 10 mm, even on only one point, the anode must be replaced (normal Ø: 32 mm).
- Replace any component as required, then close all access panels.
DRAINING
essential instruction for the safety of persons and the environment
- The water coming out of the drain valve is very hot and can cause very severe burns. Make sure the area around the hot water flow is clear of people.
Essential instruction for the electrical safety
- Shut down the external electrical supply of the appliance before draining.
Essential instruction for the correct operation of the system
- Drain the tank if it is not used in winter and is at risk from exposure to ice.
Procedure:
- Close the filling valve (1) and the stop valve (2).
- Connect the drain valve (3) to the sewer using a flexible hose.
- Open the safety valve (4) and the drain valve (3), and drain the water from the DHW tank to the sewer.
- To accelerate the tank’s drainage, open a hot water tap (5) located higher than the tank connection in the DHW circuit.
- Close the drain valve (3), the safety valve (4) and the hot water tap (5) after having drained the DHW tank.

BRINGING BACK INTO SERVICE AFTER MAINTENANCE
Refer to “Starting Up”
Troubleshooting
PROBLEMS AND SOLUTIONS – FOR THE INSTALLER
THE WATER IS COLD
- Check if the current arrives to the terminals of the thermostat, if not, please, verify the circuit breakers and the disconnecting switch.
- Using a small flat-head screwdriver, check the security device on the thermo-stat. It is comprised of a rearmable system on the control cabinet.
- Check the heating element.
- If the appliance is used in an “off peak hours” scheme, have the timer controlled by the competent service-provider.
THE WATER IS BOILING (steam comes out of the taps),
- Immediately shut down the electrical supply and slowly open the hot water taps.
- Check the setting and the correct operation of the thermostat.
- If the appliance is old, check if there are deposits of scale. Descale the appli-ance, refer to “Descaling the Appliance”,
INSUFFICIENT FLOW OF THE HOT WATER
- Make sure that there is no pressure drop in the cold water supply, which, if the check valve does not close correctly, would let the hot water flow back into the cold water tube.
- Check the heating element, if it is present, and the correct operation of the timer within and outside the “peak hours” scheme.
THE SAFETY GROUP LEAKS VIA THE DRAIN HOLE
- This flow is normal during heating. Make sure that the drain hole of the valve is properly connected to a draining pipe.
Never block this drain hole - If the there is a continuous flow or a flow outside heating periods, have the supply pressure verified.
- If the water is very hard, have the heating element cleaned annually and set the thermostat to 65°C.






















