HUV 80 3-Way Switching Valve
Instruction Manual
» HUV 1/» HUV 2/
» HUV 65/» HUV 80
General information
This accessory installation guide is aimed at specialist technicians. For installing the heat pump or similar items, see the additional operating and installation instructions.
Please read
Read these instructions carefully before use and keep them in a safe place. If you pass on the equipment to another user, give them the instructions as well.
Explanation of symbols
Symbols in the documentation: This documentation contains symbols and highlights. These have the following meanings:
Beware of injury
Indication of the possible risk of injury to the technician or user, and possible damage to the device.
Beware of electrocution
Beware of burns and scalding
Beware of damage
Indicates a potentially dangerous situation that might occur while installing or operating the device and could damage the device or cause environmental or financial harm.
Please read
Read these instructions carefully before use and keep them in a safe place. If you pass on the equipment to another user, give them the instructions as well.
Safety
Proper use
The 3-way switching valve distributes and regulates the flow in STIEBEL ELTRON or Tecalor heat pump systems. Any different or extended use is considered improper, especially useful with other media to be heated. Proper use also includes observing the install-location instructions. Only use the device for the purpose stated by the manufacturer and do not make any modifications to it.
This appliance is designed for domestic use. It can be used safely by untrained persons. The appliance can also be used in a non-domestic environment, e.g. in a small business, as long as it is used in the same way.
Safety instructions
Observe the following safety instructions and regulations.
Heat pump systems and accessories may only be installed by a recognized specialized company.
The qualified technician is responsible for observing all applicable regulations during installation and commissioning.
Only operate the device when it is fully installed with all its safety equipment.
Beware of electrocution
Switch off the power supply immediately if cables are damaged. Make sure it is secured against being switched on again unintentionally.
Beware of electrocution
Make sure all cable entries are fitted with the appropriate protection class.
Beware of burns and scalding
Before working on the system, let the pipes on the relevant section cool down as necessary and reduce the system pressure to ambient pressure.
Beware of injury
The appliance may be used by children aged a and up and persons with reduced physical, sensory or mental capabilities or a lack of experience provided that they are supervised or they have been instructed on how to use the appliance safely and have understood the resulting risks. Children must never play with the appliance. Children must never clean the appliance or perform user maintenance unless they are supervised.
Beware of damage
The 3-way switching valve is designed for use in STIEBEL ELTRON or Tecalor heat pump systems and may not be used for applications outside the stated range, particularly in aircraft or other means of transport.
Device description
Overview of models and combination options
| Model | Order no |
| HUV 1 | 247420 |
| HUV 2 | 223391 |
| HUV 65 | 227425 |
| HUV 80 | 227426 |
Scope of delivery
-3-way switching valve Servo drive
-3 x counter screws GI V2″ x 1″ (HUV 1 only)
-3 x counter screws G2 V,” x 2″ (HUV 2 only)
The servo drive is delivered already fitted to the 3-way switching valve.
Function
The 3-way switching valve is controlled using a servo or lifts drive.
Note
As well to the flow direction A – AB and B – AB which is marked with an arrow on the housing, the opposite direction AB – A and AB – B is also permitted in STIEBEL ELTRON or Tecalor heat pump systems.
HUV 1 / HUV 2 only: The servo drive is constantly regulated by a control system and moves the ball of the 3-way switching valve, which acts as a restrictor, to the position specified by the actuator signal. The valve opens by turning clockwise and closes by turning anticlockwise (factory setting).
HUV 65 / HUV 80 only: The lift drives are regulated by a 3-point control system and move the closing element, which acts as a mixer, to the opening position defined by the actuator signal.
Dimensions, distances, and connections
3.4.1 3-way switching valves

| Dimensions | HUV 1 | HUV 2 | HUV 65 | HUV 80 |
| L | mm84.5 | 131.5 | 290 | 310 |
| H | mm46 | 56 | 100 | 110 |
| B | inms47.5 | 72.5 | 120 | 130 |
| D | DN 25 25 mm (1 -nth) G1½ | DN 50 SO mm (2 inches) G2¾ | D \ 65 160 mm | ON 80 190 mm |
| C | mm- | – | 16 | 18 |
| K | mm- | – | 130 | 150 |
| d | mm- | – | 4 x 14 | 4 x 18 |
| Distances* | ||||
| X | mm240 | 240 | 515 | 515 |
| Y | mm90 | 90 | 100 | 100 |
| * Distances in relation to the center of the valve | ||||
3.4.2 Servo drives
Dimensions HUV 1 12

Installation
Installation position
The 3-way switching valves can be installed either vertically or horizontally.
Beware of damage
The 3-way switching valves may not be installed sus-pended, i.e. with the tappet facing down.

Hydraulic connection
Beware of damage
The conditions in VDI 2035 regarding water quality must be complied with. So that the 3-way switching valve controls the flow for a long time, we recommend the use of contamination filters.
Beware of damage
Make sure the ball is correctly positioned in the 3-way switching valve (note the mark on the spindle).
Note
As well to the flow direction A – AB and B – AB which is marked with an arrow on the housing, the opposite direction AB – A and AB – B is also permitted in STIEBEL ELTRON or Tecalor heat pump systems.

Electrical connection
Beware of electrocution
Always switch off the power supply before installation. Make sure it is secured against being switched on again unintentionally.
4.3.1 HUV 1 I HUV 2
Connection diagram (open/closed control)

Beware of damage
Only the factory-set open/close setting may be used in STIEBEL ELTRON or Tecalor heat pump systems.
The 3-way diverter valve is factory-set to flow direction B – AB. To change the flow direction to A – AB, change the covered rotary selector from Y2 to Yl.

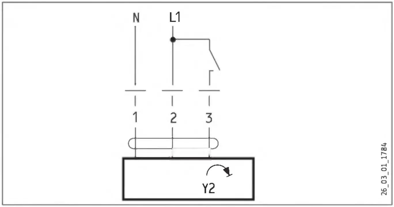
4.3.2 HUV 65 / HUV 80
Connection diagram (open/closed control)
blue- brown
- white
Maintenance
The 3-way switching valves with integrated servo drive requires no maintenance. They do not contain any parts that can be replaced or repaired by the user.
Beware of electrocution
Always switch off the power supply before maintenance. Make sure it is secured against being switched on again unintentionally.
Beware of burns and scalding
Let the pipes on the relevant section cool down as necessary and reduce the system pressure to ambient pressure.
Beware of damage
Switch off the pumps for the relevant pipe section and close the associated shut-off valves.
The system may only be started up again once the 3-way switching valves with integrated servo drive have been correctly fitted and the pipes correctly filled.
| HUV 1 | HUV 2 | HUV 65 | HUV 80 | ||
| 227420 | 223391 | 227425 | 227426 | ||
| Sound data | |||||
| Sound power level | dB(A) | 35 | 45 | 45 | 35 |
| Application limits | |||||
| Max. permissible pressure | MPa | 276 | 276 | 60 | 60 |
| Hydraulic data | |||||
| Flow capacity | m3/h | 26 | 49 | 58 | 90 |
| Differential pressure ▽ prux | kPa | 100 | 350 | 140 | 80 |
| Closing pressure ▽ ps | kPa | 1000 | 1400 | 140 | 80 |
| Electrical data | |||||
| Rated voltage | V | 230 | 230 | 230 | 230 |
| Frequency | Hz | 50/60 | 50/60 | 50/60 | 50/60 |
| Power consumption, operational | W | 1.5 | 2.5 | 2 | 2 |
| Power consumption, idle | W | 0.4 | 0.4 | 1 | 1 |
| Power consumption, sizing | VA | 4.5 | 4.5 | ||
| Versions | |||||
| Power cable | * | * | * | ||
| Power cable length approx. | mm | 1000 | 1000 | 1000 | 1000 |
| Operating mode | parallel | parallel | parallel | parallel | |
| Safety category | II, double insulated | II, double insulated | II, double insulated | II, double insulated | |
| IP rating | IP54 | IP54 | IP54 | IP54 | |
| Dimensions | |||||
| Length | mm | 84.5 | 131.5 | 290 | 310 |
| Weights | |||||
| Weight | kg | 1.65 | 4.8 | 16.3 | 22.5 |
| Values | |||||
| Permissible medium | H2O | H2O | H2O | H2O | |
| Permissible medium 2 | H2O glycol S | H2O glycol S | H2O glycol S | H2O glycol S | |
| Maximum mixing ratio | % | 50 | 50 | 50 | 50 |
| Permissible additive medium | glycol | glycol | glycol | glycol | |
| temperature max. operating | °C | 100 | 100 | 100 | 100 |
| Flow rate, control path A-AB (VDi 2173) | n(gL) | 3.9 | 3.9 | 3 | 3 |
| Flow rate, bypass B-BA (linear) | kvs * 0.7 | kvs * 0.7 | |||
| Leakage rate bypass B-AB | kvs * 0.01 | kvs * 0.01 | kvs * 0.01 | kvs * 0.01 | |
| Leakage rate, controlpath A-AB (B0.1 Din 3230) | air bubble-tight | air bubble-tight | |||
| Pivoting bracket | º | 90 | 90 | ||
| The angle of rotation, working area | º | 15…90 | 15…90 | ||
| Connecting cable, cable cross-section | mm2 | 3 x 0.75 | 3 x 0.75 | ||
| Torque | Nm | min. 5 | min. 20 | ||
| Runtime | 90s / 90° | 90s / 90° | 7.5 s/mm (18mm) | 7.5 s/mm (18mm) | |
| Ambient temperature | °C | 0…50 | 0…50 | 0…50 | 0…50 |
| Permissible relative humidity (non-condensing) | % | 95 | 95 | 95 | 95 |
Warranty
The warranty conditions of our German companies do not apply to appliances acquired outside of Germany. In countries where our subsidiaries sell our products, it is increasingly the case that warranties can only be issued by those subsidiaries. Such warranties are only granted if the subsidiary has issued its own terms of the warranty. No other warranty will be granted. We shall not provide any warranty for appliances acquired in countries where we have no subsidiary to sell our products. This will not affect warranties issued by any importers.
Environment and recycling
We would ask you to help protect the environment. After use, dispose of the various materials in accordance with national regulations.
Subject to errors and technical changes!
STIEBEL ELTRON GmbH & Co. KG
Dr.-Stiebel-Str. 33137603 / Holzminden
Tel. 05531 702-01
Fax 05531 702-480
[email protected]
www.stiebel-eltron.de
Tecalor GmbH
FOrstenberger Str. 77137603 / Holzminden
Tel. 05531 99068-7001
Fax 05531 99068-712
[email protected]
www.tecalor.de
HUV 1/2/65/80
blue


















