SIEMENS SAV61.00U SAV Electronic Valve Actuator

Product Description
The SAV Electronic Valve Actuator requires a 24 Vdc or 24 Vac, Class 2, supply signal to control a Siemens flanged, Pressure Independent Control valve with a 1-1/2-inch (40 mm) standard stroke.
Product Numbers
SAV61.00U Proportional Control Actuator
SAV81.00U Three-position Control Actuator
Warning/Caution Notations
| WARNING: | ![]() | Personal injury or loss of life may occur if you do not follow a procedure as specified. |
| CAUTION: | ![]() | Equipment damage or loss of data may occur if you do not follow a procedure as specified. |
CAUTION
SAV Actuators can only be used for hot or chilled water installations.
Required Tools
- 4 mm hex wrench, or 10 mm wrench
- Flat-blade screwdriver or Phillips screwdriver to remove wiring compartment cover
Ex pected Installation Time
30 minutes Wiring a factory-installed actuator
45 minutes Field replacement of actuator
Prerequisites
NOTE: Consult Technical Support if using with a TEC.
WARNING:
If mounting the actuator to a valve already in line, either close the shut-off valves in the piping (upstream first, then downstream) or switch off the pump to allow the differential pressure in the valve to drop.
Mounting Positions



| A | Manual adjuster (with slide switch) |
| B | Wiring knockouts |
| C | Position indication |
| D | Status indication |
| E | Housing cover |
| F | Valve stem coupling |
| G | Yoke |
| H | Bonnet connection U-bracket |
Installation
CAUTION: Do not damage or scratch the polished surface of the valve stem.
Mounting an Actuator to a Valve
- Ensure stem connection plate in the Valve Stem Coupling is in the OPEN position. See Figure 3.

- Open the bonnet connection U-bracket. See Figure 4.

- Pull the valve stem to the fully extended position. Then, slide the actuator on the valve bonnet. See Figure 5.

- Completely close the bonnet connection Ubracket. See Figure 6.

NOTE: Position the actuator to accommodate the wiring. Hold the actuator in place while tightening the actuator U-bracket bolt. - Tighten the U-bracket bolt using a 10 mm wrench (or 4 mm hex wrench) to 5 Nm (44 in-lbs) torque. See Figure 7.

- Rotate the manual adjuster clockwise to manually extend the actuator shaft until it covers the head of the valve stem See Figure 8.

- Close the stem connection plate securely over the valve stem. See Figure 9.

CAUTION: Do not rotate the actuator on the valve once the actuator and valve stem are connected. Doing so will inadvertently adjust the flow setting of the valve. - Secure the stem connection plate by tightening thebolt, using a 10 mm wrench (or 4 mm hex wrench). See Figure 10.

Removing the actuator from a valve
- Loosen the stem connection plate in the Valve Stem Coupling by loosening the bolt, using a 10 mm wrench (or 4 mm hex wrench).
- Open the stem connection plate over the valve stem.
- Manually retract the actuator shaft by turning the Manual Adjuster counterclockwise until it reveals the head of the valve stem.
- Loosen the U-bracket using a 10 mm wrench (or 4 mm hex wrench).
- Completely open the bonnet connection U-bracket.
- Push the valve stem to the fully retracted position. Then, slide the actuator off the valve bonnet.
- Remove the actuator from the valve, being careful not to damage the valve stem.
- Close the bonnet connection U-bracket.

A Plug-in space for…
– Potentiometer ASZ7.5.. (SAV81.00U only) or
– Auxiliary switch ASC10.51.
B Plug-in space for…
– Function module AZX61.1 (SAV61.00U only), or
– Auxiliary switch ASC10.51
C LED (SAV61.00U only)
D DIP Switches (SAV61.00U only)
E Calibration Slot (SAV61.00U only)
F Connection Terminals
Wiring
NOTE: All wiring must conform to national and local codes and regulations (NEC, CE, and so on).
Do not use autotransformers. Use earth ground isolating step-down Class 2 power supply transformers.
Determine supply transformer rating by summing total VA of all actuators used. The maximum rating for a
Class 2 step-down transformer is 100 VA.
It is recommended that no more than 10 actuators are powered by one transformer.
Parallel Control of Actuators
SAV81.00U – Three-position actuators must have their own specific controller.
SAV61.00U – Up to 10 actuators can be driven in parallel from a single controller output with a rating of 1 mA. Modulating actuators have an input impedance of 100KΩ.
NOTE: Use either a Phillips head screwdriver or a flat lade screwdriver to remove the wiring compartment housing cover for access to the terminal block and DIP switches.
DIP Switch Setting (SAV61.00U only)
Switch 1: Control Signal Select between 0 to 10 Vdc or 4 to 20 mA input signal for terminal Y (0 to 10 Vdc default).
Switch 2: Flow Characteristic Do not change the flow characteristic switch from the default setting.
NOTE: Changing the default setting will modify the linear flow characteristic to: fast opening flow characteristic
Table 1. DIP Switch Settings.
| Position | Positioning Signal “Y” | Position Feedback “U” | Flow Characteristic | ||
| OFF 1) |
| 0 to 10 Vdc | 0 to 10 Vdc |
| Default = Linear |
| ON |
| DC 4 to 20 mA | 0 to 10 Vdc |
| Modified = Fast Opening |
1) Factory setting: All DIP switches are set to OFF.
Wiring, SAV61.00U

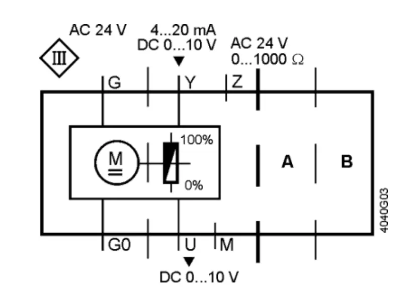
| G0 | System Neutral (SN) |
| G | System Potential (SP) |
| Y | Positioning signal for 0 to 10 Vdc/4 to 20 mA |
| M | Measuring neutral |
| U | Position feedback 0 to 10 Vdc |
| Z | Positioning signal forced control |
Wiring Diagrams (SAV61.00U)


Wiring, SAV81.00U

| G | System potential (SP) |
| Y1 | Positioning signal (actuator’s stem extends) |
| Y2 | Positioning signal (actuator’s stem retracts) |
Wiring Diagrams (SAV81.00U)

The wiring diagrams show all possible connections. The application determines which connections are used.
Manual Override
Manual operation
When pushing the manual adjuster down (1), it engages and the actuator can be manually operated. When turning the manual adjuster in a clockwise/counterclockwise direction (2), the actuator’s stem extends/retracts. See Figure 16.
An overload protection prevents damage to the manual adjuster.

Setting the position
Upon actuation and locking the slide switch (see Figure 17), the manual adjuster remains engaged.
When in this mode, do not turn the manual adjuster.

Disengaging the setting
When resetting the slide switch (see Figure 18), the manual adjuster returns to Automatic Mode.

Commissioning and Operation
Function Check and Calibration
Mechanical Check
Prior to making the function check, ensure that:
- Actuator is mechanically connected to a Siemens valve.
- Actuator is in Manual Operation mode. The actuator can be operated with the help of the Manual Adjuster.
| Manual Adjuster Action | Actuator Response |
| Turning in clockwise direction | Actuator’s stem extends |
| Turning in counter- clockwise direction | Actuator’s stemretracts |
NOTE: Ensure that the actuator’s and valve’s stems are securely connected in all positions. If the actuator is forced to travel beyond its end positions, overload protection responds.
Electrical Check
Prior to making the function check, ensure that:
- Actuator is mechanically connected to a Siemens valve.
- Actuator is in Automatic Operation mode.
- Actuator and, if required, accessories are correctly fitted and connected.
- Power is applied.
Calibration (SAV61.00U Only)
Calibration is required with modulating actuators, and before the function check.
NOTE: Calibration must be performed manually.
Prior to calibrating, ensure that:
- Actuator is properly connected to a valve.
- Housing cover is removed.
- Power is applied.
If required, calibration can be repeated any number of times.
To initiate the calibration process insert a flat-blade screwdriver into the calibration slot to short out the two sides of the slot. See Figure 19.

During calibration, the actuator detects the valve’s end positions and files the exact stroke in its internal memory. Calibration takes place in three phases:

- Actuator drives to H0 (1), retracting actuator stem. Detection of upper end position.
- Actuator drives to H100 (2), extending actuator stem. Detection of lower end position.
- The detected values are stored (3). Then the actuator follows the applied control signal.
Observe the status indication (LED) during and after calibration. See Figure 20 and Table 2.

Table 2. LED Indication and Status.
| LED | Indication | Operating state | Remarks, troubleshooting |
| Green | On | Automatic mode | Normal operation |
| Blinking | Calibration | Wait until calibration is finished (then green or red light) | |
| In manual mode | Manual adjuster in MAN position | ||
| Red | On | Calibration error | Start calibration again |
| Blinking | Detection of foreign object | Check valve / actuator | |
| Off | Off | No power or electronics faulty | Check operating voltage |
If the actuator does not detect the second end position within an appropriate stroke range (max. 25 mm), the first end stop will be adopted and the actuator operates with a working range of 20 mm.
SAV61.00U Function Check
Perform the function check for modulating actuators after calibration with a point test according to the following table:
Table 3. Modulating Function Check.
| Connection Terminals | Actuator Response | Position Feedback (U) |
| 6V Y 13.6 mA | Actuator’s stem extends (60%) | 6V |
| 5V Y 12 mA | Actuator’s stem retracts (50%) | 5V |
| “Z” connected to “G” | Actuator’s stem extends to 100% | 10V |
| “Z” connected to “G0” | Actuator’s stem retracts to 0% | 0V |
After successful completion of the function check, the actuator is ready for normal operation.
SAV81.00U Function Check
Perform the function check for three-position actuators according to the following table:
Table 4. Three-Position (Floating) Function Check.
| Connection Terminals | Actuator Response |
| Voltage at Y1 | Actuator’s stem extends |
| Voltage at Y2 | Actuator’s stem retracts |
| No voltage at Y1 and Y2 | Actuator’s stem maintains the position |
After successful completion of the function check, the actuator is ready for normal operation.
Dimensions

| Product Numbers | A | B | C | C1 | C2 | D | E | ► | ►► | Weight lbs (kg) |
| SAV61.00U SAV81.00U | 10.43 (265) | 4.88 (124) | 5.91 (150) | 2.68 (68) | 3.23 (82) | 3.15 (80) | 3.94 (100) | 3.94 (100) | 7.87 (200) | 4.23 (1.92) |
| With ASK39.1 | 11.42 (290) | 6.06 (154) | 11.81 (300) | 7.87 (200) | 3.94 (100) | – | – | – | – | 4.74 (2.15) |
Figure 21. SAV Dimensions in Inches (Millimeters).
References
Technical Instructions: 155-547
SAV Electronic Valve Actuator
Non-Spring Return, 24 Vac/dc, Proportional Control 155-548
SAV Electronic Valve Actuator Non-Spring Return, 24 Vac/dc, 3-Position Control
Information in this publication is based on current specifications. The company reserves the right to make changes in specifications and models as design improvements are introduced. Product or company names mentioned herein may be the trademarks of their respective owners. © 2015 Siemens Industry, Inc
Siemens Industry, Inc.
Building Technologies Division 1000 Deerfield Parkway Buffalo Grove, IL 60089 USA + 1 847-215-1000
Your feedback is important to us. If you have comments about this document, please send them to [email protected]






























