
INSTALLATION / OPERATION INSTRUCTIONS
Jandy® Valve Actuator
Model JVA 2444

IMPORTANT SAFETY INSTRUCTIONS PERTAINING TO A RISK OR FIRE,
ELECTRIC SHOCK, OR INJURY TO PERSONS
READ AND FOLLOW ALL INSTRUCTIONS
JVA 2444 Valve Actuator
WARNING
When installing and using this electrical equipment, basic safety precautions should always be followed, including the following:
FOR YOUR SAFETY – This product must be installed and serviced by a contractor who is licensed and qualified in pool equipment by the jurisdiction in which the product will be installed where such state or local requirements exist. The maintainer must be a professional with sufficient experience in pool equipment installation and maintenance so that all of the instructions in this manual can be followed exactly. Before installing this product, read and follow all warning notices and instructions that accompany this product. Failure to follow warning notices and instructions may result in property damage, personal injury, or death. Improper installation and/or operation will void the warranty. Improper installation and/or operation can create unwanted electrical hazard which can cause serious injury, property damage, or death.
ATTENTION INSTALLER – This manual contains important information about the installation, operation and safe use of this product. This information should be given to the owner/operator of this equipment. This manual contains important information about the installation, operation and safe use of this product. This information should be given to the owner/operator of this equipment. This product must be installed and serviced by professionals who are qualified in pool/spa product installation and service. Improper installation and/or operation can create an unwanted electrical hazard which can cause serious injury, property damage, or death. Improper installation and/or operation will void the warranty.
Disconnect power to the system at the main circuit breaker before servicing to avoid risk of electric shock which can result in property damage, severe injury or death. All wiring must be done in accordance with the National Electrical Code® (NEC®), NFPA-70. In Canada, all wiring must be done in accordance with the Canadian Electrical Code (CSA C22.1). All applicable local installation codes and regulations must be followed.
SAVE THESE INSTRUCTIONS
JVA 2444 Specifications
| Voltage | 24 VAC |
| Amperage | 0.75 AMPS |
| Cycles | 60 Hz |
| Wire Black Red White | 3-Conductor Common Switch Leg Switch Leg |
JVA Mounting Positions


NOTE: If valves are plumbed and mounted in standard positions, there is no need to adjust the actuator cams.
Actuator Mounting
JVAs may be mounted onto valves in any of the four (4) positions shown below.

- Unscrew the locking knob by turning the knob counterclockwise. Remove the locking knob and valve handle (see Figure 4).
- For standard valves, remove the four (4) large Phillips head screws from the valve. The location of the screws you remove will determine how the actuator will be mounted (see Figure 4). When installing the large 3″ valve, it is not necessary to remove any screws.

- Turn the actuator over to see into the actuator shaft. There are four (4) “teeth” inside of the shaft. Align with the smallest slot on the valve (see Figure 5).
- Place the actuator onto the valve.
- Rotate the actuator while keeping the two shafts engaged until the screw holes on the actuator legs align with the empty screw holes (from step 2) in the valve (see Figure 6).
- Use the four (4) large 2″ Phillips head screws (included) to secure the JVA to the valve.
- Put the valve handle on the actuator shaft. Put the knob on the shaft and tighten (finger tighten only).

Synchronization
Synchronization Methods
If the valve is plumbed in the Standard Plumbing position and the actuator is mounted in Standard Mounting position, you do not have to change the cam settings from the factory settings. However, you may have to synchronize the cams. If the actuator is out of synchronization.
- the actuator will rotate in the wrong direction in relation to its controller (as in a solar heating system)
- one actuator will rotate incorrectly in relation to another actuator (as in pool/spa combination)

For a pool/spa combination, synchronize the valve and the actuator before activation (see Figure 7).
To synchronize the valve and the actuator:
- Flip the toggle switch located on the bottom of the actuator to the ON 2 position (see Figure 8). The toggle positions are marked on the actuator cover
- Retry the system.

Resetting the Cams
WARNING
Improper cam settings can result in dead heading of the water flow which can cause injury or property damage. Improper cam settings and/or operation will void the warranty.
NOTE: Before resetting cams, if the valve is plumbed in Standard Plumbing position and the actuator is in Standard Mounting position (see Figure 3). There is no need for resetting the cams. If a port other than “B” is plumbed as the common port or if the actuator is mounted other than Standard Mounting, the cam setting must be changed so the actuator shaft and the valve diverter rotate properly. Refer to the Cam Setting Chart for proper settings.
- Turn OFF actuator power. Unscrew the locking knob by turning the knob counterclockwise. Remove the locking knob and valve handle.
- Remove the four (4) Phillips head screws that secure the actuator lid and then remove the lid.
- Rotate the actuator shaft so the arrow mark on the top cam aligns with the microswitch actuator (bottom cam arrow mark should also align with the bottom microswitch actuator, see Figure 9).

- Determine the mounting position for the actuator (as per Figure 3, the mounting position will be either I, II, III, or IV). Next, determine what valve port is the common or inlet port (per Figure 3, the common port will be either A, B, or C). Refer to the Cam Setting Chart to determine what the cam settings should be.
- For example, if the actuator is in JVA mounting position “I”, and the common port on the valve is port “A”, the cam settings would be 90° for the top cam and 180° for the bottom.
NOTE: The cam is marked with the arrow at “0”, a long hash mark at the 180° position, and 2 short hash marks at the 90° and 270° positions. - To set the cams, rotate the cam(s) until the arrow mark on the cam(s) align with the microswitch actuator (see Figure 10).
NOTE: The upper cam stops counterclockwise rotation and the lower cam stops clockwise rotation. - Turn power ON to the actuator and use the toggle switch located on the bottom of the actuator to check rotation.
- Move the toggle switch to either ON 1 or ON 2. Allow the actuator shaft to move until it stops.
- Check valve diverter position*, if the position is correct flip the toggle switch in the opposite direction and allow the shaft to stop again. If the stop positions are not correct, reset the cams until correct.
NOTE: If the actuator does not move in either direction, refer to Section 6, Troubleshooting. - Replace the lid and tighten screws. Replace the handle and locking knob.
NOTE: The end of the handle which has the word OFF embossed on it exactly duplicates the shape of the valve diverter. When the handle is placed on a valve or actuator shaft the word OFF will be directly over the center of the valve diverter.
Cam Setting Chart
NOTE: Before resetting cams, always rotate the actuator shaft so the arrow aligns with the pointer above its microswitch.
| Cam Setting | Water Exits Valve | ||||
| Actuator Mounting | Water Enters Port ommon Port | Top Cam | Bottom Cam | Port or Port | |
| *I | A | 90 | 180 | B | C |
| I | B | 90 | 270 | A | C |
| I | C | 180 | 90 | A | B |
| *II | A | 180 | 90 | B | C |
| II | B | 0 | 0 | A | C |
| II | C | 90 | 180 | A | B |
| *III | A | 90 | 180 | B | C |
| III | B | 270 | 90 | A | C |
| III | C | 0 | 270 | A | B |
| *IV | A | 0 | 270 | B | C |
| IV | B | 180 | 180 | A | C |
| IV | C | 270 | 0 | A | B |
*Two Port Valve Settings
Manual Operation
Manual Override
Valve(s) may be rotated manually if the controller is not accessible/operational or when the spa or pool/spa combination require filling or draining.
CAUTION
To prevent damage to your equipment and to minimize the possibility of any injury resulting from such damage, make sure that the pool filtration pump is OFF BEFORE rotating the valve handle.
Manual Override, Power On
- Move the toggle switch located on the bottom of the actuator to the opposite position (ON 1 switch to ON 2). The motor will then rotate the opposite position.
- Return the toggle switch to the original position.

Manual Override, Power Off
- Move toggle switch located on the bottom of actuator to the OFF (center) position.
- Unscrew (counterclockwise) the locking knob above the handle four (4) full turns.
- Push down on the locking knob (not the handle). This will disengage the gear train and allow the handle, and thus the valve diverter, to be moved to any position.
- To return the actuator to automatic position, pull up on the handle while turning it clockwise or counterclockwise until you feel the shaft slide up into the gear train. Turn the locking knob down (clockwise) until snug.
- Put toggle switch back to the original position.
Maintenance
Actuator Maintenance
Lubricate the three (3) O-rings once a year. To lubricate seals:
- Turn OFF power to the actuator.
- Remove the locking knob and handle (see Fig. 12).
- Spread a small amount of Jandy Lube or other silicone base lubricant around the actuator shaft above the lock out ring (see Figure 12).
- Reinstall handle and locking knob. Tighten one turn.
- Push down on the locking knob to force the actuator shaft into manual.
- Wipe a small amount of lubricant around the actuator shaft where it protrudes from the bottom of the actuator.
- Turn handle once around to spread the lubricant.
- Pull up on the handle and tighten locking knob.

Valve Maintenance
NOTE: Before resetting cams, if the valve is plumbed in Standard Plumbing position and the actuator is in Standard Mounting position (see Figure 3). There is no need for resetting the cams. If a port other than “B” is plumbed as the common port or if the actuator is mounted other than Standard Mounting, the cam setting must be changed so the actuator shaft and the valve diverter rotate properly. Refer to the Cam Setting Chart for proper settings.
Seals and O-rings within the valve body should be lubricated often (min. three (3) months). To lubricate the valve diverter seals:
- Turn off all pool/spa equipment.
- Rotate valve handle so the OFF on the handle is over the word GREASE on the valve body.
- Unscrew (counterclockwise) and remove the black cap of the grease fitting.
- Fill cap with lubricant (Jandy Lube).
- Replace cap on fitting and turn in (clockwise) until all of the lubricant has been forced into the valve.
- Use manual operation to move the handle from side to side to spread the lubricant across the seal.
- Reset the valve handle to its original position and start the equipment.
Once a year the valve should be disassembled and the O-ring and valve body inspected for damage. Thoroughly lubricate the square seal and the O-ring. Reassemble the valve.
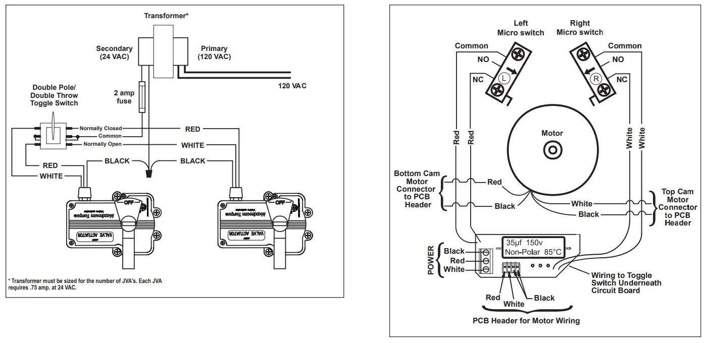
Wiring Diagrams
JVA Wiring Schematic 2444
WARNING
Disconnect power to the system at the main circuit breaker before servicing to avoid risk of electric shock which can result in property damage, severe injury or death. All wiring must be done in accordance with the National Electrical Code® (NEC®), NFPA-70. In Canada, all wiring must be done in accordance with the Canadian Electrical Code (CSA C22.1). All applicable local installation codes and regulations must be followed.
CAUTION
To avoid damage to the equipment and minimize risk of injury, use a properly sized, listed Class 2 transformer for connection to the power supply.
JVA with Time Clock
This diagram is for a single JVA 2444.
To operate more JVAs, additional poles and a higher amperage fuse are needed. Do not double lug the JVA switch leg wires (red and white wires).

JVA with Toggle Switch
This diagram is for two (2) JVA 2444s.
To operate more JVA’s, additional poles and a higher amperage fuse are needed. Do not double lug the JVA switch leg wires (red and white wires).

Troubleshooting
| Problem | Cause | Solution/Check |
| Actuator handle oscillates. | Lack of valve seal lubrication. Obstruction in valve body. | Lubricate valve. Remove actuator and valve lid and inspect. |
| Actuator motor works but the valve diverter does not turn. NOTE: On a pool/spa combi- nation, the problem would be spa draining or overflowing. | A.Actuator shaft broken. B.Valve diverter broken. C.Actuator in manual position. D.Gear train damaged. | A.Replace actuator shaft. Refer to Shaft Replace-ment Kit instructions for disassembly. B.Replace valve diverter. C.Pull up on the handle while rotating counter-clockwise. D.Refer to Gear Replacement Kit instructions for disassembly. |
| Actuator motor does not turn. | A.No power to the actuator. B.Toggle switch in OFF position. C.Motor has failed. D.Failed or broken microswitch. E.Both cams in contact with their microswitches. | A.Check voltage between black (common) wire and each switch leg (red then white) B.Move toggle switch to ON 1 or ON 2 position. C.Replace motor. D.Replace microswitch. E.Check Cam Setting section. |
| Actuator rotates in one direc- tion but not back again. | A.Broken or damaged micro- switch. B.Bad connection(s). C.Bad control relay switch. D.Broken wire. | A.Replace microswitch. B.Check all connections. C.At the power source check the operation of the control relay or switch. D.Check red and white wires. |
| Water inside valve actuator. | Damaged seals. | Replace top lid and grease seals. |
Zodiac Pool Systems LLC
2882 Whiptail Loop East, # 100 Carlsbad, CA 92010
ZodiacPoolSystems.com
©2019 Zodiac Pool Systems LLC. All rights reserved. ZODIAC® is a registered trademark of Zodiac
International, S.A.S.U., used under license. All other trademarks are the property of their respective owners.
H0570800 Rev K
![]()
ETL LISTED CONFORMS TO
UL-STD 1563
CERTIFIED TO CAN/CSA C22.2 NO.218.1


NOTE: The upper cam stops counterclockwise rotation and the lower cam stops clockwise rotation.


















