VIVO SKU: STAND-V103 Triple Monitor Desk Mount Instruction Manual
SKU: STAND-V103
Scan the QR code with your mobile device or follow the link for helpful videos and specifications related to this product.
https://vivo-us.com/products/stand-v103
GET IN TOUCH | Monday-Friday from 7:00am-7:00pm CST
[email protected]
www.vivo-us.com Chat live with an agent!
309-278-5303
WARNING!
If you do not understand these directions, or if you have any doubts about the safety of the installation, please call a qualified technician. Check carefully to make sure there are no missing or defective parts. Improper installation may cause damage or serious injury. Do not use this product for any purpose that is not explicitly specified in this manual. Do not exceed weight capacity. We cannot be liable for damage or injury caused by improper mounting, incorrect assembly or inappropriate use.
TIPOVER WARNING
SERIOUS OR FATAL CRUSHING INJURIES CAN OCCUR FROM TIPOVER. TO HELP PREVENT TIPOVER
- NEVER ALLOW CHILDREN TO CLIMB, STAND, HANG, OR PLAY ON ANY PART OF MONITOR OR STAND.
- USE TIPOVER RESTRAINT OR ANCHOR STAND TO WALL
USE OF TIPOVER RESTRAINTS MAY ONLY REDUCE, BUT NOT ELIMINATE RISK OF TIPOVER
WARNING: CHOKING HAZARD
PACKAGE CONTENTS
a (x1)
48mm pipe
b1 (x1)
“C” Clamp
b2 (x1)
“C” Clamp Brace
c (x1)
Decorative Cover
d1 (x1)
Monitor Arm
d2 (x2)
Monitor Arm
e (x4)
Monitor Arm Cover
f (x4)
Plastic Pad
g (x2)
M10x47
h (x3)
M6x8
i (x2)
M10x15
j (x2)
M8x10
k (x1)
M10 Bolt
l (x1)
Support
m (x1)
M10
n (x1)
Spring Washer
o (x1)
EVA Pad
p (x12)
M4x12
q (x12)
M4x30
r (x12)
M4 Spacer
s (x2)
Spare Cap
t (x1)
Allen Key Set
u (x1)
Wrench
v1 (x2)
Side VESA Plate
v2 (x1)
Center VESA Plate
w1 (x2)
Nut
w2 (x1)
M4x6 Bolt
x (x4)
Wire Clip
TOOLS NEEDED

DO NOT EXCEED WEIGHT CAPACITY.
Failure to do so may result in serious injury
ASSEMBLY STEPS
OPTION A: “C” Clamp Installation
Install the C-clamp Brace (b2) to the 48mm Pipe (a) using 3pcs C-clamp Brace
Bolts (h). Install the C-clamp (b1) to the 48mm Pipe (a) assembly according to the thickness of the desktop. The thickness can be changed in three positions. Connect it using 2pcs M10x15 Bolts (i), and tighten using the Allen Wrench (t). Tighten the C-clamp to the desktop using the 2pcs eye bolts. Install the Decorative Cover (c).

OPTION B: Existing Grommet Base Installation
If the existing grommet hole comes with a plastic protector, remove it to ensure a flat surface before installing the desk mount. Stick the EVA Pad (o) on the round surface of 48mm Pipe (a). Position the 48mm Pipe (a) on the mounting surface and secure using the Support Plate (l), M10 Washer (m), Spring Washer (n) and M10 Bolt (k). Fasten the M10 Bolt by provided Wrench (u). Install the Decorative Cover (c).


OPTION C: Self-Drilled Grommet Base Installation
Position the 48mm Pipe (a) on the mounting surface and mark the center hole.
Remove the tube support. Drill a 3/8” (10mm) diameter hole at the marked
position through the mounting surface. Stick the EVA Pad (o) on the round surface of 48mm Pipe (a). Position the 48mm Pipe (a) on the mounting surface and secure using the Support Plate (l), M10 Washer (m), Spring Washer (n) and M10 Bolt (k). Fasten the M10 Bolt by provided Wrench (u). Install the Decorative Cover (c).
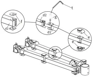
STEP 2
Align monitor arms (d2, d1) so that the holes for the wire clips are facing down.
Place plastic pads (f) on top and bottom of monitor arms (d2), making sure pins
are inserted into holes on arm. Position on ends of monitor arms (d1), secure with M10x47 bolts (g), then press monitor arm covers (e) in place.
STEP 3
Install Monitor Arm (d1,d2) to the 48mm Pipe (a), please make sure the wire
clip holes of Monitor Arm (d1,d2) are facing down. Fasten the M8x10 Bolt (j) by
supplier Allen key (t). Attach the wire clips (x) to the monitor arms.
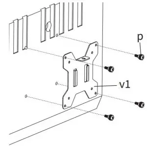
STEP 4
OPTION A: Flat Back Monitor
Attach side VESA plates (v1) to monitors
using M4x12 screws (p).
Attach center VESA plate (v2) to monitors using M4x12 screws (p).
OPTION B: Curved Back Monitor
Attach side VESA plates (v1) to monitors using M4x30 screws (q) and M4 spacers
Attach center VESA plate (v2) to monitors using M4x30 screws (q) and M4 spacers (r)
STEP 5
Slide the side monitors onto the head of Swivel Arm (d1,d2) as shown in the diagram. Install the security nut (w1). Make sure the security nut is installed before you rotate the monitor.

Slide the center monitor onto the head of Monitor Arm (d1,d2) as shown in the diagram. Install the M4x6 Bolt (w2). Make sure the bolt is installed before you rotate the monitor.

STEP 6
Pry off the plastic cover and then use the Wrench (u) to tighten the nut if the tilt angle can not be fixed.
Fasten the grub screw in monitor arm to fix the tilting angle by provided Allen key (t).
STEP 7
Adjust the Height of Center Monitor:
Turn the bolt counterclockwise to lower the center monitor, turn the bolt clockwise to raise the center monitor.

Adjust the Height of Side Monitors:
Remove the nut (w1) and turn the bolt counter-clockwise with supplied Allen key (t) to raise the monitor. Install nut (w1) after adjustment.
STEP 8
Pry off the arm cover, then use the Allen key (t) to adjust the swivel joint tension.
STEP 9
Manage the wires.
Love your new VIVO setup and want to share? Tag us in your photo! @vivo_us
Open Monday – Friday 7:00am – 7:00pm CST,
our dedicated support team can offer immediate assistance with rapid response times. If any parts are received damaged or defective, please contact us. We are happy to replace parts to ensure you have a fully functioning product.
309-278-5303
AVG. RESOLUTION TIME (within office hrs): 5M 4S
www.vivo-us.com AVG. RESOLUTION TIME (within office hrs): < 15 M Chat live with an agent!
[email protected] AVG. RESPONSE TIME (within office hrs): 1HR 8M
– 23% within < 15m
– 38% within < 30m
– 61% within < 1hr
– 83% within < 2hr
– 92% within < 3hr
FOR MORE VIVO PRODUCTS, CHECK OUT OUR WEBSITE AT: www.vivo-us.com











