POTTER VSA SERIES Vault Sound Alarm System

Introduction
- UL Listed
- Push button balancing
- On-board accumulator
- Built-in test button and sounder
- Manual sensitivity adjustment
- Powered by alarm panel
- Self-test to validate system performance
The VSA series is a self-contained sound detection system listed by Underwriters Laboratories, Inc. for the primary protection of reverberant and non-reverberant vaults, such as bank and mercantile vaults.
The VSA system contains a microprocessor driven DC differential balance control which is adjusted so that the impedance of the microphone circuits are balanced with the internal impedance of the differential circuit. The
VSA will alarm through it’s SPDT alarm relay contacts if the microphone circuit impedance increases or decreases.
The main controller and the microphone are combined into a single enclosure (VSA-1).
The main controller utilizes a single button for system balancing. The on-board accumulator allows the system to alarm after receiving a set number of pulses during a 10-minute time frame. The accumulator has an adjustable range of 0 to 9 pulses. Sensitivity is manually adjustable to detect all attacks as set forth in UL 639 and UL 681.
The on-board test button and sounder provide a means to manually test the system during system inspection.
The Remote Test Annunciator (RTA) can be installed in a remote location, likely by the alarm control panel. The RTA allows for remote testing and it annunciates the system condition with LED’s.
The optional self-test feature validates the system’s performance. This feature enables the user to be informed of possible system degradation, due to severe environmental changes, before finding out too late.
The VSA will integrate and may be powered by any alarm control panel.
The VSA-2K is a kit consisting of one (1) VSA-1 Controller/Microphone, one (1) VSM microphone, and one (1) RTA remote test annunciator.
Coverage can be expanded by adding eight (8) additional VSM microphones for a total of ten (10) microphones, including the VSA-1 control unit/microphone.
Where UL certification is required, the VSA system must be installed in compliance with U.L. 681. Including at least one manual-initiating device in the vault and connection of the VSA to a UL listed control unit.
Ordering Information
Model | Description | Stock Number |
| VSA-2K | (1) VSA-1 controller/microphone, (1) VSM microphone, (1) RTA remote test annunciator | 2000076 |
VSA-1K | (1) VSA-1 controller/microphone, (1) RTA remote test annunciator | 2000075 |
| VSA-1 | controller/microphone | 2000070 |
VSM | microphone | 2000071 |
| RTA | remote test annunciator | 2000073 |
VFM | flush mount kit | 2000072 |
Specifications
| Dimensions | ø5.12″ x 3.43″ |
| Weight | VSA-1 (1.1lb), VSM (0.9lb) |
| Ambient Temerature | 32°F to 120°F (0°C to 49°C) |
| Output Contacts | 1 Form C for tamper relay, 2.0 amps @ 30VDC 1 Form B for tamper relay, 2.0 Amps @ 30VDC |
| Annunciators | On-board Status LED (not visible through enclosure) |
| Remote Annunciator Testing | LED’s for displaying system status and test switch for remote testing |
| Testing | Remote connections to a test switch initiates system test for users. On-board test button to facilitate installation. |
| Accumulator | Integrated into the VSA-1 conrol unit permitting 0-9 accumulated signals at 25% below the standard alarm threshold |
| Balancing | Automatic balancing by pressing a balancing button |
| Sensitivity | Manually adjustable to detect all attacks set forth in UL639 and UL681 for sound detectors |
| Input Power | 9VDC to 16.0VDC, 12VDC nominal |
| Operating Current | 50mA nominal/250mA maximum (at test sound generation) |
| Enclosure | Halogen free high impact PC/ABS alloy based enclosures with tamper (Do not use VSM tampers, wiring supervision is provided by VSA-1) |
| Electrical Connections | Two ½” conduit openings |
| Humidity | 85% |
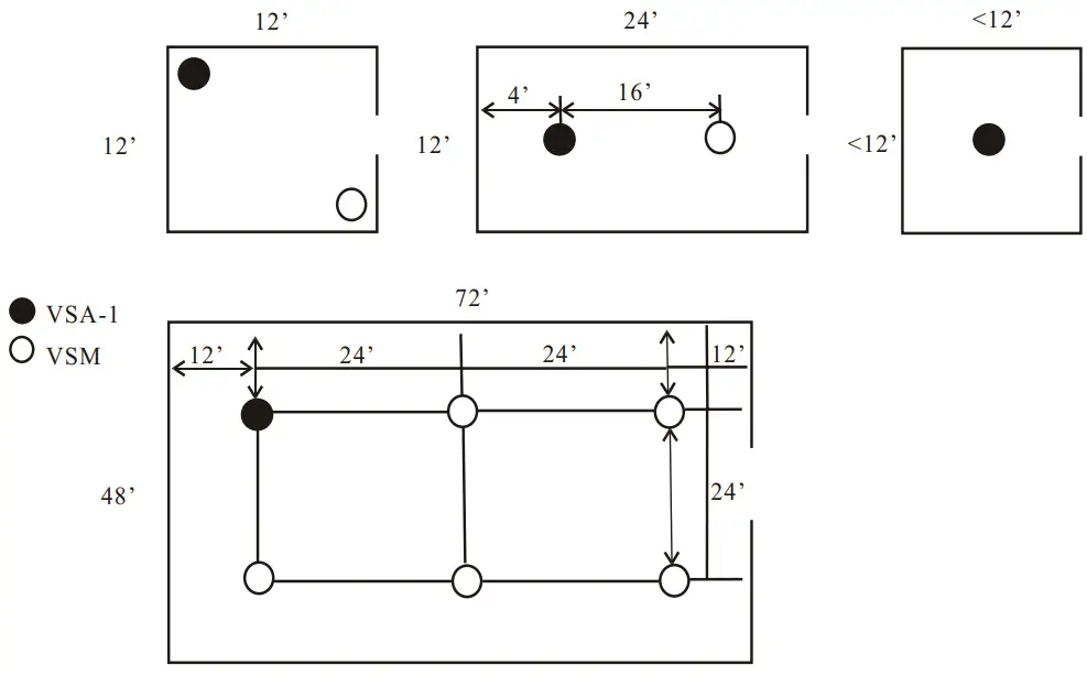
Typical System Layout
It is recommended to install at least one VSA-1 or VSM in every 12′ x 12′ area

Customer Support
Potter Electric Signal Company, LLC
2081 Craig Road, St. Louis, MO, 63146-4161
Phone: 800-325-3936/Canada 888-882-1833
www.pottersignal.com
firealarmresources.com




















