PSTA Potter System Trouble Alarm Owner’s Manual
- Dimensions:
5.5″H x 3.0″W x 1.7″D - Weight:
PSTA .4 LBS. Transformer 1.1 LBS. - Enclosure:
Red Polycarbonate - Environmental Limitations:
- NEMA 1 rated enclosure (Indoor use only)
- Temperature range: 0° F to 120° F (-17°C to 49°C)
- Input Power:
12 VAC .2 Amps Max. - Contact Ratings:
5 Amps @ 110-250 VAC Resistive
5 Amps @ 0-30 VDC Resistive
PSTA Supplied with (1) 12VAC Transformer and (2) 2.2K E.O.L.R.
The Model PSTA is a system trouble alarm that is designed to monitor supervisory conditions on fi re sprinkler components where a fi re alarm is not present or if an additional localized annunciator is desirable. The system has specifi c applications on dry pipe sprinkler systems to monitor low and high air pressure and low room temperature on the dry pipe sprinkler riser. The PSTA also can be used to provide notifi cation of the operation of Potter’s PAAR (Potter Automatic Air Release). The unit consists of a micro-processor based annunciator with an LED system status monitor, an internal buzzer and a set of S.P.D.T. dry relay contacts that may be used for remote annunciation.
Operation
In the normal stand-by condition, the system status LED blinks at a rate of .1 second on and 4 seconds off. When a trouble condition occurs the system status LED lights continuously, the buzzer sounds, and the relay contacts transfer. The buzzer and relay contacts can be reset by pressing the large (P) located in the center of the enclosure. At this point the system status LED will fl ash a code indicating what zone is in trouble. The code sequence is as follows:
- ZONE 1

- ZONE 2

- ZONES 1 & 2:

Resound Feature
The PSTA has an automatic resound feature that will resound the buzzer and transfer the relay contacts if the source of trouble is not corrected after a 1 or 4 hour delay (time selected by a slide switch on the printed circuit board). The PSTA may again be reset by pressing the reset switch (P). This sequence will continue until the source of trouble is corrected.
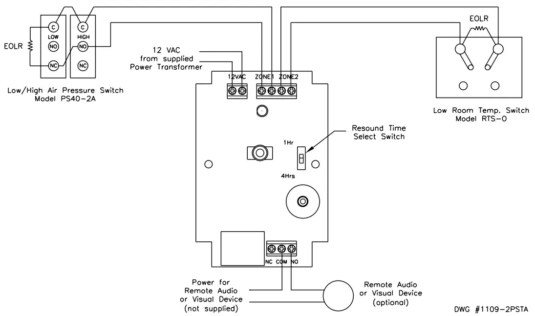
Dry Pipe Installation And Wiring Instructions
Mount the PSTA enclosure on a wall adjacent to the dry pipe riser, or the PSTA may be directly mounted to the sprinkler pipe using hose clamps (not supplied) as shown in Figure 1. Connect wiring from Zone 1 on the PSTA to the low/high air pressure switch. Connect wiring from Zone 2 to the room temperature switch. Plug in the 12-volt ac transformer (supplied) into a continuously powered 110-volt ac outlet. The auxiliary contacts may be used to operate a remote audio or visual device as shown in Figure 3
PAAR Installation And Wiring Instructions
Mount the PSTA enclosure on a wall or the PSTA may be directly mounted to the sprinkler pipe using hose clamps (not supplied) as shown in Figure 1. On the PAAR, remove and discard the fuse cover from the shutoff valve terminals and plug the supplied wiring harness connectors into the shutoff valve. Connect wiring from Zone 1 on the PSTA to the wiring harness of the PAAR. The PAAR is a normally closed contact that opens upon operation. The EOLR of the PSTA must be wired in series with the PAAR harness, see Figure 2. Plug the 12-volt ac transformer (supplied) into a continuous powered 110-volt ac outlet. The auxiliary contacts may be used to operate a remote audio or a visual device as shown in figure 3
Testing
Lower the system air pressure below the pressure switch setting. The PSTA should go into a trouble condition. Press the reset switch (P) and the system status LED should indicate Zone 1 trouble. Raise the system air pressure to normal pressure. The PSTA should restore to normal. Lower the temperature of the room temperature switch by applying circuit cooler. The PSTA should again indicate a trouble condition. Press the reset switch (P) and the system status LED should indicate Zone 2 trouble. When the room temperature switch warms above the set position, the PSTA should restore to normal. If a remote audio or visual device is used it should operate when either zone goes into trouble.
Fig. 1 Mount PSTA With Hose Clamps To Pipe As Shown
Fig. 2 PAAR Installation And Wiring
Fig. 3 PSTS Circuit Board
Support
Potter Electric Signal Company, LLC
PRINTED IN USA
MFG. #5401109 – REV F 5/08
firealarmresources.com
- 2081 Craig Road, St. Louis, MO, 63146-4161
- Phone: 800-325-3936/Canada 888-882-1833
- www.pottersignal.com
![]()




















