POTTER PFC-7501 Fire Alarm Communicator Instruction Manual
This equipment generates and uses radio frequency energy and, if not installed and used properly in strict accordance with the manufacturer’s instructions, may cause interference with radio and television reception. It has been type tested and found to comply with the limits for a Class B computing device in accordance with the specification in Subpart J of Part 15 of FCC Rules, which are designed to provide reasonable protection against such interference in a residential installation. If this equipment does cause interference to radio or television reception, which can be determined by turning the equipment off and on, the installer is encouraged to try to correct the interference by one or more of the following measures:
Reorient the receiving antenna
Relocate the computer with respect to the receiver
Move the computer away from the receiver
Plug the computer into a different outlet so that computer and receiver are on different branch circuits
If necessary, the installer should consult the dealer or an experienced radio/television technician for additional suggestions. The installer may find the following booklet, prepared by the Federal Communications Commission, helpful:
“How to identify and Resolve Radio-TV Interference Problems.”
This booklet is available from the U.S. Government Printing Office, Washington D.C. 20402
Stock No. 004-000-00345-4
Copyright © 1995 – 2008 Potter Electric Signal Company, LLC
Information furnished by Potter is believed to be accurate and reliable.
This information is subject to change without notice.
Panel Specifications
Power Supply
Primary Power Input: 16.5 VAC 40 VA (Model WLT wire-in) or 12/24 VDC from Fire Alarm Control Panel (FACP)
Standby Battery: One or two 12 VDC batteries
Auxiliary Output: 500mA at 12 VDC
Bell Output: .6 Amps at 12 VDC (PFC-7501 only)
Smoke Detector Output: 100mA at 12 VDC (PFC-7501 only)
All circuits inherent power limited except the red battery wire.
* For Commercial Fire installations, see the Compliance Instructions section.
Communication
Built-in SDLC Digital Dialer communication to Potter Model SCS-1R Receivers.
Built-in CID communication to non-Potter (Contact ID) receivers.
Can operate as a local system (PFC-7501 only).
Panel Zones
One Class A (Style D) zone (terminals 11 to 14).
Four 3.3K Ohm EOL Class B (Style A) powered fire zones with reset capability (terminals 15 to 22).
Remote Annunciators (Alphanumeric or LED Keypads)
Connect RA-7630 keypads and LED keypads to the PFC-7500/PFC-7501 keypad bus.
Auxiliary Outputs
Two Form C (SPDT) outputs (Outputs 1 and 2). Each output requires one Model 305 plug-in relay. Each relay is rated for 1 Amp at 30 VDC.
Four open collector annunciator outputs (Outputs 1 to 4). No relay is required. Each output is rated for 50mA at 30 VDC resistive.
Push-Button Reset
The PFC-7500/PFC-7501panels each provide a push button mounted on the printed circuit board that allows authorized users to reset latch detectors and silence active alarm bell outputs. See section 16.1.
Enclosure Specifications
The PFC-7500/PFC-7501 panels are shipped in an enclosure with End-of-Line resistors, battery leads, User’s Guide 8910224, and Programming Sheet
- Size: 12.5” W x 9.5” H x 3.75” D
- Weight: 4 lbs
- Color: Red
- Construction: 20-gauge cold-rolled steel
Introduction
Description
The Potter PFC-7500/PFC-7501 Commercial Fire Panels are powerful 12 VDC fire alarm communicators with battery backup that can also be powered from the 12 or 24 VDC auxiliary output of a Fire Alarm Control Panel (FACP). Each panel provides one Class A (Style D) fire zone and four Class B (Style A) powered fire zones with reset capability for 2-wire smoke detectors, relays, or other latching devices.
In order to power the PFC-7500/PFC-7501 from the 12 VDC or 24 VDC of an FACP, the FACP must operate as a grounded control panel. If the FACP is a non-grounded system, it may detect a ground fault when connected to the PFC-7500/PFC-7501 panel AC or DC Input terminals. In this case the panel should be powered from a separate WLT wire-in transformer and not from the FACP.
The PFC-7500/PFC-7501 panels can communicate to one or two Potter SCS-1R Receivers using SDLC digital dialer or up to two non-Potter (Contact ID) receivers using the CID reporting format.
Zone Expansion
Up to 4 additional zones are available on the PFC-7500/PFC-7501 using a 714 or 715 zone expansion module. The panel keypad data bus supports one supervised device address with up to four programmable expansion zones. The four zone numbers are 31-34.
Note: Do not use shielded wire for Keypad Bus circuits.
Caution Notes
Throughout this guide there are caution notes containing information about installing the panel. These cautions are indicated with a yield sign. Whenever you see a caution note, make sure you completely read and understand its information. Failing to follow the caution note can cause damage to the equipment or improper operation of one or more components in the system. See the example shown below.
Always ground the panel before applying power to any devices: The PFC-7501 must be properly grounded before connecting any devices or applying power to the panel. Proper grounding protects against Electrostatic Discharge (ESD) that can damage system components.
Compliance Instructions
For applications that must conform to a local authorities installation standard or a National Recognized Testing Laboratory certificated system, please see the Wiring Diagrams for Notification Appliances and the Listed Compliance Specifications section near the end of this guide for additional instructions.
System Components
Description
A basic PFC-7500/PFC-7501 system is made up of the alarm panel with built-in communicator, an enclosure, a 16.5 VAC wire-in transformer, and a 12 VDC 7.0 Ah battery. You can add up to two alphanumeric keypads and one or more LED keypads to the panel and also connect control and annunciating devices to the panel Form C and annunciator outputs. Refer to the Power Requirements section in this guide when calculating power requirements.
PFC-7501 Wiring Diagram
The PFC-7501 system below shows some of the accessory devices for use in various applications.

Figure 1: PFC-7501 Wiring Diagram
PFC-7500 Wiring Diagram
The PFC-7500 system below shows some of the accessory devices for use in various applications.

Figure 2: PFC-7500 Wiring Diagram
Lightning Protection
Metal Oxide Varistors and Transient Voltage Suppressors on the panel help protect against voltage surges on input and output circuits of the PFC-7500/PFC-7501 panels. Additional surge protection is available by installing the
Lightning Suppressors.
Keypads
You can connect the Models RA-7630 or RA-7692 keypads to the 4-wire keypad bus provided by the panel on terminals 7, 8, 9, and 10. Do not use shielded wire for the keypad bus.
Installation
Mounting the Enclosure
Mount the metal enclosure for the PFC-7500/PFC-7501 panels in a secure, dry place to protect the panels from damage due to tampering or the elements. It is not ecessary to remove the PFC-7500 or PFC 7501 PCB when installing the enclosure.

Figure 3: Mounting the Enclosure
TAM Trouble Annunciator Module
The TAM Module is installed on the enclosure door and connects to the panel through a 4-wire harness supplied with the
module. See Figure 4.
Figure 4: TAM Module Wiring
TAM Module Operation
The TAM Trouble Annunciator Module provides visual and audible annunciation of System Okay, communication trouble, and panel processor failure. The module contains a Green LED for System Okay, a Yellow LED for Trouble, an
electronic sounder, and a Silence switch.
System Okay
When both phone lines are normal and the panel processor is operating, only the Green LED on the TAM Module is on.
This LED goes off during a Sensor Reset.
Communication Trouble
If either phone line connected to the panel is in a bad condition, or if the panel has made TEN failed attempts to send a report to the central station receiver, the TAM Module emits a steady audible alert and turns on the Yellow LED. The Silence switch can be used to turn off the sounder only.
Panel Processor Failure
During a processor failure on the panel, or a remote programming session, the TAM Module emits a steady audible alert and turns on the Yellow LED.
The Silence switch does not turn off the sounder or
Yellow LED during these conditions.
Mounting Keypads
Potter keypads have removable covers that allow you to easily mount the base to a wall or other flat surface. After installing the keypad mounting anchors and bringing the keypad wiring from the panel through the wall, mount the base and connect the keypad wire harness leads to the keypad wiring. Next, attach the keypad wire harness connector to the pin connector on the keypad circuit board and install the cover.
For mounting keypads on masonry walls, or for applications where conduit is required, use an appropriate Security Command keypad conduit backbox.
Wiring Specifications for the Keypad Bus
- You can install individual keypads on wire runs of up to 500 feet using 22 gauge wire or up to 1,000 feet using 18 gauge wire. To increase the wire length or add additional devices, a power supply is required.
- Maximum distance for any one keypad bus circuit (length of wire) is 2,500 feet regardless of the gauge of wire.
This distance can be in the form of one long wire run or multiple branches with all wiring totaling no more than 2,500 feet. - Maximum number of devices per 2,500 feet circuit is 40. (Refer to the Keypad Bus section for the specific number of supervised keypads that are allowed.)
- Maximum voltage drop between the panel (or auxiliary power supply) and any device is 2.0 VDC. If the voltage at any device is less than the required level, an auxiliary power supply should be added at the end of the circuit.
Note: Do not use shielded wire for the keypad bus.
Terminal Wiring Connections See Figure 5.

Figure 5: Wiring Connections
CAUTION
Do not use looped wire under terminals.
Break wire run to provide supervision of connections.
Primary Power Supply
Installing the Transformer
The transformer requires an unswitched 120 VAC 60 Hz electrical outlet with at least 350mA of available current. Never share the transformer output with any other equipment. The 120 VAC circuit is not power limited.
To mount the Model WLT Transformer to a single-gang box adjacent to the PFC-7500/PFC-7501 enclosure, follow the steps below. Refer to Figure 6 as needed.
Figure 6: Transformer Installation
- Remove the lower knockout from the PFC-7500/PFC-7501 enclosure.
- Attach a single-gang box adjacent to the PFC-7500/ PFC-7501 enclosure.
- After the single-gang box is secured, attach the transformer to the junction box, using the bottom box’s bottom knockout. The screw on the transformer should extend into the single-gang box.
- Tighten the screw to secure the transformer to the junction box .
- An electrician must then connect the black and white leads on the transformer to an unswitched 120 VAC 60 Hz electrical outlet with at least 550mA of available current.
- Connect the wires from the bottom (the side opposite the attaching screw) two terminals on the transformer to terminals 1 and 2 on the panel. Use no more than 70 ft. of 16-gauge wire or 40 ft. of 18‑gauge wire between the transformer and the PFC-7500 or PFC-7501 panel.
Terminals 1 and 2
The transformer provides up to 500mA of auxiliary current for the PFC-7500/PFC 7501 panels. The total current available is limited by the total battery standby requirements of the installation. See the Power Requirements section for standby battery calculations.
Note: After power is applied to the PFC-7500/PFC-7501 panel, any SNM Notification Modules connected to the panel display Bell Trouble for 20 seconds.
DC Power Input to AC Input
When powering the PFC-7501/SL panel from the 12 VDC output of an FACP, connect the positive wire to the positive battery terminal of the PFC-7500/PFC-7501 and the negative wire to the negative battery terminal of the PFC-7500/ PFC-7501.
When powering the panel from the DC output of a 24 Volt Fire Alarm Control Panel (FACP), connect the positive wire from the FACP to terminal 1 and the negative wire to terminal 2. In order to power the PFC-7500/PFC-7501 from the 12 VDC or 24 VDC of an FACP, the FACP must operate as a grounded control panel. If the FACP is a non-grounded system, it may detect a ground fault when connected to the PFC-7500/PFC-7501 panel AC or DC Input terminals. In this case the PFC-7500/PFC-7501 should be powered from a separate WLT wire-in transformer and not from the FACP.
Do not use battery backup with 12 or 24 VDC input: Do not connect any batteries to the PFC-7500 or PFC-7501 panels when using the 12 or 24 VDC output from a FACP. The PFC-7500/PFC-7501 panels use the backup battery capability of the FACP for their standby requirements.
When powering the PFC-7500 or PFC-7501 panel from the 24 VDC output of a FACP, the following features are disabled:
- Bell Output on the PFC-7501
- AC test (PFC-7500/PFC-7501)
- Battery test (PFC-7500/PFC-7501)
Always ground the panel before applying power to any devices: The PFC-7500/PFC 7501 panels must be properly
Secondary Power Supply
grounded before connecting any devices or applying power to the panels. Proper grounding protects against Electrostatic Discharge
(ESD) that can damage system components. See the Earth ground section.
Battery Terminals 3 and 4
Connect the black battery lead to terminal 4 on the panel and then to the negative terminal of the battery. The negative terminal connects to the enclosure ground internally through the PFC-7500/PFC 7501 panel circuit board. Connect the red battery lead to terminal 3 on the panel and then to the positive terminal of the battery. Observe polarity when connecting the battery.
The PFC-7500/PFC-7501 panels are capable of recharging two 7.7 Ah batteries (15.4 Amp/hours) within 24 hours.
Do not use battery backup with 24 VDC input: Do not connect batteries to the PFC 7500/PFC-7501 panels when powering the panels with 20 to 28.2 VDC voltage from a Fire Alarm Control Panel (FACP). The PFC-7500/PFC-7501 panels use the backup battery capability of the FACP for their standby requirements.
Use sealed lead-acid batteries only: Use only sealed
lead-acid rechargeable battery. Batteries supplied by Potter have been tested to ensure proper charging with Potter products.
DO NOT USE GEL CELL BATTERIES WITH THE PFC-7500/PFC-7501.
Earth Ground (GND)
Terminal 4 of the PFC-7500/PFC-7501 panels must be connected to earth ground using 14 gauge or larger wire to provide proper transient suppression. Potter recommends connecting to a metal cold water pipe or ground rod only. Do not connect to electrical conduit or a telephone company ground.
Battery Replacement Period
Potter recommends replacing the battery every 3 to 5 years under normal use.
Discharge/Recharge
The battery charging circuit on the PFC-7500/PFC-7501 panels float charge at 13.9 VDC at a maximum current of 1.2 Amps using the Model WLT Transformer. The total current available is reduced by the combined auxiliary current draw from terminals 6, 7, 15, 17, 19, and 21. The various battery voltage levels are listed below:
Battery Trouble: Below 11.9 VDC
Battery Restored: Above 12.6 VDC
Battery Supervision
1 and 2. The test lasts for five seconds. If, during the test, the battery voltage falls below 11.9 VDC a low battery is indicated. The test is then repeated every two minutes until the battery charges above 12.6 VDC, the battery restored voltage.
If the low battery does not recharge and is replaced with a fully charged battery, the charged battery will not be detected until the next two minute test is done.
If AC power fails during normal system operation, a low battery is indicated any time the battery voltage falls below 11.9 VDC.
PFC-7500/PFC-7501 Power Requirements
During AC power failure, the PFC-7500/PFC-7501 panels, and all auxiliary devices connected to the panels, draw their power from the battery. All devices must be taken into consideration when calculating the battery standby capacity.
Below is a list of the power requirements of the PFC-7500/PFC-7501 panels. Add the additional current draw of Potter keypads, smoke detectors, and any other auxiliary devices used in the system for the total current required.
PFC-7500/PFC-7501 Standby Battery Calculations

Bell Output
Terminal 5 (PFC-7501 Only)
Terminal 5 supplies 12 VDC Bell Output to power alarm bells or horns. The output is rated for a maximum of 1.5 Amps. This output can be steady or temporal depending upon the Bell Action specified in Output Options programming.
Terminal 10 is the ground reference for terminal 5. See the Notification Appliance section for a list of approved notification appliances and the Wiring Diagrams for connections
4-Wire Smoke Detector Power
Terminal 6 (PFC-7501 Only)
Terminal 6 provides up to 100mA at 12 VDC to power 4-wire smoke detectors or other auxiliary powered devices. This output can be turned off by the user for 5 seconds using the Sensor Reset User Menu option. Terminal 10 is the ground reference for terminal 6.
Keypad Bus
Description
Terminals 7, 8, 9, and 10 of the PFC-7500/PFC-7501 panels provide a Class B, Style 3.5 keypad bus to connect an unlimited number of RA-7692 LED keypads, two RA-7630 keypads, and other auxiliary devices. In addition, to keypads, connect a 714 or 715 zone expansion module to the Keypad Bus.
Terminal 7 – RED
Terminal 7 provides 12 VDC regulated keypad power for Potter keypads. You can also connect 12 VDC auxiliary devices to terminal 7. The ground reference for terminal 7 is terminal 10. The maximum output is rated at 500mA on the PFC-7500/PFC-7501 panels. All auxiliary devices totalled together must not exceed the panel’s maximum current rating.
See Power Supply in the Compliance section for maximum current in a fire listed application.
Terminal 8 – YELLOW
Data receive from devices.
Terminal 9 – GREEN
Data transmit to devices.
Terminal 10 – BLACK
Terminal 10 is the ground reference for keypads and any auxiliary devices powered by terminal 7.
Note: Do not use shielded wire when wiring keypads or other devices.
Class A (Style D) Fire Zone
Description
Terminals 11 to 14 are the panel’s Class A (Style D) fire zone. This zone is suitable for connecting waterflow devices, heat detectors, and other non-powered fire devices. For programming purposes, this is zone number 1. The zone is rated for 1.66mA at 5.0 VDC.
The zone configuration on terminals 11 to 14 are described below.
| Terminal | Function |
| 11 | Zone 1 voltage sensing |
| 12 | Negative for terminal 11 |
| 13 | Zone 1 voltage sensing |
| 14 | Negative for terminal 13 |
The voltage sensing terminal measures the voltage across the circuit and the zone’s negative terminal. Dry contact sensing devices can be used only in parallel (normally-open) with zone 1. There are no End-of-Line resistors on a Class A (Style D) zone. The maximum line impedance is 100 Ohms.
Class B (Style A) Fire Zones
Description
Terminals 15 to 22 are the Class B (Style A) fire zones on the PFC-7500/PFC-7501 panels. These zones are suitable for connecting powered or non-powered fire devices. For programming purposes, these zones are designated 2 to 5. The maximum line impedance is 100 Ohms. The zone configurations on terminals 15 to 22 are described below:
| Terminal | Function |
| 15 | Zone 2 voltage sensing |
| 16 | Zone 2 negative |
| 17 | Zone 3 voltage sensing |
| 18 | Zone 3 negative |
| 19 | Zone 4 voltage sensing |
| 20 | Zone 4 negative |
| 21 | Zone 5 voltage sensing |
| 22 | Zone 5 negative |
Operational Parameters
The Class B (Style A) zones on the PFC-7500/PFC-7501 panels can detect three conditions: open, normal, and short. Each zone terminates with a Model 309, 3.3k Ohm EOL resistor (provided with the panel) and is rated for 53mA at 12 VDC.
The compatibility identifier for use with 2-wire smoke detectors is: A.
Zone Response Time
A condition must be present on the zone for at least 500 milliseconds before it is detected by PFC-7500/PFC-7501 panels. Only use detection devices that are rated for use with this delay
Compatible 2-Wire Smoke Detectors
The table below lists detectors meeting the compatibility requirements for use with the Class B (Style A) zones on the PFC-7500/PFC-7501 fire panels. Do not mix detectors from different manufacturers on the same zone.
| Manufacturer | Model | DetectorID | Base | Base ID | # of Detectors |
| Detection Systems | DS250 | B | MB2W | A | 10 |
| Detection Systems | DS250TH, DS250HD | B | MB2W, MB2WL | A | 10 |
| Detection Systems | DS282, DS282TH | B | 10 | ||
| Hochiki | SLK-12 | HD-4 | HSB-12-1, HSB-12-1N | HB-80 | 20 |
| Potter/Hochiki | SLK-835, SLK-835H | HD-5 | HSB-200, HSB-200N | HB-55 | 7 |
| Potter/Hochiki | SLR-835 | HD-3 | NS6-100 | HB-55 | 7 |
| Potter/Hochiki | SLR-835B | HD-6 | 7 | ||
| Sentrol/ESL | 429AT, 521B, 521BXT | S09A | 12 | ||
| System Sensor | 1100, 1400 | STD | 10 | ||
| System Sensor | 1151 | STD | B110LP | 10 | |
| System Sensor | 1451, 2451TH | STD | B401, B401B | 10 | |
| System Sensor | 1451DH | STD | DH400 | 10 | |
| System Sensor | 2100, 2100T | STD | 10 | ||
| System Sensor | 2400, 2400AT,2400AIT, 2400TH | STD | 10 | ||
| System Sensor | 2451 | STD | B401, B401B, DH400 | 10 |
Form C Relay Outputs
Description
The PFC-7500/PFC-7501 panels can provide two programmable auxiliary Form C (SPDT) relays when equipped with plug-in relays in sockets OUTPUT 1 and OUTPUT 2. Each relay is rated for 1 Amp at 30 VDC (allows .35 power factor).
Each output provides one Common, one Normally Open, and one Normally Closed terminal. Field wiring for the Form C relays connects to the 6-position terminal strip on the lower right corner of the PFC 7500/PFC-7501 boards.
The Form C relays can be operated by any of the functions listed below:
- Activation by a zone conditio
- Communication Failure
- Fire alarm or Fire trouble
Annunciator Outputs
Description
The PFC-7500/PFC-7501 panels provide four programmable open collector annunciator outputs that can be programmed to indicate the activity of the panel zones or conditions occurring on the system. Open collector outputs do not provide a voltage but instead switch to ground voltage from another source. Each annunciator output israted for 50mA at 30 VDC resistive.
Form C and Annunciator outputs operate together: The Form C outputs 1 and 2 are internally connected to the Annunciator outputs 1 and 2. Any options assigned to Output 1 or 2 in the panel’s Output Options programming applies to both outputs. While the Form C outputs each require a Plug-in Relay, the annunciator outputs work without the relays.
The Annunciator outputs can respond to any of the conditions listed below:
- Activation by zone condition
- Communication failure
- Fire Alarm, Fire Trouble, or Supervisory
Harness Wiring
The Annunciator outputs are accessible by installing the Harness on the 4-pin header labeled J12. The output locations are shown below:
| Output | Color | Wire |
| 1 | Red | 1 |
| 2 | Yellow | 2 |
| 3 | Green | 3 |
| 4 | Black | 4 |
Devices connected to the outputs must be located within the same room as the PFC-7500/PFC-7501 panels.
Telephone RJ Connector
Description
Connect the panel to the public telephone network by installing RJ Cables between the panel’s J4 (MAIN) and J5 (BACKUP) connectors, and the RJ31X or RJ38X phone jacks on the 356 cable. The maximum line impedance is 100 Ohms.
FCC Registration
The PFC-7500/PFC-7501 panels comply with FCC part 68 and are registered with the FCC.
Registration number: CCKUSA – 1SNM0 – AL -R
Ringer Equivalence: 1.1B
Notification
Registered terminal equipment must not be repaired by the user. In case of trouble, the device must be immediately unplugged from the telephone jack. The factory warranty provides for repairs. Registered terminal equipment may not be used on party lines or in connection with coin telephones. Notification must be given to the telephone company of:
- a. The particular line(s) the service is connected to
- b. The FCC registration number
- c. The ringer equivalence
- d. The make, model, and serial number of the device
Reset Jumper J9
Description
There is a reset jumper located at the top right of the panel circuit board labeled RESET. Momentarily shorting the metal wires of the jumper with a screwdriver resets the microprocessor of the PFC 7500/PFC-7501 panels to enter the internal Programmer.
Reset the panel while the system is operational (for example, during a service call) without powering down the system.
After resetting the panel for programming, begin within 30 minutes. If longer than 30 minutes, reset the panel again.
Silence/Reset Button
The PFC-7500/PFC-7501 panels each contain a mechanical push button located on the top center of the printed circuit board that allows authorized users to silence alarm bells or sirens and reset latched detection devices.
After pressing the button, the panel silences the Bell output (PFC-7501 terminal 5) and momentarily drops power to the auxiliary output (PFC-7501 terminal 6), the TAM Trouble Annunciator Module, and zones 2 to 5 (both panels). Additionally, any Fire or Supervisory event displays at the keypads are also cleared. A 2-pin reset header (J13) is also provided for use with keyswitches.
Bell Circuit Monitor
The PFC-7501 panel contains a bell monitor input (J14) that can be connected to the trouble contacts of the SNM Notification Circuit Module. When the 2-pin header is shorted via the notification module, the Bell Circuit Monitor is in a restored condition. When the trouble contacts open, a bell circuit trouble is indicated. The PFC-7501 is shipped from the factory with a shorting clip on the 2-pin header to indicate a restored condition. A harness is used to connect the J14 Bell Circuit Monitor to the trouble contacts of the SNM Notification Circuit Module.
Dual Phone Line Connectors
Description
The PFC-7500/PFC-7501 panels contain built-in dual phone line capability that allows the panel to monitor two phone lines, indicate a phone line failure, and switch to the alternate phone line to communicate alarm and system reports to a central station.
Before sending a report, the panel verifies whether the main phone line is working. If not, the panel sends the report over the backup phone line. An integrated phone line monitor circuit continually tests the phone lines and indicates a trouble condition on the line after 90 seconds. If the phone line restores and is good for 90 seconds, the panel ends the phone line trouble indication.
The maximum line impedance is 100 Ohms.
Listed Compliance Specifications
Introduction
For applications that must conform to a local authorities installation standard or a National Recognized Testing Laboratory certificated system, please see the following sections.
NFPA
This equipment should be installed in accordance with the National Fire Alarm Code, ANSI/NFPA 72, (National Fire Protection Association, Batterymarch Park, Quincy, MA 02269). Printed information describing proper installation, operation, testing, maintenance, evacuation planning, and repair service is to be provided with this equipment.
WARNING
Owner’s instruction notice shall not be removed by anyone except occupant.
Universal Fire Alarm Specifications
Introduction
The programming and installation specifications contained in this section must be completed when installing the PFC7500/PFC-7501 panels in accordance with any of the ANSI/UL or NFPA fire standards. Additional specifications may be required by a particular standard. See the PFC-7500/PFC-7501 Programming Manual (Stk# 8910225).
Wiring
All wiring must be in accordance with NEC, ANSI/NFPA 70.
Police Station Phone Number
The digital dialer telephone number programmed for communication must not be a police station phone number, unless that phone number is specifically provided for that purpose.
System Maintenance
Proper installation and regular maintenance by the installing alarm company and frequent testing by the end user is essential to ensure continuous satisfactory operation of any alarm system. Offering a maintenance program and acquainting the user with the correct procedure for use and testing of the system is also the responsibility of the installing alarm company.
Audible Alarm (PFC-7501 only)
Fire Type zones should be programmed to activate an audible alarm. The Bell Action for Fire Type zones should not be programmed as “N”.
Listed Receivers
Operation has been verified with the SCS-1R, Sur-Gard SG-HLR2-DG, FBII CP220PB, Osborne-Hoffman Quick-Alert, and Radionics D6500 receivers.
Control Units for Fire-Protective Signaling Systems ANSI/UL 864, NFPA 72
Power Supply
For listed installations, the total current combined from Auxiliary and Bell Power cannot exceed:
1.0 Amps with a 40 VA transformer; .4 Amp Max for Auxiliary Power and .6 Amp Max for Bell
Power Fail delay
The Power Fail Delay option must be set to a maximum of 3 hours .
Central Station Signaling Systems
Two phone lines must be used. The two phone lines cannot be ground start or party lines.
Two different phone numbers must be programmed for digital communication.
Local Protective Signaling Systems
The Potter SNM Notification Circuit Module must be used on the bell circuit for detection of shorts and grounds.
Remote Station Protective Signaling Systems
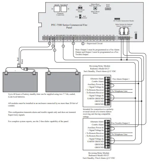
60 hours of standby battery must be provided. Up to two 12 VDC, 7.0 Ah batteries may be used. See standby battery calculations. The Radionics Model D127 Reversing Relay Modules may be used to provide two reversing polarity telephone connections instead of dual phone lines. See the D127 installation instruction sheet for wiring details.
Remote Annunciators
At least one Model RA-7630 or RA-7692 Remote Annunciator must be used on the system. When using a RA-7692 keypad, install one the panel door as described in the RA-7692 installation guide.
When using a RA-7630 keypad, install the keypad using conduit within 20 feet of the panel.
Notification Appliances
The following table indicates approved 12 VDC notification appliances.
| Wheelock Model No. | Description | No. of Appliances |
| MT-12/24 | Multi-tone Horn | 5 |
| MB-G6-12 | Bell, 6 inch | 11 |
| MB-G10-12 | Bell, 10 inch | 11 |
| RSS-121575W-F | Strobe, 15/75 candela | 3 |
| RSSP-121575W-F | Strobe, w/retrofit plate | 3 |
| NS-121575W-F | Horn Strobe, 15/75 candela | 3 |
| SM-12/24-R | Sync Module, Single circuit, | |
| DSM-12/24-R | Sync Module, Dual circuit |
Cross Zoning
When using cross zoning, there must be a minimum of two detectors installed in each protected space and the detector installation spacing must be 0.7 times the linear spacing in accordance with National Fire Alarm Code, NFPA 72.
Ground Fault
For supervised circuits, ground fault is detected at 0 (zero) Ohms.
California State Fire Marshal Specifications
Bell Output Definition
The bell output of the Model PFC-7501 must be programmed to operate Temporal for fire alarms.
Wiring Diagrams
SNM with NAC Extender

The Bell Output programming for Fire type zones must be set to Steady
SNM Class B Style W using Single Notification Appliance
SNM Class B Style W using Multiple Notification Appliances

SNM Class B Style W Multiple Notification Appliance Circuits

Remote Station Reversing Relay Connection

Supervised Remote Relay

PFC-7500 Connection to FACP

PFC-7500/7501 PROGRAMMING SHEET

PFC-7500/7501 ZONE PROGRAMMING
| Zone Information Use this section of the programming sheet to record the program options you selected for the PFC-7500 panel zone. | Type FI SV A1 FV | Open | Short | Swinger Bypass Nor Y | Retard Delay Nor Y | Cross Zone Nor Y | ||||
| A T L– | 0to 4 | S P M F | A T L– | 0to 4 | S P M F | |||||
| Fire | FI | T | 0 | – | A | 0 | – | N | N | N |
| Supervisory | SV | T | 0 | – | A | 0 | – | N | N | N |
| Auxiliary 1 | A1 | T | 0 | – | A | 0 | – | N | N | N |
| Fire Verify | FV | T | 0 | – | A | 0 | – | N | N | |
| No.Zone Name | ||||||||||
| 1 | ||||||||||
| 2 | ||||||||||
| 3 | ||||||||||
| 4 | ||||||||||
| 5 | ||||||||||
| 31 | ||||||||||
| 32 | ||||||||||
| 33 | ||||||||||
| 34 | ||||||||||

5757 Phantom Dr. Ste 125
- P.O. Box 42037
- St. Louis, MO 63042 (866) 240-1870
- (314) 595-6900
- FAX (800) 768-8377



















