CLAGE DEX12 Next E Convenience Instant Water Heater

The documents supplied with the device must be stored carefully.
Registration
Register your device online on our website and benefit from our services under warranty. Your full details help our customer service process your request as fast as possible. For online registration, just follow the link below or use the QR code with your smartphone or tablet.
https://partner.clage.com/en/service/device-registration/
Operation instruction
Note: Carefully read the enclosed safety instructions through in full before the appliance is installed, put into service and used and follow them in the further steps and during use
Description of the appliance
The E-convenience instant water heater DEX 12 Next is a fully electronically controlled instantaneous water heater with graphics-enabled e-paper display and sensor keys for a convenient and efficient water supply to one or more tap outlets.
Its electronic control regulates the power consumption depending on the selected outlet temperature, the respective inlet temperature and the flow rate,thus reaching the set temperature exactly to the degree and keeping it constant in case of water pressure fluctuations. The requiredoutlet temperature can be entered via the sensor keys within a range between 20 °C and 60 °C and can be read off the e-paper display.
The inlet temperature can be up to 70 °C so that operation in connection with reheating, e.g. in solar systems, is possible.
As soon as you open the hot water tap, the instantaneous water heater switches on automatically. When the tap is closed, the appliance automatically switches off. The water heater is operated at the device itself or with an optional wireless remote control.
Environment and recycling
This product was manufactured climate neutrally according to Scope 1 + 2. We recommend the purchase of 100% green electricity to make the operation climate neutral as well.
Your product was manufactured from high-quality, reusable materials and components. Please respect in case of discarding that electrical devices should be disposed of separately from household waste at the end of their service life. Therefore, please take this device to a municipal collection point that return used electronic devices to the recycling system. Disposing it cor rectly will support environmental protection and will prevent any potential negative effects on human beings and the environment that could arise from inappropriate handling of these devices at the end of their service life. Please contact your local authority for further details of your nearest designated collection point or recycling site.
Business customers: If you wish to discard equipment, please contact your dealer or supplier for further information.
How to use
Main control
The e-paper display changes automatically to main screen approx. 60 seconds after activation or operation
Tab the sensor keys to select user profiles or applications or change the temperatur
Display informations (fig. A1)

| Pos. | Function |
| 1 | Status display, top |
| 2 | User |
| 3 | Menu button |
| 4 | Temperature display |
| 5 | Status display, bottom |
| 6 | Applications |
| 7 | Sensor keys |
Temperature display
The scale ring fills up as the temperature setting is increased. In addition, the target temperature is displayed in °C in the middle of the display.
Temperature setting
The desired temperature can be selected via the two middle sensor keys within a range of 20 °C to 60 °C. Tapping once changes the temperature by 1°C, in the comfort range between 35 and 43°C by 0.5 °C. If the temperature is set below 20 °C, the symbol appears in the temperature display and the appliance switches off the heating function.
User selection
Up to four user profiles can be created. Every user has the option to save hisdesired temperatures for the different aplication in his profile. The user profiles can be selected by tapping on the left sensor key and than tap the key under the profile picture (to adapt profile, see Section “User” (fig. A2).
Applications
Preset applications can be selected here. Simply tap on the right sensor key to open the selection
(fig. A3). Tap on the sensor key under an application symbol to activate it. The temperatures are set at the factory to the following values:
hand wash = 35 °C,
shower = 38 °C,
bath tub = 42°C,
hot water = 48 °C.
To change the values select an application and set the new temperature. Than press and hold the sensor key under your profile picture or under the application symbol for two seconds.
Status display, top
Control lock active (PIN)
The inlet temperature exceeds the target value (appliance does not heat up
Optional remote control or Home Server is installed. The appliance canbe controlled remotely
Status display, bottom
Display area for functions which require confirmation from the user or which are of great significance.
Maintenance: The appliance detected an error. Select “Info” in the Main menu to get further informations.
Maximum temperature reached: The temperature cannot be increased any further since the set temperature limit has been reached. The temperature limit can be changed in the main menu under “Settings”.
Heating activated: As soon as the appliance heats water, this symbol appears.
Power limit: The full output of the instantaneous water heater does not suffice to heat the tapped quantity of water to desired temperature. Reduce the quantity of warm water at the tap.
Main menu
Press the menu button to enter the main menu. All function menus and saved values of the appliance can be selected from here (fig. A4).
For further informations please use the online operation and installation instruction. Please follow the link below or use the QR code via smartphone or tablet.
https://www.clage.de/links/gma/DEX-Next-GMA-9120-34382
Venting after maintenance work
This instantaneous water heater features an automatic air bubble protection to prevent it from inadvertently running dry. Nevertheless, the appliance must be vented before using it for the first time. Each time the appliance is emptied (e.g. after work on the plumbing system, if there is a risk of frost or following repair work), the appliance must be re-vented before it is used again
- Disconnect the instantaneous water heater from the mains (e.g. via deactivating the fuses).
- Unscrew the jet regulator on the outlet fitting and open the cold water tap valve to rinse out the water pipe and avoid contaminating the appliance or the jet regulator.
- Open and close the hot water tap until no more air emerges from the pipe and all air has been eliminated from the water heater.
- Only then should you re-connect the power supply again (e.g. via activating the fuses) to the instantaneous water heater and screw the jet regulator back in.
- The appliance activates the heater after approx. 10 seconds of continuous water flow
Cleaning and maintenance
- Plastic surfaces and fittings should only be wiped with a damp cloth. Do not use abrasive or chlorine-based cleaning agents or solvents.
- For a good water supply, the outlet fittings (e.g. jet regulators and shower heads) should be unscrewed and cleaned at regular intervals. Every three years, the electrical and plumbing components should be inspected by an authorised professional in order to ensure proper functioning and operational safety at all times
Trouble-shooting and service
Repairs must only be carried out by authorised professionals.
If a fault in your appliance cannot be rectified with the aid of this table, please contact the service organisation of your importer or the Central Customer Service Department. Please have the details of the typeplate at hand.

CLAGE GmbH
After-Sales Service
Pirolweg 1– 5
21337 Lüneburg Germany
Phone: +49 4131 8901-40
Email: [email protected]
| DEX 12 Next | ||
| Problem | Cause | Solution |
Water stays cold, touch display shows power break screen | Master fuse tripped | Renew or activate fuse |
| Safety pressure cut-out tripped | Contact customer service | |
Water stays cold, display shows error symbol | The appliance has detected an error | Switch fuses off and on. If symbol “wrench” is still indicated, contact customer service |
| Flow rate of hot water too weak | Outlet fitting dirty or calcified | Clean shower head, jet regulator or sieves |
| Fine filter dirty or calcified | Let clean fine filter by customer service | |
| Selected temperature is not reached | Power limit reached | Decrease the warm water flow at the tap |
| Cold water has been added via the tap | Tap hot water only; set temperature, check outlet temperature | |
| Sensor keys does not respond cor- rectly or only sporadically | Display glass is wet | Dry display by wiping it with a soft cloth |
Product data sheet in accordance with EU regulation – 812/2013 814/2013
| a | b | c | d | e | f | h | i | |
| b.1 | b.2 | ηWH % | AEC kWh | °C | LWA dB(A) | |||
| CLAGE | DEX 12 Next | 5E-115G-3D | XS | A | 39 | 472 | 60 | 15 |
Explanations
| a | Brand name or trademark |
| b.1 | Model |
| b.2 | Type |
| c | Specified load profile |
| d | Energy-efficiency class |
| e | Energy-efficiency |
| f | Annual power consumption |
| g | Additional load profile, the appropriate energy-efficiency and the annual power consumption, if applicable |
| h | Temperature setting for the temperature controller |
| i | Sound power level, internal |
Additional notes
![]() | All specific precautions for assembly, installation, maintenance and use are described in the operating and installation instructions. |
![]() | All data in this product data sheet are determined by applying the specifications of the relevant European directives. Differences to other product information listed else- where may result in different test conditions. |
| The power consumption was determined in compliance with standardized measurement method based on EU guidelines. The real energy consumption is pending on indi- vidual requirements. |
Installation instruction
Overview

| Pos. | Function |
| 1 | Bottom part |
| 2 | Safety thermal cut-out (STB) |
| 3 | Thermal sensor set |
| 4 | Heating element |
| 5 | Non-return valve |
| 6 | Flow sensor |
| 7 | Safety pressure cut-out SDB |
| 8 | Outlet pipe |
| 9 | Flow limiter 5 l/min |
| 10 | Hot water connection |
| 11 | Screw-in nipples ½ inch |
| 12 | Grommet |
| 13 | Water splash protection sleeve |
| 14 | Wall bracket |
| 15 | DEX 12 Next hood |
| 16 | Connecting pipe |
| 17 | PCB cover |
| 18 | PCB |
| 19 | Connecting terminal |
| 20 | Control panel with bracket |
| 21 | Inlet pipe |
| 22 | Fine filter |
| 23 | Cold water connection |
| 24 | Frame |
Technical specifications
| Model | DEX 12 Next | |
| Energy efficiency class | A *) | |
| Rated capacity / rated current | 8.8 kW..11.5 kW (38 A..50 A) | |
| Chosen capacity / current @ 220 V @ 230 V @ 240 V | 8.1 kW (36.6 A) | 10.5 kW (47.8 A) |
| 8.8 kW (38.3 A) | 11.5 kW (50.0 A) | |
| 9.6 kW (39.9 A) | 12.5 kW (52.2 A) | |
| Electrical connection | 1/N/PE 220 V .. 230 V .. 240 V | |
| Min. required cable size | 10.0 mm2 | |
| Hot water (l/min) max. at ∆t = 28 K max. at ∆t = 38 K | 4.5 3.3 | 5.9 1) 4.3 |
| Rated volume | 0.4 l | |
| Rated pressure | 1.0 MPa (10 bar) | |
| Connecting type | pressure-resistant / pressureless | |
| Heating system | Bare wire heating system IES® | |
| @ 15 °C: Required specific water resistance Specific electrical conductivity | ≥ 1100 Ωcm ≤ 90 mS/m | |
| Inlet temperature | ≤ 70 °C | |
| Flow rate to switch on – max. flow rate | 1.5 l/min – 5.0 2) | |
| Pressure loss | 0.08 bar at 1.5 l/min 1.3 bar at 9.0 l/min 3) | |
| Temperature range | 20 °C – 60 °C | |
| Water connection | G ½ inch | |
| Weight (when filled with water) | 4.2 kg | |
| VDE class of protection | I | |
| Type of protection / safety | ![]() | |
Dimensions
Dimensions in mm (fig. D1)

Installation
Based on the national constitution guidelines a general test certificate concerning the evidence of applicability of noise behaviour is granted.
The following regulations must be observed:

- e.g. VDE 0100
- EN 806
- Installation must comply with all statutory regulations, as well as those of the local electricity and water supply companies.
- The rating plate and technical specifications
- Only intact and appropriate tools must be used
Installation site
- Appliance must only be installed in frost-free rooms. Never expose appliance to frost.
- The Appliance must be wall mounted and has to be installed with water connectors downward or alternative transversely with water connections left.
- The appliance complies with protection type IP25 and may therefore be installed in protection zone 1 according to VDE 0100 part 701 (IEC 60364-7).
- In order to avoid thermal losses, the distance between the instantaneous water heater and the tap connection should be as small as possible.
- The appliance must be accessible for maintenance work.
- Plastic pipes may only be used if they conform to DIN 16893, Series 2.
- The specific resistance of the water must be at least 1100Ωcm at 15 °C. The specific resistance can be asked for with your water distribution company.
Installing the wall bracket
Thoroughly rinse the water supply pipes before installation to remove soiling from the pipes.
- Using a 12mm hexagon socket screw key, screw the screw-in nipples according to image manual into the wall connections as shown in. The seals must be fully screwed into the thread.
- Hold the included mounting template according to image manual on the wall, mark the drill holes according to the template and drill them using a 6mm drill.
- Pull down the faceplate and unscrew the main hood screw to open the appliance.
- Loosen the knurled nut of the wall bracket, remove the wall bracket and screw it on the wall. Offset tiling or uneven surfaces can be compensated by up to 30mm with the aid of the spacers supplied. The spacers are fitted between the wall and the wall bracket.
Installing connection pieces
Note: Fasten the screw nuts with caution, to avoid damage to the valves or the piping system.
- As shown in the illustration, screw the cold water connection piece with the union nut and the ½ inch seal onto the cold water connection.(fig. D2).

- Screw the hot water connection piece with the union nut and the ½ inch seal onto the hotwater connection.
- Put the water flow reducer “D” into the hot water connection piece. The O ring must be visible.
Installing the appliance
- The electrical power supply cable may be connected in the upper part. In such case, the connection will be done according to the description “Electrical connection from above” in online manual.
- Install the appliance according to image manual.
Note: Accessories and surface mounting
For further informations please use the online operation and installation instruction. Please follow the link below or use the QR code via smartphone or tablet.
https://www.clage.de/links/gma/DEX-Next-GMA-9120-34382
Electrical connection
Only by a specialist!
Please observe:
- e.g. VDE 0100
- The installation must comply with current IEC and national local regulations or any particular regulations, specified by the local electricity supply company
- The rating plate and technical specifications
- The appliance must be earthed!
Wiring diagram (fig. E1)
- Electronic circuitry
- Heating element
- Safety pressure cut-out
- Connecting terminal
- Safety thermal cut-out
Structural prerequisites
- The appliance must be installed via a permanent connection. Heater must be earthed!
- The electric wiring should not be injured. After mounting, the wiring must not be direct accessible.
- An all-pole disconnecting device (e.g. via fuses) with a contact opening width of at least 3mm per pole should be provided at the installation end.
- To protect the appliance, a fuse element must be fitted with a tripping current commensurate with the nominal current of the appliance.
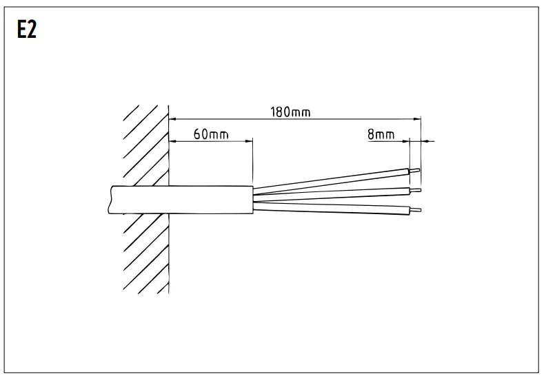
Electrical connection from below
Check that the power supply is switched off prior to electrical connection!
- Remove the outer sheath of the connection cable from about 6 cm above the wall outlet (fig. E2). With the smaller opening ahead, slide the water splash protection sleeve over the connecting cable so that the sleeve is flush with the wall. This prevents any leaking water from coming into contact with the electrical leads. It must not become damaged! The protection sleeve must be used!

- Open the control panel rightwards.
- Strip the cables and plug them in the connecting terminals according to the wiring diagram.
The appliance must be earthed. - Pull the protective sleeve over the connecting cables until the sleeve fits perfectly in the recess of the intermediate panel. Adjust the water splash protection sleeve as illustrated and fix it with the sleeve fixing (A). Reinsert the control panel and lock it on (fig. E3).

- Place the hood on the appliance and screw in the fastening screw. After that you can slide on the faceplate from the bottom up to the stop
Initial operation
Fill the mains and the appliance with water and emerge air according to image manual.
After every draining (e.g. after work on the plumbing system or following repairs to the appliance), the heater must be re-vented in this way before starting it up again.
If the water heater cannot be put into operation, the temperature cut-out or the pressure cut-out may have tripped during transport. If necessary, check that the power supply is switched off and reset the cut-out (fig. F1 + F2)

Selection of power rating
Only by authorised specialist, otherwise lapse of guarantee!
On delivery, the display shows the screen “APPROVED” (see fig. F3). If not, the device has already been powered once. In this case, please follow the section “Reinstallation”.
Upon first connection of the appliance to the supply voltage, select the maximum power rating.
Only after having set the power rating, the heater provides its standard operation mode.
The maximum allowable power rating at installation site depends on the local situation. It is imperative to observe all data shown in the table “Technical specifications”, in particular the required cable size and fuse protection for the electrical connection. Moreover, the electrical installation must comply with the statutory regulations of the respective country and those of the local electricity supply company (Germany: DIN VDE 0100).
- Switch on the power supply to the appliance.
- When switching on the supply voltage for the first time, the display shows the menu to select the language. Choose your language, after that the selection of power rating appears.
- Select the maximum allowable power rating depending on the local situation via sensor keys (8.8 or 11.5 kW).
- Select “OK” to confirm the setting.
- Mark the selected power rating on the rating plate.
- After having set the maximum allowable power rating, the heating element will be activated after approx. 10 – 30 sec of continuous water flow.
- Open the hot water tap. Check the function of the appliance.
- Explain the user how the instantaneous water heater works and hand over the operating instructions.
- Fill in the guarantee registration card and send it to the CLAGE Central Customer Service or use the online registration at our home page (see page 8).
Reinstallation
In case the appliance will be commissioned again under different installation conditions than during its initial operation, it may be necessary to adapt the maximum power rating.
A temporary short-circuit of the two pins on the right, e.g. with a screwdriver acc. to EN 60900 (see figure F4), will reset all heater parameters to works setting and lock the heating. The display shows the menu to select the language. Choose your language, after that the selection of power rating appears. This condition will maintain when activating and deactivating the supply voltage.
Shower application
The water heater’s temperature must be limited to 55 °C, if it is connected to a shower. The temperature limit must be set to a value less or equal 55 °C in the setting menu, in consultation with the customer and the lock level must be activated.
When the appliance is operated with preheated water, it must be ensured that this temperature is limited to 55 °C as well.
Locking function
The operating mode of the appliance can be restricted.
Activation of the locking function
- Select required parameters via the setting menu (see online user manual chapter “Settings”, subpoints “Temperature limit” and / or “Load shedding”).
- Disconnect the appliance from the power supply (e.g. by switching off the fuses).
- Take the jumper off the power electronics and change to position “1” (see figure F5).

- Put the appliance into operation again.
Deactivation of the locking function
- Disconnect the appliance from the power supply (e.g. by switching off the fuses).
- Take the jumper off the power electronics and change to position “0” (see figure F5).
- Put the appliance into operation again.
Maintenance work
Maintenance work must only be conducted by an authorised professional.
Cleaning and replacing the filter strainer
The cold water connection of this instantaneous water heater is equipped with an integrated shut-off valve and a strainer. Soiling of the strainer may reduce the warm water output. Clean or replace the strainer as follows:
- De-energize the instantaneous water heater (e.g. via deactivating the fuses) and prevent inadvertent reactivation of them.
- To open the appliance, take off the small face plate, loose the screw behind this cover and detach the hood.
- Close the shut-off valve (a) in the cold water connection piece (position “0“ fig. G1).

- Unscrew the screw plug (b) from the cold water connection piece and take out the strainer (c) (fig. G2).

Note: Residual water can leak - The strainer can now be cleaned or replaced.
- After fitting of the clean strainer tighten the screw plug.
- Slowly reopen the shut-off valve in the cold water connection piece (position “1“). Check all connections for leaks.
- Vent the appliance by carefully opening and closing the affiliated warm water tap valve several times until air no longer emerges from the pipe.
- Fit the hood of the appliance. Then switch on the power again (e.g. via activating the fuses).
Cleaning and replacing the filter strainer if direct connected
The cold water connection of this instantaneous water heater is equipped with a strainer. Soiling of the strainer may reduce the warm water output. Clean or replace the strainer as follows:
- De-energize the instantaneous water heater (e.g. via deactivating the fuses) and prevent inadvertent reactivation of them.
- Close the shut-off valve in the mains water supply of the instantaneous water heater.
- To open the appliance, take off the small face plate, loose the screw behind this cover and detach the hood.
- Unscrew mains water inlet from connection piece and take out the strainer.
Note: Residual water can leak - The strainer can now be cleaned or replaced. (fig. G3).

- After refitting the clean strainer reconnect the mains water inlet to the connection piece.
- Slowly reopen the shut-off valve in the mains water supply. Check all connections for leaks.
- Vent the appliance by carefully opening and closing the affiliated warm water tap valve several times until air no longer emerges from the pipe.
- Fit the hood of the appliance. Then switch on the power again (e.g. via activating the fuses)
CLAGE GmbH
Pirolweg 1–5
21337 Lüneburg
Deutschland
Telefon: +49 4131 8901-0
E-Mail: [email protected]
Internet: www.clage.de

References
Gasvrij wonen en werken met elektrisch verwarmen
Startseite · CLAGE.de
Homepage · CLAGE.nl
Strona główna · CLAGE.pl
Průtokový ohřívač | CLAGE
Equipamentos e Materiais para sistemas hidráulicos e climatização | Indimante - Loja Online
Prietokové ohrievače vody CLAGE | KAMA.sk
Clage S.A.S France | Service après-vente des produits CLAGE - SANISELF
Distribución y Fabricación de equipos Ventilación, Calefacción, Climatización y Energías Renovables
Geräteregistrierung · Klein-Durchlauferhitzer · Kompakt-Durchlauferhitzer · Elektronische Durchlauferhitzer · Speicher · Kochendwassergeräte · Armaturen · Händetrockner · Solarthermie · CLAGE
Device registration
Dispositif d'inscription
clage.de/links/gma/DEX-Next-GMA-9120-34382
clage.de/links/gma/DEX12-Next-GMA-9120-34386
Water stays cold, touch display shows power break screen
Water stays cold, display shows error symbol























