

Overview

Technical specifications
| Model | CEX-U ELECTRONIC MPS® | |
| Energy efficiency class | A *) | |
| Rated capacity (Rated current) | 11 / 13,5 kW (16 / 19,5A) | |
| Chosen capacity (Chosen current) | 11 kW (16A) | 13,5 kW (19,5 A) |
| Electrical connection | 3— / PE 380..415 V AC | |
| Min. required cable size | 1,5 mm2 | 2,5 mm2 |
| Hot water (I/min) max. at At = 33 K | 4,8 | 5,81) |
| Rated volume | 0,31 | |
| Rated pressure | 1.0 MPa (10 bar) | |
| Connecting type | pressure-resistant/pressureless | |
| Heating system | bare wire heating system IES® | |
| Required spec. water resistance @ 15°C Spec. electrical conductivity | ≥ 1000 0cm ≤ 100 mS/m | |
| Inlet temperature | ≤ 60 °C | |
| Flow rate to switch on — max. flow rate | 2,0 — 5,01/min 2) | |
| Pressure loss | 0,2 bar at 2,51/min 1,3 bar at 9,01/min 3) | |
| Temperature choice | 20°C — 60°C | |
| Water connection | G 1/2″ | |
| Weight (when filled w. water) | 2,7 kg | |
| VDE class of protection | I | |
| Type of protection/safety | ![]() | |
*) The declaration complies with the EU regulation No 812/2013
- Mixed water
- Flow rate limited to achieve an optimum temperature rise
- Without flow regulator
Dimensions

Typical installation
Example of an open-outlet installation with a special tap

Example of a closed-outlet installation

Installation
The following regulations must be observed:
- e.g. VDE 0100
- EN 806
- Installation must comply with all statutory regulations, as well as those of the local electricity and water supply companies.
- The rating plate and technical specifications
- Only intact and appropriate tools must be used

Installation site
- The appliance must only be installed in frost-free rooms. Never expose the appliance to frost.
- The appliance is designed for under sink installation and has to be installed with water connectors upward.
- The appliance complies with protection type IP 24.
- In order to avoid thermal losses, the distance between the instantaneous water heater and the tapping point should be as small as possible.
- For maintenance work, a shut-off valve should be installed in the supply line. The appliance must be accessible for maintenance work.
- Copper or steel connecting pipes may be used. Plastic pipes may only be used if they conform to DIN 16893, Series 2. The hot water pipes must be thermally insulated.
- The water pipes must not exert any mechanical force on the water connections of the instantaneous water heater during installation and operation. If this cannot be guaranteed due to the installation conditions, we recommend the use of flexible connections.
- The specific resistance of the water must be at least 1000 Ωcm at 15 °C. The specific resistance can be asked for with your water distribution company.
Mounting the appliance
- Thoroughly rinse the water supply pipes before installation to remove soiling from the pipes.
- Hold the appliance on the wall, and mark the drill lines at top and bottom, right and left, corresponding to the small notches at the edge of the appliance hood (see bottom figure). The alignment template (located on the pull-out pages in the middle of this manual) may be used for this purpose alternatively.
- Connect the top and bottom marks vertically with each other (A–A).
- Connect the right and left marks horizontally with each other (B–B).
- The intersections of these lines are the drill points.
- Drill the holes using a 6 mm drill. Insert the included dowels and screws. The screws have to protrude 5 mm.
- Hang up the appliance into the rear hanging openings until it clicks into place.

Installing the appliance
- Attach the water connection pipes to the appliance’s water connection. Use the ⅜ inch seals.
- Open and close the hot water tap until no more air emerges from the pipe and all air has been eliminated from the water heater.
Electrical connection
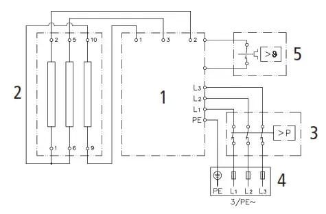
Wiring diagram

- Electronic circuitry
- Heating element
- Safety pressure cut-out
- Connecting terminal
- Safety thermal cut-out
Only by a specialist!
Please observe:
- e.g. VDE 0100
- The installation must comply with current IEC and national local regulations or any particular regulations, specified by the local electricity supply company
- The rating plate and technical specifications
- The appliance must be earthed!
Structural prerequisites
- The appliance must be installed via a permanent connection. The heater must be earthed! Maximum cable cross-section: 6 mm2
- The electric wiring should not be injured. After mounting, the wiring must not be directly accessible.
- An all-pole disconnecting device (e.g. via fuses) with a contact opening width of at least 3 mm per pole should be provided at the installation end.
- To protect the appliance, a fuse element must be fitted with a tripping current commensurate with the nominal current of the appliance.
Load shedding relay/box
If further three-phase appliances are connected, we recommend the use of CLAGE’s prepared load shedding box (art. no. 82260). Alternatively, a load shedding relay (CLAGE art. no. 82250) can be connected to phase conductor L2. A special operating
the mode must be selec ted on the appliance for this purpose.
| LCD | Description |
| 0 | Operation without load shedding, manufacturer‘s setting |
| 1 | Operation with normal load shedding relay |
| 2 | Operation with sensitive load shedding relay |
To change the operating mode, press the three keys, 1,2,
and
simultaneously and wait until the desired mode (0, 1, or 2) is shown on the display, then release the keys. Operating mode 1 must be selected first, thus checking the correct operation of the load shedding relay at low appliance output (35-degree setpoint and low water flow rate). Mode 2 must be selected if the load shedding relay flickers.
Electrical connection
Check that the power supply is switched off prior to the electrical connection!
Electrical connection with pre-installed power cable
The appliance is to be connected with the pre-installed power cable to a terminal box. If necessary, use one of the three predetermined breaking points for the cable entry (at the right, left or bottom).
Electrical connection

Alternative:
Electrical installation to a permanent connection
If, in the case of particular local circumstances, connecting to a permanent connection is the only possibility, continue as follows.
- Disassemble the pre-installed power cable.
- Dismantle off the power cable so that you can insert the cable with the cladding through the water splash protection sleeve up to the cord grip into the appliance.
- Lead the cable through the water splash protection sleeve into the appliance so that one can securely fix the cladding of the cable with the cord grip. If necessary, use one of the three predetermined breaking points for the cable entry (at the right, left or bottom). The protective sleeve prevents water from entering the appliance alongside the connection line. The protection sleeve has to be used!
- Mount the cord grip. The cord grip must be used!
- Strip the cables and plug them in the connecting terminals according to the wiring diagram. The appliance must be earthed.
- After a successful electrical connection, fit the hood of the unit. Make sure not to jam any cables between the appliance hood and the base part of the appliance.

Initial operation
Before making the electrical connection, fill the mains and the appliance with water by carefully opening and closing the hot water tap in order to vent completely.
To ensure a maximum flow, remove any existing aerator from the faucet. Flush the warm and cold water pipes each at least for one minute.
After every draining (e.g. after work on the plumbing system or following repairs to the appliance), the heater must be re-vented in this way before starting it up again.
If the water heater cannot be put into operation, the temperature cut-out or the pressure cut-out may have tripped during transport. If necessary, reset the cut-out.

Selection of power rating
Only by an authorized specialist, otherwise, the lapse of guarantee!
Upon first connection of the appliance to the supply voltage, select the maximum power rating. Only after having set the power rating, the heater provides its standard operation mode.
The maximum allowable power rating at the installation site depends on the local situation. It is imperative to observe all data shown in the table “Technical specifications“, in particular the required cable size and fuse protection for the electrical connection. Moreover, the electrical installation must comply with the statutory regulations of the respective country and those of the local electricity supply company (Germany: DIN VDE 0100).
- Switch on the power supply to the appliance. The digital display on the appliance must light up.
- When switching on the supply voltage for the first time, the value “11” flashes in the display. If not, please carefully read the note “Reinstallation”.
- Select the maximum allowable power rating depending on the local situation via the up
and
down arrow keys: 11 or 13 kW. - Press the key 1 to confirm the setting. The appliance starts operating.
- Mark the set power rating on the rating plate.
- Open the hot water tap. Check the function of the appliance.
- After having set the maximum allowable power rating, the heating element will be activated after approx. 10 – 30 seconds of water flow.
- Explain to the user how the instantaneous water heater works and hand over the operating instructions.
- Fill in the guarantee registration card and send it to the after-sales service or use the online registration.

Multiple Power System:
The rated capacity (max. power consumption) is 11 kW / 400 V and can be changed internally to 13.5 kW.

Initial operation

Reinstallation
In case the appliance will be commissioned again under different installation conditions than during its initial operation, it may be necessary to adapt the maximum power rating. A temporary short-circuit of the two pins, e.g. with a screwdriver acc. to EN 60900 (see figure), will reset all heater parameters to works setting and lock the heating.
Value “11“ flashes in the display until the maximum power rating has been selected. This condition will maintain when activating and deactivating the supply voltage.
Shower application
The water heater’s temperature must be limited to 55 °C, if it is connected to a shower.
The service menu parameter “Temperature Limit“ (“tL”) must be set to a value less or equal 55 °C, in consultation with the customer and the lock level must be activated.
When the device is operated with preheated water, it must be ensured that this temperature is limited to 55 °C as well.
Lock level
The operating mode of the appliance can be restricted. The service menu can be used to configure the appliance.
Activation of the lock level
- Set the required lock level in the service menu (refer to chapter “Service menu” in this installing instructions).
- Disconnect the appliance from the power supply (e.g. by switching off the fuses).
- Move the jumper on the power electronics from pin 2 to pin 1 (see figure).
- Put the appliance into operation again.
Deactivation of the lock level
- Disconnect the appliance from the power supply (e.g. by switching off the fuses).
- Move the jumper from pin 1 to pin 2.
- Put the appliance into operation again

Open service menu

Menu item order of “Service menu”:
![]() | Flow Power Temp in Temp out Control value Power limit Diagnostics Lock level Software version Radio channel Received strength Temperature limit Signal |
The service menu offers an overview of system parameters and is used for diagnostics.
Press key 1 and key 2 simultaneously for at least 2 seconds to call up the service menu, the display confirms by “FL” and by a flashing point. Using the arrow keys,
and you
can switch between the individual menu items.
Press key 1 to see the value of the currently selected menu. The value flashes in the display. (The values of some menus can be switched over by using the arrow keys
and
.) You will get back to the drop-down menu when pressing the key again. With key, you will get back to the standard display (nominal value). After two minutes without any keystroke, the system automatically switches back to the standard display.
Individual menu items as follows:
“FL“: Flow
Indication of current flow rate given in l/min.
“Po“: Power
Indication of current power consumption (kW).
“t1“: Temp in
Indication of inlet temperature (°C).
“t2“: Temp out
Indication of outlet temperature (°C).
“CA“: Control value
Indication of calibration value of the control system. Regular range: 40 – 60.
“PL“: Power limit
Indication of the current maximum power rating (kW) of the appliance.
“Er“: Diagnostics
Indication of the last ten diagnostic messages.
The error code is indicated by the first displayed value after pressing key 1 (refer to “Abstract for Trouble-Shooting & Diagnostics” in the hood). By using the arrow keys
and
the last 10 error codes are displayed chronologically. Thereby the display indicates in turns the error numbers from “0” to “9“ and the corresponding error. The last error will be recorded at position “0” and the former ones each shifted 1 position backward.
“LL“: Lock level
The operating mode of the appliance can be restricted.
Setting Options:
“0” no restriction (factory setting)
“1” factory reset via key (countdown) not possible, parameters can be seen, but not be modified
in setup menu
“2” same as “1”, additionally the setup menu cannot be opened
“3” same as “2” additionally nominal value memory 1 and 2 not changeable
“4” same as “3”, additionally nominal value is not changeable
Note: When setting 1, 2, 3 or 4 was chosen, the system parameters can no longer be modified in the service menu.
In order to modify these system parameters, it is necessary to remove the jumper on the power electronics, as specified in the chapter “Deactivation of the lock level”.
Menu item order of “Service menu”:
![]() | Flow Power Temp in Temp out Control value Power limit Diagnostics Lock level Software version Radio channel Received strength Temperature limit Signal |
“nr“: Software version
Information about installed software version.
“Ch“: Radio channel
(with wireless module only)
Information about the current radio channel of the water heater and its remote control.
“rS“: Received strength
(with wireless module only)
Information about the current signal quality of the remote control as a percentage.
Depending on the distance between the remote control and water heater the value varies between 10 % and 100 %.
“tL”: Temperature limit
The maximum stable temperature can be reduced to any value within the temperature limit.
The Lock Level must be activated by placing the jumper to enable the limitation.
“IIC“: Signal
Information about the quality of the radio contact when a diagnostic display is a connected.
Environment and recycling
This product was manufactured climate neutrally according to Scope 1 + 2. We recommend the purchase of 100% green electricity to make the operation climate-neutral as well.
Your product was manufactured from high-quality, reusable materials and components. Please respect in case of discarding that electrical devices should be disposed of separately from household waste at the end of their service life. Therefore, please take this device to a municipal collection point that returns used electronic devices to the recycling system. Disposing of it correctly will support environmental protection and will prevent any potential negative effects on human beings and the environment that could arise from inappropriate handling of these devices at the end of their service life. Please contact your local authority for further details of your nearest designated collection point or recycling site.
Business customers: If you wish to discard equipment, please contact your dealer or supplier for further information.

Quick reference guide

Set temperature

Select preset temperature

Store temperature

Display of new value (e.g. 43 °C)
Temperature limit on

Temperature limit off

Unit provides no output

Einstellungen Reset

Reset completed
Enter service menu





















