CLAGE DEX 12 Next L E Convenience Instant Water Heater Instruction Manual
The documents supplied with the device must be stored carefully.
Registration
Register your device online on our website and benefit from our services under warranty.
Your full details help our customer service process your request as fast as possible.
For online registration, just follow the link below or use the QR code with your smartphone or tablet. https://partner.clage.com/en/service/device-registration/
Operation instruction
Note: Carefully read the enclosed safety instructions through in full before the appliance is installed, put into service and used and follow them in the further steps and during use
Description of the appliance
The E-convenience instant water heater DEX 12 Next L is a fully electronically controlled instantaneous water heater with LED display and sensor keys for a convenient and efficient water supply to one or more tap outlets.
Its electronic control regulates the power consumption depending on the selected outlet temperature, the respective inlet temperature and the flow rate, thus reaching the set temperature exactly to the degree and keeping it constant in case of water pressure fluctuations. The required outlet temperature can be entered via the sensor keys within a range between 20 °C and 60 °C and can be read off the LED display.
As soon as you open the hot water tap, the instantaneous water heater switches on automatically. When the tap is closed, the appliance automatically switches off.
Environment and recycling
This product was manufactured climate neutrally according to Scope 1 + 2. We recommend the purchase of 100% green electricity to make the operation climate neutral as well.
Disposal of transport and packaging material: For smooth transport your product is carefully packed. The disposal of the transport material is carried out by the specialist tradesman or the specialist trade. Separate the sales packaging according to materials separated according to materials via one of the dual systems in Germany.

Disposal of old products: Your product was manufactured from high-quality, reusable materials and components. Products marked with the crossed-out wheeled bin symbol must be disposed of separately from household waste at the end of their service life. Therefore, take this product to us as the manufacturer or to one of the municipal collection points that recycle used electronic devices. This proper disposal serves to protect the environment and prevents possible harmful effects on humans and the environment that could result from improper handling of the products at the end of their service life. For more detailed information on disposal, please contact your nearest collection point or recycling centre or your local council.
Business customers: If you wish to discard equipment, please contact your dealer or supplier for further information.
For disposal outside Germany, please also observe the local regulations and laws.
How to use
Temperature setting
You can set the required temperature gradually to a lower or higher value with the keys and (fig. A1).
The temperature changes by 1°C, in the convenience zone between 35 °C and 42°C by 0.5 °C, if key is pressed shortly one time. Pressing a key for a longer time changes the temperature continuously.
Note: If temperature is set below 20 °C with key the display shows “–“ and the appliance switches off the heating function.
Note: If the water heater supplies a shower, the maximum temperature was reduced during initial operation. This limitation cannot be exceeded.
Programme buttons
The two programme buttons allow to quickly select the preset temperature. When pressing a programme key, the preset temperature is selected and displayed (fig. A2). The factory setting for programme is 35 °C and for programme it is 48 °C. You can assign your own settings for the programme keys:
- Prolonged pressing of the programme key stores the previously selected temperature. The display changes from ”P1” or “P2“ to the newly stored temperature value. This newly set temperature is now available to you each time you press the corresponding program key (fig. A3).

For further informations please use the online operation and installation instruction. Please follow the link below or use the QR code via smartphone or tablet. https://www.clage.de/links/gma/DEX12-Next-L-GMA-9120-25724
Venting after maintenance work
![]()
This instantaneous water heater features an automatic air bubble protection to prevent it from inadvertently running dry. Nevertheless, the appliance must be vented before using it for the first time. Each time the appliance is emptied (e.g. after work on the plumbing system, if there is a risk of frost or following repair work), the appliance must be re-vented before it is used again.
Disconnect the instantaneous water heater from the mains (e.g. via deactivating the fuses).- Unscrew the jet regulator on the outlet fitting and open the cold water tap valve to rinse out the water pipe and avoid contaminating the appliance or the jet regulator.
- Open and close the hot water tap until no more air emerges from the pipe and all air has been eliminated from the water heater.
- Only then should you re-connect the power supply again (e.g. via activating the fuses) to the instantaneous water heater and screw the jet regulator back in.
- The appliance activates the heater after approx. 10 seconds of continuous water flow.
- Plastic surfaces and fittings should only be wiped with a damp cloth. Do not use abrasive or chlorine-based cleaning agents or solvents.
- For a good water supply, the outlet fittings (e.g. jet regulators and shower heads) should be unscrewed and cleaned at regular intervals. Every three years, the electrical and plumbing components should be inspected by an authorised professional in order to ensure proper functioning and operational safety at all times.
Trouble-shooting and service
Repairs must only be carried out by authorised professionals.
If a fault in your appliance cannot be rectified with the aid of this table, please contact the service organisation of your importer or the Central Customer Service Department. Please have the details of the typeplate at hand.
CLAGE GmbH
After-Sales Service
Pirolweg 4 21337 Lüneburg Germany
Phone: +49 4131 8901-400
Email: [email protected]
This instantaneous water heater was manufactured conscientiously and checked several times before delivery. Should malfunctions nevertheless occur, it is usually only due to a bagatelle. First attempt to switch the house fuses off and on again in order to reset the electronics. Next, try to remedy the problem with reference to the following table. In doing so, you will avoid unnecessary expense of customer service assistance.
| DEX 12 Next L | ||
| Problem | Cause | Solution |
| Water stays cold, touch display does not light up | Master fuse tripped | Renew or activate fuse |
| Safety pressure cut-out tripped | Contact customer service | |
| Water stays cold, display shows error symbol | The appliance has detected an error | Switch fuses off and on. If symbol “wrench” is still indicated, contact customer service |
| Flow rate of hot water too weak | Outlet fitting dirty or calcified | Clean shower head, jet regulator or sieves |
| Fine filter dirty or calcified | Let clean fine filter by customer service | |
| Selected temperature is not reached | Power limit reached | Decrease the warm water flow at the tap |
| Cold water has been added via the tap | Tap hot water only; set temperature, check outlet temperature | |
| Sensor keys does not respond correctly or only sporadically | Display is wet | Dry display by wiping it with a soft cloth |
| Each time you press a key, a sym-bol appears | Key lock active | Press and and hold for approx. 5 seconds |
| The display alternately shows P1and 00 | Operation lock active | Enter the correct PIN |
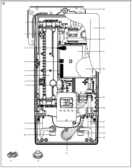
Overview

| Pos. | Function | |
| 1 | Bottom part | |
| 2 | Safety thermal cut-out (STB) | |
| 3 | Thermal sensor set | |
| 4 | Heating element | |
| 5 | Non-return valve | |
| 6 | Flow sensor | |
| 7 | Safety pressure cut-out SDB | |
| 8 | Outlet pipe | |
| 9 | Flow limiter 5 l/min | |
| 10 | Hot water connection | |
| 11 | Screw-in nipples ½ inch | |
| 12 | Grommet | |
| 13 | Water splash protection sleeve | |
| 14 | Wall bracket | |
| 15 | DEX 12 Next L hood | |
| 16 | Connecting pipe | |
| 17 | PCB cover | |
| 18 | PCB | |
| 19 | Connecting terminal | |
| 20 | Control panel | |
| 21 | Inlet pipe | |
| 22 | Fine filter | |
| 23 | Cold water connection | |
| 24 | Frame | |
Technical specifications
| Model | DEX 12 Next L | |
| Energy efficiency class | A *) | |
| Rated capacity / rated current | 8.8 kW..11.5 kW (38 A..50 A) | |
| Chosen capacity / current @ 220 V @ 230 V@ 240 V | 8.1 kW (36.6 A) | 10.5 kW (47.8 A) |
| 8.8 kW (38.3 A) | 11.5 kW (50.0 A) | |
| 9.6 kW (39.9 A) | 12.5 kW (52.2 A) | |
| Electrical connection | 1/N/PE 220 V .. 230 V .. 240 V | |
| Min. required cable size | 10.0 mm2 | |
| Hot water (l/min) max. at ∆t = 28 K max. at ∆t = 38 K | 4.53.3 | 5.9 1)4.3 |
| Rated volume | 0.4 l | |
| Rated pressure | 1.0 MPa (10 bar) | |
| Connecting type | pressure-resistant / pressureless | |
| Heating system | Bare wire heating system IES® | |
| @ 15 °C:Required specific water resistance Specific electrical conductivity | ≥ 1300 Ωcm≤ 77 mS/m | |
| Inlet temperature | ≤ 30 °C | |
| Flow rate to switch on – max. flow rate | 1.5 l/min – 5.0 2) | |
| Pressure loss | 0.08 bar at 1.5 l/min 1.3 bar at 9.0 l/min 3) | |
| Temperature range | 20 °C – 60 °C | |
| Water connection | G ½ inch | |
| Weight (when filled with water) | 4.2 kg | |
| VDE class of protection | I | |
| Type of protection / safety | | |
The declaration complies with the EU regulation No 812/2013.
- Mixed water
- Flow rate limited to achieve optimum temperature rise
- Without flow regulator
Dimensions
Dimensions in mm (fig. D1)

Installation
Based on the national constitution guidelines a general test certificate concerning the evidence of applicability of noise behaviour is granted.

The following regulations must be observed:
- e.g. VDE 0100
- EN 806
- Installation must comply with all statutory regulations, as well as those of the local electricity and water supply companies.
- The rating plate and technical specifications
- Only intact and appropriate tools must be used
Installation site
- Appliance must only be installed in frost-free rooms. Never expose appliance to frost.
- The Appliance must be wall mounted and has to be installed with water connectors downward or alternative transversely with water connections left.
- The appliance complies with protection type IP25 and may therefore be installed in protection zone 1 according to VDE 0100 part 701 (IEC 60364-7).
- In order to avoid thermal losses, the distance between the instantaneous water heater and the tap connection should be as small as possible.
- The appliance must be accessible for maintenance work.
- Plastic pipes may only be used if they conform to DIN 16893, Series 2.
- The specific resistance of the water must be at least 1100Ωcm at 15 °C. The specific resistance can be asked for with your water distribution company.
Thoroughly rinse the water supply pipes before installation to remove soiling from the pipes.
- Using a 12mm hexagon socket screw key, screw the screw-in nipples according to image manual into the wall connections as shown in. The seals must be fully screwed into the thread.
- Hold the included mounting template according to image manual on the wall, mark the drill holes according to the template and drill them using a 6mm drill.
- Pull down the faceplate and unscrew the main hood screw to open the appliance.
- Loosen the knurled nut of the wall bracket, remove the wall bracket and screw it on the wall. Offset tiling or uneven surfaces can be compensated by up to 30mm with the aid of the spacers supplied. The spacers are fitted between the wall and the wall bracket.
Note: Fasten the screw nuts with caution, to avoid damage to the valves or the piping system.
- As shown in the illustration, screw the cold water connection piece with the union nut and the ½ inch seal onto the cold water connection.(fig. D2).

- Screw the hot water connection piece with the union nut and the ½ inch seal onto the hot water connection. Installing connection pieces
- Put the water flow reducer “D” into the hot water connection piece. The O-ring must be visible.
- The electrical power supply cable may be connected in the upper part. In such case, the connection will be done according to the description “Electrical connection from above” in online manual.
- Install the appliance according to image manual.
Note: Surface mounting
For further informations please use the online operation and installation instruction. Please follow the link below or use the QR code via smartphone or tablet.
https://www.clage.de/links/gma/DEX12-Next-L-GMA-9120-25724
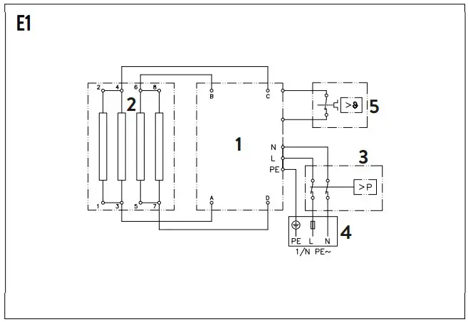
Electrical connection
Only by a specialist!
Please observe:
- e.g. VDE 0100
- The installation must comply with current IEC and national local regulations or any particular regulations, specified by the local electricity supply company
- The rating plate and technical specifications
- The appliance must be earthed!

- Electronic circuitry
- Heating element
- Safety pressure cut-out
- Connecting terminal
- Safety thermal cut-out
- The appliance must be installed via a permanent connection. Heater must be earthed!
- The electric wiring should not be injured. After mounting, the wiring must not be direct accessible.
- An all-pole disconnecting device (e.g. via fuses) with a contact opening width of at least 3mm per pole should be provided at the installation end.
- To protect the appliance, a fuse element must be fitted with a tripping current commensurate with the nominal current of the appliance.
Check that the power supply is switched off prior to electrical connection!
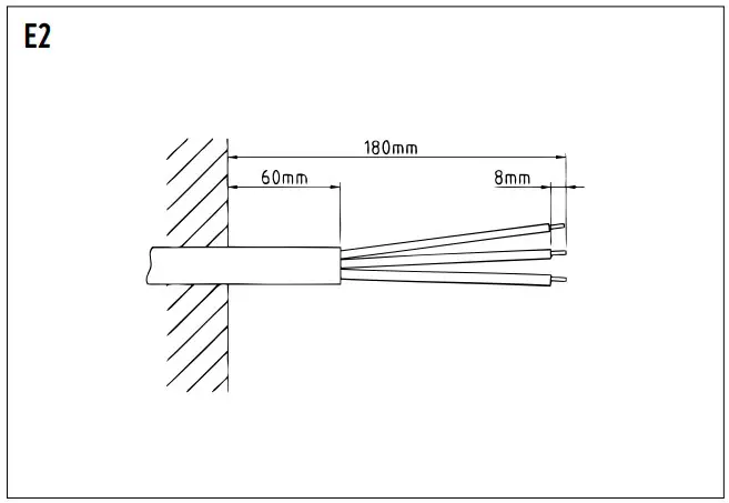
- Remove the outer sheath of the connection cable from about 6 cm above the wall outlet (fig. E2). With the smaller opening ahead, slide the water splash protection sleeve over the connecting cable so that the sleeve is flush with the wall. This prevents any leaking water from coming into contact with the electrical leads. It must not become damaged! The protection sleeve must be used!

- Strip the cables and plug them in the connecting terminals according to the wiring diagram. The appliance must be earthed.
- Pull the protective sleeve over the connecting cables until the sleeve fits perfectly in the recess of the intermediate panel. Adjust the water splash protection sleeve as illustrated and fix it with the sleeve fixing (A). Reinsert the control panel and lock it on (fig. E3).

- Connect the control panel cable to the control panel in the hood, replace the hood and tighten the hood screw.
Note: The control panel cable must not be pinched or squeezed.
After that you can slide on the faceplate from the bottom up to the stop
Initial operation
After every draining (e.g. after work on the plumbing system or following repairs to the appliance), the heater must be re-vented in this way before starting it up again.
If the water heater cannot be put into operation, the temperature cut-out or the pressure cut-out may have tripped during transport. If necessary, check that the power supply is switched off and reset the cut-out (fig. F1 + F2).


Selection of power rating
Only by authorised specialist, otherwise lapse of guarantee!
Upon first connection of the appliance to the supply voltage, select the maximum power rating. Only after having set the power rating, the heater provides its standard operation mode.
The maximum allowable power rating at installation site depends on the local situation. It is imperative to observe all data shown in the table “Technical specifications”, in particular the required cable size and fuse protection for the electrical connection. Moreover, the electrical installation must comply with the statutory regulations of the respective country and those of the local electricity supply company (Germany: DIN VDE 0100).
- Switch on the power supply to the appliance. The digital display on the appliance must light up.
- When switching on the supply voltage for the first time, the value “88” flashes in the display. If not, follow the chapter “Reinstallation”.
- Select with and the maximum allowable power rating depending on the local situation via sensor keys (8,8 or 11,5 kW).
- Select to confirm the setting.
- Mark the selected power rating on the rating plate.
- After having set the maximum allowable power rating, the heating element will be activated after approx. 10 – 30 sec of continuous water flow.
- Open the hot water tap. Check the function of the appliance.
- Explain the user how the instantaneous water heater works and hand over the operating instructions.
- Fill in the guarantee registration card and send it to the CLAGE Central Customer Service or use the online registration at our home page (see page 7).
Reinstallation
In case the appliance will be commissioned again under different installation conditions than during its initial operation, it may be necessary to adapt the maximum power rating.
A temporary short-circuit of the two pins , e.g. with a screwdriver acc. to EN 60900 (see figure F4), will reset all heater parameters to works setting and lock the heating. Value “88” flashes in the display until the maximum power rating has been selected. This condition will maintain when activating and deactivating the supply voltage.
Shower application
The water heater’s temperature must be limited to 55 °C, if it is connected to a shower. The temperature limit must be set to a value less or equal 55 °C in the setting menu, in consultation with the customer and the lock level must be activated.
When the appliance is operated with preheated water, it must be ensured that this temperature is limited to 55 °C as well.
Locking function
The operating mode of the appliance can be restricted.
Activation of the locking function
- Select required parameters via the service menu (see online user manual chapter “Settings”, subpoints “Temperature limit” and / or “Load shedding”).
- Disconnect the appliance from the power supply (e.g. by switching off the fuses).
- Take the jumper off the power electronics and change to position “1” (see figure F5).

- Put the appliance into operation again.
Deactivation of the locking function
Disconnect the appliance from the power supply (e.g. by switching off the fuses).- Take the jumper off the power electronics and change to position “0” (see figure F5).
- Put the appliance into operation again
Maintenance work
Cleaning and replacing the filter strainer
The cold water connection of this instantaneous water heater is equipped with an integrated shut-off valve and a strainer. Soiling of the strainer may reduce the warm water output. Clean or replace the strainer as follows:
- De-energize the instantaneous water heater (e.g. via deactivating the fuses) and prevent inadvertent reactivation of them.
- To open the appliance, take off the small face plate, loose the screw behind this cover and detach the hood.
- Close the shut-off valve (a) in the cold water connection piece (position “0“ fig. G1).

- Unscrew the screw plug (b) from the cold water connection piece and take out the strainer (c) (fig. G2).

Note: Residual water can leak - The strainer can now be cleaned or replaced.
- After fitting of the clean strainer tighten the screw plug.
- Slowly reopen the shut-off valve in the cold water connection piece (position “1“). Check all connections for leaks.
- Vent the appliance by carefully opening and closing the affiliated warm water tap valve several times until air no longer emerges from the pipe.
- Fit the hood of the appliance. Then switch on the power again (e.g. via activating the fuses).
Cleaning and replacing the filter strainer if direct connected
The cold water connection of this instantaneous water heater is equipped with a strainer. Soiling of the strainer may reduce the warm water output. Clean or replace the strainer as follows:
- De-energize the instantaneous water heater (e.g. via deactivating the fuses) and prevent inadvertent reactivation of them.
- Close the shut-off valve in the mains water supply of the instantaneous water heater.
- To open the appliance, take off the small face plate, loose the screw behind this cover and detach the hood.
- Unscrew mains water inlet from connection piece and take out the strainer.
Note: Residual water can leak - The strainer can now be cleaned or replaced. (fig. G3).

- After refitting the clean strainer reconnect the mains water inlet to the connection piece.
- Slowly reopen the shut-off valve in the mains water supply. Check all connections for leaks.
- Vent the appliance by carefully opening and closing the affiliated warm water tap valve several times until air no longer emerges from the pipe.
- Fit the hood of the appliance. Then switch on the power again (e.g. via activating the fuses).
21337 Lüneburg
Deutschland
Telefon: +49 4131 8901-0
E-Mail: [email protected]
Internet: www.clage.de

References
ÐœÐµÐ¶Ð´ÑƒÐ½Ð°Ñ€Ð¾Ð´Ð½Ð°Ñ Ð²Ñ‹Ñтавка-форум «РоÑÑиÑ»
Gasvrij wonen en werken met elektrisch verwarmen
Домашняя страница · CLAGE.com/ru
Startseite · CLAGE.de
Homepage · CLAGE.nl
Strona główna · CLAGE.pl
Equipamentos e Materiais para sistemas hidráulicos e climatização | Indimante - Loja Online
Prietokové ohrievače vody CLAGE | KAMA.sk
Clage S.A.S France | Service après-vente des produits CLAGE - SANISELF
Distribución y Fabricación de equipos Ventilación, Calefacción, Climatización y Energías Renovables
Device registration
Dispositif d'inscription
Geräteregistrierung · Klein-Durchlauferhitzer · Kompakt-Durchlauferhitzer · Elektronische Durchlauferhitzer · Speicher · Kochendwassergeräte · Armaturen · Händetrockner · Solarthermie · CLAGE
clage.de/links/gma/DEX12-Next-L-GMA-9120-25724




























