CLAGE M3..7-O E-Mini Instant Water Heater

Description of appliance
This instantaneous water heater is intended to provide the economical heating of water sufficient for a single outlet, i.e. handwash basin, and must be connected to a special open-outlet tap to avoid any overpressure. Appliances with a higher power rating can also be used to supply a kitchen sink. When the hot water tap is opened, the instantaneous water heater switches itself on automatically and heats the water as it passes through the appliance. It is only then that the appliance uses electricity. The temperature increase depends on the flow rate.
Technical specifications

The specific resistance can be asked for at your water distribution company. 2) Temperature increase from e. g. 15 °C to 40 °C.
Recommended open-outlet taps

Optional swivel outlets

Dimensions

Scope of delivery

Installation
Installation, initial operation and maintenance of this appliance must only be conducted by an authorised professional, who will then be responsible for adherence to applicable standards and installation regulations. We assume no liability for any damages caused by failure to observe these instructions
Typical installation: over-sink installation M/SMB

Installation instructions
The heater is installed directly on the SMB or SME special tap. We guarantee trouble-free operation of the instantaneous water heater only if CLAGE fittings and accessories are used. Note the following during installation:
- Installation must comply with DIN VDE 0100 and EN 806 and with the statutory regulations of the country and the provisions of the local electricity and water supply company.
- Check the technical data and information on the rating plate.
- Easy access to the instantaneous water heater must be guaranteed at all times for maintenance purposes. An separate shut-off valve must be installed.
- Only use the appliance with an open-outlet tap.
- Ensure that all accessories are removed from the packaging.
- The water pipe must be securely embedded in the wall and it must be stable.
- The minimum requirements for the required water resistance must be complied with. The required water resistance of the can be obtained from your water supply company.
- The minimum requirements for the required water resistance must be complied with. The required water resistance of the can be obtained from your water supply company.
- The water pipes must not exert any mechanical force on the water connections of the instantaneous water
heater during installation and operation. If this cannot be guaranteed due to the installation conditions, we recommend the use of flexible connections. - This appliance is not suitable for warm water supply to showers.
Installation with wall bracket
- Secure the wall bracket to the wall with suitable screws and dowels.
- Place the appliance onto the wall bracket and snap it into position.

Water connection (metal wall bracket)
- Place the metal wall bracket in a central position above the water connection as per the installation template. The metal wall bracket allows the appliance to be installed at a variable distance from the wall (up to approx. 15 mm from the wall).


- Push the collar on to the ½ inch water connection of the tap.
- Screw the tap on to the ½ inch water connection and seal with thread seal tape. The water connections must be horizontal.
- Insert seals into the ⅜ inch connections of the tap.
- Hook the instantaneous water heater into the metal wall bracket from above and position it on the ⅜ inch connections of the tap.
- Tighten the union nuts alternately until they are hand-tight. Use a spanner to hold the instantaneous water heater water connections steady as you do so.
- Insert the swivel outlet into the tap body from below and screw tight.
- After installation, check that all connections are tight.
Electrical connection
Fill the appliance with water by repeatedly opening and closing the hot water tap before connecting to electrical power and purge completely. The heating element may be damaged if this is not done!
- Check that the power supply is switched off.
- Make sure that the cross-section of the supply line corresponds to the details in the technical specifications of these instructions.
- Ensure that the dimensions of the circuit breaker do correspond with the cross-section of the connecting cable of the appliance and to the cross-section of the supply line.
- Instantaneous water heater with plug:
- Check that the socket is connected to the protective earth conductor.
- Plug the plug into the socket.
Alternatively
Instantaneous water heater without plug:
- Note that according to VDE 0700, an all-pole disconnecting device with a contact opening width of 3 mm per phase must be provided at the installation end.
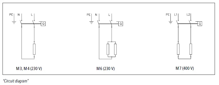
- Connect the connecting pipe via a junction box to the mains, as shown in the circuit diagram.
Alternatively
Connection to a permanently installed cable
- Note that according to VDE 0700, an all-pole disconnecting device with a contact opening width of 3 mm per phase should be provided at the installation end.
- The cross-section of the cable must meet the requirements of the minimal cross-section, as mentioned in chapter “Technical specifications“. The maximum applicable cross-section is 6 mm2.
- Open the cover.
- Dismount the pre-installed connection cable.
- Route the permanently installed cable through the grommet and connect it as shown in the circuit diagram.
- Make sure that the grommet fits tightly around the cable to ensure optimal protection against water.
- Refit the cover on the appliance.
The earth conductor must be connected

Initial start-up
Do not switch on the electric power at this time
- To purge the instantaneous water heater, open the hot water tap and wait until the water emerges free of air bubbles.
- In order to obtain an optimum water jet at low flow rates, screw the enclosed special tap aerator into the tap outlet (M 22/24).

- Switch on the electric power.
- Adapt the water flow if necessary, if for example the temperature is not reached. The procedure is described in the chapter “Use”.
- Explain the functions and use of the instantaneous water heater to the user and hand over these operating instructions to the user for information and future reference.
- Register the appliance with the customer service department using the registration card or online at www.clage.com.
Use
As soon as the hot water tap is opened, the instantaneous water heater switches on automatically. Close the tap and the appliance switches off automatically again.
Rating plate cover
On the inner part of the cover you can find the name of the application type (1), as well as the serial number (2) and the article number (3).

Removing the cover
Under this cover, the rating plate and the hood screw are located.
- Push the cover at the corrugation towards the wall bracket.
- At the rear corners press the cover down until the front edge lifts.
- Remove the cover by pulling forward.

Adjusting the water flow and temperature
May only be carried out by a specialist
- Remove the cover, undo the hood screw underneath and remove the hood.
- The maximum temperature and flow depend on the conditions at the installation site.
- In case of quite low or high cold water temperatures, you may reduce or increase the flow with the adjustment
- screw to achieve a comfortable outlet temperature. See figure below for direction of rotation:

Changing the strainer
The cold water connection of the instantaneous water heater is equipped with a strainer. Dirt deposited in this strainer can reduce the hot water output. Clean or replace as follows.
- Switch off the power supply to the instantaneous water heater.
- Close the shut-off valve in the inlet pipe or turn off the tap.
- Undo the union nuts alternately. Use a spanner to hold the instantaneous water heater water connections steady as you do so. Water may leak out.
- Pull the instantaneous water heater up and remove it from the wall bracket.
- Lever the strainer out of the connection piece of the instantaneous water heater and clean or replace it.
- Insert the clean strainer into the connection piece and connect the water pipe to the water inlet of the instantaneous water heater.
- Purge the instantaneous water heater as described in the chapter “Purging”.
- Switch the power supply back on again.
Purging
Each time it is emptied (for example after work on the plumbing system or following repair work on the appliance), the instantaneous water heater must be purged before it is used again.
- Switch off the power supply to the instantaneous water heater.
- To purge the instantaneous water heater, open the hot water tap and wait until the water emerges free of air bubbles.
- Switch the power supply back on again.
Cleaning and maintenance
- Plastic surfaces and fittings should only be wiped with a damp cloth. Do not use abrasive or chlorine-based cleaning agents or solvents.
- For a good water supply, the outlet fittings (e.g. jet regulators and shower heads) should be unscrewed and cleaned at regular intervals. Every three years, the electrical and plumbing components should be inspected by an authorised professional in order to ensure proper functioning and operational safety at all times.
Troubleshooting
Self-help when problems occur
The following table will help you to determine and rectify the reasons for possible problems.

- If the connection cable is damaged, it must be replaced with an original spare cable from the manufacturer by an authorised technician in order to avoid any hazards.
- If you cannot rectify the fault with the aid of the troubleshooting table, please contact customer service.
Spare parts

Customer service address
CLAGE GmbH
After-Sales Service Pirolweg 4 21337 Lüneburg Germany Phone: +49 4131 8901-400 Email: [email protected]
If there is a fault with the appliance, please send in the heater with details of the problem and a copy of the sales invoice for examination or repair.
Product data sheet
Product data sheet in accordance with EU regulation
(a) Brand name or trademark, (b.1) Model, (b.2) Type, (c) Specified load profile, (d) Energy-efficiency class, (e) Energy-efficiency, (f) Annual power consumption, (g) Additional load profile, the appropriate energy-efficiency and the annual power consumption, if applicable, (h) Temperature setting for the temperature controller, (i) Sound power level, internal.
Additional notes: All specific precautions for assembly, installation, maintenance and use are described in the
operating and installation instructions. All data in this product data sheet are determined by applying the specifications of the relevant European directives. Differences to other product information listed elsewhere may result in different test conditions. The power consumption was determined in compliance with standardized measurement method based on EU guidelines. The real energy consumption is pending on individual requirements.
References
Home · CLAGE.com/en
Gasvrij wonen en werken met elektrisch verwarmen
Home · CLAGE.com/en
Startseite · CLAGE.de
Page d’accueil · CLAGE.fr
Homepage · CLAGE.nl
Ny startside - CLAGE VANNVARMERE
Strona główna · CLAGE.pl
Průtokový ohřívač | CLAGE
Equipamentos e Materiais para sistemas hidráulicos e climatização | Indimante - Loja Online
Prietokové ohrievače vody CLAGE | KAMA.sk
Clage S.A.S France | Service après-vente des produits CLAGE - SANISELF
Distribución y Fabricación de equipos Ventilación, Calefacción, Climatización y Energías Renovables
Zander & Ingeström - Ledande inom flödes- och värmeteknik
zijn.De





















