SIEMENS 599-10078 Ball Valve Bracket Kit Instruction Manual
Product Description
The Ball Valve Bracket Kit contains the parts necessary to install an Open Air® GDE/GLB Series non-spring return actuator or Open Air GMA and GQD Series spring return actuator to a 599 Series two-way or three-way ball valve.
The actuator is held in place by securing it to the bracket shaft. The bracket shaft is held in place when the bracket is properly screwed to the valve body.
Contents
| Part Description | Qty |
| 6/32-inch × 3/4-inch screw for handle | 1 |
| Ball valve handle | 1 |
| Bracket shaft | 1 |
| Bracket screws: M4 × 0.7 × 50 mm | 2 |
| Bracket screws: M4 × 0.7 × 53 mm (For valves with yellow plate on top) | 2 |
| Bracket | 1 |
Product Number
599-10078
Required Tools
- No. 2 Phillips screwdriver
- 10 mm socket wrench for Open Air GMA actuator installation
- 4 mm hex key for Open Air GDE/GLB actuator installation
- 3 mm hex key for Open Air GQD actuator installation
Expected Installation Time
20 Minutes
Installation
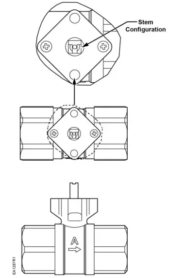
Ensure that the ball valve is in the fully open position with the valve stem in the orientation shown in Figure 1 and Figure 2.
Figure 1. Two-way Configuration.
Figure 1. Two-way Configuration.

Installation, Continued
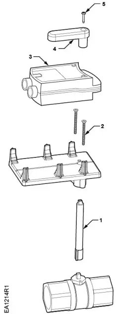
Assembling the Bracket Assembly to the Valve
- Insert the ball valve bracket shaft through the bottom of the bracket. See Figure 3.
- Make sure the ball valve bracket shaft is seated completely against the bottom of the bracket.
- Rotate the ball valve bracket shaft to the fully counterclockwise position.
- While holding the shaft in the appropriate orientation, assemble the bracket to the valve using the two M4 × 0.7 × 50 mm, or M4 × 0.7 × 53 mm screws, depending on your configuration. See Figure 3.

All 3-Way, All 2-Way Non-Spring Return, and 2-Way Spring Return, Normally Open (NO) Valve and Actuator Assemblies:
- For NO valve applications, you must rotate the ball valve bracket shaft to the full (90°) counterclockwise position prior to assembly to the valve.
a. Non-installed Valves – Verify that the ball valve is open by looking into the A (inlet) port to see if it is open. See Figure 4.
b. Installed Valves –See Figure 1 or Figure 2 to check the stem position with respect to the flow arrow. - The Open Air GMA actuator comes shipped from the factory with a 5° preload. This must be released prior to assembly. The gear train of the GMA actuator is released by using the override drive to slightly advance the actuator. After the gear train lock pin disengages, the actuator will return to its fail-safe position. The GQD actuator does not ship with any preload, and comes ready to assemble to the valve.
- Before assembling the GMA or GQD actuator to the ball valve bracket shaft, make sure the actuator zero indication on the top of the actuator is to the left.
- Slide the actuator over the ball valve bracket shaft and onto the lowest available step of the ball valve bracket.
NOTE: The GDE/GLB and GQD will rest on the lowest step. The GMA will rest on the second lowest step. - Tighten the actuator to the shaft:
a. GDE/GLB – use a 4 mm hex key to apply 44 to 60 lb-in torque.
b. GMA –- use a 10 mm socket wrench to apply 60 to 90 lb-in torque.
c. GQD – use a 3 mm hex key to apply 44 to 60 lb-in torque. - For GDE/GLB actuators, an anti-rotation screw must be fully driven in. See Figure 6 and Figure 7.
- Assemble the handle to the end of the shaft with the 6/32-inch × 3/4-inch screw provided until the handle has no free play.
The installation is now complete.
NOTE: Ball valve assemblies with GMA actuators are shipped from the factory with shaft adapters having two sets of 3 mm screws (four total) for shaft attachment. GMA actuators ordered separately ship with a self-centering shaft adapter.
2-Way Spring Return, Normally Closed (NC) Valve and Actuator Assembly (GMA and GQD):
- For NC valve applications, you must rotate the ball valve bracket shaft to the full (90°) clockwise position prior to assembly to the valve.
a. Non-installed valves – visually verify that the ball valve is closed by looking into the A (inlet) port. See Figure 4.
b. Installed valves – See Figure 1 or Figure 2 to check the stem position with respect to the flow arrow imprinted on the valve. - The Open Air GMA actuator comes from the factory with a 5° preload. This must be released prior to assembly. The gear train of the GMA actuator may be released by using the override drive to slightly advance the actuator. After the gear train lockpin disengages, the actuator will return to its fail-safe position. The GQD actuator does not ship with any preload, and comes ready to assemble to the valve.
- Before assembling the actuator to the ball valve bracket shaft, flip the actuator over so the actuator zero indication is to the right.
- Slide the actuator over the ball valve bracket shaft and onto the lowest available step of the ball valve bracket.
NOTE: The GQD actuator will rest on the lowest step. The GMA actuator will rest on the second lowest step of the bracket. See Figure 6. - Tighten the actuator to the shaft:
a. GMA –- use a 10 mm socket wrench to apply 60 to 90 lb-in torque.
b. GQD – use a 3 mm hex key to apply 44 to 60 lb-in torque. - Assemble the handle to the end of the shaft with the 6/32-inch × 3/4-inch screw provided until the handle has no free play. The installation is now complete.
Figure 5. Order of Assembly.
Dimensions
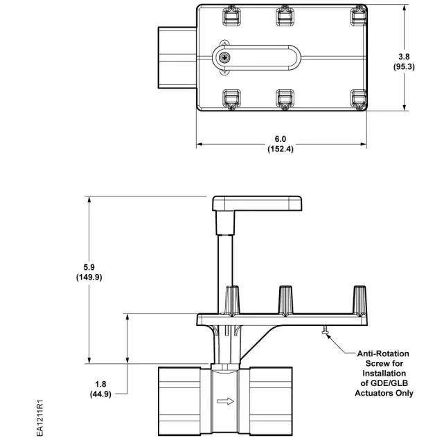
Figure 6. Ball Valve Bracket in Inches (Millimeters).
Figure 7. Two-way Ball Valve and Bracket with Actuator Dimensions in Inches (Millimeters).
|
Line Size Inches (mm) |
Cv Range |
A Length | C Length * Actuator Codes 171A-D, 173A-D
GDE/GLB | C Length * Actuator Codes 171H,J,K,L,N
GQD | C Length * Actuator Codes 171E,F,G,M,P 172E,F,G,M,P Fail-Safe GMA |
F Height | Valve and Bracket Weight lbs (kg) |
| 1/2 (15) | 0.4 to 10 | 2-7/16 (61) |
6-11/16 (170) | 6 (153) | ─ | 7-5/8 (193) | 1.1 (0.50) |
| 3/4 (20) | 6.3 to 25 | 2-3/4 (70) | 6 (153) | ─ | 8 (204) | 1.4 (0.60) | |
|
1 (25) | 10 | 3 (77) | – | 8 (203) | 8 (204) | 1.6 (0.73) | |
| 16, 40, 63 | 3-1/4 (82) | ─ | 8-3/8 (213) | 8-5/15 (212) | 1.8 (0.82) | ||
| 25 | 3-7/8 (98) | 7 (178) | ─ | 8-11/16 (221) | 8-13/16 (223) | 1.8 (0.82) | |
| 1-1/4 30) | 16 | 3-3/8 (86) | 6-11/16 (170) | ─ | 8-7/16 (214) | 8-3/8 (213) | 2.0 (0.91) |
| 25 to 100 | 3-11/16 (94) | 6-15/16 (176) | ─ | 8-11/16 (221) | 8-13/16 (223) | 2.5 (1.1) | |
| 1-1/2 (40) | 25, 63 | 3-5/8 (92) | ─ | 8-7/16 (214) | 8-13/16 (223) | 1.8 (0.82) | |
| 40, 100, 160 | 3-15/16 (100) | 7-1/16 (180) | ─ | 8-3/4 (223) | 9-1/4 (235) | 3.3 (1.50) | |
|
2 (50) | 40, 100 | 4 (102) | ─ | 9-3/8 (238) | 3.1 (1.41) | ||
| 63 | 4-5/8 (118) | 7-1/2 (190) | ─ | 9-1/8 (223) | 10-1/16 (255) | 5.25 (2.38) | |
| 160 | – | 5.3 (2.40) |
Figure 8. Three-way Ball Valve and Bracket with Actuator Dimensions in Inches (Millimeters)
- All dimensions are in inches (mm) and weights are in pounds (kg).
- Stamping on valve body indicates the ball size, not necessarily the line size.
- Dimension “C” is maximum length, measured from the actuator, end fitting, or mounting plate, whichever extends the furthest.
- Dimension “D”, Depth, is 3 inches (76 mm).
- Dimension “E”, Handle, is 4 inches (102 mm).
- Weight is for valve and bracket only.
| Line Size Inches (mm) | Product Number | A Length | C Length * for Actuator Codes 171A-D Codes 173A-D | C Length * for Actuator Codes 171E-G | B Height | G Height | F Height | Weight lbs (kg) |
| 1/2 (15) | 599-10350(S) through 599-10357(S) | 2-9/16 (65) | 6-11/16 (170) | 7-3/4 (197) | 3-1/4 (83) | 1-3/8 (35) | 8-5/8 (219) | 1.50 (0.68) |
| 3/4 (20) | 599-10358(S) 599-10359(S) | 2-3/4 (70) | 6-11/16 (170) | 8 (203) | 3-1/4 (83) | 1-3/8 (35) | 8-5/8 (219) | 1.60 (0.73) |
| 599-10360(S) | 3-1/8 (79) | 1-11/16 (43) | 2.20 (1.00) | |||||
| 3-1/8 (79) | 6-11/16 (170) | 8 (203) | 3-3/4 (95) | 1-11/16 (43) | 9-1/8 (232) | 2.37 (1.08) | ||
| 1 (25) | 599-10361(S) | |||||||
| 599-10362(S) 599-10363(S) | 3-13/16 (97) | 6-15/16 (176) | 8-1/2 (216) | 4 (102) | 2 (51) | 9-5/8 (244) | 2.74 (1.24) | |
| 1-1/4 (32) | 599-10364(S) 599-10365(S) | 3-5/8 (92) | 6-7/8 (174) | 8-1/2 (216) | 4 (102) | 2-1/8 (54) | 9-3/4 (248) | 3.50 (1.59) |
| 599-10366(S) | 3-15/16 (100) | 7 (178) | 8-1/2 (216) | 2-5/16 (59) | 10-1/4 (260) | 4.30 (1.95) | ||
| 1-1/2 (40) | 599-10367(S) 599-10368(S) | 3-15/16 (100) | 7 (178) | 8-1/2 (216) | 4 (102) | 2-5/16 (59) | 10-1/4 (260) | 3.90 (1.76) |
| 599-10369(S) | 4-5/8 (117) | 7-1/4 (184) | 8-3/4 (222) | 4-1/2 (114) | 2-13/16 (71) | 11 (279) | 7.83 (3.55) | |
| 2 (50) | 599-10370(S) | 4-5/8 (117) | 7-1/4 (184) | 8-3/4 (222) | 4-1/2 (114) | 2-7/8 (73) | 10-3/8 (264) | 6.70 (3.04) |
Information in this publication is based on current specifications. The company reserves the right to make changes in specifications and models as design improvements are introduced. Open Air is a registered trademark of Siemens Industry, Inc. Other product or company names mentioned herein may be the trademarks of their respective owners. © 2016 Siemens Industry, Inc
- Siemens Industry, Inc.
- Building Technologies Division
- 1000 Deerfield Parkway
- Buffalo Grove, IL 60089-4513
- USA
- Tel. +1 847-215-1000
Your feedback is important to us. If you have
comments about this document, please send
them to [email protected]
Document No.129-496
Printed in the USA





















