
74 319 0922 0
M4212
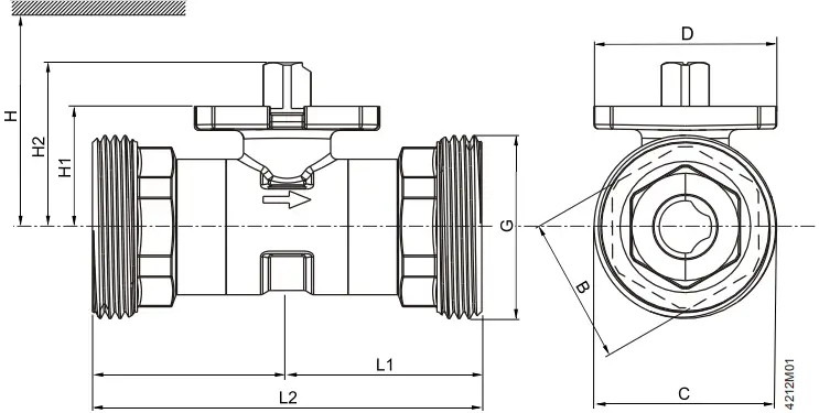
Mounting instructions Ball valve


VAG61.. VBG61..
VAG61..
VBG61..





1

2
2.1 VAG61..




A – AB = 100 %




A – AB = 0 %
2.1 VBG61..


A – AB = 100 %



B – AB = 100 %
3 VAG61..

VBG61..

4




© 2015 Siemens Switzerland Ltd.
2022-01-03 M4212 74 319 0922 0 D Smart Infrastructure


















